B & B ELECTRONICS

422ICCA, 422ICCB

Card Type

Serial

Chipset

16550A (422ICCA)

16750 (422ICCB)

I/O Options

Serial port

Data Bus

8-bit ISA

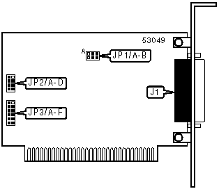
CONNECTIONS

Function

Label

RS-422 or RS-485 serial port

J1

USER CONFIGURABLE SETTINGS

Setting

Label

Position

 

Serial port is RS-485

JP1/A

Pins 1 & 2 closed

 

Serial port is RS-422

JP1/A

Pins 2 & 3 closed

»

Handshaking signals normal

JP1/B

Pins 1 & 2 closed

 

Handshaking signals forced high

JP1/B

Pins 2 & 3 closed

SERIAL PORT ADDRESS SELECTION

Setting

JP2/A

JP2/B

JP2/C

JP2/D

3F8h (COM1:)

Closed

Open

Open

Open

2F8h (COM2:)

Open

Closed

Open

Open

3E8h (COM3:)

Open

Open

Closed

Open

2E8h (COM4:)

Open

Open

Open

Closed

INTERRUPT SELECTION

Setting

JP3/A

JP3/B

JP3/C

JP3/D

JP3/E

JP3/F

IRQ2

Open

Open

Open

Open

Open

Closed

IRQ3

Open

Open

Open

Open

Closed

Open

IRQ4

Open

Open

Open

Closed

Open

Open

IRQ5

Open

Open

Closed

Open

Open

Open

IRQ6

Open

Closed

Open

Open

Open

Open

IRQ7

Closed

Open

Open

Open

Open

Open