LEADING EDGE PRODUCTS, INC.
G8
|
Card Type |
Multi-I/O/Video card |
|
Chip Set |
Unidentified |
|
Maximum Onboard Memory |
Unidentified |
|
I/O Options |
Light pen connector, game port, parallel port, serial port (RS-232), mouse port |
|
Video Types Supported |
Monochrome |
|
Highest Resolution |
640 x 400 |
|
Data Bus |
8-bit ISA |
|
Card Size |
Half-length |
|
CONNECTIONS | |||
|
Function |
Label |
Function |
Label |
|
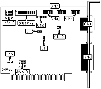
9-pin serial port |
CN1 |
Game port |
CN7 |
|
Mouse port |
CN3 |
Parallel port |
CN8 |
|
PAL connector |
CN4 |
Composite video out |
CN12 |
|
Light pen connector |
CN5 | ||
|
USER CONFIGURABLE SETTINGS | |||
|
Function |
Label |
Position | |
| » |
Composite color display |
J1 |
Pins 1 & 2 closed |
|
Composite monochrome display |
J1 |
Pins 2 & 3 closed | |
| » |
Composite/RGB/TTL monochrome display/PAL/Color emulation display |
J3 |
Pins 1 & 2 closed |
|
640 x 400 display |
J3 |
Pins 2 & 3 closed | |
| » |
Printer port 1 |
J15 |
Pins 1& 2 closed |
|
Printer port 2 |
J15 |
Pins 2 & 3 closed | |
| » |
Mouse disabled |
SW1/6 |
Off |
|
Mouse enabled |
SW1/6 |
On | |
| » |
Printer port enabled |
SW1/7 |
On |
|
Printer port disabled |
SW1/7 |
Off | |
| » |
Game controller port enabled |
SW1/8 |
On |
|
Game controller port disabled |
SW1/8 |
Off | |
|
MONITOR CONFIGURATION SELECTION | |||||||
|
Display setting |
SW1/1 |
SW1/2 |
SW1/2 |
SW1/4 |
SW1/5 |
SW1/9 | |
|
Composite color graphics |
On |
On |
Off |
Off |
On |
Off | |
|
Composite monochrome graphics |
On |
On |
Off |
On |
Off |
Off | |
|
PAL TV |
On |
On |
Off |
On |
On |
Off | |
| » |
RGB color graphics |
On |
On |
On |
Off |
On |
Off |
|
TTL monochrome graphics |
Off |
On |
On |
On |
On |
Off | |
|
640 x 400 |
Off |
Off |
On |
On |
Off |
Off | |
|
Color emulation |
Off |
On |
Off |
Off |
Off |
Off | |
|
MOUSE PORT INTERRUPT SELECTION | |||||||||
|
IRQ |
J2/A |
J2/B |
J2/C |
J2/D |
J6/A |
J6/B |
J6/C |
J6/D | |
|
IRQ2 |
Closed |
Open |
Open |
Open |
Pins 1 & 2 |
Open |
Open |
Open | |
| » |
IRQ3 |
Open |
Closed |
Open |
Open |
Open |
Pins 1 & 2 |
Open |
Open |
|
IRQ4 |
Open |
Open |
Closed |
Open |
Open |
Open |
Pins 1 & 2 |
Open | |
|
IRQ5 |
Open |
Open |
Open |
Closed |
Open |
Open |
Open |
Pins 1 & 2 | |
|
Note: Identified pins are in the closed position. To use the mouse J2 & J6 must be set to the same IRQ. | |||||||||