ASUS COMPUTER INTERNATIONAL

PVI-486SP3

Processor

CX486S/AM486SX/AM486SXL/80486SX/CX486S2/AM486SX2/AM486SXL/ 80486SX2/80487SX/CX486DX/AM486DX/AM486DXL/U5S/80486DX/ AM486DX2/AM486DXL2/CX486DX2V/CX486DX2/AM486DX2V8B/AM486DXV8T/80486DX2/CX486DX4/AM486DX4/AM486DXL4/AM486DX4V8B/80486DX4/ P24D/P24CT/Pentium Overdrive

Processor Speed

25/33/40/50(internal)/50/66(internal)/75(internal)/100(internal)MHz

Chip Set

Unidentified

Max. Onboard DRAM

128MB

Cache

128/256/512KB

BIOS

Award

Dimensions

254mm x 218mm

I/O Options

32-bit VESA local bus slot, 32-bit PCI slots (3), floppy drive interface, green PC connector, IDE interfaces (2), parallel port, PS/2 mouse interface, serial ports (2)

NPU Options

None

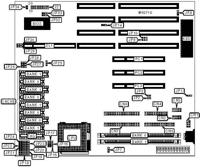
CONNECTIONS

Purpose

Location

Purpose

Location

PS/2 mouse interface

CN1

Turbo LED

J2 pins 12 - 13

Serial port 1

CN2

Green PC connector

J2 pins 14 - 15

Serial port 2

CN3

Turbo switch

J2 pins 16 - 17

Parallel port

CN4

Reset switch

J2 pins 19 - 20

Floppy drive interface

CN5

Green PC connector

JP2

IDE interface (primary)

CN6

Green PC connector

JP3

IDE interface (secondary)

CN7

IDE interface LED

JP34

Power LED & keylock

J2 pins 1 - 5

32-bit PCI slots

PC1 - PC3

Speaker

J2 pins 7 - 10

32-bit VESA local bus slot

SL1

USER CONFIGURABLE SETTINGS

Function

Jumper

Position

»

On board I/O enabled

JP1

pins 2 & 3 closed

 

On board I/O disabled

JP1

pins 1 & 2 closed

»

Monitor type select monochrome/VGA

JP8

pins 1 & 2 closed

 

Monitor type select CGA

JP8

pins 2 & 3 closed

»

PS/2 mouse enabled

JP14

pins 2 & 3 closed

 

PS/2 mouse disabled

JP14

pins 1 & 2 closed

DRAM CONFIGURATION

Size

Bank 0

Bank 1

1MB

(1) 256K x 36

NONE

2MB

(1) 256K x 36

(1) 256K x 36

2MB

(1) 512K x 36

NONE

3MB

(1) 256K x 36

(1) 512K x 36

3MB

(1) 512K x 36

(1) 256K x 36

4MB

(1) 512K x 36

(1) 512K x 36

4MB

(1) 1M x 36

NONE

5MB

(1) 256K x 36

(1) 1M x 36

5MB

(1) 1M x 36

(1) 256K x 36

6MB

(1) 512K x 36

(1) 1M x 36

6MB

(1) 1M x 36

(1) 512K x 36

8MB

(1) 1M x 36

(1) 1M x 36

8MB

(1) 2M x 36

NONE

9MB

(1) 256K x 36

(1) 2M x 36

9MB

(1) 2M x 36

(1) 256K x 36

10MB

(1) 512K x 36

(1) 2M x 36

10MB

(1) 2M x 36

(1) 512K x 36

12MB

(1) 1M x 36

(1) 2M x 36

12MB

(1) 2M x 36

(1) 1M x 36

16MB

(1) 2M x 36

(1) 2M x 36

16MB

(1) 4M x 36

NONE

17MB

(1) 256K x 36

(1) 4M x 36

17MB

(1) 4M x 36

(1) 256K x 36

DRAM CONFIGURATION (CON’T)

Size

Bank 0

Bank 1

18MB

(1) 512K x 36

(1) 4M x 36

18MB

(1) 4M x 36

(1) 512K x 36

20MB

(1) 1M x 36

(1) 4M x 36

20MB

(1) 4M x 36

(1) 1M x 36

24MB

(1) 2M x 36

(1) 4M x 36

24MB

(1) 4M x 36

(1) 2M x 36

32MB

(1) 4M x 36

(1) 4M x 36

32MB

(1) 8M x 36

NONE

33MB

(1) 256K x 36

(1) 8M x 36

33MB

(1) 8M x 36

(1) 256K x 36

34MB

(1) 512K x 36

(1) 8M x 36

34MB

(1) 8M x 36

(1) 512K x 36

36MB

(1) 1M x 36

(1) 8M x 36

36MB

(1) 8M x 36

(1) 1M x 36

40MB

(1) 2M x 36

(1) 8M x 36

40MB

(1) 8M x 36

(1) 2M x 36

48MB

(1) 4M x 36

(1) 8M x 36

48MB

(1) 8M x 36

(1) 4M x 36

64MB

(1) 16M x 36

NONE

64MB

(1) 8M x 36

(1) 8M x 36

65MB

(1) 256K x 36

(1) 16M x 36

65MB

(1) 16M x 36

(1) 256K x 36

66MB

(1) 512K x 36

(1) 16M x 36

66MB

(1) 16M x 36

(1) 512K x 36

68MB

(1) 1M x 36

(1) 16M x 36

68MB

(1) 16M x 36

(1) 1M x 36

72MB

(1) 2M x 36

(1) 16M x 36

72MB

(1) 16M x 36

(1) 2M x 36

80MB

(1) 4M x 36

(1) 16M x 36

80MB

(1) 16M x 36

(1) 4M x 36

96MB

(1) 16M x 36

(1) 8M x 36

96MB

(1) 8M x 36

(1) 16M x 36

128MB

(1) 16M x 36

(1) 16M x 36

CACHE CONFIGURATION

Size

Bank 0

Bank 1

TAG

128KB

(4) 32K x 8

NONE

(1) 8K x 8

256KB

(4) 32K x 8

(4) 32K x 8

(1) 32K x 8

256KB

(4) 64K x 8

NONE

(1) 32K x 8

512KB

(4) 128K x 8

NONE

(1) 32K x 8

CACHE JUMPER CONFIGURATION

Size

JP15

JP16

JP17

128KB

pins 1 & 2 closed

pins 2 & 3 closed

pins 2 & 3 closed

256KB

pins 1 & 2 closed

pins 1 & 2 closed

pins 1 & 2 closed

256KB

pins 1 & 2 closed

pins 2 & 3 closed

pins 1 & 2 closed

512KB

pins 2 & 3 closed

pins 2 & 3 closed

pins 1 & 2 closed

CPU TYPE CONFIGURATION

Type

JP18

JP19

JP20

CX486S

2 & 3, 5 & 6

2 & 3, 5 & 6

2 & 3

AM486SX

5 & 6

4 & 5

4 & 5

AM486SXL

5 & 6

4 & 5

4 & 5

80486SX

1 & 2, 5 & 6

1 & 2, 5 & 6

1 & 2, 5 & 6

CX486S2

2 & 3, 5 & 6

2 & 3, 5 & 6

2 & 3

AM486SX2

5 & 6

4 & 5

4 & 5

AM486SXL2

5 & 6

4 & 5

4 & 5

80486SX2

1 & 2, 5 & 6

1 & 2, 5 & 6

1 & 2, 5 & 6

80487SX

1 & 2, 5 & 6

1 & 2, 5 & 6

1 & 2, 5 & 6

CX486DX

2 & 3, 5 & 6

2 & 3, 5 & 6

2 & 3

AM486DX

5 & 6

4 & 5

4 & 5

AM486DXL

5 & 6

4 & 5

4 & 5

U5S

5 & 6

4 & 5

4 & 5

80486DX

1 & 2, 5 & 6

1 & 2, 5 & 6

1 & 2, 5 & 6

AM486DX2

5 & 6

4 & 5

4 & 5

AM486DXL2

5 & 6

4 & 5

4 & 5

CX486DX2V

2 & 3, 5 & 6

2 & 3, 5 & 6

2 & 3

CX486DX2

2 & 3, 5 & 6

2 & 3, 5 & 6

2 & 3

AM486DX2V8B

1 & 2, 4 & 5

1 & 2, 5 & 6

1 & 2, 5 & 6

AM486DX2V8T

1 & 2, 5 & 6

4 & 5

4 & 5

80486DX2

1 & 2, 5 & 6

1 & 2, 5 & 6

1 & 2, 5 & 6

CX486DX4

1 & 2, 4 & 5

1 & 2, 5 & 6

1 & 2, 5 & 6

AM486DX4

1 & 2, 5 & 6

4 & 5

4 & 5

AM486DXL4

1 & 2, 5 & 6

4 & 5

4 & 5

AM486DX4V8B

1 & 2, 4 & 5

1 & 2, 5 & 6

1 & 2, 5 & 6

80486DX4

1 & 2, 5 & 6

1 & 2, 5 & 6

1 & 2, 5 & 6

P24D

4 & 5

1 & 2, 5 & 6

1 & 2, 5 & 6

P24CT

1 & 2, 4 & 5

1 & 2, 5 & 6

5 & 6

Pentium Overdrive

1 & 2, 4 & 5

1 & 2, 5 & 6

5 & 6

Note: Pins designated should be in the closed position.

CPU TYPE CONFIGURATION (CON’T)

Type

JP21

JP22

JP23

JP24

CX486S

2 & 3

2 & 3

Open

2 & 3

AM486SX

Open

4 & 5

5 & 6

2 & 3

AM486SXL

Open

4 & 5

5 & 6

2 & 3

80486SX

1 & 2

Open

Open

2 & 3

CX486S2

2 & 3

2 & 3

Open

2 & 3

AM486SX2

Open

4 & 5

5 & 6

2 & 3

AM486SXL2

Open

4 & 5

5 & 6

2 & 3

80486SX2

1 & 2

Open

Open

2 & 3

80487SX

1 & 2

1 & 2

Open

1 & 2

CX486DX

2 & 3

2 & 3

Open

1 & 2

AM486DX

Open

4 & 5

5 & 6

1 & 2

AM486DXL

Open

4 & 5

5 & 6

1 & 2

U5S

Open

4 & 5

5 & 6

2 & 3

80486DX

1 & 2

1 & 2

Open

1 & 2

AM486DX2

Open

4 & 5

5 & 6

1 & 2

AM486DXL2

Open

4 & 5

5 & 6

1 & 2

CX486DX2V

2 & 3

2 & 3

1 & 2

1 & 2

CX486DX2

2 & 3

2 & 3

Open

1 & 2

AM486DX2V8B

1 & 2, 3 & 4, 5 & 6

Open

3 & 4

1 & 2, 4 & 5

AM486DX2V8T

Open

4 & 5

2 & 3, 5 & 6

1 & 2, 4 & 5

80486DX2

1 & 2

1 & 2

Open

1 & 2

CX486DX4

1 & 2, 3 & 4, 5 & 6

Open

Open

1 & 2

AM486DX4

Open

4 & 5

2 & 3, 5 & 6

1 & 2, 4 & 5

AM486DXL4

Open

4 & 5

2 & 3, 5 & 6

1 & 2, 4 & 5

AM486DX4V8B

1 & 2, 3 & 4, 5 & 6

Open

3 & 4

1 & 2, 4 & 5

80486DX4

1 & 2

1 & 2

Open

1 & 2

P24D

1 & 2, 3 & 4, 5 & 6

Open

3 & 4

1 & 2, 4 & 5

P24CT

1 & 2

Open

3 & 4

1 & 2

Pentium Overdrive

1 & 2

Open

3 & 4

1 & 2

Note: Pins designated should be in the closed position.

CPU SPEED CONFIGURATION (VT8228)

Speed

JP25

JP26

JP27

JP28

25MHz

pins 1 & 2 closed

pins 2 & 3 closed

pins 1 & 2 closed

pins 2 & 3 closed

33MHz

pins 1 & 2 closed

pins 2 & 3 closed

pins 2 & 3 closed

pins 1 & 2 closed

40MHz

pins 1 & 2 closed

pins 1 & 2 closed

pins 1 & 2 closed

pins 2 & 3 closed

50iMHz

pins 1 & 2 closed

pins 2 & 3 closed

pins 1 & 2 closed

pins 2 & 3 closed

50MHz

pins 2 & 3 closed

pins 2 & 3 closed

pins 1 & 2 closed

pins 2 & 3 closed

66iMHz

pins 1 & 2 closed

pins 2 & 3 closed

pins 2 & 3 closed

pins 1 & 2 closed

75iMHz

pins 1 & 2 closed

pins 2 & 3 closed

pins 1 & 2 closed

pins 2 & 3 closed

100iMHz

pins 1 & 2 closed

pins 2 & 3 closed

pins 2 & 3 closed

pins 1 & 2 closed

CPU SPEED CONFIGURATION (AV9155)

Speed

JP25

JP26

JP27

JP28

25MHz

pins 1 & 2 closed

pins 2 & 3 closed

pins 2 & 3 closed

pins 1 & 2 closed

33MHz

pins 1 & 2 closed

pins 1 & 2 closed

pins 2 & 3 closed

pins 1 & 2 closed

40MHz

pins 1 & 2 closed

pins 2 & 3 closed

pins 1 & 2 closed

pins 1 & 2 closed

50iMHz

pins 1 & 2 closed

pins 2 & 3 closed

pins 2 & 3 closed

pins 1 & 2 closed

50MHz

pins 2 & 3 closed

pins 2 & 3 closed

pins 2 & 3 closed

pins 1 & 2 closed

66iMHz

pins 1 & 2 closed

pins 1 & 2 closed

pins 2 & 3 closed

pins 1 & 2 closed

75iMHz

pins 1 & 2 closed

pins 2 & 3 closed

pins 2 & 3 closed

pins 1 & 2 closed

100iMHz

pins 1 & 2 closed

pins 1 & 2 closed

pins 2 & 3 closed

pins 1 & 2 closed

CPU VOLTAGE CONFIGURATION

Voltage

JP7

3.45v

pins 1 & 2 closed

3.6v

pins 2 & 3 closed

VESA WAIT STATE CONFIGURATION

Wait states

JP29

0 wait states

pins 1 & 2 closed

1 wait state

pins 2 & 3 closed

BUS SPEED CONFIGURATION

CPU speed

JP30

<= 33MHz

pins 1 & 2 closed

> 33MHz

pins 2 & 3 closed

BIOS CONFIGURATION

Setting

JP32

JP33

EPROM

pins 2 & 3 closed

pins 2 & 3 closed

5v

pins 1 & 2 closed

pins 2 & 3 closed

12v

pins 1 & 2 closed

pins 1 & 2 closed

DMA CONFIGURATION

DMA

JP9

JP10

DMA 1

pins 2 & 3 closed

pins 2 & 3 closed

DMA 3

pins 1 & 2 closed

pins 1 & 2 closed