ACER, INC.
AP57
|
Device Type |
Mainboard |
|
Processor |
CX 6X86/AM K5/AM K6/Pentium/Pentium MMX |
|
Processor Speed |
75/90/100/120/133/150/166/200/233MHz |
|
Chip Set |
SIS |
|
Video Chip Set |
None |
|
Maximum Onboard Memory |
256MB (EDO supported) |
|
Maximum Video Memory |
None |
|
Cache |
256/512KB |
|
BIOS |
Award |
|
Dimensions |
250mm x 220mm |
|
I/O Options |
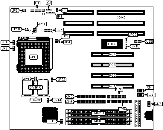
32-bit PCI slots (4), floppy drive interface, green PC connector, IDE interfaces (2), parallel port, PS/2 mouse interface, serial ports (2), IR connector, USB connector |
|
NPU Options |
None |
|
CONNECTIONS | |||
|
Purpose |
Location |
Purpose |
Location |
|
Power LED & keylock |
C1/pins 1 5 |
Parallel port |
CN3 |
|
Speaker |
C1/pins 7 10 |
Floppy drive interface |
CN4 |
|
Green PC LED |
C1/pins 12 & 13 |
IDE interface 2 |
CN5 |
|
Green PC connector |
C1/pins 15 17 |
IDE interface 1 |
CN6 |
|
Reset switch |
C1/pins 19 & 20 |
PS/2 mouse interface |
CN7 |
|
IDE interface LED |
C2 |
IR connector |
IR1 |
|
CPU fan power |
C3 |
32-bit PCI slots |
PC1 PC4 |
|
Serial port 1 |
CN1 |
USB connector |
USB |
|
Serial port 2 |
CN2 | ||
|
USER CONFIGURABLE SETTINGS | |||
|
Function |
Label |
Position | |
|
» |
CMOS memory normal operation |
JP14 |
Pins 1 & 2 closed |
|
CMOS memory clear |
JP14 |
Pins 2 & 3 closed | |
|
» |
On board I/O enabled |
JP18 |
Pins 1 & 2 closed |
|
On board I/O disabled |
JP18 |
Pins 2 & 3 closed | |
|
» |
PS/2 mouse enabled |
JP20 |
Pins 1 & 2 closed |
|
PS/2 mouse disabled |
JP20 |
Pins 2 & 3 closed | |
|
CPU burst mode select linear |
JP22 |
Pins 1 & 2 closed | |
|
CPU burst mode select toggle |
JP22 |
Pins 2 & 3 closed | |
|
SIMM CONFIGURATION | ||
|
Size |
Bank 0 |
Bank 1 |
|
8MB |
(2) 1M x 36 |
None |
|
16MB |
(2) 2M x 36 |
None |
|
16MB |
(2) 1M x 36 |
(2) 1M x 36 |
|
24MB |
(2) 2M x 36 |
(2) 1M x 36 |
|
32MB |
(2) 4M x 36 |
None |
|
32MB |
(2) 2M x 36 |
(2) 2M x 36 |
|
40MB |
(2) 4M x 36 |
(2) 1M x 36 |
|
48MB |
(2) 4M x 36 |
(2) 2M x 36 |
|
64MB |
(2) 8M x 36 |
None |
|
64MB |
(2) 4M x 36 |
(2) 4M x 36 |
|
72MB |
(2) 8M x 36 |
(2) 1M x 36 |
|
80MB |
(2) 8M x 36 |
(2) 2M x 36 |
|
96MB |
(2) 8M x 36 |
(2) 4M x 36 |
|
SIMM CONFIGURATION (CONT) | ||
|
Size |
Bank 0 |
Bank 1 |
|
128MB |
(2) 8M x 36 |
(2) 8M x 36 |
|
128MB |
(2) 16M x 36 |
None |
|
136MB |
(2) 16M x 36 |
(2) 1M x 36 |
|
144MB |
(2) 16M x 36 |
(2) 2M x 36 |
|
160MB |
(2) 16M x 36 |
(2) 4M x 36 |
|
192MB |
(2) 16M x 36 |
(2) 8M x 36 |
|
256MB |
(2) 16M x 36 |
(2) 16M x 36 |
|
Note: Board accepts EDO memory. | ||
|
CACHE CONFIGURATION | |
|
Size |
Bank 0 |
|
256KB |
(2) 32K x 32 |
|
512KB |
(2) 64K x 32 |
|
CPU SPEED SELECTION (CX 6X86) | |||||||
|
CPU speed |
Clock speed |
Multiplier |
JP1 |
JP2 |
JP3 |
JP4 |
JP13 |
|
120MHz |
50MHz |
2x |
1 & 2 |
1 & 2 |
2 & 3 |
2 & 3 |
1 & 2, 5 & 6 |
|
150MHz |
60MHz |
2x |
2 & 3 |
1 & 2 |
1 & 2 |
2 & 3 |
1 & 2, 3 & 4 |
|
166MHz |
66MHz |
2x |
2 & 3 |
1 & 2 |
2 & 3 |
1 & 2 |
3 & 4 |
|
Note: Pins designated should be in the closed position. | |||||||
|
CPU SPEED SELECTION (AM K5) | |||||||
|
CPU speed |
Clock speed |
Multiplier |
JP1 |
JP2 |
JP3 |
JP4 |
JP13 |
|
90MHz |
60MHz |
1.5x |
1 & 2 |
1 & 2 |
1 & 2 |
2 & 3 |
1 & 2, 3 & 4 |
|
100MHz |
66MHz |
1.5x |
1 & 2 |
1 & 2 |
2 & 3 |
1 & 2 |
3 & 4 |
|
120MHz |
60MHz |
1.5x |
1 & 2 |
1 & 2 |
1 & 2 |
2 & 3 |
1 & 2, 3 & 4 |
|
133MHz |
66MHz |
1.5x |
1 & 2 |
1 & 2 |
2 & 3 |
1 & 2 |
3 & 4 |
|
166MHz |
66MHz |
1.75x |
2 & 3 |
2 & 3 |
2 & 3 |
1 & 2 |
3 & 4 |
|
Note: Pins designated should be in the closed position. | |||||||
|
CPU SPEED SELECTION (AM K6) | |||||||
|
CPU speed |
Clock speed |
Multiplier |
JP1 |
JP2 |
JP3 |
JP4 |
JP13 |
|
166MHz |
66MHz |
2.5x |
2 & 3 |
2 & 3 |
2 & 3 |
1 & 2 |
3 & 4 |
|
200MHz |
66MHz |
3x |
1 & 2 |
2 & 3 |
2 & 3 |
1 & 2 |
3 & 4 |
|
Note: Pins designated should be in the closed position. | |||||||
|
CPU SPEED SELECTION (INTEL) | |||||||
|
CPU speed |
Clock speed |
Multiplier |
JP1 |
JP2 |
JP3 |
JP4 |
JP13 |
|
75MHz |
50MHz |
1.5x |
1 & 2 |
1 & 2 |
2 & 3 |
2 & 3 |
1 & 2, 5 & 6 |
|
90MHz |
60MHz |
1.5x |
1 & 2 |
1 & 2 |
1 & 2 |
2 & 3 |
1 & 2, 3 & 4 |
|
100MHz |
66MHz |
1.5x |
1 & 2 |
1 & 2 |
2 & 3 |
1 & 2 |
3 & 4 |
|
120MHz |
60MHz |
2x |
2 & 3 |
1 & 2 |
1 & 2 |
2 & 3 |
1 & 2, 3 & 4 |
|
133MHz |
66MHz |
2x |
2 & 3 |
1 & 2 |
2 & 3 |
1 & 2 |
3 & 4 |
|
150MHz |
60MHz |
2.5x |
2 & 3 |
2 & 3 |
1 & 2 |
2 & 3 |
1 & 2, 3 & 4 |
|
166MHz |
66MHz |
2.5x |
2 & 3 |
2 & 3 |
2 & 3 |
1 & 2 |
3 & 4 |
|
200MHz |
66MHz |
3x |
1 & 2 |
2 & 3 |
2 & 3 |
1 & 2 |
3 & 4 |
|
Note: Pins designated should be in the closed position. | |||||||
|
CPU SPEED SELECTION (INTEL MMX) | |||||||
|
CPU speed |
Clock speed |
Multiplier |
JP1 |
JP2 |
JP3 |
JP4 |
JP13 |
|
150MHz |
60MHz |
2.5x |
2 & 3 |
2 & 3 |
1 & 2 |
2 & 3 |
1 & 2, 3 & 4 |
|
166MHz |
66MHz |
2.5x |
2 & 3 |
2 & 3 |
2 & 3 |
1 & 2 |
3 & 4 |
|
200MHz |
66MHz |
3x |
1 & 2 |
2 & 3 |
2 & 3 |
1 & 2 |
3 & 4 |
|
233MHz |
66MHz |
3.5x |
1 & 2 |
1 & 2 |
2 & 3 |
1 & 2 |
3 & 4 |
|
Note: Pins designated should be in the closed position. | |||||||
|
CPU VOLTAGE SELECTION (SINGLE) | |||||
|
Voltage |
JP7 |
JP8 |
JP9 |
JP10 |
JP11 |
|
3.45v |
1 & 2 |
1 & 2 |
Closed |
Open |
Closed |
|
Note: Pins designated should be in the closed position. | |||||
|
CPU VOLTAGE SELECTION (DUAL) | ||||||
|
Voltage |
V core |
JP7 |
JP8 |
JP9 |
JP10 |
JP11 |
|
3.45v |
2.8v |
7 & 8 |
1 & 2 |
Open |
Closed |
Open |
|
3.45v |
2.9v |
5 & 6 |
1 & 2 |
Open |
Closed |
Open |
|
3.45v |
3.52v |
3 & 4 |
1 & 2 |
Closed |
Open |
Closed |
|
Note: Pins designated should be in the closed position. | ||||||