ASUS COMPUTER INTERNATIONAL

TX97-X (REV. 3.00)

Device Type

Mainboard

Processor

CX 6X86/CX 6X86MX/AM K5/AM K6/Pentium/Pentium MMX

Processor Speed

75/90/100/120/133/150/166/200MHz

Chip Set

Intel 430TX

Audio Chip Set

Creative Labs

Maximum Onboard Memory

256MB (EDO and SDRAM supported)

Cache

512KB

BIOS

Unidentified

Dimensions

330mm x 218mm

I/O Options

32-bit PCI slots (4), floppy drive interface, game/MIDI port, IDE interfaces (2), PS/2 mouse port, serial ports (2), IR connector, USB connectors (2), ATX power connector, line in connector, line out connector, microphone connector, CD-ROM audio interface, wake on LAN connector

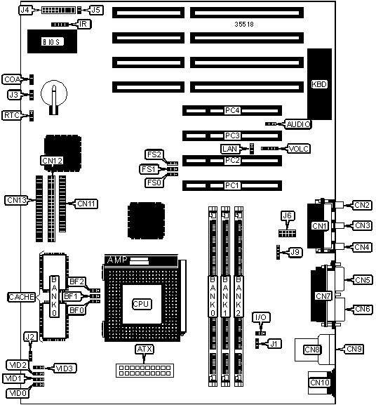
CONNECTIONS

Purpose

Location

Purpose

Location

ATX power connector

ATX

IDE interface 1

CN13

Game/MIDI port

CN1

Chassis open alarm

COA

Microphone in connector

CN2

IR connector

IR

Line in connector

CN3

Chassis fan power

J1

Line out connector

CN4

Chassis fan power

J2

Serial port 1

CN5

Chassis fan power

J3

Serial port 2

CN6

Front panel connector

J4

Parallel port

CN7

IDE interface LED

J5

USB connector 1

CN8

Creative Modem connector

J6

USB connector 2

CN9

Sony CD-ROM connector

J9

PS/2 mouse port

CN10

Wake on LAN activity connector

LAN

Floppy drive interface

CN11

32-bit PCI slots

PC1 – PC4

IDE interface 2

CN12

   

USER CONFIGURABLE SETTINGS

Function

Label

Position

»

On board audio enabled

AUDIO

Pins 2 & 3 closed

 

On board audio disabled

AUDIO

Pins 1 & 2 closed

»

Factory configured - do not alter

BF2

Unidentified

»

Flash BIOS write protect disabled

BBW

Pins 1 & 2 closed

 

Flash BIOS write protect enabled

BBW

Pins 2 & 3 closed

»

On board I/O enabled

I/O

Pins 1 & 2 closed

 

On board I/O disabled

I/O

Pins 2 & 3 closed

»

CMOS memory normal operation

RTC

Pins 1 & 2 closed

 

CMOS memory clear

RTC

Pins 2 & 3 closed

 

Volume control up

VOLC

Pins 1 & 2 closed

 

Volume control down

VOLC

Pins 4 & 5 closed

DIMM CONFIGURATION

Size

Bank 0

Bank 1

Bank 2

8MB

(1) 1M x 64

None

None

16MB

(1) 2M x 64

None

None

16MB

(1) 1M x 64

(1) 1M x 64

None

24MB

(1) 2M x 64

(1) 1M x 64

None

24MB

(1) 1M x 64

(1) 1M x 64

(1) 1M x 64

32MB

(1) 4M x 64

None

None

32MB

(1) 2M x 64

(1) 2M x 64

None

32MB

(1) 1M x 64

(1) 1M x 64

(1) 2M x 64

40MB

(1) 4M x 64

(1) 1M x 64

None

40MB

(1) 2M x 64

(1) 2M x 64

(1) 1M x 64

48MB

(1) 4M x 64

(1) 2M x 64

None

48MB

(1) 2M x 64

(1) 2M x 64

(1) 2M x 64

DIMM CONFIGURATION (CON’T)

Size

Bank 0

Bank 1

Bank 2

48MB

(1) 1M x 64

(1) 1M x 64

(1) 4M x 64

64MB

(1) 8M x 64

None

None

64MB

(1) 4M x 64

(1) 4M x 64

None

72MB

(1) 8M x 64

(1) 1M x 64

None

72MB

(1) 4M x 64

(1) 4M x 64

(1) 1M x 64

80MB

(1) 8M x 64

(1) 2M x 64

None

80MB

(1) 4M x 64

(1) 4M x 64

(1) 2M x 64

96MB

(1) 8M x 64

(1) 4M x 64

None

96MB

(1) 4M x 64

(1) 4M x 64

(1) 4M x 64

128MB

(1) 8M x 64

(1) 8M x 64

None

128MB

(1) 16M x 64

None

None

136MB

(1) 16M x 64

(1) 1M x 64

None

144MB

(1) 16M x 64

(1) 2M x 64

None

160MB

(1) 16M x 64

(1) 4M x 64

None

192MB

(1) 16M x 64

(1) 8M x 64

None

256MB

(1) 16M x 64

(1) 16M x 64

None

256MB

(1) 32M x 64

None

None

CACHE CONFIGURATION

Size

Bank 0

256KB

(2) 32K x 32

512KB

(2) 64K x 32

CPU SPEED SELECTION (CX 6X86)

CPU speed

Clock speed

Multiplier

BF0

BF1

FS0

FS1

FS2

166MHz

66MHz

2x

2 & 3

1 & 2

1 & 2

2 & 3

2 & 3

Note: Pins designated should be in the closed position.

CPU SPEED SELECTION (CX 6X86MX)

CPU speed

Clock speed

Multiplier

BF0

BF1

FS0

FS1

FS2

150MHz

60MHz

2.5x

2 & 3

2 & 3

2 & 3

2 & 3

2 & 3

166MHz

66MHz

2.5x

2 & 3

2 & 3

2 & 3

2 & 3

1 & 2

200MHz

66MHz

3x

2 & 3

1 & 2

2 & 3

2 & 3

1 & 2

Note: Pins designated should be in the closed position.

CPU SPEED SELECTION (AM K5)

CPU speed

Clock speed

Multiplier

BF0

BF1

FS0

FS1

FS2

75MHz

50MHz

1.5x

1 & 2

1 & 2

2 & 3

1 & 2

2 & 3

90MHz

60MHz

1.5x

1 & 2

1 & 2

2 & 3

2 & 3

2 & 3

100MHz

66MHz

1.5x

1 & 2

1 & 2

1 & 2

2 & 3

2 & 3

120MHz

60MHz

1.5x

1 & 2

1 & 2

2 & 3

2 & 3

2 & 3

133MHz

66MHz

1.5x

1 & 2

1 & 2

1 & 2

2 & 3

2 & 3

Note: Pins designated should be in the closed position.

CPU SPEED SELECTION (AM K6)

CPU speed

Clock speed

Multiplier

BF0

BF1

FS0

FS1

FS2

166MHz

66MHz

2x

2 & 3

2 & 3

2 & 3

2 & 3

1 & 2

200MHz

66MHz

3x

2 & 3

1 & 2

2 & 3

2 & 3

1 & 2

233MHz

66MHz

3.5x

1 & 2

1 & 2

2 & 3

2 & 3

1 & 2

Note: Pins designated should be in the closed position.

CPU SPEED SELECTION (INTEL)

CPU speed

Clock speed

Multiplier

BF0

BF1

FS0

FS1

FS2

75MHz

50MHz

1.5x

1 & 2

1 & 2

2 & 3

1 & 2

2 & 3

90MHz

60MHz

1.5x

1 & 2

1 & 2

2 & 3

2 & 3

2 & 3

100MHz

66MHz

1.5x

1 & 2

1 & 2

1 & 2

2 & 3

2 & 3

120MHz

60MHz

2x

2 & 3

1 & 2

2 & 3

2 & 3

2 & 3

133MHz

66MHz

2x

2 & 3

1 & 2

1 & 2

2 & 3

2 & 3

150MHz

60MHz

2.5x

2 & 3

2 & 3

2 & 3

2 & 3

2 & 3

166MHz

66MHz

2.5x

2 & 3

2 & 3

1 & 2

2 & 3

2 & 3

200MHz

66MHz

3x

1 & 2

2 & 3

1 & 2

2 & 3

2 & 3

Note: Pins designated should be in the closed position.

CPU SPEED SELECTION (INTELMMX)

CPU speed

Clock speed

Multiplier

BF0

BF1

FS0

FS1

FS2

166MHz

66MHz

2.5x

2 & 3

2 & 3

1 & 2

2 & 3

2 & 3

200MHz

66MHz

3x

1 & 2

2 & 3

1 & 2

2 & 3

2 & 3

233MHz

66MHz

3.5x

1 & 2

1 & 2

1 & 2

2 & 3

2 & 3

Note: Pins designated should be in the closed position.

CPU VOLTAGE SELECTION (SINGLE)

Voltage

VID0

VID1

VID2

VID3

3.4v

Pins 2 & 3 closed

Open

Pins 2 & 3 closed

Open

3.5v

Pins 1 & 2 closed

Open

Pins 2 & 3 closed

Open

CPU VOLTAGE SELECTION (DUAL)

V I/O

V core

VID0

VID1

VID2

VID3

1.8v

3.3v

Open

Open

Open

Pins 1 & 2 closed

1.9v

3.3v

Open

Open

Open

Pins 2 & 3 closed

2.1v

3.3v

Pins 1 & 2 closed

Pins 2 & 3 closed

Open

Open

2.5v

3.3v

Pins 1 & 2 closed

Pins 2 & 3 closed

Pins 1 & 2 closed

Open

2.7v

3.3v

Pins 1 & 2 closed

Pins 1 & 2 closed

Pins 1 & 2 closed

Open

2.8v

3.3v

Pins 2 & 3 closed

Pins 2 & 3 closed

Pins 2 & 3 closed

Open

2.9v

3.3v

Pins 1 & 2 closed

Pins 2 & 3 closed

Pins 2 & 3 closed

Open

3.2v

3.3v

Pins 2 & 3 closed

Pins 2 & 3 closed

Pins 1 & 2 closed

Open