DIGITAL EQUIPMENT CORPORATION

PRIORIS XL

Device Type

Mainboard

Processor

80486DX/80486DX2/Pentium

Processor Speed

25/33/50(internal)/66(internal)MHz

Chip Set

Unidentified

Video Chip Set

Unidentified

Maximum Onboard Memory

128MB (80486)/512MB (Pentium)

Maximum Video Memory

1MB

Cache

128/256KB

BIOS

Unidentified

Dimensions

305mm x 244mm

I/O Options

32-bit PCI slots (3), floppy drive interface, IDE interface, SCSI interface, Wide Ultra SCSI interface, parallel port, PS/2 mouse port, serial ports (2), VGA feature connector, VGA port, CPU slot

NPU Options

None

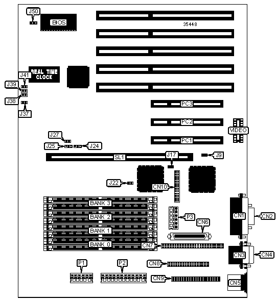
CONNECTIONS

Purpose

Location

Purpose

Location

Parallel port

CN1

IDE interface

CN9

VGA port

CN2

VGA feature connector

CN10

Serial port

CN3

5v auxiliary power

P1

Serial port

CN4

5v power

P2

PS/2 mouse port

CN5

3.3v power

P3

Ultra Wide SCSI interface

CN6

32-bit PCI slots

PC1 – PC3

SCSI interface

CN7

CPU slot

SL1

Floppy drive interface

CN8

   

USER CONFIGURABLE SETTINGS

Function

Label

Position

»

VGA IRQ9 disabled

J9

Open

 

VGA IRQ9 enabled

J9

Closed

»

On board I/O enabled

J17

Closed

 

On board I/O disabled

J17

Open

»

Wide SCSI disabled

J22

Open

 

Wide SCSI enabled

J22

Closed

»

Monitor type select color

J37

Closed

 

Monitor type select monochrome

J37

Open

»

Password normal operation

J38

Open

 

Password clear

J38

Closed

»

BIOS normal operation

J39

Open

 

BIOS recovery mode

J39

Closed

»

BIOS upgrade enabled

J41

Closed

 

BIOS upgrade disabled

J41

Open

»

Boot block enabled

J50

Pins 1 & 2 closed

 

Boot block disabled

J50

Pins 2 & 3 closed

SIMM CONFIGURATION

Size

Bank 0

Bank 1

Bank 2

Bank 3

8MB

(2) 1M x 36

None

None

None

16MB

(2) 2M x 36

None

None

None

16MB

(2) 1M x 36

(2) 1M x 36

None

None

24MB

(2) 2M x 36

(2) 1M x 36

None

None

24MB

(2) 1M x 36

(2) 1M x 36

(2) 1M x 36

None

32MB

(2) 4M x 36

None

None

None

32MB

(2) 2M x 36

(2) 2M x 36

None

None

SIMM CONFIGURATION (CON’T)

Size

Bank 0

Bank 1

Bank 2

Bank 3

32MB

(2) 1M x 36

(2) 1M x 36

(2) 1M x 36

(2) 1M x 36

40MB

(2) 4M x 36

(2) 1M x 36

None

None

48MB

(2) 4M x 36

(2) 2M x 36

None

None

48MB

(2) 2M x 36

(2) 2M x 36

(2) 2M x 36

None

64MB

(2) 2M x 36

(2) 2M x 36

(2) 2M x 36

(2) 2M x 36

64MB

(2) 8M x 36

None

None

None

64MB

(2) 4M x 36

(2) 4M x 36

None

None

72MB

(2) 8M x 36

(2) 1M x 36

None

None

80MB

(2) 8M x 36

(2) 2M x 36

None

None

96MB

(2) 8M x 36

(2) 4M x 36

None

None

96MB

(2) 4M x 36

(2) 4M x 36

(2) 4M x 36

None

128MB

(2) 16M x 36

None

None

None

128MB

(2) 8M x 36

(2) 8M x 36

None

None

128MB

(2) 4M x 36

(2) 4M x 36

(2) 4M x 36

(2) 4M x 36

136MB

(2) 16M x 36

(2) 1M x 36

None

None

144MB

(2) 16M x 36

(2) 2M x 36

None

None

152MB

(2) 16M x 36

(2) 1M x 36

(2) 1M x 36

(2) 1M x 36

160MB

(2) 16M x 36

(2) 4M x 36

None

None

176MB

(2) 16M x 36

(2) 2M x 36

(2) 2M x 36

(2) 2M x 36

192MB

(2) 16M x 36

(2) 8M x 36

None

None

192MB

(2) 8M x 36

(2) 8M x 36

(2) 8M x 36

None

224MB

(2) 16M x 36

(2) 4M x 36

(2) 4M x 36

(2) 4M x 36

256MB

(2) 16M x 36

(2) 16M x 36

None

None

256MB

(2) 8M x 36

(2) 8M x 36

(2) 8M x 36

(2) 8M x 36

272MB

(2) 16M x 36

(2) 16M x 36

(2) 1M x 36

(2) 1M x 36

288MB

(2) 16M x 36

(2) 16M x 36

(2) 2M x 36

(2) 2M x 36

320MB

(2) 16M x 36

(2) 16M x 36

(2) 4M x 36

(2) 4M x 36

320MB

(2) 16M x 36

(2) 8M x 36

(2) 8M x 36

(2) 8M x 36

384MB

(2) 16M x 36

(2) 16M x 36

(2) 16M x 36

None

512MB

(2) 16M x 36

(2) 16M x 36

(2) 16M x 36

(2) 16M x 36

Note: If 80486 module is installed, it will accept up to 128MB.

VIDEO MEMORY CONFIGURATION

Note: the size of the video memory is unidentified.

CPU TYPE SELECTION

Type

J27

Intel

Open

All other types

Closed

CPU CARD SELECTION

Type

J24

J25

Single CPU installed

Pins 1 & 2 closed

Pins 1 & 2 closed

Multiple CPUs installed

Pins 2 & 3 closed

Pins 2 & 3 closed

CACHE CONFIGURATION

Size

Bank 0

128KB

(4) 32K x 8

256KB

(4) 64K x 8

CACHE JUMPER CONFIGURATION

Size

J8

J9

J10

128KB

Pins 1 & 2 closed

Pins 1 & 2 closed

Pins 1 & 2 closed

256KB

Pins 2 & 3 closed

Pins 2 & 3 closed

Pins 2 & 3 closed

CPU SPEED SELECTION

Speed

J12

25MHz

Pins 1 & 2 closed

33MHz

Pins 2 & 3 closed

50iMHz

Pins 1 & 2 closed

66iMHz

Pins 2 & 3 closed