HYUNDAI ELECTRONICS, INC.

SUPER 386C

Processor

80386DX

Processor Speed

20MHz

Chip Set

VLSI

Max. Onboard DRAM

8MB (on CPU/NPU/MEM card)

Cache

None

BIOS

Phoenix

Dimensions

350mm x 304mm

I/O Options

Serial port, parallel port, floppy drive interface, IDE interface, proprietary cpu/npu/memory card, proprietary external memory card slot (on CPU card)

NPU Options

80387 (on CPU/NPU/MEM card)

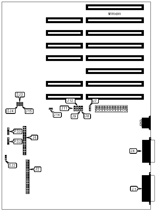
CONNECTIONS

Purpose

Location

Purpose

Location

Parallel port

J1

Floppy drive interface

J5

IDE interface

J2

Keyboard & power good signal

J7

Serial port

J4

Auxiliary CPU card power

PS2 & PS3

Notes:J7 is connected to J1 on the CPU card.

PS2 & PS3 are connected to PS1 & PS2 on the CPU card when an NPU is installed.

USER CONFIGURABLE SETTINGS

Function

Jumper

Position

»

Serial port select COM1

J8 & J9

pins 1 & 2 closed

 

Serial port select COM2

J8 & J9

pins 2 & 3 closed

 

Serial port disabled

J8 & J9

Open

»

Parallel port select LPT1

J11 & J12

pins 1 & 2 closed

 

Parallel port select LPT2

J11 & J12

pins 2 & 3 closed

 

Parallel port disabled

J11 & J12

Open

»

Floppy drive interface enabled

J14

Closed

 

Floppy drive interface enabled

J14

Open

»

IDE interface enabled

J15

Closed

 

IDE interface disabled

J15

Open

»

Factory configured - do not alter

SJ2

pins 2 & 3 closed

»

Factory configured - do not alter

SJ3

N/A

»

Factory configured - do not alter

SJ4

N/A

DRAM CONFIGURATION

Size

Bank 0

Bank 1

1MB

(4) 256K x 9

NONE

2MB

(4) 256K x 9

(4) 256K x 9

4MB

(4) 1M x 9

NONE

8MB

(4) 1M x 9

(4) 1M x 9

CONNECTIONS

Purpose

Location

Purpose

Location

Keyboard & power good signal

J1

Reset switch

J3 pins 6 & 7

External battery

J2

Proprietary external memory card

J4

Turbo LED

J3 pins 1 - 3

Speaker

J5

Keylock

J3 pins 4 & 5

Auxiliary power

PS1 & PS2

Notes:J1 connects to J7 on the main board.

PS1 & PS2 connect to PS2 & PS3 on the main board when an NPU is installed.

USER CONFIGURABLE SETTINGS

Function

Jumper

Position

»

Monitor type select color

JMP1

pins 2 & 3 closed

 

Monitor type select monochrome

JMP1

pins 1 & 2 closed

»

Page-mode enabled

JMP2

Closed

 

Page-mode disabled

JMP2

Open

»

NPU enabled

JMP3

Closed

 

NPU disabled

JMP3

Open

Note:When enabling the NPU, PS1 & PS2 on the CPU card should be connected to

PS2 & PS3 on the main board.