ELITEGROUP COMPUTER SYSTEMS, INC.

P5SJ-A

Processor

CX M1/AM K5/AM K6/Pentium

Processor Speed

75/90/100/120/133/150/166/180/200MHz

Chip Set

SIS 5582

Video Chip Set

Unidentified

Maximum Onboard Memory

256MB (EDO supported)

Maximum Video Memory

Unidentified

Cache

256KB

BIOS

Award

Dimensions

305mm x 244mm

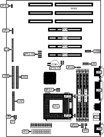
I/O Options

32-bit PCI slots (4), floppy drive interface, IDE interfaces (2), parallel port, PS/2 mouse port, serial ports (2), VGA interface, IR connector, USB connector, ATX power connector

NPU Options

None

CONNECTIONS

Purpose

Location

Purpose

Location

ATX power connector

ATX

Serial port 1

CN4

Power LED

C1/pins 1 & 3

IDE interface 2

CN5

ACPI switch

C1/pins 4 & 5

IDE interface 1

CN6

ACPI LED

C1/pins 6 - 8

Floppy drive interface

CN7

Reset switch

C1/pins 9 & 10

IR connector

IR1

Keylock

C1/pins 11 & 12

Chassis fan power

J1

Speaker

C1/pins 13 - 16

VGA interface

J6

IDE interface LED

C1/pins 17 & 18

Wake up connector

J8

Serial port 2

CN1

32-bit PCI slots

PC1 – PC4

Parallel port

CN2

USB connector

USB

PS/2 mouse port

CN3

   

USER CONFIGURABLE SETTINGS

Function

Label

Position

»

CMOS memory normal operation

JP16

Pins 1 & 2 closed

 

CMOS memory clear

JP16

Pins 2 & 3 closed

»

Power supply select AT

JP17

Pins 2 & 3 closed

 

Power supply select ATX

JP17

Pins 1 & 2 closed

»

Flash BIOS boot block enabled

JP20

Pins 1 & 2 closed

 

Flash BIOS boot block disabled

JP20

Pins 2 & 3 closed

DRAM CONFIGURATION

Size

Bank 0

Bank 1

2MB

(2) 512K x 36

None

4MB

(2) 512K x 36

(2) 512K x 36

8MB

(2) 1M x 36

None

16MB

(2) 2M x 36

None

16MB

(2) 1M x 36

(2) 1M x 36

24MB

(2) 2M x 36

(2) 1M x 36

32MB

(2) 4M x 36

None

32MB

(2) 2M x 36

(2) 2M x 36

40MB

(2) 4M x 36

(2) 1M x 36

48MB

(2) 4M x 36

(2) 2M x 36

64MB

(2) 8M x 36

None

64MB

(2) 4M x 36

(2) 4M x 36

72MB

(2) 8M x 36

(2) 1M x 36

80MB

(2) 8M x 36

(2) 2M x 36

96MB

(2) 8M x 36

(2) 4M x 36

128MB

(2) 8M x 36

(2) 8M x 36

DRAM CONFIGURATION (CON’T)

Size

Bank 0

Bank 1

128MB

(2) 16M x 36

None

136MB

(2) 16M x 36

(2) 1M x 36

144MB

(2) 16M x 36

(2) 2M x 36

160MB

(2) 16M x 36

(2) 4M x 36

192MB

(2) 16M x 36

(2) 8M x 36

256MB

(2) 16M x 36

(2) 16M x 36

256MB

(2) 32M x 36

None

Note: Board accepts EDO memory.

CACHE CONFIGURATION

Note: The location of the cache is unidentified.

CPU SPEED SELECTION (CYRIX)

CPU speed

Clock speed

Multiplier

BF0

BF1

JP12

JP13

JP14

JP15

90MHz

60MHz

2x

2 & 3

1 & 2

2 & 3

1 & 2

1 & 2

2 & 3

100MHz

50MHz

2x

2 & 3

1 & 2

2 & 3

2 & 3

1 & 2

2 & 3

120MHz

55MHz

2x

2 & 3

1 & 2

2 & 3

2 & 3

1 & 2

1 & 2

133MHz

60MHz

2x

2 & 3

1 & 2

2 & 3

1 & 2

1 & 2

2 & 3

150MHz

66MHz

2x

2 & 3

1 & 2

1 & 2

2 & 3

1 & 2

2 & 3

166MHz

66MHz

2x

2 & 3

1 & 2

1 & 2

2 & 3

1 & 2

2 & 3

200MHz

75MHz

3x

1 & 2

2 & 3

2 & 3

1 & 2

1 & 2

1 & 2

Note: Pins designated should be in the closed position.

CPU SPEED SELECTION (AMD)

CPU speed

Clock speed

Multiplier

BF0

BF1

JP12

JP13

JP14

JP15

75MHz

50MHz

1.5x

1 & 2

1 & 2

2 & 3

2 & 3

1 & 2

2 & 3

90MHz

60MHz

1.5x

1 & 2

1 & 2

2 & 3

1 & 2

1 & 2

2 & 3

100MHz

66MHz

1.5x

1 & 2

1 & 2

1 & 2

2 & 3

1 & 2

2 & 3

120MHz

60MHz

2x

2 & 3

1 & 2

2 & 3

1 & 2

1 & 2

2 & 3

133MHz

66MHz

2x

2 & 3

1 & 2

1 & 2

2 & 3

1 & 2

2 & 3

150MHz

60MHz

2.5x

2 & 3

2 & 3

2 & 3

1 & 2

1 & 2

2 & 3

166MHz

66MHz

2.5x

2 & 3

2 & 3

1 & 2

2 & 3

1 & 2

2 & 3

Note: Pins designated should be in the closed position.

CPU SPEED SELECTION (INTEL)

CPU speed

Clock speed

Multiplier

BF0

BF1

JP12

JP13

JP14

JP15

75MHz

50MHz

1.5x

1 & 2

1 & 2

2 & 3

2 & 3

1 & 2

2 & 3

90MHz

60MHz

1.5x

1 & 2

1 & 2

2 & 3

1 & 2

1 & 2

2 & 3

100MHz

66MHz

1.5x

1 & 2

1 & 2

1 & 2

2 & 3

1 & 2

2 & 3

120MHz

60MHz

2x

2 & 3

1 & 2

2 & 3

1 & 2

1 & 2

2 & 3

133MHz

66MHz

2x

2 & 3

1 & 2

1 & 2

2 & 3

1 & 2

2 & 3

150MHz

60MHz

2.5x

2 & 3

2 & 3

2 & 3

1 & 2

1 & 2

2 & 3

166MHz

66MHz

2.5x

2 & 3

2 & 3

1 & 2

2 & 3

1 & 2

2 & 3

180MHz

60MHz

3x

1 & 2

2 & 3

2 & 3

1 & 2

1 & 2

2 & 3

200MHz

66MHz

3x

1 & 2

2 & 3

1 & 2

2 & 3

1 & 2

2 & 3

Note: Pins designated should be in the closed position.

CPU VOLTAGE SELECTION (SINGLE)

Voltage

JP6

JP22

3.3v

Pins 1 & 2 closed

Pins 1 & 2, 3 & 4, 5 & 6, 7 & 8 closed

3.52v

Pins 3 & 4 closed

Pins 1 & 2, 3 & 4, 5 & 6, 7 & 8 closed

CPU VOLTAGE SELECTION (DUAL)

Voltage

V core

JP6

JP22

3.3v

2.54v

1 & 2

3 & 4, 7 & 8

3.3v

2.84v

1 & 2

1 & 2

3.3v

2.94v

1 & 2

1 & 2, 7 & 8

3.3v

3.24v

1 & 2

1 & 2, 3 & 4

3.3v

3.34v

1 & 2

3 & 4, 5 & 6

3.52v

2.54v

3 & 4

3 & 4, 7 & 8

3.52v

2.84v

3 & 4

1 & 2.

3.52v

2.94v

3 & 4

1 & 2, 7 & 8

3.52v

3.24v

3 & 4

1 & 2, 3 & 4

3.52v

3.34v

3 & 4

3 & 4, 5 & 6

Note: Pins designated should be in the closed position.

ON BOARD VIDEO SELECTION

Setting

JP23

JP24

JP25

Enabled

Pins 1 & 2 closed

Pins 2 & 3 closed

Pins 1 & 2 closed

Disabled

Pins 2 & 3 closed

Pins 1 & 2 closed

Pins 2 & 3 closed