FREE COMPUTER TECHNOLOGY, INC.

P6F77

Processor

Pentium II

Processor Speed

200/233/266/300MHz

Chip Set

Intel

Video Chip Set

None

Maximum Onboard Memory

768MB (EDO supported)

Maximum Video Memory

None

Cache

256/512KB (located on Pentium II CPU)

BIOS

Award

Dimensions

305mm x 244mm

I/O Options

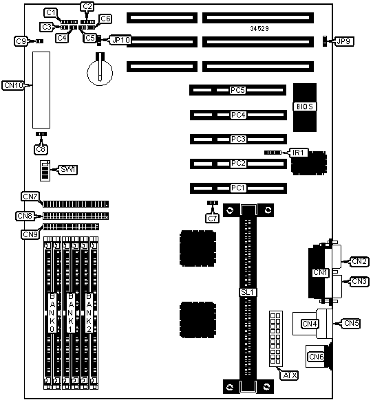
32-bit PCI slots (5), floppy drive interface, green PC connector, IDE interfaces (2), parallel port, PS/2 mouse port, serial ports (2), IR connector, USB connectors (2), ATX power connector, CPU Slot 1

NPU Options

None

CONNECTIONS

Purpose

Location

Purpose

Location

ATX power connector

ATX

Serial port 2

CN2

Power LED & keylock

C1

Serial port 1

CN3

Speaker

C2

USB connector 1

CN4

Green PC connector

C3

USB connector 2

CN5

Turbo LED

C4

PS/2 mouse port

CN6

Reset switch

C5

IDE interface 2

CN7

IDE interface LED

C6

IDE interface 1

CN8

Chassis fan power

C7

Floppy drive interface

CN9

Chassis fan power

C8

System Management Connector

CN10

Soft off power supply

C9

IR connector

IR1

Parallel port

CN1

32-bit PCI slots

PC1 – PC5

USER CONFIGURABLE SETTINGS

Function

Label

Position

 

Keyboard voltage select +5v

JP9

Pins 1 & 2 closed

 

Keyboard voltage select +5v (SB)

JP9

Pins 2 & 3 closed

»

CMOS memory normal operation

JP10

Pins 1 & 2 closed

 

CMOS memory clear

JP10

Pins 2 & 3 closed

SIMM CONFIGURATION

Size

Bank 0

Bank 1

Bank 2

8MB

(2) 1M x 36

None

None

16MB

(2) 1M x 36

(2) 1M x 36

None

16MB

(2) 2M x 36

None

None

24MB

(2) 2M x 36

(2) 1M x 36

None

24MB

(2) 1M x 36

(2) 1M x 36

(2) 1M x 36

32MB

(2) 4M x 36

None

None

32MB

(2) 2M x 36

(2) 2M x 36

None

40MB

(2) 4M x 36

(2) 1M x 36

None

48MB

(2) 4M x 36

(2) 2M x 36

None

48MB

(2) 4M x 36

(2) 1M x 36

(2) 1M x 36

56MB

(2) 4M x 36

(2) 2M x 36

(2) 1M x 36

64MB

(2) 8M x 36

None

None

64MB

(2) 4M x 36

(2) 4M x 36

None

80MB

(2) 8M x 36

(2) 2M x 36

None

80MB

(2) 8M x 36

(2) 1M x 36

(2) 1M x 36

88MB

(2) 8M x 36

(2) 2M x 36

(2) 1M x 36

96MB

(2) 8M x 36

(2) 4M x 36

None

96MB

(2) 4M x 36

(2) 4M x 36

(2) 4M x 36

96MB

(2) 8M x 36

(2) 2M x 36

(2) 2M x 36

104MB

(2) 8M x 36

(2) 4M x 36

(2) 1M x 36

112MB

(2) 8M x 36

(2) 4M x 36

(2) 2M x 36

SIMM CONFIGURATION (CON’T)

Size

Bank 0

Bank 1

Bank 2

128MB

(2) 8M x 36

(2) 4M x 36

(2) 4M x 36

128MB

(2) 16M x 36

None

None

128MB

(2) 8M x 36

(2) 8M x 36

None

136MB

(2) 8M x 36

(2) 8M x 36

(2) 1M x 36

136MB

(2) 16M x 36

(2) 1M x 36

None

144MB

(2) 16M x 36

(2) 2M x 36

None

144MB

(2) 16M x 36

(2) 1M x 36

(2) 1M x 36

152MB

(2) 16M x 36

(2) 2M x 36

(2) 1M x 36

160MB

(2) 16M x 36

(2) 4M x 36

None

160MB

(2) 16M x 36

(2) 2M x 36

(2) 2M x 36

168MB

(2) 16M x 36

(2) 4M x 36

(2) 1M x 36

176MB

(2) 16M x 36

(2) 4M x 36

(2) 2M x 36

192MB

(2) 16M x 36

(2) 8M x 36

None

192MB

(2) 16M x 36

(2) 4M x 36

(2) 4M x 36

200MB

(2) 16M x 36

(2) 8M x 36

(2) 1M x 36

208MB

(2) 16M x 36

(2) 8M x 36

(2) 2M x 36

224MB

(2) 16M x 36

(2) 8M x 36

(2) 4M x 36

256MB

(2) 16M x 36

(2) 16M x 36

None

256MB

(2) 16M x 36

(2) 8M x 36

(2) 8M x 36

256MB

(2) 32M x 36

None

None

264MB

(2) 16M x 36

(2) 16M x 36

(2) 1M x 36

264MB

(2) 32M x 36

(2) 1M x 36

None

272MB

(2) 16M x 36

(2) 16M x 36

(2) 2M x 36

272MB

(2) 32M x 36

(2) 2M x 36

None

288MB

(2) 16M x 36

(2) 16M x 36

(2) 4M x 36

288MB

(2) 32M x 36

(2) 4M x 36

None

320MB

(2) 16M x 36

(2) 16M x 36

(2) 8M x 36

320MB

(2) 32M x 36

(2) 8M x 36

None

384MB

(2) 16M x 36

(2) 16M x 36

(2) 16M x 36

384MB

(2) 32M x 36

(2) 16M x 36

None

512MB

(2) 32M x 36

(2) 32M x 36

None

520MB

(2) 32M x 36

(2) 32M x 36

(2) 1M x 36

528MB

(2) 32M x 36

(2) 32M x 36

(2) 2M x 36

536MB

(2) 32M x 36

(2) 32M x 36

(2) 4M x 36

576MB

(2) 32M x 36

(2) 32M x 36

(2) 8M x 36

640MB

(2) 32M x 36

(2) 32M x 36

(2) 16M x 36

768MB

(2) 32M x 36

(2) 32M x 36

(2) 32M x 36

Note: Board accepts EDO memory.

CACHE CONFIGURATION

Note: 256KB/512KB cache is located on the Pentium II CPU.

CPU SPEED SELECTION

CPU speed

Clock speed

Multiplier

SW1/1

SW1/2

SW1/3

SW1/4

200MHz

66MHz

3x

On

Off

On

On

233MHz

66MHz

3.5x

Off

Off

On

On

266MHz

66MHz

4x

On

On

Off

On

300MHz

66MHz

3x

Off

On

Off

On