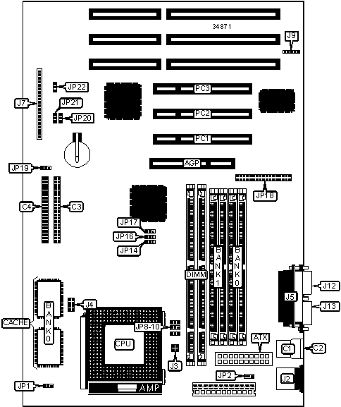
ELITEGROUP COMPUTER SYSTEMS, INC.

P5SD-A

Device Type

Mainboard

Processor

CX 6X86/IBM 6X86/CX 6X86L/IBM 6X86L/CX 686MX/IBM 6X86MX/ AM K5/AM K6/Pentium

Processor Speed

90/100/120/133/150/166/180/200/233/266MHz

Chip Set

SIS

Video Chip Set

None

Maximum Onboard Memory

384MB (EDO & SDRAM supported)

Maximum Video Memory

None

Cache

512KB

BIOS

Award

Dimensions

305mm x 244mm

I/O Options

32-bit PCI slots (3), floppy drive interface, green PC connector, IDE interfaces (2), parallel port, PS/2 mouse port, serial ports (2), IR connector, USB connectors (2), ATX power connector, AGP slot

NPU Options

None

CONNECTIONS

Purpose

Location

Purpose

Location

AGP slot

AGP

Speaker

J7/pins 13 - 16

ATX power connector

ATX

IDE interface LED

J7/pins 17 & 18

USB connector 1

C1

Soft off power supply

J7/pins 19 & 20

USB connector 2

C2

IR connector

J9

IDE interface 2

C3

Serial port 1

J12

IDE interface 1

C4

Serial port 2

J13

PS/2 mouse port

J2

CPU fan power

JP1

Parallel port

J5

Floppy drive interface

JP18

Power LED

J7/pins 1 - 3

Chassis fan power

JP19

Green PC connector

J7/pins 4 & 5

Wake on modem connector

JP20

Green PC LED

J7/pins 6 - 8

Wake on LAN connector

JP21

Reset switch

J7/pins 9 & 10

32-bit PCI slots

PC1 – PC3

Keylock

J7/pins 11 & 12

   

USER CONFIGURABLE SETTINGS

Function

Label

Position

 

Power supply select AT

JP2

Pins 1 & 2 closed

 

Power supply select ATX

JP2

Pins 2 & 3 closed

»

CMOS memory normal operation

JP22

Pins 1 & 2 closed

 

CMOS memory clear

JP22

Pins 2 & 3 closed

SIMM CONFIGURATION

Size

Bank 0

Bank 1

8MB

(2) 1M x 36

None

16MB

(2) 2M x 36

None

16MB

(2) 1M x 36

(2) 1M x 36

24MB

(2) 2M x 36

(2) 1M x 36

32MB

(2) 4M x 36

None

32MB

(2) 2M x 36

(2) 2M x 36

40MB

(2) 4M x 36

(2) 1M x 36

48MB

(2) 4M x 36

(2) 2M x 36

64MB

(2) 8M x 36

None

64MB

(2) 4M x 36

(2) 4M x 36

72MB

(2) 8M x 36

(2) 1M x 36

80MB

(2) 8M x 36

(2) 2M x 36

96MB

(2) 8M x 36

(2) 4M x 36

128MB

(2) 8M x 36

(2) 8M x 36

SIMM CONFIGURATION (CON’T)

Size

Bank 0

Bank 1

128MB

(2) 16M x 36

None

136MB

(2) 16M x 36

(2) 1M x 36

144MB

(2) 16M x 36

(2) 2M x 36

160MB

(2) 16M x 36

(2) 4M x 36

192MB

(2) 16M x 36

(2) 8M x 36

256MB

(2) 16M x 36

(2) 16M x 36

Note: Board accepts EDO memory. Do not install SIMMs & DIMMs at the same time.

DIMM CONFIGURATION

Size

Bank 2

Bank 3

8MB

(1) 1M x 64

None

16MB

(1) 2M x 64

None

16MB

(1) 1M x 64

(1) 1M x 64

24MB

(1) 2M x 64

(1) 1M x 64

32MB

(1) 4M x 64

None

32MB

(1) 2M x 64

(1) 2M x 64

40MB

(1) 4M x 64

(1) 1M x 64

48MB

(1) 4M x 64

(1) 2M x 64

64MB

(1) 8M x 64

None

64MB

(1) 4M x 64

(1) 4M x 64

72MB

(1) 8M x 64

(1) 1M x 64

80MB

(1) 8M x 64

(1) 2M x 64

96MB

(1) 8M x 64

(1) 4M x 64

128MB

(1) 16M x 64

None

128MB

(1) 8M x 64

(1) 8M x 64

136MB

(1) 16M x 64

(1) 1M x 64

144MB

(1) 16M x 64

(1) 2M x 64

160MB

(1) 16M x 64

(1) 4M x 64

192MB

(1) 16M x 64

(1) 8M x 64

256MB

(1) 16M x 64

(1) 16M x 64

Note: Board accepts SDRAM memory.

CACHE CONFIGURATION

Size

Bank 0

512KB

(2) 64K x 32

CPU SPEED SELECTION (CX 6X86)

CPU speed

Clock speed

Multiplier

JP8

JP9

JP10

JP14

JP16

JP17

150MHz

60MHz

2x

2 & 3

1 & 2

1 & 2

2 & 3

2 & 3

2 & 3

166MHz

66MHz

2x

2 & 3

1 & 2

1 & 2

2 & 3

2 & 3

1 & 2

200MHz

75MHz

2x

2 & 3

1 & 2

1 & 2

1 & 2

2 & 3

2 & 3

Note: Pins designated should be in the closed position.

CPU SPEED SELECTION (IBM 6X86)

CPU speed

Clock speed

Multiplier

JP8

JP9

JP10

JP14

JP16

JP17

150MHz

60MHz

2x

2 & 3

1 & 2

1 & 2

2 & 3

2 & 3

2 & 3

166MHz

66MHz

2x

2 & 3

1 & 2

1 & 2

2 & 3

2 & 3

1 & 2

200MHz

75MHz

2x

2 & 3

1 & 2

1 & 2

1 & 2

2 & 3

2 & 3

Note: Pins designated should be in the closed position.

CPU SPEED SELECTION (CX 6X86L)

CPU speed

Clock speed

Multiplier

JP8

JP9

JP10

JP14

JP16

JP17

150MHz

60MHz

2x

2 & 3

1 & 2

1 & 2

2 & 3

2 & 3

2 & 3

166MHz

66MHz

2x

2 & 3

1 & 2

1 & 2

2 & 3

2 & 3

1 & 2

200MHz

75MHz

2x

2 & 3

1 & 2

1 & 2

1 & 2

2 & 3

2 & 3

Note: Pins designated should be in the closed position.

CPU SPEED SELECTION (IBM 6X86L)

CPU speed

Clock speed

Multiplier

JP8

JP9

JP10

JP14

JP16

JP17

150MHz

60MHz

2x

2 & 3

1 & 2

1 & 2

2 & 3

2 & 3

2 & 3

166MHz

66MHz

2x

2 & 3

1 & 2

1 & 2

2 & 3

2 & 3

1 & 2

200MHz

75MHz

2x

2 & 3

1 & 2

1 & 2

1 & 2

2 & 3

2 & 3

Note: Pins designated should be in the closed position.

CPU SPEED SELECTION (CX 6X86MX)

CPU speed

Clock speed

Multiplier

JP8

JP9

JP10

JP14

JP16

JP17

166MHz

60MHz

2.5x

2 & 3

2 & 3

1 & 2

2 & 3

2 & 3

2 & 3

200MHz

66MHz

2.5x

2 & 3

2 & 3

1 & 2

2 & 3

2 & 3

1 & 2

233MHz

66MHz

3x

1 & 2

2 & 3

1 & 2

2 & 3

2 & 3

1 & 2

233MHz

75MHz

2.5x

2 & 3

2 & 3

1 & 2

1 & 2

2 & 3

2 & 3

266MHz

75MHz

3x

1 & 2

2 & 3

1 & 2

1 & 2

2 & 3

2 & 3

Note: Pins designated should be in the closed position.

CPU SPEED SELECTION (IBM 6X86MX)

CPU speed

Clock speed

Multiplier

JP8

JP9

JP10

JP14

JP16

JP17

166MHz

60MHz

2.5x

2 & 3

2 & 3

1 & 2

2 & 3

2 & 3

2 & 3

200MHz

66MHz

2.5x

2 & 3

2 & 3

1 & 2

2 & 3

2 & 3

1 & 2

233MHz

66MHz

3x

1 & 2

2 & 3

1 & 2

2 & 3

2 & 3

1 & 2

233MHz

75MHz

2.5x

2 & 3

2 & 3

1 & 2

1 & 2

2 & 3

2 & 3

266MHz

75MHz

3x

1 & 2

2 & 3

1 & 2

1 & 2

2 & 3

2 & 3

Note: Pins designated should be in the closed position.

CPU SPEED SELECTION (AM K5)

CPU speed

Clock speed

Multiplier

JP8

JP9

JP10

JP14

JP16

JP17

90MHz

60MHz

1.5x

1 & 2

1 & 2

1 & 2

2 & 3

2 & 3

2 & 3

100MHz

66MHz

1.5x

1 & 2

1 & 2

1 & 2

2 & 3

2 & 3

1 & 2

120MHz

60MHz

2x

2 & 3

1 & 2

1 & 2

2 & 3

2 & 3

2 & 3

133MHz

66MHz

2x

2 & 3

1 & 2

1 & 2

2 & 3

2 & 3

1 & 2

150MHz

60MHz

2.5x

2 & 3

2 & 3

1 & 2

2 & 3

2 & 3

2 & 3

166MHz

66MHz

2.5x

2 & 3

2 & 3

1 & 2

2 & 3

2 & 3

1 & 2

Note: Pins designated should be in the closed position.

CPU SPEED SELECTION (AM K6)

CPU speed

Clock speed

Multiplier

JP8

JP9

JP10

JP14

JP16

JP17

166MHz

66MHz

2.5x

2 & 3

2 & 3

1 & 2

2 & 3

2 & 3

1 & 2

200MHz

66MHz

3x

1 & 2

2 & 3

1 & 2

2 & 3

2 & 3

1 & 2

233MHz

66MHz

3.5x

1 & 2

1 & 2

1 & 2

2 & 3

2 & 3

1 & 2

Note: Pins designated should be in the closed position.

CPU SPEED SELECTION (INTEL)

CPU speed

Clock speed

Multiplier

JP8

JP9

JP10

JP14

JP16

JP17

90MHz

60MHz

1.5x

1 & 2

1 & 2

1 & 2

2 & 3

2 & 3

2 & 3

100MHz

66MHz

1.5x

1 & 2

1 & 2

1 & 2

2 & 3

2 & 3

1 & 2

120MHz

60MHz

2x

2 & 3

1 & 2

1 & 2

2 & 3

2 & 3

2 & 3

133MHz

66MHz

2x

2 & 3

1 & 2

1 & 2

2 & 3

2 & 3

1 & 2

150MHz

60MHz

2.5x

2 & 3

2 & 3

1 & 2

2 & 3

2 & 3

2 & 3

166MHz

66MHz

2.5x

2 & 3

2 & 3

1 & 2

2 & 3

2 & 3

1 & 2

200MHz

66MHz

3x

1 & 2

2 & 3

1 & 2

2 & 3

2 & 3

1 & 2

233MHz

66MHz

3.5x

1 & 2

1 & 2

1 & 2

2 & 3

2 & 3

1 & 2

Note: Pins designated should be in the closed position.

CPU SPEED SELECTION (INTEL MMX)

CPU speed

Clock speed

Multiplier

JP8

JP9

JP10

JP14

JP16

JP17

166MHz

66MHz

2.5x

2 & 3

2 & 3

1 & 2

2 & 3

2 & 3

1 & 2

200MHz

66MHz

3x

1 & 2

2 & 3

1 & 2

2 & 3

2 & 3

1 & 2

233MHz

66MHz

3.5x

1 & 2

1 & 2

1 & 2

2 & 3

2 & 3

1 & 2

Note: Pins designated should be in the closed position.

CPU VOLTAGE SELECTION (SINGLE)

Voltage

J3

3.3v

Pins 3 & 4 closed

3.54v

Pins 1 & 2 closed

CPU VOLTAGE SELECTION (DUAL)

V core

J4/pins 1 & 2

J4/pins 3 & 4

J4/pins 5 & 6

J4/pins 7 & 8

2.14v

Closed

Open

Open

Open

2.24v

Open

Closed

Open

Open

2.54v

Closed

Open

Closed

Open

2.84v

Open

Open

Open

Closed

2.94v

Closed

Open

Open

Closed

3.24v

Open

Open

Closed

Closed

3.34v

Closed

Open

Closed

Closed

3.54v

Closed

Closed

Closed

Closed