FIRST INTERNATIONAL COMPUTER, INC.

VL-603

Device Type

Mainboard

Processor

Pentium II

Processor Speed

233/266/300/333MHz

Chip Set

Intel

Video Chip Set

None

Maximum Onboard Memory

256MB (EDO & SDRAM supported)

Maximum Video Memory

None

Cache

256/512KB (located on Pentium II CPU)

BIOS

Unidentified

Dimensions

254mm x 218mm

I/O Options

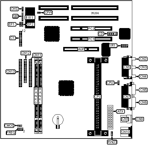
32-bit PCI slots (2), floppy drive interface, game/MIDI port, green PC connector, IDE interfaces (2), parallel port, PS/2 mouse port, serial ports (2), IR connector, USB connectors (2), ATX power connector, AGP slot, line in, line out, microphone in, audio in – CD-ROM

NPU Options

None

CONNECTIONS

Purpose

Location

Purpose

Location

AGP slot

AGP

Line out

CN4

ATX power connector

ATX

Serial port 2

CN5

Power LED & keylock

C1/pins 1 - 5

Serial port 1

CN6

Turbo LED

C1/pins 6 & 7

Parallel port

CN7

Green PC connector

C1/pins 8 & 9

USB connector 2

CN8

Green PC LED

C1/pins 10 & 11

USB connector 1

CN9

Speaker

C1/pins 12 - 15

PS/2 mouse port

CN10

IDE interface LED

C1/pins 16 & 17

IDE interface 2

CN11

Soft off power supply

C1/pins 18 & 19

Floppy drive interface

CN12

Reset switch

C1/pins 20 & 21

IDE interface 1

CN13

Audio in – CD-ROM

CD

CPU fan power

CPU

Chassis fan power

CHS

IR connector

IR1

Game/MIDI port

CN1

32-bit PCI slots

PC1 – PC2

Microphone in

CN2

Remote wake up connector

RWU3

Line in

CN3

SB link connector

SB

USER CONFIGURABLE SETTINGS

Function

Label

Position

»

CMOS memory normal operation

CMOS

Pins 2 & 3 closed

 

CMOS memory clear

CMOS

Pins 1 & 2 closed

»

Password normal operation

CPW

Open

 

Password clear

CPW

Closed

DIMM CONFIGURATION

Size

Bank 0

Bank 1

8MB

(1) 1M x 64

None

16MB

(1) 2M x 64

None

16MB

(1) 1M x 64

(1) 1M x 64

24MB

(1) 2M x 64

(1) 1M x 64

32MB

(1) 4M x 64

None

32MB

(1) 2M x 64

(1) 2M x 64

40MB

(1) 4M x 64

(1) 1M x 64

48MB

(1) 4M x 64

(1) 2M x 64

64MB

(1) 8M x 64

None

64MB

(1) 4M x 64

(1) 4M x 64

72MB

(1) 8M x 64

(1) 1M x 64

80MB

(1) 8M x 64

(1) 2M x 64

DIMM CONFIGURATION (CON’T)

Size

Bank 0

Bank 1

96MB

(1) 8M x 64

(1) 4M x 64

128MB

(1) 16M x 64

None

128MB

(1) 8M x 64

(1) 8M x 64

136MB

(1) 16M x 64

(1) 1M x 64

144MB

(1) 16M x 64

(1) 2M x 64

160MB

(1) 16M x 64

(1) 4M x 64

192MB

(1) 16M x 64

(1) 8M x 64

256MB

(1) 16M x 64

(1) 16M x 64

Note: Board accepts EDO & SDRAM memory.

CACHE CONFIGURATION

Note: 256KB/512KB cache is located on the Pentium II CPU.

CPU SPEED SELECTION

CPU speed

Clock speed

Multiplier

FREQ

233MHz

66MHz

3.5x

5 & 6, 7 & 8

266MHz

66MHz

4x

1 & 2, 3 & 4, 7 & 8

300MHz

66MHz

4.5x

3 & 4, 7 & 8

333MHz

66MHz

5x

1 & 2, 7 & 8

Note: Pins designated should be in the closed position.

FLASH BIOS SELECTION

Type

EP1

EP2

Intel 28F001

Pins 2 & 3 closed

Pins 1 & 2 closed

MXIC 28F1000

Pins 2 & 3 closed

Pins 1 & 2 closed

SST 29EE010

Pins 1 & 2 closed

Pins 1 & 2 closed

ATMEL AT29C010

Pins 1 & 2 closed

Pins 1 & 2 closed

MXIC 28F2000

Pins 2 & 3 closed

Pins 2 & 3 closed

SST 29EE020

Pins 1 & 2 closed

Pins 2 & 3 closed

ATMEL AT29C020

Pins 1 & 2 closed

Pins 2 & 3 closed

AMD 28F020

Pins 1 & 2 closed

Pins 2 & 3 closed