FREE COMPUTER TECHNOLOGY, INC.

P5F88

Device Type

Mainboard

Processor

CX 6X86L/IBM 6X86L/CX 686MX/IBM 6X86MX/AM K5/

AM K6/Pentium/Pentium MMX

Processor Speed

75/90/100/120/133/150/166/200/233/266/300/MHz

Chip Set

VIA Apollo VP3

Video Chip Set

None

Maximum Onboard Memory

1GB (EDO & SDRAM supported)

Maximum Video Memory

None

Cache

512KB

BIOS

Award

Dimensions

305mm x 185mm

I/O Options

32-bit PCI slots (4), floppy drive interface, IDE interfaces (2), parallel port, PS/2 mouse port, serial ports (2), IR connector, USB connectors (2), AGP slot, wake on LAN connector

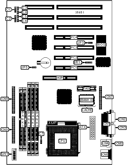
CONNECTIONS

Purpose

Location

Purpose

Location

AGP slot

AGP

Serial port 2

CN3

ATX power connector

ATX

USB connector 1

CN4

Speaker

C1

USB connector 2

CN5

Power LED & keylock

C2

PS/2 mouse port

CN6

IDE interface LED

C3

Floppy drive interface

CN7

Standby LED

C4

IDE interface 1

CN8

Reset switch

C5

IDE interface 2

CN9

Soft off power supply

C6

IR connector

IR1

Chassis fan power

C7

Wake on LAN connector

JP3

Parallel port

CN1

32-bit PCI slots

PC1 – PC4

Serial port 1

CN2

   

USER CONFIGURABLE SETTINGS

Function

Label

Position

»

CMOS memory normal operation

JP5

Pins 1 & 2 closed

 

CMOS memory clear

JP5

Pins 2 & 3 closed

SIMM CONFIGURATION

Size

Bank 3

8MB

(2) 1M x 36

16MB

(2) 2M x 36

32MB

(2) 4M x 36

64MB

(2) 8M x 36

128MB

(2) 16M x 36

256MB

(2) 32M x 36

Note: Board accepts EDO memory.

DIMM CONFIGURATION

Size

Bank 0

Bank 1

Bank 2

8MB

(1) 1M x 64

None

None

16MB

(1) 2M x 64

None

None

16MB

(1) 1M x 64

(1) 1M x 64

None

24MB

(1) 2M x 64

(1) 1M x 64

None

24MB

(1) 1M x 64

(1) 1M x 64

(1) 1M x 64

32MB

(1) 4M x 64

None

None

DIMM CONFIGURATION (CON’T)

Size

Bank 0

Bank 1

Bank 2

32MB

(1) 2M x 64

(1) 1M x 64

(1) 1M x 64

32MB

(1) 2M x 64

(1) 2M x 64

None

40MB

(1) 4M x 64

(1) 1M x 64

None

40MB

(1) 2M x 64

(1) 2M x 64

(1) 1M x 64

48MB

(1) 4M x 64

(1) 1M x 64

(1) 1M x 64

48MB

(1) 4M x 64

(1) 2M x 64

None

48MB

(1) 2M x 64

(1) 2M x 64

(1) 2M x 64

56MB

(1) 4M x 64

(1) 2M x 64

(1) 1M x 64

64MB

(1) 8M x 64

None

None

64MB

(1) 4M x 64

(1) 2M x 64

(1) 2M x 64

64MB

(1) 4M x 64

(1) 4M x 64

None

72MB

(1) 8M x 64

(1) 1M x 64

None

72MB

(1) 4M x 64

(1) 4M x 64

(1) 1M x 64

80MB

(1) 8M x 64

(1) 1M x 64

(1) 1M x 64

80MB

(1) 8M x 64

(1) 2M x 64

None

80MB

(1) 4M x 64

(1) 4M x 64

(1) 2M x 64

88MB

(1) 8M x 64

(1) 2M x 64

(1) 1M x 64

96MB

(1) 8M x 64

(1) 2M x 64

(1) 2M x 64

96MB

(1) 8M x 64

(1) 4M x 64

None

96MB

(1) 4M x 64

(1) 4M x 64

(1) 4M x 64

104MB

(1) 8M x 64

(1) 4M x 64

(1) 1M x 64

112MB

(1) 8M x 64

(1) 4M x 64

(1) 2M x 64

128MB

(1) 16M x 64

None

None

128MB

(1) 8M x 64

(1) 4M x 64

(1) 4M x 64

128MB

(1) 8M x 64

(1) 8M x 64

None

136MB

(1) 16M x 64

(1) 1M x 64

None

136MB

(1) 8M x 64

(1) 8M x 64

(1) 1M x 64

144MB

(1) 16M x 64

(1) 1M x 64

(1) 1M x 64

144MB

(1) 16M x 64

(1) 2M x 64

None

144MB

(1) 8M x 64

(1) 8M x 64

(1) 2M x 64

152MB

(1) 16M x 64

(1) 2M x 64

(1) 1M x 64

160MB

(1) 16M x 64

(1) 2M x 64

(1) 2M x 64

160MB

(1) 16M x 64

(1) 4M x 64

None

160MB

(1) 8M x 64

(1) 8M x 64

(1) 4M x 64

DIMM CONFIGURATION (CON’T)

Size

Bank 0

Bank 1

Bank 2

168MB

(1) 16M x 64

(1) 4M x 64

(1) 1M x 64

176MB

(1) 16M x 64

(1) 4M x 64

(1) 2M x 64

192MB

(1) 16M x 64

(1) 4M x 64

(1) 4M x 64

192MB

(1) 16M x 64

(1) 8M x 64

None

192MB

(1) 8M x 64

(1) 8M x 64

(1) 8M x 64

200MB

(1) 16M x 64

(1) 8M x 64

(1) 1M x 64

208MB

(1) 16M x 64

(1) 8M x 64

(1) 2M x 64

224MB

(1) 16M x 64

(1) 8M x 64

(1) 4M x 64

256MB

(1) 32M x 64

None

None

256MB

(1) 16M x 64

(1) 8M x 64

(1) 8M x 64

264MB

(1) 32M x 64

(1) 1M x 64

None

272MB

(1) 32M x 64

(1) 1M x 64

(1) 1M x 64

272MB

(1) 32M x 64

(1) 2M x 64

None

288MB

(1) 32M x 64

(1) 2M x 64

(1) 2M x 64

288MB

(1) 32M x 64

(1) 4M x 64

None

320MB

(1) 32M x 64

(1) 4M x 64

(1) 4M x 64

320MB

(1) 32M x 64

(1) 8M x 64

None

384MB

(1) 32M x 64

(1) 8M x 64

(1) 8M x 64

384MB

(1) 32M x 64

(1) 16M x 64

None

384MB

(1) 16M x 64

(1) 16M x 64

(1) 16M x 64

384MB

(1) 16M x 64

(1) 16M x 64

(1) 16M x 64

512MB

(1) 32M x 64

(1) 16M x 64

(1) 16M x 64

512MB

(1) 32M x 64

(1) 32M x 64

None

768MB

(1) 32M x 64

(1) 32M x 64

(1) 32M x 64

Note: Board accepts EDO & SDRAM memory.

CACHE CONFIGURATION

Size

Bank 0

512KB

(1) 64K x 64

CPU SPEED SELECTION (CX 6X86L)

CPU speed

Clock speed

Multiplier

SW1/1

SW1/2

SW1/3

SW1/4

SW1/5

SW1/6

133MHz

55MHz

2x

On

Off

Off

On

On

Off

150MHz

60MHz

2x

On

Off

Off

On

Off

Off

166MHz

66MHz

2x

On

Off

Off

Off

Off

Off

CPU SPEED SELECTION (IBM 6X86L)

CPU speed

Clock speed

Multiplier

SW1/1

SW1/2

SW1/3

SW1/4

SW1/5

SW1/6

133MHz

55MHz

2x

On

Off

Off

On

On

Off

150MHz

60MHz

2x

On

Off

Off

On

Off

Off

166MHz

66MHz

2x

On

Off

Off

Off

Off

Off

CPU SPEED SELECTION (CX 6X86MX)

CPU speed

Clock speed

Multiplier

SW1/1

SW1/2

SW1/3

SW1/4

SW1/5

SW1/6

166MHz

60MHz

2.5x

On

On

Off

On

Off

Off

166MHz

66MHz

2x

On

Off

Off

Off

Off

Off

200MHz

66MHz

2.5x

On

On

Off

Off

Off

Off

233MHz

66MHz

3x

Off

On

Off

Off

Off

Off

266MHz

66MHz

4x

Off

Off

Off

Off

Off

Off

CPU SPEED SELECTION (IBM 6X86MX)

CPU speed

Clock speed

Multiplier

SW1/1

SW1/2

SW1/3

SW1/4

SW1/5

SW1/6

166MHz

60MHz

2.5x

On

On

Off

On

Off

Off

166MHz

66MHz

2x

On

Off

Off

Off

Off

Off

200MHz

66MHz

2.5x

On

On

Off

Off

Off

Off

233MHz

66MHz

3x

Off

On

Off

Off

Off

Off

266MHz

66MHz

4x

Off

Off

Off

Off

Off

Off

CPU SPEED SELECTION (AM K5)

CPU speed

Clock speed

Multiplier

SW1/1

SW1/2

SW1/3

SW1/4

SW1/5

SW1/6

75MHz

50MHz

1.5x

Off

Off

Off

On

On

On

90MHz

60MHz

1.5x

Off

Off

Off

On

Off

Off

100MHz

66MHz

1.5x

Off

Off

Off

Off

Off

Off

120MHz

60MHz

1.5x

Off

Off

Off

On

Off

Off

133MHz

66MHz

1.5x

Off

Off

Off

Off

Off

Off

150MHz

60MHz

1.75x

On

On

Off

On

Off

Off

166MHz

66MHz

1.75x

On

On

Off

Off

Off

Off

CPU SPEED SELECTION (AM K6)

CPU speed

Clock speed

Multiplier

SW1/1

SW1/2

SW1/3

SW1/4

SW1/5

SW1/6

166MHz

66MHz

2.5x

On

On

Off

Off

Off

Off

200MHz

66MHz

3x

Off

On

Off

Off

Off

Off

233MHz

66MHz

3.5x

Off

Off

Off

Off

Off

Off

266MHz

66MHz

4x

On

Off

On

Off

Off

Off

300MHz

66MHz

4.5x

On

On

On

Off

Off

Off

CPU SPEED SELECTION (INTEL)

CPU speed

Clock speed

Multiplier

SW1/1

SW1/2

SW1/3

SW1/4

SW1/5

SW1/6

75MHz

50MHz

1.5x

Off

Off

Off

On

On

On

90MHz

60MHz

1.5x

Off

Off

Off

On

Off

Off

100MHz

66MHz

1.5x

Off

Off

Off

Off

Off

Off

120MHz

60MHz

2x

On

Off

Off

On

Off

Off

133MHz

66MHz

2x

On

Off

Off

Off

Off

Off

150MHz

60MHz

2.5x

On

On

Off

On

Off

Off

166MHz

66MHz

2.5x

On

On

Off

Off

Off

Off

200MHz

66MHz

3x

Off

On

Off

Off

Off

Off

CPU SPEED SELECTION (INTEL MMX)

CPU speed

Clock speed

Multiplier

SW1/1

SW1/2

SW1/3

SW1/4

SW1/5

SW1/6

166MHz

66MHz

2.5x

On

On

Off

Off

Off

Off

200MHz

66MHz

3x

Off

On

Off

Off

Off

Off

233MHz

66MHz

3.5x

Off

Off

Off

Off

Off

Off