FREE COMPUTER TECHNOLOGY, INC.

P6F92

Device Type

Mainboard

Processor

Pentium II/Celeron

Processor Speed

233/266/300/333MHz

Chip Set

Intel 44OLX/EX

Video Chip Set

None

Maximum Onboard Memory

256MB (SDRAM supported)

Maximum Video Memory

None

Cache

0/128/512KB (located on the CPU)

BIOS

Award

Dimensions

220mm x 211mm

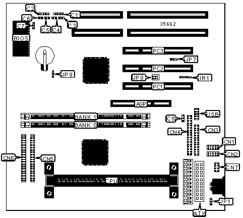
I/O Options

32-bit PCI slots (3), floppy drive interface, IDE interfaces (2), parallel port, PS/2 mouse interface, serial ports (2), IR connector, USB connector, ATX power connector, AGP slot, SB-link connector, wake on LAN connector

CONNECTIONS

Purpose

Location

Purpose

Location

AGP slot

AGP

Serial port 1

CN2

ATX power connector

ATX

Parallel port

CN3

Speaker

C1

Floppy drive interface

CN4

Power LED & keylock

C2

IDE interface 2

CN5

IDE interface LED

C3

IDE interface 1

CN6

Standby LED

C4

PS/2 mouse port

CN7

Reset switch

C5

IR connector

IR1

Soft off power supply

C6

Wake on LAN connector

JP7

CPU fan power

C7

SB-link connector

JP8

Chassis fan power

C8

32-bit PCI slots

PC1 – PC3

Serial port 2

CN1

USB connector

USB

USER CONFIGURABLE SETTINGS

Function

Label

Position

 

Keyboard/mouse voltage select +5v

JP1

Pins 1 & 2 closed

 

Keyboard/mouse voltage select +5vsb

JP1

Pins 2 & 3 closed

»

CMOS memory normal operation

JP9

Pins 1 & 2 closed

 

CMOS memory clear

JP9

Pins 2 & 3 closed

DIMM CONFIGURATION

Size

Bank 0

Bank 1

8MB

(1) 1M x 64

None

16MB

(1) 2M x 64

None

16MB

(1) 1M x 64

(1) 1M x 64

24MB

(1) 2M x 64

(1) 1M x 64

32MB

(1) 4M x 64

None

32MB

(1) 2M x 64

(1) 2M x 64

40MB

(1) 4M x 64

(1) 1M x 64

48MB

(1) 4M x 64

(1) 2M x 64

64MB

(1) 8M x 64

None

64MB

(1) 4M x 64

(1) 4M x 64

72MB

(1) 8M x 64

(1) 1M x 64

80MB

(1) 8M x 64

(1) 2M x 64

96MB

(1) 8M x 64

(1) 4M x 64

DIMM CONFIGURATION (CON’T)

Size

Bank 0

Bank 1

128MB

(1) 16M x 64

None

128MB

(1) 8M x 64

(1) 8M x 64

136MB

(1) 16M x 64

(1) 1M x 64

144MB

(1) 16M x 64

(1) 2M x 64

160MB

(1) 16M x 64

(1) 4M x 64

192MB

(1) 16M x 64

(1) 8M x 64

256MB

(1) 16M x 64

(1) 16M x 64

Note: Board accepts SDRAM memory.

CACHE CONFIGURATION

Note: 512KB cache is located on the Pentium II CPU. 128KB cache is located on the Celeron 300A & 333 CPU.