INTEL CORPORATION
NP430HX
|
Processor |
Pentium |
|
Processor Speed |
75/90/100/120/133/150/166/200MHz |
|
Chip Set |
Intel |
|
Video Chip Set |
ATI |
|
Maximum Onboard Memory |
192MB (EDO supported) |
|
Maximum Video Memory |
2MB |
|
Cache |
256/512KB |
|
BIOS |
AMI/Intel |
|
Dimensions |
304mm x 243mm |
|
I/O Options |
32-bit PCI slots (3), Ethernet 10BaseT connector, floppy drive interface, green PC connector, IDE interfaces (2), parallel port, PS/2 mouse port, serial ports (2), VESA feature connector, VGA port, IR connector, USB connectors (2), soft off power supply, wavetable connector, telephony connector, audio out connector, microphone in connector, CD-ROM connector |
|
NPU Options |
None |
|
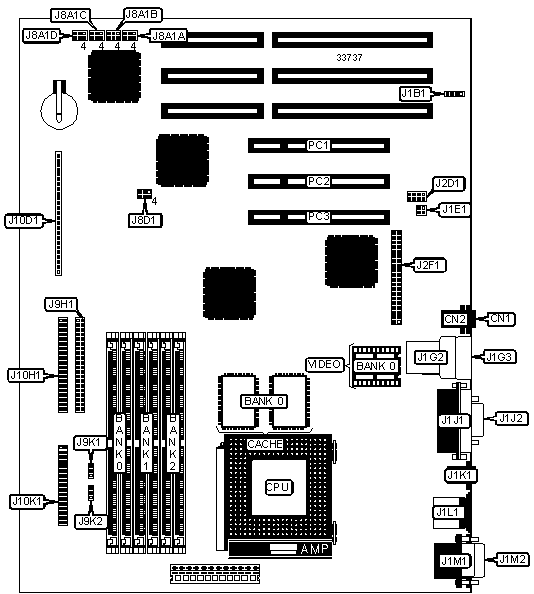
CONNECTIONS | |||
|
Purpose |
Location |
Purpose |
Location |
|
Microphone in connector |
CN1 |
IDE interface 1 |
J9H1 |
|
Audio out connector |
CN2 |
Chassis fan power |
J9K1 |
|
CD-ROM connector |
J1B1 |
Chassis fan power |
J9K2 |
|
Telephony connector |
J1E1 |
Front panel power switch |
J10D1 pins 1 & 2 |
|
USB connector 1 |
J1G2 |
Green PC connector |
J10D1 pins 3 & 4 |
|
USB connector 2 |
J1G3 |
IR connector |
J10D1 pins 6 - 11 |
|
Parallel port |
J1J1 |
IDE interface LED |
J10D1 pins 13 - 16 |
|
VGA port |
J1J2 |
Green PC LED |
J10D1 pins 18 - 21 |
|
Ethernet 10BaseT connector |
J1K1 |
Reset switch |
J10D1 pins 22 & 23 |
|
PS/2 mouse port |
J1L1 |
Speaker |
J10D1 pins 24 - 27 |
|
Serial port 1 |
J1M1 |
IDE interface 2 |
J10H1 |
|
Serial port 2 |
J1M2 |
Floppy drive interface |
J10K1 |
|
Wavetable connector |
J2D1 |
32-bit PCI slots |
PC1 - PC3 |
|
VESA feature connector |
J2F1 | ||
|
USER CONFIGURABLE SETTINGS | |||
|
Function |
Label |
Position | |
|
» |
Password enabled |
J8A1A |
Pins 1 & 2 closed |
|
Password disabled |
J8A1A |
Pins 2 & 3 closed | |
|
» |
CMOS memory normal operation |
J8A1A |
Pins 4 & 5 closed |
|
CMOS memory clear |
J8A1A |
Pins 5 & 6 closed | |
|
» |
Setup access enabled |
J8A1B |
Pins 1 & 2 closed |
|
Setup access disabled |
J8A1B |
Pins 2 & 3 closed | |
|
DRAM CONFIGURATION | |||
|
Size |
Bank 0 |
Bank 1 |
Bank 2 |
|
4MB |
(2) 512K x 36 |
None |
None |
|
8MB |
(2) 512K x 36 |
(2) 512K x 36 |
None |
|
12MB |
(2) 512K x 36 |
(2) 1M x 36 |
None |
|
16MB |
(2) 1M x 36 |
(2) 1M x 36 |
None |
|
16MB |
(2) 2M x 36 |
None |
None |
|
20MB |
(2) 1M x 36 |
(2) 1M x 36 |
(2) 512K x 36 |
|
20MB |
(2) 2M x 36 |
(2) 512K x 36 |
None |
|
24MB |
(2) 2M x 36 |
(2) 1M x 36 |
None |
|
24MB |
(2) 1M x 36 |
(2) 1M x 36 |
(2) 1M x 36 |
|
28MB |
(2) 2M x 36 |
(2) 1M x 36 |
(2) 512K x 36 |
|
32MB |
(2) 4M x 36 |
None |
None |
|
32MB |
(2) 2M x 36 |
(2) 2M x 36 |
None |
|
40MB |
(2) 4M x 36 |
(2) 1M x 36 |
None |
|
40MB |
(2) 4M x 36 |
(2) 512K x 36 |
(2) 512K x 36 |
|
44MB |
(2) 4M x 36 |
(2) 1M x 36 |
(2) 512K x 36 |
|
48MB |
(2) 4M x 36 |
(2) 2M x 36 |
None |
|
DRAM CONFIGURATION (CON’T) | |||
|
Size |
Bank 0 |
Bank 1 |
Bank 2 |
|
48MB |
(2) 4M x 36 |
(2) 1M x 36 |
(2) 1M x 36 |
|
52MB |
(2) 4M x 36 |
(2) 2M x 36 |
(2) 512K x 36 |
|
56MB |
(2) 4M x 36 |
(2) 2M x 36 |
(2) 1M x 36 |
|
64MB |
(2) 8M x 36 |
None |
None |
|
64MB |
(2) 4M x 36 |
(2) 4M x 36 |
None |
|
68MB |
(2) 8M x 36 |
(2) 512K x 36 |
None |
|
68MB |
(2) 4M x 36 |
(2) 4M x 36 |
(2) 512K x 36 |
|
72MB |
(2) 8M x 36 |
(2) 512K x 36 |
(2) 512K x 36 |
|
76MB |
(2) 8M x 36 |
(2) 512K x 36 |
(2) 1M x 36 |
|
80MB |
(2) 8M x 36 |
(2) 2M x 36 |
None |
|
80MB |
(2) 8M x 36 |
(2) 1M x 36 |
(2) 1M x 36 |
|
84MB |
(2) 8M x 36 |
(2) 2M x 36 |
(2) 512K x 36 |
|
88MB |
(2) 8M x 36 |
(2) 2M x 36 |
(2) 1M x 36 |
|
96MB |
(2) 8M x 36 |
(2) 4M x 36 |
None |
|
96MB |
(2) 4M x 36 |
(2) 4M x 36 |
(2) 4M x 36 |
|
96MB |
(2) 8M x 36 |
(2) 2M x 36 |
(2) 2M x 36 |
|
100MB |
(2) 8M x 36 |
(2) 4M x 36 |
(2) 512K x 36 |
|
104MB |
(2) 8M x 36 |
(2) 4M x 36 |
(2) 1M x 36 |
|
112MB |
(2) 8M x 36 |
(2) 4M x 36 |
(2) 2M x 36 |
|
128MB |
(2) 8M x 36 |
(2) 4M x 36 |
(2) 4M x 36 |
|
128MB |
(2) 8M x 36 |
(2) 8M x 36 |
None |
|
132MB |
(2) 8M x 36 |
(2) 8M x 36 |
(2) 512K x 36 |
|
136MB |
(2) 8M x 36 |
(2) 8M x 36 |
(2) 1M x 36 |
|
192MB |
(2) 8M x 36 |
(2) 8M x 36 |
(2) 8M x 36 |
|
Note: Board accepts EDO memory. Board also accepts x 32 SIMMs. | |||
|
CACHE CONFIGURATION | ||
|
Size |
Bank 0 |
TAG |
|
256KB |
(2) 32K x 32 |
(1) 8K x 8 |
|
512KB |
(2) 64K x 32 |
(1) 32K x 8 |
|
Note: Board will either have 256KB or 512KB cache installed. The location of the TAG is unidentified. | ||
|
VIDEO MEMORY CONFIGURATION | ||
|
Size |
Bank 0 |
Bank 1 |
|
1MB |
1MB |
None |
|
2MB |
1MB |
1MB |
|
Note: The size of the video memory chips are unidentified. | ||
|
CPU SPEED SELECTION | ||||
|
CPU speed |
Clock speed |
Multiplier |
J8A1C |
J8A1D |
|
75MHz |
50MHz |
1.5x |
2 & 3, 5 & 6 |
1 & 2, 4 & 5 |
|
90MHz |
60MHz |
1.5x |
2 & 3, 4 & 5 |
1 & 2, 4 & 5 |
|
100MHz |
66MHz |
1.5x |
1 & 2, 5 & 6 |
1 & 2, 4 & 5 |
|
120MHz |
60MHz |
2x |
2 & 3, 4 & 5 |
2 & 3, 4 & 5 |
|
133MHz |
66MHz |
2x |
1 & 2, 5 & 6 |
2 & 3, 4 & 5 |
|
150MHz |
60MHz |
2.5x |
2 & 3, 5 & 6 |
1 & 2, 5 & 6 |
|
166MHz |
66MHz |
2.5x |
1 & 2, 5 & 6 |
2 & 3, 5 & 6 |
|
200MHz |
66MHz |
3x |
1 & 2, 5 & 6 |
1 & 2, 5 & 6 |
|
Note: Pins designated should be in the closed position. | ||||
|
CPU TYPE SELECTION | ||
|
Type |
J8D1 | |
|
VR or standard |
Pins 4 & 5 closed | |
| » |
VRE |
Pins 5 & 6 closed |