LUCKY STAR TECHNOLOGY CO., LTD.

6IX-1

Device Type

Mainboard

Processor

Pentium II

Processor Speed

200/233/266/300MHz

Chip Set

Intel 440FX

Maximum Onboard Memory

256MB

Cache

256/512KB (located on Pentium II CPU)

BIOS

Unidentified

Dimensions

305mm x 244mm

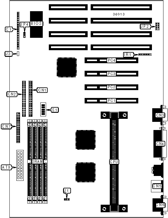
I/O Options

32-bit PCI slots (4), floppy drive interface, green PC connector, IDE interfaces (2), parallel port, PS/2 mouse port, serial ports (2), IR connector, USB connector, ATX power connector

CONNECTIONS

Purpose

Location

Purpose

Location

ATX power connector

ATX

Serial port 2

CN3

Power LED & keylock

C1/pins 1 - 5

Parallel port

CN4

Speaker

C1/pins 7 - 10

PS/2 mouse port

CN5

Reset switch

C1/pins 12 & 13

Serial port 1

CN6

IDE interface LED

C1/pins 15 & 16

Floppy drive interface

CN7

Turbo LED

C1/pins 18 & 19

IR connector

IR1

Green PC connector

C1/pins 21 & 22

CPU fan power

J1

IDE interface 1

CN1

USB connector

JP2

IDE interface 2

CN2

32-bit PCI slots

PC1 - PC4

USER CONFIGURABLE SETTINGS

Function

Label

Position

»

Factory configured - do not alter

J3

Unidentified

»

CMOS memory normal operation

JP4

Pins 1 & 2 closed

 

CMOS memory clear

JP4

Pins 2 & 3 closed

SIMM CONFIGURATION

Size

Bank 0

Bank 1

8MB

(2) 1M x 36

None

16MB

(2) 2M x 36

None

16MB

(2) 1M x 36

(2) 1M x 36

24MB

(2) 2M x 36

(2) 1M x 36

32MB

(2) 4M x 36

None

32MB

(2) 2M x 36

(2) 2M x 36

40MB

(2) 4M x 36

(2) 1M x 36

48MB

(2) 4M x 36

(2) 2M x 36

64MB

(2) 8M x 36

None

64MB

(2) 4M x 36

(2) 4M x 36

72MB

(2) 8M x 36

(2) 1M x 36

80MB

(2) 8M x 36

(2) 2M x 36

96MB

(2) 8M x 36

(2) 4M x 36

128MB

(2) 8M x 36

(2) 8M x 36

128MB

(2) 16M x 36

None

136MB

(2) 16M x 36

(2) 1M x 36

144MB

(2) 16M x 36

(2) 2M x 36

160MB

(2) 16M x 36

(2) 4M x 36

192MB

(2) 16M x 36

(2) 8M x 36

256MB

(2) 16M x 36

(2) 16M x 36

CACHE CONFIGURATION

Note: 256KB/512KB cache is located on the Pentium II CPU.

CPU SPEED SELECTION

CPU speed

Clock speed

Multiplier

S1/1

S1/2

S1/3

S1/4

S1/5

200MHz

66MHz

3x

Off

Off

On

Off

Off

233MHz

66MHz

3.5x

Off

On

On

Off

Off

266MHz

66MHz

4x

Off

Off

Off

On

Off

300MHz

66MHz

4.5x

Off

On

Off

On

Off