LUCKY STAR TECHNOLOGY CO., LTD.
5ATX2
|
Device Type |
Mainboard |
|
Processor |
CX 6X86/CX 6X86L/CX 686MX/CX MII/AM K5/AM K6/Pentium/ Pentium MMX |
|
Processor Speed |
75/90/100/120/133/150/166/180/200/233MHz |
|
Chip Set |
Intel |
|
Maximum Onboard Memory |
128MB |
|
Cache |
256/512KB |
|
BIOS |
Unidentified |
|
Dimensions |
305mm x 244mm |
|
I/O Options |
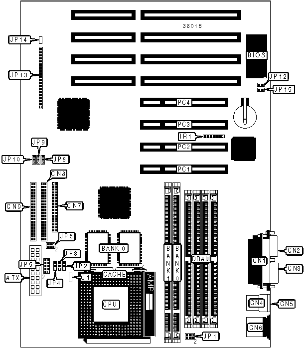
32-bit PCI slots (4), floppy drive interface, green PC connector, IDE interfaces (2), parallel port, PS/2 mouse interface, serial ports (2), USB connectors (2), ATX power connector |
|
CONNECTIONS | |||
|
Purpose |
Location |
Purpose |
Location |
|
CPU fan power |
ATX |
IDE interface 2 |
CN9 |
|
Chassis fan power |
C1 |
IR connector |
IR1 |
|
Parallel port |
CN1 |
Power LED & keylock |
JP13/pins 1 – 5 |
|
Serial port 1 |
CN2 |
Speaker |
JP13/pins 7 – 10 |
|
Serial port 2 |
CN3 |
Reset switch |
JP13/pins 12 & 13 |
|
USB connector 1 |
CN4 |
IDE interface LED |
JP13/pins 15 & 16 |
|
USB connector 2 |
CN5 |
Turbo LED |
JP13/pins 18 & 19 |
|
PS/2 mouse port |
CN6 |
Green PC connector |
JP13/pins 21 & 22 |
|
Floppy drive interface |
CN7 |
32-bit PCI slots |
PC1 – PC4 |
|
IDE interface 1 |
CN8 | ||
|
USER CONFIGURABLE SETTINGS | |||
|
Function |
Label |
Position | |
|
» |
Factory configured - do not alter |
JP4 |
Unidentified |
|
» |
Factory configured - do not alter |
JP12 |
Unidentified |
|
» |
Factory configured - do not alter |
JP14 |
Unidentified |
|
» |
CMOS memory normal operation |
JP15 |
Closed |
|
CMOS memory clear |
JP15 |
Open | |
|
SIMM CONFIGURATION | ||
|
Size |
Bank 2 |
Bank 3 |
|
8MB |
(2) 1M x 36 |
None |
|
16MB |
(2) 2M x 36 |
None |
|
16MB |
(2) 1M x 36 |
(2) 1M x 36 |
|
24MB |
(2) 2M x 36 |
(2) 1M x 36 |
|
32MB |
(2) 4M x 36 |
None |
|
32MB |
(2) 2M x 36 |
(2) 2M x 36 |
|
40MB |
(2) 4M x 36 |
(2) 1M x 36 |
|
48MB |
(2) 4M x 36 |
(2) 2M x 36 |
|
64MB |
(2) 8M x 36 |
None |
|
64MB |
(2) 4M x 36 |
(2) 4M x 36 |
|
72MB |
(2) 8M x 36 |
(2) 1M x 36 |
|
80MB |
(2) 8M x 36 |
(2) 2M x 36 |
|
96MB |
(2) 8M x 36 |
(2) 4M x 36 |
|
128MB |
(2) 8M x 36 |
(2) 8M x 36 |
|
DIMM CONFIGURATION | ||
|
Size |
Bank 0 |
Bank 1 |
|
8MB |
(1) 1M x 64 |
None |
|
16MB |
(1) 2M x 64 |
None |
|
16MB |
(1) 1M x 64 |
(1) 1M x 64 |
|
24MB |
(1) 2M x 64 |
(1) 1M x 64 |
|
DIMM CONFIGURATION (CON’T) | ||
|
Size |
Bank 0 |
Bank 1 |
|
32MB |
(1) 4M x 64 |
None |
|
32MB |
(1) 2M x 64 |
(1) 2M x 64 |
|
40MB |
(1) 4M x 64 |
(1) 1M x 64 |
|
48MB |
(1) 4M x 64 |
(1) 2M x 64 |
|
64MB |
(1) 8M x 64 |
None |
|
64MB |
(1) 4M x 64 |
(1) 4M x 64 |
|
72MB |
(1) 8M x 64 |
(1) 1M x 64 |
|
80MB |
(1) 8M x 64 |
(1) 2M x 64 |
|
96MB |
(1) 8M x 64 |
(1) 4M x 64 |
|
128MB |
(1) 8M x 64 |
(1) 8M x 64 |
|
DIMM VOLTAGE CONFIGURATION | |
|
Voltage |
JP1 |
|
3.3v |
Pins 1 & 3, 2 & 4 closed |
|
5v |
Pins 3 & 5, 4 & 6 closed |
|
CPU SPEED SELECTION (CX 6X86) | |||||||
|
CPU speed |
Clock speed |
Multiplier |
JP2 |
JP3 |
JP8 |
JP9 |
JP10 |
|
120MHz |
50MHz |
2x |
2 & 3 |
1 & 2 |
1 & 2 |
1 & 2 |
1 & 2 |
|
133MHz |
55MHz |
2x |
2 & 3 |
1 & 2 |
1 & 2 |
1 & 2 |
2 & 3 |
|
150MHz |
60MHz |
2x |
2 & 3 |
1 & 2 |
2 & 3 |
1 & 2 |
1 & 2 |
|
166MHz |
66MHz |
2x |
2 & 3 |
1 & 2 |
1 & 2 |
2 & 3 |
1 & 2 |
|
200MHz |
75MHz |
2x |
2 & 3 |
1 & 2 |
2 & 3 |
1 & 2 |
2 & 3 |
|
Note: Pins designated should be in the closed position. | |||||||
|
CPU SPEED SELECTION (CX 6X86L) | |||||||
|
CPU speed |
Clock speed |
Multiplier |
JP2 |
JP3 |
JP8 |
JP9 |
JP10 |
|
133MHz |
55MHz |
2x |
2 & 3 |
1 & 2 |
1 & 2 |
1 & 2 |
2 & 3 |
|
150MHz |
60MHz |
2x |
2 & 3 |
1 & 2 |
2 & 3 |
1 & 2 |
1 & 2 |
|
166MHz |
66MHz |
2x |
2 & 3 |
1 & 2 |
1 & 2 |
2 & 3 |
1 & 2 |
|
200MHz |
75MHz |
2x |
2 & 3 |
1 & 2 |
2 & 3 |
1 & 2 |
2 & 3 |
|
Note: Pins designated should be in the closed position. | |||||||
|
CPU SPEED SELECTION (CX 6X86MX) | |||||||
|
CPU speed |
Clock speed |
Multiplier |
JP2 |
JP3 |
JP8 |
JP9 |
JP10 |
|
166MHz |
60MHz |
2.5x |
2 & 3 |
2 & 3 |
2 & 3 |
1 & 2 |
1 & 2 |
|
166MHz |
66MHz |
2x |
2 & 3 |
1 & 2 |
1 & 2 |
2 & 3 |
1 & 2 |
|
200MHz |
75MHz |
2x |
2 & 3 |
1 & 2 |
2 & 3 |
1 & 2 |
2 & 3 |
|
233MHz |
75MHz |
2.5x |
2 & 3 |
2 & 3 |
2 & 3 |
1 & 2 |
2 & 3 |
|
Note: Pins designated should be in the closed position. | |||||||
|
CPU SPEED SELECTION (CX MII) | |||||||
|
CPU speed |
Clock speed |
Multiplier |
JP2 |
JP3 |
JP8 |
JP9 |
JP10 |
|
300MHz |
66MHz |
3.5x |
1 & 2 |
1 & 2 |
1 & 2 |
2 & 3 |
1 & 2 |
|
Note: Pins designated should be in the closed position. | |||||||
|
CPU SPEED SELECTION (AM K5) | |||||||
|
CPU speed |
Clock speed |
Multiplier |
JP2 |
JP3 |
JP8 |
JP9 |
JP10 |
|
75MHz |
50MHz |
1.5x |
1 & 2 |
1 & 2 |
1 & 2 |
1 & 2 |
1 & 2 |
|
90MHz |
60MHz |
1.5x |
1 & 2 |
1 & 2 |
2 & 3 |
1 & 2 |
1 & 2 |
|
100MHz |
66MHz |
1.5x |
1 & 2 |
1 & 2 |
1 & 2 |
2 & 3 |
1 & 2 |
|
120MHz |
60MHz |
1.5x |
1 & 2 |
1 & 2 |
2 & 3 |
1 & 2 |
1 & 2 |
|
133MHz |
66MHz |
1.5x |
1 & 2 |
1 & 2 |
1 & 2 |
2 & 3 |
1 & 2 |
|
150MHz |
60MHz |
2.5x |
2 & 3 |
2 & 3 |
2 & 3 |
1 & 2 |
1 & 2 |
|
166MHz |
66MHz |
2.5x |
2 & 3 |
2 & 3 |
1 & 2 |
2 & 3 |
1 & 2 |
|
Note: Pins designated should be in the closed position. | |||||||
|
CPU SPEED SELECTION (AM K6) | |||||||
|
CPU speed |
Clock speed |
Multiplier |
JP2 |
JP3 |
JP8 |
JP9 |
JP10 |
|
166MHz |
66MHz |
2.5x |
2 & 3 |
2 & 3 |
1 & 2 |
2 & 3 |
1 & 2 |
|
200MHz |
66MHz |
3x |
1 & 2 |
2 & 3 |
1 & 2 |
2 & 3 |
1 & 2 |
|
233MHz |
66MHz |
3.5x |
1 & 2 |
1 & 2 |
1 & 2 |
2 & 3 |
1 & 2 |
|
266MHz |
66MHz |
4x |
2 & 3 |
1 & 2 |
1 & 2 |
2 & 3 |
1 & 2 |
|
300MHz |
66MHz |
4.5x |
2 & 3 |
2 & 3 |
1 & 2 |
2 & 3 |
1 & 2 |
|
Note: Pins designated should be in the closed position. | |||||||
|
CPU SPEED SELECTION (INTEL) | |||||||
|
CPU speed |
Clock speed |
Multiplier |
JP2 |
JP3 |
JP8 |
JP9 |
JP10 |
|
75MHz |
50MHz |
1.5x |
1 & 2 |
1 & 2 |
1 & 2 |
1 & 2 |
1 & 2 |
|
90MHz |
60MHz |
1.5x |
1 & 2 |
1 & 2 |
2 & 3 |
1 & 2 |
1 & 2 |
|
100MHz |
66MHz |
1.5x |
1 & 2 |
1 & 2 |
1 & 2 |
2 & 3 |
1 & 2 |
|
120MHz |
60MHz |
2x |
2 & 3 |
1 & 2 |
2 & 3 |
1 & 2 |
1 & 2 |
|
133MHz |
66MHz |
2x |
2 & 3 |
1 & 2 |
1 & 2 |
2 & 3 |
1 & 2 |
|
150MHz |
60MHz |
2.5x |
2 & 3 |
2 & 3 |
2 & 3 |
1 & 2 |
1 & 2 |
|
166MHz |
66MHz |
2.5x |
2 & 3 |
2 & 3 |
1 & 2 |
2 & 3 |
1 & 2 |
|
180MHz |
60MHz |
3x |
1 & 2 |
2 & 3 |
2 & 3 |
1 & 2 |
1 & 2 |
|
200MHz |
66MHz |
3x |
1 & 2 |
2 & 3 |
1 & 2 |
2 & 3 |
1 & 2 |
|
Note: Pins designated should be in the closed position. | |||||||
|
CPU SPEED SELECTION (INTEL MMX) | |||||||
|
CPU speed |
Clock speed |
Multiplier |
JP2 |
JP3 |
JP8 |
JP9 |
JP10 |
|
166MHz |
66MHz |
2.5x |
2 & 3 |
2 & 3 |
1 & 2 |
2 & 3 |
1 & 2 |
|
200MHz |
66MHz |
3x |
1 & 2 |
2 & 3 |
1 & 2 |
2 & 3 |
1 & 2 |
|
233MHz |
66MHz |
3.5x |
1 & 2 |
1 & 2 |
1 & 2 |
2 & 3 |
1 & 2 |
|
Note: Pins designated should be in the closed position. | |||||||
|
CPU TYPE SELECTION | |
|
Type |
JP6 |
|
Single voltage |
Open |
|
Dual voltage |
Pins 1 & 2, 3 & 4, 5 & 6 closed |
|
CPU VOLTAGE SELECTION | |
|
Voltage |
JP5 |
|
2.0v |
Open |
|
2.1v |
Pins 1 & 2 closed |
|
2.5v |
Pins 1 & 2, 5 & 6 closed |
|
2.8v |
Pins 7 & 8 closed |
|
2.9v |
Pins 1 & 2, 7 & 8 closed |
|
3.0v |
Pins 3 & 4, 7 & 8 closed |
|
3.1v |
Pins 1 & 2, 3 & 4, 7 & 8 closed |
|
3.2v |
Pins 5 & 6, 7 & 8 closed |
|
3.3v |
Pins 1 & 2, 5 & 6, 7 & 8 closed |
|
3.5v |
Pins 1 & 2, 3 & 4, 5 & 6, 7 & 8 closed |