QDI COMPUTER, INC.

P6I440EX/ATX

Device Type

Mainboard

Processor

Pentium II/Celeron

Processor Speed

233/266/300/333MHz

Chip Set

Intel 440EX

Video Chip Set

None

Maximum Onboard Memory

512MB (EDO & SDRAM supported)

Maximum Video Memory

None

Cache

0/128/256/512KB (located on the CPU)

BIOS

Award

Dimensions

305mm x 175mm

I/O Options

32-bit PCI slots (3), floppy drive interface, green PC connector, IDE interfaces (2), parallel port, PS/2 mouse port, serial ports (2), IR connector, USB connectors (2), ATX power connector, AGP slot, SB-link connector, wake on LAN connector, wake on modem connector

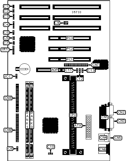
CONNECTIONS

Purpose

Location

Purpose

Location

AGP slot

AGP

Wake on LAN connector

C12

ATX power connector

ATX

Wake on modem connector

C13

IDE interface LED

C1

Parallel port

CN1

Reset switch

C2

Serial port 1

CN2

Speaker

C3

Serial port 2

CN3

Soft off power supply

C4

USB connector 1

CN4

Power LED

C5

USB connector 2

CN5

Green PC LED

C6

PS/2 mouse port

CN6

Green PC connector

C7

Floppy drive interface

CN7

Chassis security connector

C8

IDE interface 1

CN8

SB-link connector

C9

IDE interface 2

CN9

CPU fan power

C10

IR connector

IR1

Chassis fan power

C11

32-bit PCI slots

PC1 – PC3

USER CONFIGURABLE SETTINGS

Function

Label

Position

»

CMOS memory normal operation

JCC

Pins 2 & 3 closed

 

CMOS memory clear

JCC

Pins 1 & 2 closed

DIMM CONFIGURATION

Size

Bank 0

Bank 1

8MB

(1) 1M x 64

None

16MB

(1) 2M x 64

None

16MB

(1) 1M x 64

(1) 1M x 64

24MB

(1) 2M x 64

(1) 1M x 64

32MB

(1) 4M x 64

None

32MB

(1) 2M x 64

(1) 2M x 64

40MB

(1) 4M x 64

(1) 1M x 64

48MB

(1) 4M x 64

(1) 2M x 64

64MB

(1) 8M x 64

None

64MB

(1) 4M x 64

(1) 4M x 64

72MB

(1) 8M x 64

(1) 1M x 64

80MB

(1) 8M x 64

(1) 2M x 64

96MB

(1) 8M x 64

(1) 4M x 64

128MB

(1) 8M x 64

(1) 8M x 64

DIMM CONFIGURATION (CON’T)

Size

Bank 0

Bank 1

128MB

(1) 16M x 64

None

136MB

(1) 16M x 64

(1) 1M x 64

144MB

(1) 16M x 64

(1) 2M x 64

160MB

(1) 16M x 64

(1) 4M x 64

192MB

(1) 16M x 64

(1) 8M x 64

256MB

(1) 16M x 64

(1) 16M x 64

256MB

(1) 32M x 64

None

264MB

(1) 32M x 64

(1) 1M x 64

272MB

(1) 32M x 64

(1) 2M x 64

288MB

(1) 32M x 64

(1) 4M x 64

320MB

(1) 32M x 64

(1) 8M x 64

384MB

(1) 32M x 64

(1) 16M x 64

512MB

(1) 32M x 64

(1) 32M x 64

Note: Board accepts EDO & SDRAM memory. Maximum SDRAM is 256MB. Maximum EDO is 512MB.

CACHE CONFIGURATION

Note: 256KB/512KB cache is located on the Pentium II CPU. 128KB cache is located on the Celeron 300A & 333 CPU.