TANDY/RADIO SHACK

486ei 25/SVR

Processor

80486DX

Processor Speed

25MHz

Chip Set

Tandy

Max. Onboard DRAM

64MB

SRAM Cache

256KB

BIOS

Phoenix

Dimensions

355mm x 304mm

I/O Options

EGA feature connector, floppy drive interface, IDE interface, parallel port, serial port (2), VGA port (on external I/O card)

NPU Options

4167

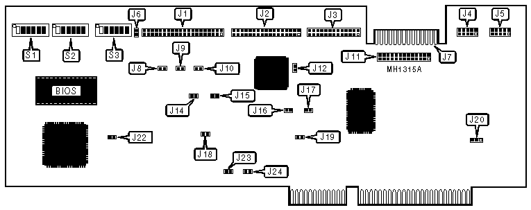
CONNECTIONS

Purpose

Location

Purpose

Location

External battery

J3

Reset switch

W5

Speaker

J15

Turbo switch

W6

Power LED & keylock

J16

Turbo LED

W7

USER CONFIGURABLE SETTINGS

Function

Jumper

Position

»

CMOS memory normal operation

J2

open

 

CMOS memory clear

J2

closed

»

Factory configured - do not alter

W1

N/A

SRAM CONFIGURATION

Size

Bank 0

W3

W4

256KB

(8) 32K x 8

closed

closed

DRAM CONFIGURATION

Size

Bank 0

Bank 1

Bank 2

Bank 3

4MB

(4) 1M x 9

NONE

NONE

NONE

8MB

(4) 1M x 9

(4) 1M x 9

NONE

NONE

12MB

(4) 1M x 9

(4) 1M x 9

(4) 1M x 9

NONE

16MB

(4) 1M x 9

(4) 1M x 9

(4) 1M x 9

(4) 1M x 9

16MB

(4) 4M x 9

NONE

NONE

NONE

20MB

(4) 1M x 9

(4) 4M x 9

NONE

NONE

24MB

(4) 1M x 9

(4) 1M x 9

(4) 4M x 9

NONE

28MB

(4) 1M x 9

(4) 1M x 9

(4) 1M x 9

(4) 4M x 9

32MB

(4) 4M x 9

(4) 4M x 9

NONE

NONE

36MB

(4) 1M x 9

(4) 4M x 9

(4) 4M x 9

NONE

40MB

(4) 1M x 9

(4) 1M x 9

(4) 4M x 9

(4) 4M x 9

48MB

(4) 4M x 9

(4) 4M x 9

(4) 4M x 9

NONE

52MB

(4) 1M x 9

(4) 4M x 9

(4) 4M x 9

(4) 4M x 9

64MB

(4) 4M x 9

(4) 4M x 9

(4) 4M x 9

(4) 4M x 9

DRAM SWITCH CONFIGURATION

Size

SW2/switch 1

SW2/switch 2

SW2/switch 3

SW2/switch 4

SW2/switch 5

4MB

closed

closed

closed

closed

closed

8MB

open

closed

closed

closed

closed

12MB

closed

open

closed

closed

closed

16MB

open

open

closed

closed

open

16MB

closed

closed

open

closed

open

20MB

closed

closed

open

open

open

24MB

closed

open

closed

open

open

28MB

open

closed

closed

open

open

32MB

open

closed

open

closed

open

36MB

closed

open

open

open

open

40MB

open

open

closed

open

open

48MB

closed

open

open

closed

open

52MB

open

open

open

open

open

64MB

open

open

open

closed

open

CONNECTIONS

Purpose

Location

Purpose

Location

IDE drive interface

J1

Serial port 2

J5

Floppy drive interface

J2

IDE interface LED

J6

Parallel port

J3

VGA feature

J7

Serial port 1

J4

EGA feature

J11

SERIAL PORT 1 (J4) CONFIGURATION S1

Function

Switch 1

Switch 2

Switch 3

Switch 4

Switch 5

Switch 6

disabled

open

open

open

open

open

open

COM1/IRQ4

closed

open

open

open

open

closed

COM2/IRQ3

open

closed

open

open

closed

open

COM3/IRQ4

open

open

closed

open

open

closed

COM4/IRQ3

open

open

open

closed

closed

open

SERIAL PORT 2 (J5) CONFIGURATION S3

Function

Switch 1

Switch 2

Switch 3

Switch 4

Switch 5

Switch 6

disabled

open

open

open

open

open

open

COM1/IRQ4

closed

open

open

open

open

closed

COM2/IRQ3

open

closed

open

open

closed

open

COM3/IRQ4

open

open

closed

open

open

closed

COM4/IRQ3

open

open

open

closed

closed

open

PARALLEL PORT (J3) CONFIGURATION S2

Function

Switch 1

Switch 2

Switch 3

Switch 4

Switch 5

Switch 6

disabled

open

open

open

N/A

open

open

LPT1/IRQ7

closed

open

open

N/A

open

closed

LPT2/IRQ5

open

closed

open

N/A

closed

open

LPT3/IRQ7

open

open

closed

N/A

open

closed

USER CONFIGURABLE SETTINGS

Function

Jumper

Position

»

IOCHRDY signal from pin 27 enabled

J8

J9

open

open

»

IOCHRDY signal from pin 21 enabled

J8

J9

closed

closed

»

IDE interface pin 34 select PDIAG signal

J10

open

 

IDE interface pin 34 select ground

J10

closed

»

Floppy drive interface precompensation mode select 125ns

J12

open

 

Floppy drive interface precompensation mode select 187ns

J12

closed

»

IDE interface (J1) enabled

J14

closed

 

IDE interface (J1) disabled

J14

open

»

On-board video enabled

J15

closed

 

On-board video disabled

J15

open

»

Floppy drive interface (J2) interrupt request select IRQ6

J16

closed

 

Floppy drive interface (J2) interrupt request select none

J16

open

»

Single speed motor select

J17

open

 

Dual speed motor select

J17

closed

»

On-board video select 16-bit mode normal

J18

open

 

On-board video force 8-bit mode

J18

closed

»

Floppy drive disk change signal enabled

J19

closed

 

Floppy drive disk change signal disabled

J19

open

»

Monitor type select color

J20

pins 1 & 2 closed

 

Monitor type select monochrome

J20

pins 2 & 3 closed

 

VGA feature connector disabled

J22

closed

 

VGA feature connector enabled

J22

open

»

Floppy drive interface (J2) enabled

J23

closed

 

Floppy drive interface (J2) disabled

J23

open

»

IDE interface (J1) interrupt request select IRQ14

J24

closed

 

IDE interface (J1) interrupt request select none

J24

open