SEANIX TECHNOLOGY, INC.

YUKON HX

Processor

Pentium

Processor Speed

75/90/100/120/133/150/166/200/MHz

Chip Set

Intel

Video Chip Set

None

Maximum Onboard Memory

128MB (EDO supported)

Maximum Video Memory

None

Cache

256/512KB

BIOS

AMI

Dimensions

254mm x 218mm

I/O Options

32-bit PCI slots (4), floppy drive interface, green PC connector, IDE interfaces (2), SCSI interface, parallel port, PS/2 mouse interface, serial ports (2), IR connector, USB connector

NPU Options

None

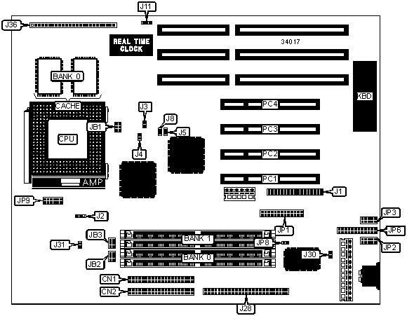
CONNECTIONS

Purpose

Location

Purpose

Location

IDE interface 1

CN1

IR connector

J36 pins 20 - 24

IDE interface 2

CN2

Speaker

J36 pins 26 - 29

Floppy drive interface

J1

Parallel port

JP1

SCSI interface

J28

Serial port 1

JP2

Chassis fan power

J36 pins 1 & 2

Serial port 2

JP3

Reset switch

J36 pins 4 & 5

USB connector\PS/2 mouse

JP6

Power LED & keylock

J36 pins 7 - 11

SCSI LED

JP8

IDE interface LED

J36 pins 13 - 16

32-bit PCI slots

PC1 – PC4

Green PC connector

J36 pins 17 & 18

   

USER CONFIGURABLE SETTINGS

Function

Label

Position

»

CMOS memory normal operation

J8

Open

 

CMOS memory clear

J8

Closed

»

Plug & play enabled

J11

Pins 1 & 2 closed

 

Plug & play disabled

J11

Pins 2 & 3 closed

»

Factory configured - do not alter

J30

Unidentified

DRAM CONFIGURATION

Size

Bank 0

Bank 1

8MB

(2) 1M x 36

None

16MB

(2) 2M x 36

None

16MB

(2) 1M x 36

(2) 1M x 36

32MB

(2) 4M x 36

None

32MB

(2) 2M x 36

(2) 2M x 36

64MB

(2) 8M x 36

None

64MB

(2) 4M x 36

(2) 4M x 36

128MB

(2) 8M x 36

(2) 8M x 36

Note: Board accepts EDO memory. Board also accepts x 32 SIMMs.

DRAM VOLTAGE CONFIGURATION

Voltage

JB2

JB3

3.3v

Open

Pins 1 & 2, 3 & 4, 5 & 6 closed

5v

Pins 1 & 2, 3 & 4, 5 & 6 closed

Open

CACHE CONFIGURATION

Size

Bank 0

256KB

(2) 32K x 32

512KB

(2) 64K x 32

CPU SPEED SELECTION

CPU speed

Clock speed

Multiplier

J2

J3

J4

J5

JB1

75MHz

50MHz

1.5x

Open

Closed

Closed

Open

1 & 3, 2 & 4

90MHz

60MHz

1.5x

1 & 2

Closed

Open

Closed

1 & 3, 2 & 4

100MHz

66MHz

1.5x

2 & 3

Open

Closed

Closed

1 & 3, 2 & 4

120MHz

60MHz

2x

1 & 2

Closed

Open

Closed

2 & 4, 3 & 5

133MHz

66MHz

2x

2 & 3

Open

Closed

Closed

2 & 4, 3 & 5

150MHz

60MHz

2.5x

1 & 2

Closed

Open

Closed

3 & 5, 4 & 6

166MHz

66MHz

2.5x

2 & 3

Open

Closed

Closed

3 & 5, 4 & 6

200MHz

66MHz

3x

2 & 3

Open

Closed

Closed

1 & 3, 4 & 6

CPU VOLTAGE SELECTION

Voltage

J31

JP9

2.8v – 2.9v

Open

Open

3.3v – 3.6v

Closed

1 & 2, 3 & 4, 5 & 6, 7 & 8, 9 & 10, 11 & 12

Note: Pins designated should be in the closed position.