TAKEN CORPORATION

ATX586

Processor

CX M1/AM K5/AM K6/Pentium

Processor Speed

100/133/166/200/233MHz

Chip Set

Intel

Video Chip Set

None

Maximum Onboard Memory

256MB (EDO supported)

Maximum Video Memory

None

Cache

256/512KB

BIOS

Award

Dimensions

305mm x 244mm

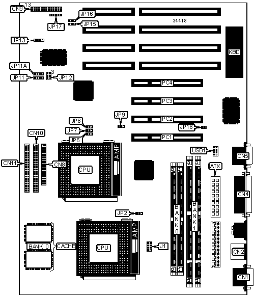
I/O Options

32-bit PCI slots (4), floppy drive interface, green PC connector, IDE interfaces (2), parallel port, PS/2 mouse port, serial ports (2), IR connector, USB connector, ATX power connector

NPU Options

None

CONNECTIONS

Purpose

Location

Purpose

Location

ATX power connector

ATX

Reset switch

CN9/pins 22 & 23

Serial port 1

CN1

Turbo LED

CN9/pins 25 & 26

PS/2 mouse port

CN2

IDE interface 1

CN10

Parallel port

CN4

IDE interface 2

CN11

Serial port 2

CN5

Chassis fan power

JP11

Floppy drive interface

CN8

Chassis fan power

JP11A

Power LED & keylock

CN9/pins 1 –5

External battery

JP13

Turbo switch

CN9/pins 7 & 8

IR connector

JP17

Speaker

CN9/pins 10 - 13

32-bit PCI slots

PC1 – PC4

IDE interface LED

CN9/pins 14 & 15

USB connector

USB1

Green PC connector

CN9/pins 19 & 20

   

USER CONFIGURABLE SETTINGS

Function

Label

Position

»

CMOS memory normal operation

JP13

Pins 2 & 3 closed

 

CMOS memory clear

JP13

Pins 3 & 4 closed

 

Battery type select external

JP13

Open

»

Factory configured - do not alter

JP15

Pins 2 & 3 closed

»

Flash BIOS voltage select 5v

JP16

Pins 2 & 3 closed

 

Flash BIOS voltage select 12v

JP16

Pins 1 & 2 closed

 

Power supply select AT

JP18

Closed

 

Power supply select ATX

JP18

Open

DIMM/DRAM CONFIGURATION

Size

Bank 0

Bank 1

8MB

(2) 1M x 32

None

16MB

(2) 1M x 32

(2) 1M x 32

16MB

(2) 2M x 32

None

24MB

(2) 1M x 32

(2) 2M x 32

24MB

(2) 2M x 32

(2) 1M x 32

32MB

(2) 2M x 32

(2) 2M x 32

32MB

(2) 4M x 32

None

40MB

(2) 1M x 32

(2) 4M x 32

40MB

(2) 4M x 32

(2) 1M x 32

48MB

(2) 2M x 32

(2) 4M x 32

48MB

(2) 4M x 32

(2) 2M x 32

64MB

(2) 4M x 32

(2) 4M x 32

64MB

(2) 8M x 32

None

72MB

(2) 1M x 32

(2) 8M x 32

72MB

(2) 8M x 32

(2) 1M x 32

80MB

(2) 2M x 32

(2) 8M x 32

DIMM/DRAM CONFIGURATION (CON’T)

Size

Bank 0

Bank 1

80MB

(2) 8M x 32

(2) 2M x 32

96MB

(2) 4M x 32

(2) 8M x 32

96MB

(2) 8M x 32

(2) 4M x 32

128MB

(2) 8M x 32

(2) 8M x 32

128MB

(2) 16M x 32

None

256MB

(2) 16M x 32

(2) 16M x 32

Note: Board accepts EDO memory.

CACHE CONFIGURATION

Size

Bank 0

256KB

(2) 32K x 32

512KB

(2) 64K x 32

CACHE JUMPER CONFIGURATION

Size

JP2

256KB

Pins 1 & 2 closed

512KB

Pins 2 & 3 closed

CPU SPEED SELECTION (CYRIX)

CPU speed

Clock speed

Multiplier

JP6

JP7

JP8

JP9

133MHz

55MHz

1.5x

1 & 2

2 & 3

2 & 3

2 & 3

150MHz

60MHz

1.5x

1 & 2

2 & 3

2 & 3

1 & 2

200MHz

75MHz

1.5x

1 & 2

1 & 2

1 & 2

2 & 3

Note: Pins designated should be in the closed position.

CPU SPEED SELECTION (AM K5)

CPU speed

Clock speed

Multiplier

JP6

JP7

JP8

JP9

100MHz

66MHz

1.5x

1 & 2

1 & 2

1 & 2

1 & 2

166MHz

66MHz

2.5x

2 & 3

2 & 3

1 & 2

1 & 2

Note: Pins designated should be in the closed position.

CPU SPEED SELECTION (AM K6)

CPU speed

Clock speed

Multiplier

JP6

JP7

JP8

JP9

200MHz

66MHz

3x

2 & 3

1 & 2

1 & 2

1 & 2

233MHz

66MHz

3.5x

1 & 2

1 & 2

1 & 2

1 & 2

Note: Pins designated should be in the closed position.

CPU SPEED SELECTION (INTEL)

CPU speed

Clock speed

Multiplier

JP6

JP7

JP8

JP9

100MHz

66MHz

1.5x

1 & 2

1 & 2

1 & 2

1 & 2

166MHz

66MHz

2.5x

2 & 3

2 & 3

1 & 2

1 & 2

200MHz

66MHz

3x

2 & 3

1 & 2

1 & 2

1 & 2

233MHz

66MHz

3.5x

1 & 2

1 & 2

1 & 2

1 & 2

Note: Pins designated should be in the closed position.

CPU TYPE SELECTION

CPU installed

JP12

Single

Pins 1 & 2 closed

Dual

Pins 2 & 3 closed

CPU VOLTAGE SELECTION

Voltage

J1

2.8v

Open

3.3v

Pins 1 & 2, 3 & 4, 5 & 6, 7 & 8 closed