SIEMENS-NIXDORF INFORMATIONSSYSTEME AG
SYSTEM BOARD D990
|
Device Type |
Mainboard |
|
Processor |
Pentium |
|
Processor Speed |
90/100/120/133/150/166/200MHz |
|
Chip Set |
Unidentified |
|
Video Chip Set |
Matrox |
|
Maximum Onboard Memory |
256MB (EDO & SDRAM supported) |
|
Maximum Video Memory |
4MB (SGRAM supported) |
|
Cache |
128/256/512KB |
|
BIOS |
Unidentified |
|
Dimensions |
305mm x 244mm |
|
I/O Options |
32-bit PCI slots (4), floppy drive interface, game/MIDI port, IDE interfaces (2), parallel port, PS/2 mouse port, serial port, VGA feature connector, VGA port, cache slot, IR connector, USB connector, ATX power connector, audio in – CD-ROM |
|
NPU Options |
None |
|
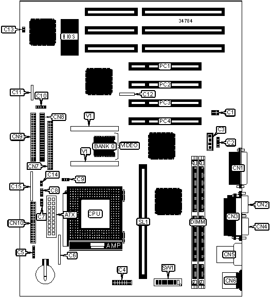
CONNECTIONS | |||
|
Purpose |
Location |
Purpose |
Location |
|
ATX power connector |
ATX |
Front panel connector |
C15 |
|
Voice modem connector |
C1 |
Game/MIDI port |
CN1 |
|
Auxiliary in |
C2 |
VGA port |
CN2 |
|
Audio in – CD-ROM |
C3 |
Parallel port |
CN3 |
|
Chip card reader |
C4 |
Serial port 1 |
CN4 |
|
IR connector |
C5 |
USB connector |
CN5 |
|
Reset switch |
C6 |
PS/2 mouse port |
CN6 |
|
SCSI interface LED |
C7 |
VGA feature connector |
CN7 |
|
Soft off power supply |
C8 |
IDE interface 1 |
CN8 |
|
Chassis fan power |
C9 |
IDE interface 2 |
CN9 |
|
Speaker |
C10 |
Floppy drive interface |
CN10 |
|
I2C connector |
C11 |
32-bit PCI slots |
PC1 – PC4 |
|
Wake on modem connector |
C13 |
Cache slot |
SL1 |
|
Power on connector |
C14 | ||
|
USER CONFIGURABLE SETTINGS | |||
|
Function |
Label |
Position | |
|
» |
Factory configured - do not alter |
C12 |
Unidentified |
|
» |
Flash BIOS normal operation |
SW1/5 |
Off |
|
Flash BIOS recovery mode |
SW1/5 |
On | |
|
» |
Factory configured - do not alter |
SW1/6 |
Off |
|
» |
Factory configured - do not alter |
SW1/7 |
Unidentified |
|
» |
Floppy drive write protect disabled |
SW1/8 |
Off |
|
Floppy drive write protect enabled |
SW1/8 |
On | |
|
DIMM CONFIGURATION | ||
|
Size |
Bank 0 |
Bank 1 |
|
8MB |
(1) 1M x 64 |
None |
|
16MB |
(1) 2M x 64 |
None |
|
16MB |
(1) 1M x 64 |
(1) 1M x 64 |
|
24MB |
(1) 2M x 64 |
(1) 1M x 64 |
|
32MB |
(1) 4M x 64 |
None |
|
32MB |
(1) 2M x 64 |
(1) 2M x 64 |
|
40MB |
(1) 4M x 64 |
(1) 1M x 64 |
|
48MB |
(1) 4M x 64 |
(1) 2M x 64 |
|
64MB |
(1) 8M x 64 |
None |
|
DIMM CONFIGURATION (CON’T) | ||
|
Size |
Bank 0 |
Bank 1 |
|
64MB |
(1) 4M x 64 |
(1) 4M x 64 |
|
72MB |
(1) 8M x 64 |
(1) 1M x 64 |
|
80MB |
(1) 8M x 64 |
(1) 2M x 64 |
|
96MB |
(1) 8M x 64 |
(1) 4M x 64 |
|
128MB |
(1) 16M x 64 |
None |
|
128MB |
(1) 8M x 64 |
(1) 8M x 64 |
|
136MB |
(1) 16M x 64 |
(1) 1M x 64 |
|
144MB |
(1) 16M x 64 |
(1) 2M x 64 |
|
160MB |
(1) 16M x 64 |
(1) 4M x 64 |
|
192MB |
(1) 16M x 64 |
(1) 8M x 64 |
|
256MB |
(1) 16M x 64 |
(1) 16M x 64 |
|
Note: Board accepts EDO & SDRAM memory. | ||
|
CACHE CONFIGURATION | |
|
Size |
SL1 |
|
128KB |
128KB module installed |
|
256KB |
256KB module installed |
|
512KB |
512KB module installed |
|
VIDEO MEMORY CONFIGURATION | ||
|
Size |
Bank 0 |
V1 |
|
2MB |
2MB |
None |
|
4MB |
2MB |
2MB module installed |
|
CPU SPEED SELECTION | ||||||
|
CPU speed |
Clock speed |
Multiplier |
SW1/1 |
SW1/2 |
SW1/3 |
SW1/4 |
|
90MHz |
60MHz |
1.5x |
Off |
On |
Off |
Off |
|
100MHz |
66MHz |
1.5x |
On |
Off |
Off |
Off |
|
120MHz |
60MHz |
2x |
Off |
On |
On |
Off |
|
133MHz |
66MHz |
2x |
On |
Off |
On |
Off |
|
150MHz |
60MHz |
2.5x |
Off |
On |
On |
On |
|
166MHz |
66MHz |
2.5x |
On |
Off |
On |
On |
|
200MHz |
66MHz |
3x |
On |
Off |
Off |
On |