SHUTTLE COMPUTER INTERNATIONAL, INC.

HOT-635

Device Type

Mainboard

Processor

Pentium II

Processor Speed

233/266/300/333MHz

Chip Set

Intel

Video Chip Set

None

Maximum Onboard Memory

512MB (EDO & SDRAM supported)

Maximum Video Memory

None

Cache

256/512KB (located on Pentium II CPU)

BIOS

Award

Dimensions

305mm x 244mm

I/O Options

32-bit PCI slots (4), floppy drive interface, IDE interfaces (2), SCSI-2 interface, Ultra SCSI Wide interface, parallel port, PS/2 mouse port, serial ports (2), IR connector, USB connectors (2), ATX power connector, AGP slot

NPU Options

None

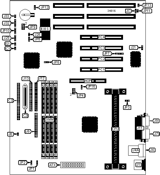
CONNECTIONS

Purpose

Location

Purpose

Location

AGP slot

AGP

IDE interface 2

J12

ATX power connector

ATX

IDE interface 1

J13

SCSI interface LED

C1

IDE interface LED

J29

Ultra SCSI Wide interface

C2

Power LED & keylock

J32

SCSI-2 interface

C3

Reset switch

J33

PS/2 mouse port

J1

CPU fan power

JP1

USB connector 1

J4

Chassis fan power

JP2

USB connector 2

J4A

IR connector

JP7

Floppy drive interface

J6

Speaker

JP10

Serial port 2

J7

AGP fan power

JP16

Serial port 1

J9

32-bit PCI slots

PC1 – PC4

Parallel port

J11

Soft off power supply

S1

USER CONFIGURABLE SETTINGS

Function

Label

Position

»

Termination enabled

J8

Open

 

Termination disabled

J8

Closed

»

Factory configured - do not alter

J21

Unidentified

»

Factory configured - do not alter

J28

Pins 2 & 3 closed

»

Factory configured - do not alter

JC

Unidentified

»

Factory configured - do not alter

JP3

Unidentified

»

Seagate hard drive not installed

JP6

Pins 1 & 2 closed

 

Seagate hard drive installed

JP6

Pins 2 & 3 closed

»

Factory configured - do not alter

JP8

Open

»

Factory configured - do not alter

JP11

Unidentified

»

CMOS memory normal operation

JP12

Pins 1 & 2 closed

 

CMOS memory clear

JP12

Pins 2 & 3 closed

»

Factory configured - do not alter

JP13

Unidentified

DIMM CONFIGURATION

Size

Bank 0

Bank 1

Bank 2

Bank 3

8MB

(1) 1M x 64

None

None

None

16MB

(1) 2M x 64

None

None

None

16MB

(1) 1M x 64

(1) 1M x 64

None

None

24MB

(1) 2M x 64

(1) 1M x 64

None

None

24MB

(1) 1M x 64

(1) 1M x 64

(1) 1M x 64

None

32MB

(1) 4M x 64

None

None

None

32MB

(1) 2M x 64

(1) 2M x 64

None

None

32MB

(1) 1M x 64

(1) 1M x 64

(1) 1M x 64

(1) 1M x 64

40MB

(1) 4M x 64

(1) 1M x 64

None

None

48MB

(1) 4M x 64

(1) 2M x 64

None

None

48MB

(1) 2M x 64

(1) 2M x 64

(1) 2M x 64

None

64MB

(1) 2M x 64

(1) 2M x 64

(1) 2M x 64

(1) 2M x 64

64MB

(1) 8M x 64

None

None

None

64MB

(1) 4M x 64

(1) 4M x 64

None

None

72MB

(1) 8M x 64

(1) 1M x 64

None

None

80MB

(1) 8M x 64

(1) 2M x 64

None

None

96MB

(1) 8M x 64

(1) 4M x 64

None

None

96MB

(1) 4M x 64

(1) 4M x 64

(1) 4M x 64

None

128MB

(1) 16M x 64

None

None

None

128MB

(1) 8M x 64

(1) 8M x 64

None

None

128MB

(1) 4M x 64

(1) 4M x 64

(1) 4M x 64

(1) 4M x 64

136MB

(1) 16M x 64

(1) 1M x 64

None

None

144MB

(1) 16M x 64

(1) 2M x 64

None

None

152MB

(1) 16M x 64

(1) 1M x 64

(1) 1M x 64

(1) 1M x 64

160MB

(1) 16M x 64

(1) 4M x 64

None

None

176MB

(1) 16M x 64

(1) 2M x 64

(1) 2M x 64

(1) 2M x 64

192MB

(1) 16M x 64

(1) 8M x 64

None

None

192MB

(1) 8M x 64

(1) 8M x 64

(1) 8M x 64

None

224MB

(1) 16M x 64

(1) 4M x 64

(1) 4M x 64

(1) 4M x 64

256MB

(1) 16M x 64

(1) 16M x 64

None

None

256MB

(1) 8M x 64

(1) 8M x 64

(1) 8M x 64

(1) 8M x 64

272MB

(1) 16M x 64

(1) 16M x 64

(1) 1M x 64

(1) 1M x 64

288MB

(1) 16M x 64

(1) 16M x 64

(1) 2M x 64

(1) 2M x 64

320MB

(1) 16M x 64

(1) 16M x 64

(1) 4M x 64

(1) 4M x 64

320MB

(1) 16M x 64

(1) 8M x 64

(1) 8M x 64

(1) 8M x 64

384MB

(1) 16M x 64

(1) 16M x 64

(1) 16M x 64

None

512MB

(1) 16M x 64

(1) 16M x 64

(1) 16M x 64

(1) 16M x 64

Note: Board accepts EDO & SDRAM memory.

CACHE CONFIGURATION

Note: 256KB/512KB cache is located on the Pentium II CPU.

CPU SPEED SELECTION

CPU speed

Clock speed

Multiplier

JP4

JP9

233MHz

66MHz

3.5x

Open

1 & 2, 5 & 6

266MHz

66MHz

4x

Open

3 & 4, 5 & 6, 7 & 8

300MHz

66MHz

4.5x

Open

3 & 4, 5 & 6

333MHz

66MHz

5x

Open

5 & 6, 7 & 8

Note: Pins designated should be in the closed position.