SHUTTLE COMPUTER INTERNATIONAL, INC.
HOT-623
|
Device Type |
Mainboard |
|
Processor |
Pentium II |
|
Processor Speed |
233/266/300MHz |
|
Chip Set |
Intel |
|
Video Chip Set |
None |
|
Maximum Onboard Memory |
1GB (EDO supported) |
|
Maximum Video Memory |
None |
|
Cache |
256/512KB (located on Pentium II CPU) |
|
BIOS |
Award |
|
Dimensions |
305mm x 240mm |
|
I/O Options |
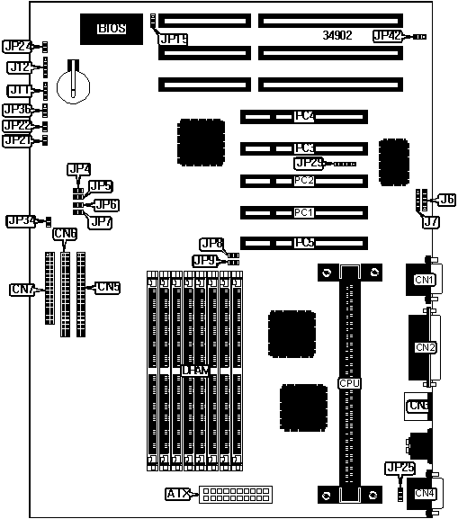
32-bit PCI slots (5), floppy drive interface, green PC connector, IDE interfaces (2), parallel port, PS/2 mouse port, serial ports (2), IR connector, USB connectors (2), ATX power connector |
|
NPU Options |
None |
|
CONNECTIONS | |||
|
Purpose |
Location |
Purpose |
Location |
|
ATX power connector |
ATX |
Speaker |
J11 |
|
Serial port 2 |
CN1 |
Power LED & keylock |
J12 |
|
Parallel port |
CN2 |
IDE interface LED |
JP21 |
|
PS/2 mouse port |
CN3 |
Green PC connector |
JP22 |
|
Serial port 1 |
CN4 |
Reset switch |
JP24 |
|
IDE interface 1 |
CN5 |
Chassis fan power |
JP25 |
|
IDE interface 2 |
CN6 |
IR connector |
JP29 |
|
Floppy drive interface |
CN7 |
Green PC LED |
JP36 |
|
USB connector 1 |
J6 |
32-bit PCI slots |
PC1 – PC5 |
|
USB connector 2 |
J7 | ||
|
USER CONFIGURABLE SETTINGS | |||
|
Function |
Label |
Position | |
|
Flash BIOS voltage select 12v |
JP15 |
Pins 1 & 2 closed | |
|
Flash BIOS voltage select 5v |
JP15 |
Pins 2 & 3 closed | |
|
» |
Factory configured – do not alter |
JP34 |
Unidentified |
|
» |
CMOS memory normal operation |
JP42 |
Pins 1 & 2 closed |
|
CMOS memory clear |
JP42 |
Pins 2 & 3 closed | |
|
SIMM CONFIGURATION | ||||
|
Size |
Bank 0 |
Bank 1 |
Bank 2 |
Bank 3 |
|
8MB |
(2) 1M x 36 |
None |
None |
None |
|
16MB |
(2) 2M x 36 |
None |
None |
None |
|
16MB |
(2) 1M x 36 |
(2) 1M x 36 |
None |
None |
|
24MB |
(2) 2M x 36 |
(2) 1M x 36 |
None |
None |
|
24MB |
(2) 1M x 36 |
(2) 1M x 36 |
(2) 1M x 36 |
None |
|
32MB |
(2) 4M x 36 |
None |
None |
None |
|
32MB |
(2) 2M x 36 |
(2) 2M x 36 |
None |
None |
|
32MB |
(2) 1M x 36 |
(2) 1M x 36 |
(2) 1M x 36 |
(2) 1M x 36 |
|
40MB |
(2) 4M x 36 |
(2) 1M x 36 |
None |
None |
|
48MB |
(2) 4M x 36 |
(2) 2M x 36 |
None |
None |
|
48MB |
(2) 2M x 36 |
(2) 2M x 36 |
(2) 2M x 36 |
None |
|
64MB |
(2) 2M x 36 |
(2) 2M x 36 |
(2) 2M x 36 |
(2) 2M x 36 |
|
SIMM CONFIGURATION (CON’T) | ||||
|
Size |
Bank 0 |
Bank 1 |
Bank 2 |
Bank 3 |
|
64MB |
(2) 8M x 36 |
None |
None |
None |
|
64MB |
(2) 4M x 36 |
(2) 4M x 36 |
None |
None |
|
72MB |
(2) 8M x 36 |
(2) 1M x 36 |
None |
None |
|
80MB |
(2) 8M x 36 |
(2) 2M x 36 |
None |
None |
|
96MB |
(2) 8M x 36 |
(2) 4M x 36 |
None |
None |
|
96MB |
(2) 4M x 36 |
(2) 4M x 36 |
(2) 4M x 36 |
None |
|
128MB |
(2) 16M x 36 |
None |
None |
None |
|
128MB |
(2) 8M x 36 |
(2) 8M x 36 |
None |
None |
|
128MB |
(2) 4M x 36 |
(2) 4M x 36 |
(2) 4M x 36 |
(2) 4M x 36 |
|
136MB |
(2) 16M x 36 |
(2) 1M x 36 |
None |
None |
|
144MB |
(2) 16M x 36 |
(2) 2M x 36 |
None |
None |
|
152MB |
(2) 16M x 36 |
(2) 1M x 36 |
(2) 1M x 36 |
(2) 1M x 36 |
|
160MB |
(2) 16M x 36 |
(2) 4M x 36 |
None |
None |
|
176MB |
(2) 16M x 36 |
(2) 2M x 36 |
(2) 2M x 36 |
(2) 2M x 36 |
|
192MB |
(2) 16M x 36 |
(2) 8M x 36 |
None |
None |
|
192MB |
(2) 8M x 36 |
(2) 8M x 36 |
(2) 8M x 36 |
None |
|
224MB |
(2) 16M x 36 |
(2) 4M x 36 |
(2) 4M x 36 |
(2) 4M x 36 |
|
256MB |
(2) 32M x 36 |
None |
None |
None |
|
256MB |
(2) 16M x 36 |
(2) 16M x 36 |
None |
None |
|
256MB |
(2) 8M x 36 |
(2) 8M x 36 |
(2) 8M x 36 |
(2) 8M x 36 |
|
272MB |
(2) 16M x 36 |
(2) 16M x 36 |
(2) 1M x 36 |
(2) 1M x 36 |
|
280MB |
(2) 32M x 36 |
(2) 1M x 36 |
(2) 1M x 36 |
(2) 1M x 36 |
|
288MB |
(2) 16M x 36 |
(2) 16M x 36 |
(2) 2M x 36 |
(2) 2M x 36 |
|
304MB |
(2) 32M x 36 |
(2) 2M x 36 |
(2) 2M x 36 |
(2) 2M x 36 |
|
320MB |
(2) 16M x 36 |
(2) 16M x 36 |
(2) 4M x 36 |
(2) 4M x 36 |
|
320MB |
(2) 16M x 36 |
(2) 8M x 36 |
(2) 8M x 36 |
(2) 8M x 36 |
|
352MB |
(2) 32M x 36 |
(2) 4M x 36 |
(2) 4M x 36 |
(2) 4M x 36 |
|
384MB |
(2) 16M x 36 |
(2) 16M x 36 |
(2) 16M x 36 |
None |
|
448MB |
(2) 32M x 36 |
(2) 8M x 36 |
(2) 8M x 36 |
(2) 8M x 36 |
|
512MB |
(2) 32M x 36 |
(2) 32M x 36 |
None |
None |
|
512MB |
(2) 16M x 36 |
(2) 16M x 36 |
(2) 16M x 36 |
(2) 16M x 36 |
|
640MB |
(2) 32M x 36 |
(2) 16M x 36 |
(2) 16M x 36 |
(2) 16M x 36 |
|
768MB |
(2) 32M x 36 |
(2) 32M x 36 |
(2) 32M x 36 |
None |
|
1024MB |
(2) 32M x 36 |
(2) 32M x 36 |
(2) 32M x 36 |
(2) 32M x 36 |
|
Note: Board accepts EDO memory. | ||||
|
CACHE CONFIGURATION |
|
Note: 256KB/512KB cache is located on the Pentium II CPU. |
|
CPU SPEED SELECTION | ||||||||
|
CPU speed |
Clock speed |
Multiplier |
JP4 |
JP5 |
JP6 |
JP7 |
JP8 |
JP9 |
|
233MHz |
66MHz |
3.5x |
Open |
Open |
Closed |
Closed |
Open |
Closed |
|
266MHz |
66MHz |
4x |
Closed |
Closed |
Open |
Closed |
Open |
Closed |
|
300MHz |
66MHz |
4.5x |
Open |
Closed |
Open |
Closed |
Open |
Closed |