SIEMENS NIXDORF

SYSTEM BOARD D1064

Device Type

Mainboard

Processor

Pentium II

Processor Speed

266/300/333/350/366/400/450MHz

Chip Set

Unidentified

Video Chip Set

Matrox

Maximum Onboard Memory

384MB (SDRAM supported)

Maximum Video Memory

6MB

Cache

256/512KB (located on Pentium II CPU)

BIOS

Unidentified

Dimensions

305mm x 244mm

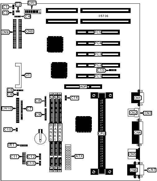
I/O Options

32-bit PCI slots (5), floppy drive interface, IDE interfaces (2), parallel port, PS/2 mouse port, serial ports (2), IR connector, USB connectors (2), ATX power connector, AGP slot, wake on modem connector

CONNECTIONS

Purpose

Location

Purpose

Location

AGP slot

AGP

Chassis fan power

C14

ATX power connector

ATX

USB chipcard reader

C15

Chassis fan power

C1

VGA port

CN1

Modem connector

C2

USB connector 1

CN2

Wake on LAN connector

C3

USB connector 2

CN3

Speaker

C4

Parallel port

CN4

SCSI interface LED

C5

PS/2 mouse port

CN5

Soft off power supply

C6

Serial port 2

CN6

Front panel connector

C7

Serial port 1

CN7

Chassis intrusion connector

C8

IDE interface 1

CN8

5v power

C9

IDE interface 2

CN9

Reset switch

C10

Floppy drive interface

CN10

Chipcard reader

C11

IR connector

IR1

I2C connector

C12

32-bit PCI slots

PC1 – PC5

Chassis fan power

C13

   

USER CONFIGURABLE SETTINGS

Function

Label

Position

»

Factory configured - do not alter

SW1/1

Off

»

Flash BIOS normal operation

SW1/2

Off

 

Flash BIOS recovery mode

SW1/2

On

»

Floppy drive write protect disabled

SW1/3

Off

 

Floppy drive write protect enabled

SW1/3

On

»

Factory configured - do not alter

SW1/4

Unidentified

DIMM CONFIGURATION

Size

Bank 0

Bank 1

Bank 2

16MB

(1) 2M x 64

None

None

16MB

(1) 1M x 64

(1) 1M x 64

None

24MB

(1) 2M x 64

(1) 1M x 64

None

24MB

(1) 1M x 64

(1) 1M x 64

(1) 1M x 64

32MB

(1) 4M x 64

None

None

32MB

(1) 2M x 64

(1) 1M x 64

(1) 1M x 64

32MB

(1) 2M x 64

(1) 2M x 64

None

DIMM CONFIGURATION (CON’T)

Size

Bank 0

Bank 1

Bank 2

40MB

(1) 4M x 64

(1) 1M x 64

None

40MB

(1) 2M x 64

(1) 2M x 64

(1) 1M x 64

48MB

(1) 4M x 64

(1) 1M x 64

(1) 1M x 64

48MB

(1) 4M x 64

(1) 2M x 64

None

48MB

(1) 2M x 64

(1) 2M x 64

(1) 2M x 64

56MB

(1) 4M x 64

(1) 2M x 64

(1) 1M x 64

64MB

(1) 8M x 64

None

None

64MB

(1) 4M x 64

(1) 2M x 64

(1) 2M x 64

64MB

(1) 4M x 64

(1) 4M x 64

None

72MB

(1) 8M x 64

(1) 1M x 64

None

72MB

(1) 4M x 64

(1) 4M x 64

(1) 1M x 64

80MB

(1) 8M x 64

(1) 1M x 64

(1) 1M x 64

80MB

(1) 8M x 64

(1) 2M x 64

None

80MB

(1) 4M x 64

(1) 4M x 64

(1) 2M x 64

88MB

(1) 8M x 64

(1) 2M x 64

(1) 1M x 64

96MB

(1) 8M x 64

(1) 2M x 64

(1) 2M x 64

96MB

(1) 8M x 64

(1) 4M x 64

None

96MB

(1) 4M x 64

(1) 4M x 64

(1) 4M x 64

104MB

(1) 8M x 64

(1) 4M x 64

(1) 1M x 64

112MB

(1) 8M x 64

(1) 4M x 64

(1) 2M x 64

128MB

(1) 16M x 64

None

None

128MB

(1) 8M x 64

(1) 4M x 64

(1) 4M x 64

128MB

(1) 8M x 64

(1) 8M x 64

None

136MB

(1) 16M x 64

(1) 1M x 64

None

136MB

(1) 8M x 64

(1) 8M x 64

(1) 1M x 64

144MB

(1) 16M x 64

(1) 1M x 64

(1) 1M x 64

144MB

(1) 16M x 64

(1) 2M x 64

None

144MB

(1) 8M x 64

(1) 8M x 64

(1) 2M x 64

152MB

(1) 16M x 64

(1) 2M x 64

(1) 1M x 64

160MB

(1) 16M x 64

(1) 2M x 64

(1) 2M x 64

160MB

(1) 16M x 64

(1) 4M x 64

None

160MB

(1) 8M x 64

(1) 8M x 64

(1) 4M x 64

168MB

(1) 16M x 64

(1) 4M x 64

(1) 1M x 64

176MB

(1) 16M x 64

(1) 4M x 64

(1) 2M x 64

192MB

(1) 16M x 64

(1) 4M x 64

(1) 4M x 64

DIMM CONFIGURATION (CON’T)

Size

Bank 0

Bank 1

Bank 2

192MB

(1) 16M x 64

(1) 8M x 64

None

192MB

(1) 8M x 64

(1) 8M x 64

(1) 8M x 64

200MB

(1) 16M x 64

(1) 8M x 64

(1) 1M x 64

208MB

(1) 16M x 64

(1) 8M x 64

(1) 2M x 64

224MB

(1) 16M x 64

(1) 8M x 64

(1) 4M x 64

256MB

(1) 16M x 64

(1) 8M x 64

(1) 8M x 64

384MB

(1) 16M x 64

(1) 16M x 64

(1) 16M x 64

Note: Board accepts SDRAM memory.

CACHE CONFIGURATION

Note: 256KB/512KB cache is located on the Pentium II CPU.

VIDEO MEMORY CONFIGURATION

Note: To upgrade video memory, install module at V1.

CPU SPEED SELECTION

CPU speed

Clock speed

Multiplier

SW1/5

SW1/6

SW1/7

SW1/8

266MHz

66MHz

4x

On

On

Off

On

300MHz

66MHz

4.5x

Off

On

Off

On

300MHz

100MHz

3x

On

Off

On

On

333MHz

66MHz

5x

On

Off

Off

On

366MHz

66MHz

5.5x

Off

Off

Off

On

350MHz

100MHz

3.5x

Off

Off

On

On

400MHz

100MHz

4x

On

On

Off

On

450MHz

100MHz

4.5x

Off

On

Off

On