TYAN COMPUTER CORPORATION
S1846S
|
Device Type |
Mainboard |
|
Processor |
Pentium II/Celeron |
|
Processor Speed |
233/266/300/333/350/400MHz |
|
Chip Set |
Intel 440BX |
|
Maximum Onboard Memory |
768MB (SDRAM supported) |
|
Cache |
0/128/256/512KB (located on CPU) |
|
BIOS |
AMI |
|
Dimensions |
305mm x 244mm |
|
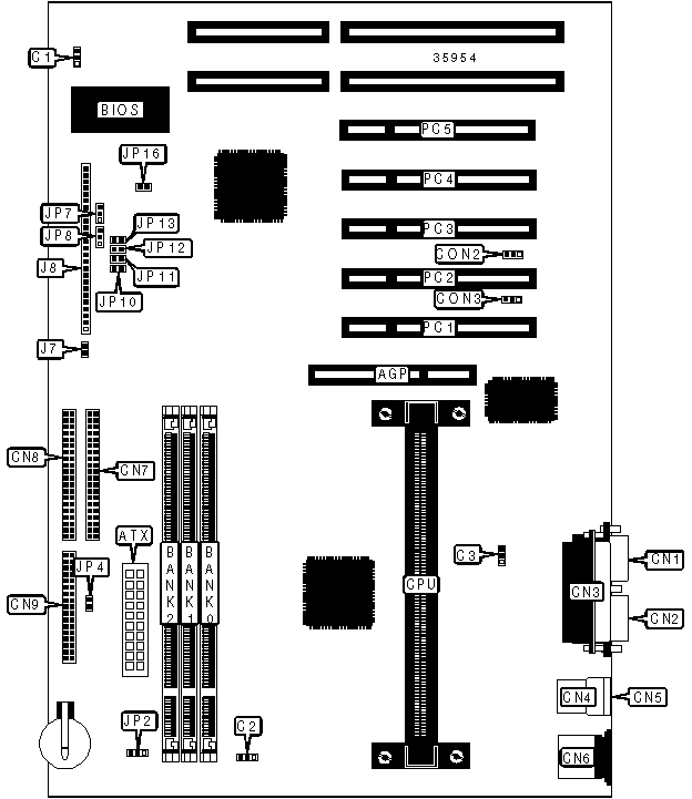
I/O Options |
32-bit PCI slots (5), floppy drive interface, green PC connector, IDE interfaces (2), parallel port, PS/2 mouse port, serial ports (2), IR connector, USB connectors (2), ATX power connector, AGP slot |

|
CONNECTIONS |
|||
|
Purpose |
Location |
Purpose |
Location |
|
AGP slot |
AGP |
Floppy drive interface |
CN9 |
|
ATX power connector |
ATX |
Wake on LAN connector |
CON3 |
|
Chassis fan power |
C1 |
Chassis intrusion connector |
J7 |
|
Chassis fan power |
C2 |
Soft off power supply |
J8/pins 1 & 2 |
|
Chassis fan power |
C3 |
Green PC connector |
J8/pins 3 & 4 |
|
Serial port 2 |
CN1 |
IR connector |
J8/pins 6 - 10 |
|
Serial port 1 |
CN2 |
IDE interface LED |
J8/pins 13 - 16 |
|
Parallel port |
CN3 |
Power LED |
J8/pins 18 & 20 |
|
USB connector 1 |
CN4 |
Reset switch |
J8/pins 22 & 23 |
|
USB connector 2 |
CN5 |
Speaker |
J8/pins 24 - 27 |
|
PS/2 mouse port |
CN6 |
Green PC connector |
JP16 |
|
IDE interface 2 |
CN7 |
32-bit PCI slots |
PC1 - PC5 |
|
IDE interface 1 |
CN8 |
|
|
|
USER CONFIGURABLE SETTINGS |
|||
|
Function |
Label |
Position |
|
|
» |
Factory configured - do not alter |
CON2 |
Unidentified |
|
» |
CMOS memory normal operation |
JP2 |
Pins 1 & 2 closed |
|
|
CMOS memory clear |
JP2 |
Pins 2 & 3 closed |
|
DIMM CONFIGURATION |
|||
|
Size |
Bank 0 |
Bank 1 |
Bank 2 |
|
8MB |
(1) 1M x 64 |
None |
None |
|
16MB |
(1) 1M x 64 |
(1) 1M x 64 |
None |
|
16MB |
(1) 2M x 64 |
None |
None |
|
24MB |
(1) 1M x 64 |
(1) 1M x 64 |
(1) 1M x 64 |
|
32MB |
(1) 2M x 64 |
(1) 2M x 64 |
None |
|
32MB |
(1) 4M x 64 |
None |
None |
|
48MB |
(1) 2M x 64 |
(1) 2M x 64 |
(1) 2M x 64 |
|
64MB |
(1) 4M x 64 |
(1) 4M x 64 |
None |
|
64MB |
(1) 8M x 64 |
None |
None |
|
96MB |
(1) 4M x 64 |
(1) 4M x 64 |
(1) 4M x 64 |
|
128MB |
(1) 8M x 64 |
(1) 8M x 64 |
None |
|
128MB |
(1) 16M x 64 |
None |
None |
|
DIMM CONFIGURATION (CON'T) |
|||
|
Size |
Bank 0 |
Bank 1 |
Bank 2 |
|
164MB |
(1) 16M x 64 |
(1) 1M x 64 |
None |
|
144MB |
(1) 16M x 64 |
(1) 1M x 64 |
(1) 1M x 64 |
|
144MB |
(1) 16M x 64 |
(1) 2M x 64 |
None |
|
160MB |
(1) 16M x 64 |
(1) 2M x 64 |
(1) 2M x 64 |
|
160MB |
(1) 16M x 64 |
(1) 4M x 64 |
None |
|
192MB |
(1) 16M x 64 |
(1) 4M x 64 |
(1) 4M x 64 |
|
192MB |
(1) 16M x 64 |
(1) 8M x 64 |
None |
|
192MB |
(1) 8M x 64 |
(1) 8M x 64 |
(1) 8M x 64 |
|
256MB |
(1) 16M x 64 |
(1) 8M x 64 |
(1) 8M x 64 |
|
256MB |
(1) 16M x 64 |
(1) 16M x 64 |
None |
|
256MB |
(1) 32M x 64 |
None |
None |
|
264MB |
(1) 32M x 64 |
(1) 1M x 64 |
None |
|
272MB |
(1) 32M x 64 |
(1) 1M x 64 |
(1) 1M x 64 |
|
272MB |
(1) 32M x 64 |
(1) 2M x 64 |
None |
|
288MB |
(1) 32M x 64 |
(1) 2M x 64 |
(1) 2M x 64 |
|
288MB |
(1) 32M x 64 |
(1) 4M x 64 |
None |
|
320MB |
(1) 32M x 64 |
(1) 4M x 64 |
(1) 4M x 64 |
|
320MB |
(1) 32M x 64 |
(1) 8M x 64 |
None |
|
384MB |
(1) 32M x 64 |
(1) 8M x 64 |
(1) 8M x 64 |
|
384MB |
(1) 32M x 64 |
(1) 16M x 64 |
None |
|
384MB |
(1) 16M x 64 |
(1) 16M x 64 |
(1) 16M x 64 |
|
512MB |
(1) 32M x 64 |
(1) 16M x 64 |
(1) 16M x 64 |
|
512MB |
(1) 32M x 64 |
(1) 32M x 64 |
None |
|
768MB |
(1) 32M x 64 |
(1) 32M x 64 |
(1) 32M x 64 |
|
Note: Board accepts SDRAM memory. |
|||
|
CACHE CONFIGURATION |
|
Note: 256KB/512KB cache is located on the Pentium II CPU. 128KB cache is located on the Celeron 300A & 333 CPU. |
|
CPU SPEED SELECTION |
||||||
|
CPU speed |
Clock speed |
Multiplier |
JP10 |
JP11 |
JP12 |
JP13 |
|
233MHz |
66MHz |
3.5x |
Closed |
Open |
Open |
Closed |
|
266MHz |
66MHz |
4x |
Open |
Closed |
Closed |
Closed |
|
300MHz |
66MHz |
4.5x |
Open |
Closed |
Open |
Closed |
|
300MHz |
100MHz |
3x |
Closed |
Open |
Closed |
Closed |
|
333MHz |
66MHz |
5x |
Open |
Open |
Closed |
Closed |
|
350MHz |
100MHz |
3.5x |
Closed |
Open |
Open |
Closed |
|
400MHz |
100MHz |
4x |
Open |
Closed |
Closed |
Closed |
|
FLOPPY DRIVE/IR SELECTION |
|||
|
Setting |
JP4 |
JP7 |
JP8 |
|
2 floppy drives |
Closed |
Pins 2 & 3 closed |
Pins 1 & 2 closed |
|
1 floppy, 1 IR |
Open |
Pins 1 & 2 closed |
Pins 2 & 3 closed |