VEXTREC TECHNOLOGY, INC.

GMB-P6LIAK (VER. 1.00)

Device Type

Mainboard

Processor

Pentium II

Processor Speed

233/266/300MHz

Chip Set

Intel 440LX

Maximum Onboard Memory

512MB (EDO & SDRAM supported)

Cache

512KB (located on the Pentium II CPU)

BIOS

Award

Dimensions

305mm x 217mm

I/O Options

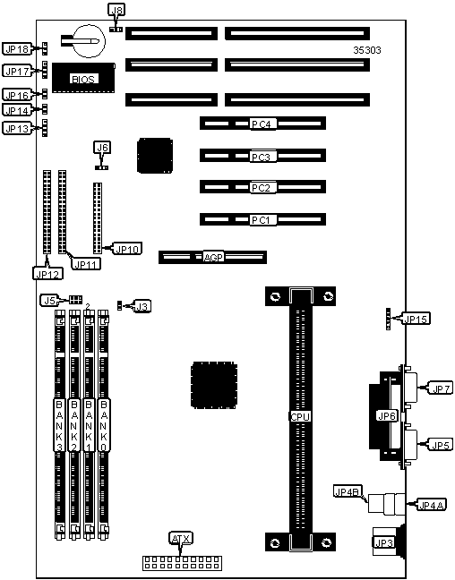
32-bit PCI slots (4), floppy drive interface, IDE interfaceS (2), parallel port, PS/2 mouse port, serial ports (2), IR connector, USB connectors (2), AGP slot, ATX power connector

CONNECTIONS

Purpose

Location

Purpose

Location

AGP slot

AGP

IDE interface 2

JP11

ATX power connector

ATX

IDE interface 1

JP12

PS/2 mouse port

JP3

IDE interface LED

JP13

USB port 1

JP4A

Power switch

JP14

USB port 2

JP4B

IR connector

JP15

Serial port 1

JP5

Reset switch

JP16

Parallel port

JP6

Speaker

JP17

Serial port 2

JP7

Power LED

JP18

Floppy drive interface

JP10

32-bit PCI slots

PC1 - PC4

USER CONFIGURABLE SETTINGS

Function

Label

Position

»

CMOS memory normal operation

J6

Pins 1 & 2 closed

 

CMOS memory clear

J6

Pins 2 & 3 closed

 

Flash BIOS voltage select 12v

J8

Pins 2 & 3 closed

 

Flash BIOS voltage select 5v

J8

Pins 1 & 2 closed

DRAM CONFIGURATION

Size

Bank 0

Bank 1

Bank 2

Bank 3

8MB

(1) 1MB x 64

None

None

None

16MB

(1) 1MB x 64

(1) 1MB x 64

None

None

16MB

(1) 2MB x 64

None

None

None

24MB

(1) 1MB x 64

(1) 1MB x 64

(1) 1MB x 64

None

24MB

(1) 2MB x 64

(1) 1MB x 64

None

None

32MB

(1) 1MB x 64

(1) 1MB x 64

(1) 1MB x 64

(1) 1MB x 64

32MB

(1) 2MB x 64

(1) 2MB x 64

None

None

32MB

(1) 4MB x 64

None

None

None

40MB

(1) 2MB x 64

(1) 2MB x 64

(1) 1MB x 64

None

40MB

(1) 4MB x 64

(1) 1MB x 64

None

None

48MB

(1) 2MB x 64

(1) 2MB x 64

(1) 2MB x 64

None

48MB

(1) 4MB x 64

(1) 2MB x 64

None

None

56MB

(1) 2MB x 64

(1) 2MB x 64

(1) 2MB x 64

(1) 1MB x 64

56MB

(1) 4MB x 64

(1) 2MB x 64

(1) 1MB x 64

None

64MB

(1) 2MB x 64

(1) 2MB x 64

(1) 2MB x 64

(1) 2MB x 64

64MB

(1) 4MB x 64

(1) 4MB x 64

None

None

64MB

(1) 8MB x 64

None

None

None

72MB

(1) 4MB x 64

(1) 4MB x 64

(1) 1MB x 64

None

72MB

(1) 8MB x 64

(1) 1MB x 64

None

None

80MB

(1) 4MB x 64

(1) 4MB x 64

(1) 2MB x 64

None

80MB

(1) 8MB x 64

(1) 2MB x 64

None

None

96MB

(1) 4MB x 64

(1) 4MB x 64

(1) 4MB x 64

None

96MB

(1) 8MB x 64

(1) 4MB x 64

None

None

DRAM CONFIGURATION (CONT.)

Size

Bank 0

Bank 1

Bank 2

Bank 3

104MB

(1) 4MB x 64

(1) 4MB x 64

(1) 4MB x 64

(1) 1MB x 64

104MB

(1) 8MB x 64

(1) 4MB x 64

(1) 1MB x 64

None

112MB

(1) 4MB x 64

(1) 4MB x 64

(1) 4MB x 64

(1) 2MB x 64

112MB

(1) 8MB x 64

(1) 4MB x 64

(1) 2MB x 64

None

128MB

(1) 4MB x 64

(1) 4MB x 64

(1) 4MB x 64

(1) 4MB x 64

128MB

(1) 8MB x 64

(1) 8MB x 64

None

None

128MB

(1) 16MB x 64

None

None

None

136MB

(1) 8MB x 64

(1) 8MB x 64

(1) 1MB x 64

None

136MB

(1) 16MB x 64

(1) 1MB x 64

None

None

144MB

(1) 8MB x 64

(1) 8MB x 64

(1) 2MB x 64

None

144MB

(1) 16MB x 64

(1) 2MB x 64

None

None

160MB

(1) 8MB x 64

(1) 8MB x 64

(1) 4MB x 64

None

160MB

(1) 16MB x 64

(1) 4MB x 64

None

None

192MB

(1) 8MB x 64

(1) 8MB x 64

(1) 8MB x 64

None

192MB

(1) 16MB x 64

(1) 8MB x 64

None

None

200MB

(1) 8MB x 64

(1) 8MB x 64

(1) 8MB x 64

(1) 1MB x 64

200MB

(1) 16MB x 64

(1) 8MB x 64

(1) 1MB x 64

None

208MB

(1) 8MB x 64

(1) 8MB x 64

(1) 8MB x 64

(1) 2MB x 64

208MB

(1) 16MB x 64

(1) 8MB x 64

(1) 2MB x 64

None

224MB

(1) 8MB x 64

(1) 8MB x 64

(1) 8MB x 64

(1) 4MB x 64

224MB

(1) 16MB x 64

(1) 8MB x 64

(1) 4MB x 64

None

256MB

(1) 8MB x 64

(1) 8MB x 64

(1) 8MB x 64

(1) 8MB x 64

256MB

(1) 16MB x 64

(1) 8MB x 64

(1) 8MB x 64

None

256MB

(1) 16MB x 64

(1) 16MB x 64

None

None

264MB

(1) 16MB x 64

(1) 16MB x 64

(1) 1MB x 64

None

272MB

(1) 16MB x 64

(1) 16MB x 64

(1) 2MB x 64

None

288MB

(1) 16MB x 64

(1) 16MB x 64

(1) 4MB x 64

None

320MB

(1) 16MB x 64

(1) 16MB x 64

(1) 8MB x 64

None

384MB

(1) 16MB x 64

(1) 16MB x 64

(1) 16MB x 64

None

392MB

(1) 16MB x 64

(1) 16MB x 64

(1) 16MB x 64

(1) 1MB x 64

400MB

(1) 16MB x 64

(1) 16MB x 64

(1) 16MB x 64

(1) 2MB x 64

416MB

(1) 16MB x 64

(1) 16MB x 64

(1) 16MB x 64

(1) 4MB x 64

448MB

(1) 16MB x 64

(1) 16MB x 64

(1) 16MB x 64

(1) 8MB x 64

512MB

(1) 16MB x 64

(1) 16MB x 64

(1) 16MB x 64

(1) 16MB x 64

Note: Board accepts EDO and SDRAM.

CPU SPEED SELECTION

Speed

Clock speed

Multiplier

J3

J5

233MHz

66MHz

3.5x

Closed

5 & 6

266MHz

66MHz

4x

Closed

1 & 2, 3 & 4

300MHz

66MHz

4.5x

Closed

3 & 4

Note: Designated pins should be in the closed position.