COMPEX, INC.

PARAPORT2-E

Card Type

Network Interface Card

NIC Type

Ethernet

Maximum Onboard Memory

16KB RAM

Boot ROM

Unidentified

Network Transfer Rate

10Mbps

Topology

Linear Bus, Star

Wiring Type

Unshielded twisted pair

RG-58A/U 50ohm coaxial

Data Bus

25-pin parallel port - external

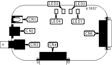
CONNECTIONS

Function

Label

Function

Label

DC power

CN1

DB-25 (male)

CN4

UTP connector

CN2

DB-25 Parallel port pass-through connector

CN5

RG-58A/U connector

CN3

   

DIAGNOSTIC LED(S)

LED

Color

Status

Condition

LED1

Yellow

On

Printer connection is good

LED1

Yellow

Blinking

Data is being transmitted to printer

LED1

Yellow

Off

Data is not being transmitted to printer

LED2

Red

Blinking

Data is being transmitted/recieved

LED2

Red

Off

Data is not being transmitted/recieved

LED3

Green

On

UTP link is good

LED3

Green

Off

UTP link is broken

LED4

Green

On

Power connection is good

LED4

Green

Off

Power connection is broken