LANCAST

4322-31

Card Type

Transceiver

NIC Type

Ethernet

Network Transfer Rate

10Mbps

Topology

Star

Wiring Type

AUI transceiver via DB-15 port, fiber optic cable

Data Bus

External

CONNECTIONS

Function

Label

Function

Label

AUI transceiver via DB-15

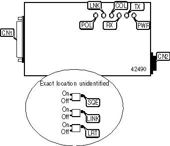
CN1

Fiber ST connector

CN2

DIAGNOSTIC LED(S)

LED

Color

Status

Condition

PWR

Unidentified

On

Power is being received from the DTE device

PWR

Unidentified

Off

Power is not being received from the DTE device

COL

Unidentified

On

Collision detected on network

COL

Unidentified

Off

No collision detected on network

TX

Unidentified

Blinking

Data is being transmitted

TX

Unidentified

Off

Data is not being transmitted

RX

Unidentified

Blinking

Data is being received

RX

Unidentified

Off

Data is not being received

LINK

Unidentified

On

UTP link is good

LINK

Unidentified

Off

UTP link is broken