ASKEY COMPUTER CORPORATION

MDM-DF1414/SF

Card Type

Modem

Chipset

Rockwell

Maximum Data Rate

14.4Kbps

Maximum Fax Rate

14.4Kbps

Data Bus

8-bit ISA

Fax Class

Unidentified

Data Modulation

Bell 103A/212A

ITU-T V.21, V.22, V.22bis, V.32, V.32bis

Fax Modulation

Unidentified

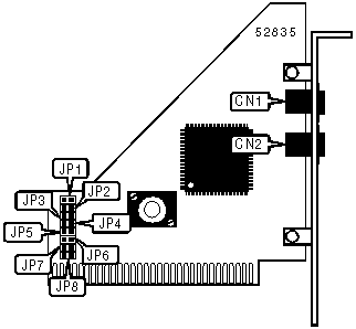
CONNECTIONS

Function

Label

Function

Label

Line in

CN1

Line out

CN2

INTERRUPT SELECTION

Setting

JP3

JP5

JP7

JP8

IRQ3

Open

Closed

Open

Open

IRQ4

Closed

Open

Open

Open

IRQ5

Open

Open

Closed

Open

IRQ7

Open

Open

Open

Closed

SERIAL PORT ADDRESS SELECTION

Setting

JP1

JP2

JP4

JP6

3F8h (COM1:)

Open

Closed

Closed

Open

2F8h (COM2:)

Open

Closed

Open

Closed

3E8h (COM3:)

Closed

Open

Closed

Open

2E8h (COM4:)

Closed

Open

Open

Closed

SUPPORTED STANDARD COMMANDS

The command set is unidentified.