ASPEN TECHNOLOGIES, INC.
14IRB
|
Card Type |
Modem (asynchronous) |
|
Chipset |
Sierra |
|
Maximum Data Rate |
14.4Kbps |
|
Maximum Fax Rate |
14.4Kbps |
|
Data Modulation |
Bell 103A, 212A ITU-T V.21, V.22, V.22bis, V.32, V.32bis |
|
Fax Modulation |
Unidentified |
|
Error Correction/Compression |
MNP5, V.42, V.42bis |
|
Fax Class |
Class I & II |
|
Data Bus |
8-bit ISA |
|
Card Size |
Half height, one-third length |

|
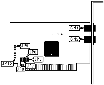
CONNECTIONS | |||
|
Function |
Label |
Function |
Label |
|
Telephone line |
CN1 |
Telephone line |
CN2 |
|
SERIAL PORT ADDRESS SELECTION | ||
|
Setting |
JP9 |
JP10 |
|
3F8h (COM1:) |
Pins 1 & 2 closed |
Pins 1 & 2 closed |
|
2F8h (COM2:) |
Pins 1 & 2 closed |
Pins 2 & 3 closed |
|
3E8h (COM3:) |
Pins 2 & 3 closed |
Pins 1 & 2 closed |
|
2E8h (COM4:) |
Pins 2 & 3 closed |
Pins 2 & 3 closed |
|
INTERRUPT SELECTION | ||||
|
Setting |
JP5 |
JP6 |
JP7 |
JP8 |
|
3 |
Open |
Open |
Open |
Closed |
|
4 |
Open |
Open |
Closed |
Open |
|
5 |
Open |
Closed |
Open |
Open |
|
7 |
Closed |
Open |
Open |
Open |
|
SUPPORTED STANDARD COMMANDS |
|
Basic AT Commands |
|
+++, ‘comma’, A/ |
|
A, D, E, H, L, M, O, P, Q, T, V, X, Y, Z |
|
&C, &D, &F, &T, &V, &W, &Y, &Z |
|
Extended AT Commands |
|
\Q |
|
%A, %C, %Q |
|
S-Registers |
|
S0, S1, S2, S3, S4, S5, S6, S7, S8, S9, S10, S12, S18, S25, S26, S38 |
Note: See MHI help file for complete information. |
|
UNIDENTIFIED COMMANDS | |
|
Command |
Default |
|
S40 |
Unidentified |
|
S41 |
Unidentified |
Proprietary AT Command Set
See ASPEN TECHNOLOGIES, INC. 28IDSSA for a full command summary.