ELSA, INC.

MICROLINK 14.4TQ

Card Type

Modem (asynchronous)

Chipset

Unidentified

Maximum Data Rate

14.4Kbps

Maximum Fax Rate

14.4Kbps

Data Modulation

Bell 103A, 212A

ITU-T V.21, V.22bis, V.23, V.32, V.32bis

Fax Modulation

ITU-T V.17, V.27ter, V.29, V.33

Error Correction/Compression

MNP5, V.42, V.42bis

Fax Class

Class I & II

Data Bus

Serial

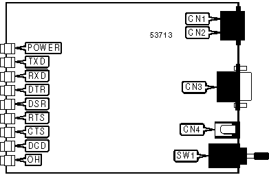
CONNECTIONS

Function

Label

Function

Label

Telephone line in

CN1

DC power in

CN4

Telephone line out

CN2

Power switch

SW1

Serial port

CN3

   

DIAGNOSTIC LED(S)

LED

Color

Status

Condition

POWER

Red

On

Power is on

POWER

Red

Off

Power is off

TXD

Red

On

Modem is transmitting data

TXD

Red

Off

Modem is not transmitting data

RXD

Red

On

Modem is receiving data

RXD

Red

Off

Modem is not receiving data

DTR

Red

On

DTR signal is high

DTR

Red

Off

DTR signal is low

DSR

Red

On

DSR signal is high

DSR

Red

Off

DSR signal is low

RTS

Red

On

RTS signal is high

RTS

Red

Off

RTS signal is low

DIAGNOSTIC LED(S) (CON'T)

LED

Color

Status

Condition

CTS

Red

On

CTS signal is high

CTS

Red

Off

CTS signal is low

DCD

Red

On

Carrier signal detected

DCD

Red

Off

Carrier signal not detected

OH

Red

On

Modem is off-hook

OH

Red

Off

Modem is on-hook

SUPPORTED STANDARD COMMANDS

Basic AT Commands

+++, ‘comma’, A/

A, B, E, H, L, M, O, P, T, V, X, Z

&D, &F, &S, &T, &V, &W, &Y, &Z

Extended AT Commands

\C, \J, \K, \N, \Q, \T, \X

%A, %C, %E

Special AT Commands

-J

S-Registers

S0, S1, S2, S3, S4, S5, S6, S7, S8, S10, S11, S12, S16, S21, S22, S25, S30, S38

Note: See MHI help file for complete information.

Proprietary AT Command Set

See ELSA, INC. MICROLINK 33.6TQV for a full command summary.