MOTOROLA, INC.

VANGUARD 311, VANGUARD 312, VANGUARD 311 PLUS, VANGUARD 312 PLUS

Card Type

ISDN to Ethernet router

Processor

Motorola 68360

Processor Speed

Unidentified

Chip Set

Unidentified

Maximum Onboard Memory

4MB DRAM/2MB Flash RAM

Network Transfer Rate

10Mbps

ISDN Transfer Rate

64Kbps x 2

Data Bus

External

ISDN Protocol

Unidentified

Switch Type

Unidentified

Topology

Linear Bus/Star

Wiring Type

Unshielded twisted pair

RG-58A/U 50ohm coaxial

Boot ROM

Not available

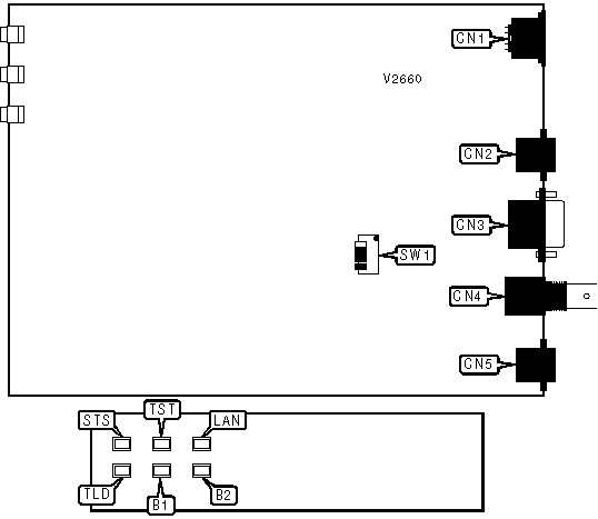
CONNECTIONS

Function

Label

Function

Label

DC power

CN1

RG-58A/U 50ohm coaxial connector

CN4

ISDN U line in

CN2

Unshielded twisted pair connector

CN5

CTP port

CN3

   

ISDN TERMINATION

Setting

SW1/1

SW1/2

SW1/3

SW1/4

100 ohm termination

On

On

On

On

Hi-Z termination

Off

Off

Off

Off

DIAGNOSTIC LED(S)

LED

Color

Status

Condition

STS

Green

On

Software is running

STS

Green

Off

Software not running

STS

Green

1s blink

Card is booting

STS

Green

.5s blink

Software is downloading

TST

Red

On

Test failed

TST

Red

Off

No test in progress or test passed

TST

Red

Blinking

Test in progress

LAN

Unidentified

Blinking

Card is transmitting or receiving from network

LAN

Unidentified

Off

Card is not transmitting or receiving from network

TLD

Orange

On

Card is transmitting or receiving from ISDN D-channel or POTS line

TLD

Orange

Off

Card is not transmitting or receiving from ISDN D-channel or POTS line

B1

Unidentified

On

Card is transmitting or receiving from ISDN B1-channel

B1

Unidentified

Off

Card is not transmitting or receiving from ISDN B1-channel

B2

Unidentified

On

Card is transmitting or receiving from ISDN B2-channel

B2

Unidentified

Off

Card is not transmitting or receiving from ISDN B2-channel

STS Status

TLD Status

Condition

Blinking

On

Software is downloading from remote