MOTOROLA, INC.

FT100 M

Card Type

T1 CSU/DSU, Ethernet

Chip Set

Unidentified

I/O Options

Monitor ports, alarm port

Network Transfer Rate

10Mbps

Topology

Star

Wiring Type

Unshielded twisted pair

Transfer Rate

1.544Mbps

Data Bus

Serial

Protocol

AMI, B8ZS

Frame Type

SF, ESF

CONNECTIONS

Function

Label

Function

Label

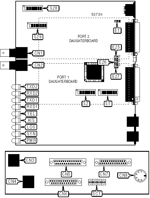
Monitor receive

CN1

Serial control port

CN6

Monitor transmit

CN2

DSX-1, RS-232, RS-449, RS-530, or V.35 serial data port 2 (on daughterboard)

CN7

T1 interface

CN3

DC power in

CN8

UTP connector

CN4

Alarm port (see pinout below)

SC1

DSX-1, RS-232, RS-449, RS-530, or V.35 serial data port 1 (on daughterboard)

CN5

   

Note:Standard serial ports are provided on included adapter cables.

SC1 PINOUT

Function

Pin

Function

Pin

Normally closed connection

1

Signal common

3

Normally open connection

2

Not used

4

USER CONFIGURABLE SETTINGS

Setting

Label

Position

»

Signal ground connected to chassis ground

E1

Pins 2 & 3 closed

 

Signal ground not connected to chassis ground

E1

Pins 1 & 2 closed

»

Factory configured - do not alter

S1/1

Unidentified

»

Factory configured - do not alter

S1/2

Unidentified

»

Factory configured - do not alter

S1/3

Unidentified

»

Factory configured - do not alter

S1/4

Unidentified

»

Factory configured - do not alter

S1/5

Unidentified

»

Factory configured - do not alter

S1/6

Unidentified

»

Factory configured - do not alter

S1/7

Unidentified

»

Factory configured - do not alter

S1/8

Unidentified

»

Factory configured - do not alter

S2/1

Unidentified

»

Factory configured - do not alter

S2/2

Unidentified

»

Factory configured - do not alter

S2/3

Unidentified

»

Factory configured - do not alter

S2/4

Unidentified

»

Factory configured - do not alter

S2/5

Unidentified

»

Factory configured - do not alter

S2/6

Unidentified

»

Factory configured - do not alter

S2/7

Unidentified

»

Factory configured - do not alter

S2/8

Unidentified

»

Factory configured - do not alter

S28/1

On

»

Factory configured - do not alter

S28/2

On

»

Factory configured - do not alter

S28/3

On

»

Factory configured - do not alter

S28/4

On

»

Factory configured - do not alter

S28/5

On

»

Factory configured - do not alter

S28/6

On

»

Factory configured - do not alter

S28/7

On

»

Factory configured - do not alter

S28/8

Off

USER CONFIGURABLE SETTINGS (CON’T)

Setting

Label

Position

»

One stop bit selected

S29/5

On

 

Two stop bits selected

S29/5

Off

»

8 data bits selected

S29/6

On

 

7 data bits selected

S29/6

Off

CONTROL PORT CONFIGURATION

Setting

E25

E26

E27

»

DCE

Pins 1 & 2, 3 & 4 closed

Pins 1 & 2, 3 & 4 closed

Pins 1 & 2, 3 & 4 closed

 

DTE

Pins 1 & 3, 2 & 4 closed

Pins 1 & 3, 2 & 4 closed

Pins 1 & 3, 2 & 4 closed

SERIAL PORT SPEED SELECTION

Setting

S29/1

S29/2

 

2400bps

Off

Off

 

4800bps

Off

On

 

9600bps

On

Off

»

19.2Kbps

On

On

DATA PARITY SELECTION

Setting

S29/3

S29/4

»

Disabled

On

N/A

 

Even

Off

On

 

Odd

Off

Off

FLOW CONTROL SELECTION

Setting

S29/7

S29/8

»

Flow control disabled

On

On

 

XON/XOFF flow control enabled

On

Off

 

RTS/CTS flow control enabled

Off

On

DIAGNOSTIC LED(S)

LED

Color

Status

Condition

TXD2

Green

On

Data is being transmitted to port 2

TXD2

Green

Off

Data is not being transmitted to port 2

RXD2

Green

On

Data is being received from port 2

RXD2

Green

Off

Data is not being received from port 2

TXD1

Green

On

Data is being transmitted to port 1

TXD1

Green

Off

Data is not being transmitted to port 1

RXD1

Green

On

Data is being received from port 1

RXD1

Green

Off

Data is not being received from port 1

YEL

Red

On

Yellow alarm condition detected

YEL

Red

Off

Yellow alarm condition not detected

AIS

Red

On

All Ones Signal detected

AIS

Red

Off

All Ones Signal not detected

DIAGNOSTIC LED(S) (CON’T)

LED

Color

Status

Condition

LOS

Red

On

Loss of signal detected

LOS

Red

Off

Loss of signal not detected

SYN

Green

On

Valid framing pattern received from T1 interface

SYN

Green

Off

Valid framing pattern not received from T1 interface

PWR

Green

On

Power is on

PWR

Green

Off

Power is off

USER CONFIGURABLE SETTINGS

Setting

Label

Position

»

Factory configured - do not alter

SW1

Off

»

Factory configured - do not alter

SW2

Off

»

Factory configured - do not alter

SW3

On

»

Factory configured - do not alter

SW4

On

»

Factory configured - do not alter

SW5

Off

»

Factory configured - do not alter

SW6

On

»

Factory configured - do not alter

SW7

Off

»

Factory configured - do not alter

SW8

Off

MISCELLANEOUS TECHNICAL NOTES

Diagram not available.

FT100 M (RS-449/530 INTERFACE)

MISCELLANEOUS TECHNICAL NOTES

Diagram not available.

The card's jumper(s) must be set for Test Mode operation.