RAD DATA COMMUNICATIONS

FOM-T1

Modem Type

Data (synchronous/asynchronous)

Maximum Data Rate

2.048Mbps

Data Bus

External

Data Modulation Protocol

Proprietary

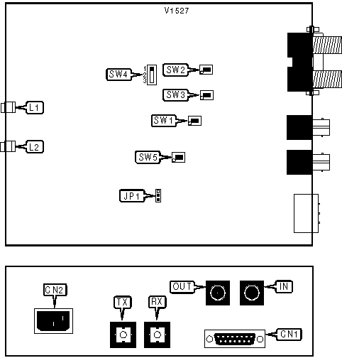
CONNECTIONS

Purpose

Location

Purpose

Location

DB-15

CN1

Receive fiber

RX

AC power

CN2

Coaxial connector out

OUT

Transmit fiber

TX

Coaxial connector in

IN

CHASSIS TO ELECTRICAL GROUND

Setting

JP1

» Connected

Pins 1 & 2 closed

Disconnected

Pins 2 & 3 closed

INPUT

Setting

SW2

Grounded

Off

» Floating

On

INTERFACE

Setting

SW4

» 100 Omhs-(DB-15) T1

Position 1 on

» 120 Omhs-(DB-15) E1

Position 2 on

75 Omhs-(BNC) E1

Position 3 on

OPTICAL AIS SIGNAL

Setting

SW5

» Off

Off

On

On

OUTPUT

Setting

SW3

Grounded

Off

» Floating

On

RANGE

Setting

SW1

» Short

Off

Long

On

DIAGNOSTIC LED(S)

LED

Color

Status

Condition

L1

Red

On

Power is on

L1

Red

Off

Power is off

L2

Red

On

Optical signal below -43dBm

L2

Red

Off

All link equipment operating