PRACTICAL PERIPHERALS, INC.

PM144HC II (VER. 2)

Card Type

Modem (asynchronous)

Chipset

Unidentified

Maximum Data Rate

14.4Kbps

Maximum Fax Rate

14.4Kbps

Data Bus

8-bit ISA

Fax Class

Class I & II

Data Modulation

Bell 103A/212A

ITU-T V.21, V.22, V.22bis, V.32, V.32bis

Fax Modulation

V.17, V.27ter, V.29

Error Correction/Compression

MNP5, V.42bis

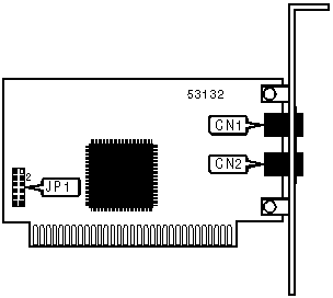
CONNECTIONS

Function

Label

Function

Label

Line in/out

CN1

Line in/out

CN2

SERIAL PORT ADDRESS SELECTION

Setting

JP1

3F8h (COM1:)

Pins 1 & 2, 7 & 8 closed

2F8h (COM2:)

Pins 1 & 2, 8 & 9 closed

3E8h (COM3:)

Pins 2 & 3, 7 & 8 closed

2E8h (COM4:)

Pins 2 & 3, 8 & 9 closed

INTERRUPT SELECTION

Setting

JP1

IRQ2

Pins 10 & 11 closed

IRQ3

Pins 11 & 12 closed

IRQ4

Pins 5 & 6 closed

IRQ5

Pins 4 & 5 closed

SUPPORTED STANDARD COMMANDS

Basic AT Commands

+++, ‘comma’, A/

A, D, E, H, L, M, N, Q, V, W, X, Y, Z

&D, &F, &K, &V, &W, &Y, &Z

S-Registers

S0, S1, S2, S3, S4, S5, S6, S7, S8, S9, S10, S11, S12, S18, S25, S30, S36, S38, S46, S48, S82

S86, S95, S108, S109, S110

Note: See MHI documentation for complete information.

UNIDENTIFIED COMMANDS

Command

Default

S37

0

S43

0

Proprietary AT Command Set

AUTO-ANSWER MODE

Type:

Configuration

Format:

AT [cmds] &An [cmds]

Description:

Sets the mode the modem will operate in on auto-answer.

Command

Function

í &A0

Modem auto-answers in answer mode.

&A1

Modem auto-answers in originate mode.

AUTO-RETRAIN

Type:

Configuration

Format:

AT [cmds] &Bn [cmds]

Description:

Selects whether the modem will automatically perform a retrain sequence when line conditions change.

Command

Function

&B0

Auto-retrain disabled.

í &B1

Auto-retrain enabled.

CD SIGNAL

Type:

Configuration

Format:

AT [cmds] &Cn [cmds]

Description:

Controls the behaviour of the CD signal.

Command

Function

í &C0

CD forced high.

&C1

CD forced high after carrier signal is detected.

&C2

CD forced high except during disconnect.

COMMUNICATIONS MODE

Type:

Configuration

Format:

AT [cmds] &Qn [cmds]

Description:

Selects the communications mode the modem will use.

Command

Mode

&Q0

Asynchronous direct mode.

í &Q5

Asynchronous V.42 reliable mode.

&Q6

Buffered asynchronous mode.

&Q8

Asynchronous MNP reliable mode.

&Q9

Asynchronous V.42bis only mode.

DISPLAY INFORMATION

Type:

Immediate

Format:

AT [cmds] In [cmds]

Description:

Displays information requested about the modem.

Command

Function

I0

Displays product identification code.

I1

Displays ROM checksum.

I2

Tests and reports ROM checksum.

I3

Displays firmware revision.

I4

Displays feature bitmap.

EXTENDED RING

Type:

Register

Format:

AT [cmds] S101=n [cmds]

Default:

0

Range:

0-255

Unit:

Bit-mapped

Description:

Selects which extended ring types the modem will respond to.

Bit

Value

Function

0

í 0

1

Do not respond to ring type A.

Respond to ring type A.

1

í 0

1

Do not respond to ring type B.

Respond to ring type B.

2

í 0

1

Do not respond to ring type C.

Respond to ring type C.

3

í 0

1

Do not respond to ring type D.

Respond to ring type D.

4

í 0

1

Do not respond to ring type E.

Respond to ring type E.

5

í 0

1

Do not respond to ring type F.

Respond to ring type F.

6

í 0

1

Do not respond to ring type G.

Respond to ring type G.

7

í 0

1

Report RING for all ring types.

Report RING n where n is the ring type.

ON-LINE

Type:

Immediate

Format:

AT [cmds] On

Description:

Instructs the modem to return to on-line state.

Command

Function

O0

Return to on-line state.

O1

Return to on-line state and initiate retrain sequence.

O3

Return to on-line state and initiate renegotiation sequence.

PROTOCOL

Type:

Configuration

Format:

AT [cmds] Bn [cmds]

Description:

Selects the communication protocol for low-speed data calls.

Command

Protocol

B0

Modem will use ITU-T V.22 at 1200bps.

í B1

Modem will use Bell 212A at 1200bps.

B2

Modem will use ITU-T V.23 at receive 1200/transmit 75bps.

B3

Modem will use ITU-T V.23 at receive 75/transmit 1200bps.

B15

Modem will use ITU-T V.21 at 300bps.

í B16

Modem will use Bell 103A at 300bps.

TRELLIS CODING

Type:

Configuration

Format:

AT [cmds] &Un [cmds]

Description:

Selects whether the modem will use trellis coding.

Command

Function

í &U0

Trellis coding enabled.

&U1

Trellis coding disabled.