TOSHIBA
T1100PLUS MODEM (VER.1)/T1200 MODEM/T3100 MODEM (VER.1)/T5100 MODEM/T5200 MODEM
|
Card Type |
Modem (asynchronous) |
|
Chip Set |
Unidentified |
|
Maximum Data Rate |
2400bps |
|
Data Bus |
Internal/Toshiba bus |
|
Data Modulation Protocol |
Bell 103/212A ITU-T V.21, V.22, V.22bis |

|
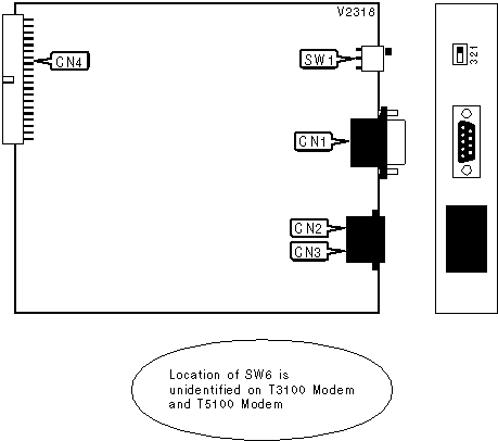
CONNECTIONS | ||||||
|
Function |
Label |
Function |
Label | |||
|
RS-232-C |
CN1 |
Line in |
CN3 | |||
|
Line out |
CN2 |
Proprietary connection to computer |
CN4 | |||
|
POWER | |
|
Setting |
SW1 |
|
Auto-start with telecommunication software |
Position 1 |
|
Serial port in use/modem disabled |
Position 2 |
|
On |
Position 3 |
|
PORT ADDRESS | ||
|
Modem |
Serial Port |
SW6 |
|
COM1 (3F8h) |
COM2 (2F8h) |
Up |
|
COM2 (2F8h) |
COM1 (3F8h) |
Down |
Only T3100 and T5100 has SW6, T1100PLUS and T1200 are defaulted to COM2, T1600 uses software to determine the COM setting, T5200 uses the SETUP program to set the COM port. | ||
When SW1 is set to position 2 (serial port in use), serial port address is used. | ||
|
SUPPORTED COMMAND SET |
|
Basic AT Commands |
|
AT, ‘+++’, ‘Comma’, ‘Semicolon, A/ |
|
A, B, C, E, F, H, I, L, M, O, P, Q, S, T, V, X, Y, Z |
|
&C, &D, &F, &G, &P, &T, &W, &Y, &Z |
|
S Registers |
|
S0, S1, S2, S3, S4, S5, S6, S7, S8, S9, S10, S11, S12, S14, S16, S18, S21, S22, S25 |
|
Note: See MHI Help file for full command documentation. |
Proprietary AT Command Set
|
BIT-MAPPED REGISTER S23 | ||
|
Format |
AT [cmds] S23=n [cmds] | |
|
Default: |
Unidentified | |
|
Range: |
0-55 | |
|
Unit: |
Bit-mapped | |
|
Description: |
Grants/denies remote digital loopback, controls DTE rate and parity. | |
|
Bit |
Value |
Function |
|
0 |
0 1 |
Remote digital loopback denied Remote digital loopback allowed |
|
2, 1 |
00 01 10 11 |
Sets serial port speed to 0-300bps Not used Sets serial port speed to 1200bps Sets serial port speed to 2400bps |
|
3 |
0 |
Not used |
|
5, 4 |
00 01 10 11 |
Parity even Space Parity Parity odd Mark or No Parity |
|
BIT-MAPPED REGISTER S27 | ||
|
Format |
AT [cmds] S27=n [cmds] | |
|
Default: |
Unidentified | |
|
Range: |
0-116 | |
|
Unit: |
Bit-mapped | |
|
Description: |
Selects ITU-T/Bell modes. | |
|
Bit |
Value |
Function |
|
1, 0 |
í 00 |
Not used |
|
2 |
0 |
Not used |
|
3 |
í 0 |
Not used |
|
5, 4 |
00 |
Not used |
|
6 |
0 1 |
ITU/T mode Bell mode |
|
DIAL | |
|
Type: |
Immediate |
|
Format: |
AT [cmds] D<#> [cmds] |
|
Description: |
Dials telephone number according to any modifiers included in the string |
|
Note: |
Any combination of modifiers can be used to produce the desired dial functions in sequence. |
|
Command |
Function |
|
DP |
Pulse dialing enabled |
|
DR |
Answer mode enabled; originate mode disabled following handshake initiation. |
|
DS=n |
Dial stored telephone number n |
|
DT |
Tone dialing enabled/Pulse dialing disabled |
|
DW |
Dialing resumed following dial tone detection |
|
D, |
Dialing paused for amount of time specified in S8 register |
|
D! |
Flash function initiated. Modem commanded to go off-hook for specified time before returning on-hook. |
|
D@ |
Wait for Quite Answer function enabled. Modem waits until a "quiet answer," a ring-back signal followed by silence up to the time specified in S7, is received prior to executing the rest of the dial string. |
|
/ |
Pause for .125 second |
|
D; |
Modem returned to idle state after dialing. The semicolon can only be placed at the end of the dial command. |