QDI COMPUTER, INC.

TVGA8900CL

Card Type

Video card

Video Chip Set

Trident

Maximum Video Memory

1MB

Video Types Supported

Monochrome, CGA, EGA, VGA

Highest Resolution Supported

1024 x 768

Data Bus

16-bit ISA

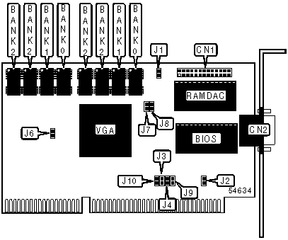
CONNECTIONS

Function

Label

Function

Label

Feature connector

CN1

Video port

CN2

USER CONFIGURABLE SETTINGS

Function

Label

Position

»

Factory configured - do not alter

J3

Unidentified

»

Factory configured - do not alter

J4

Unidentified

 

Non-interlaced mode

J7

Open

 

Interlaced mode

J7

Closed

 

Enable BIOS autodetect (8 or 16-bit interface)

J8

Open

 

Disable BIOS autodetect (8-bit interface)

J8

Closed

WAIT STATE SELECTION

Wait state

J1

J2

Enabled

Open

Closed

Disabled

Closed

Open

VIDEO MEMORY CONFIGURATION (DRAM/VRAM)

Size

Bank 0

Bank 1

Bank 2

256KB

(2) 128KB x 8

None

None

512KB

(2) 128KB x 8

(2) 128KB x 8

None

1MB

(2) 128KB x 8

(2) 128KB x 8

(4) 128KB x 8

SLOT SIZE SELECTION

Slot size

J6

J9

J10

8-bit

Closed

Closed

Open

16-bit

Open

Open

Closed

Note: J8 must be open to allow for a 16-bit interface.