Project Gutenberg's Hawkins Electrical Guide v. 7 (of 10), by Hawkins
This eBook is for the use of anyone anywhere in the United States and most
other parts of the world at no cost and with almost no restrictions
whatsoever. You may copy it, give it away or re-use it under the terms of
the Project Gutenberg License included with this eBook or online at
www.gutenberg.org. If you are not located in the United States, you'll have
to check the laws of the country where you are located before using this ebook.
Title: Hawkins Electrical Guide v. 7 (of 10)
Questions, Answers, & Illustrations, A progressive course
of study for engineers, electricians, students and those
desiring to acquire a working knowledge of electricity and
its applications
Author: Hawkins
Release Date: June 21, 2015 [EBook #49253]
Language: English
Character set encoding: ASCII
*** START OF THIS PROJECT GUTENBERG EBOOK HAWKINKS ELECTRICAL GUIDE ***
Produced by Richard Tonsing, Juliet Sutherland and the
Online Distributed Proofreading Team at http://www.pgdp.net
The cover image was created by the transcriber and is placed in the public domain.
THE THOUGHT IS IN THE QUESTION THE INFORMATION IS IN THE ANSWER
A PROGRESSIVE COURSE OF STUDY FOR ENGINEERS, ELECTRICIANS, STUDENTS AND THOSE DESIRING TO ACQUIRE A WORKING KNOWLEDGE OF
ELECTRICITY AND ITS APPLICATIONS
A PRACTICAL TREATISE
by
HAWKINS AND STAFF
COPYRIGHTED, 1915,
BY
THEO. AUDEL & CO.,
New York.
Printed in the United States.
| ALTERNATING CURRENT SYSTEMS | 1,531 to 1,586 |
|---|---|
| Advantages of the alternating current—classification of systems—vector summation; examples—forms of circuit: series, parallel, parallel series, series parallel—transformer systems: individual transformers; transformation at distribution centers—single phase system; two wire transmission and three wire distribution; objections to single phase systems; advantages—monocyclic system—two phase systems: adaptation; ordinary voltages used; two phase three wire system; two phase five wire system—three phase systems: six wire; four wire; three wire; connections: star, delta, star delta, delta star; evolution of three wire system; pressure and current relations; connection of transformers; open delta connection—change of frequency—Schaghticoke-Schenectady transmission line—transformation of phases: three to one, three to two, two to six, and three to six phase—Scott connection for transforming from three to two phase—three to two phase with three star connected transformers—economy of a.c. systems—relative weights of copper required for polyphase systems—aermotor towers of Southern Power Co.—choice of voltage—usual transmission voltages—diagram of three phase distribution—mixed current systems; usual d.c. pressure on traction lines; use of mixed systems. | |
| AUXILIARY APPARATUS | 1,587 to 1,588 |
| Classification of auxiliary devices: switching devices, types—current or pressure limiting devices, types—lightning protection devices, types—regulating devices, types—synchronous condensers, types—indicating devices. [Pg iv] | |
| SWITCHING DEVICES | 1,589 to 1,612 |
| Definition of a switch—behaviour of the current when the circuit is broken—points on design—installation of single throw and double throw switches—plug switches—forms of break: open, enclosed, fuse, horn, oil—disconnecting switches—pole top switches—horn break switches—motor starting switch—oil switches; nature of an oil break—remote control oil switches—motor operated switches—rupturing capacity of oil switches—float switches. | |
| CURRENT AND PRESSURE LIMITING DEVICES | 1,613 to 1,676 |
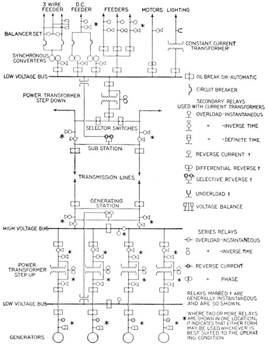
| Necessity for these devices; steam analogy—fuses: advantages and disadvantages; types: plug, cut out, expulsion, no arc, magnetic blow out, quick break fuse, etc.—metal used—current limiting inductances: construction, location—circuit breakers: progressive breaking of the circuit; carbon contacts—automatic features: overload trip, underload trip, low voltage trip, auxiliary circuit trip—relays: adaptation; classification: protective, regulative, communicative, a.c. and d.c., circuit opening, circuit closing, primary, secondary, overload, underload, over voltage, low voltage, reverse energy, reverse phase, instantaneous, time limit, inverse time limit, differential—how to select relays. | |
| LIGHTNING PROTECTION DEVICES | 1,677 to 1,714 |
| Essential parts: air gaps, resistances, inductances, arc suppressing devices—requirements—air gap arresters—multi-gap arresters; difference between spark and arc; distribution of stress; sparking at the gaps; how the arc is extinguished; effect of frequency; graded shunt resistances; the cumulative or breaking back effect—arresters for grounded Y and non-grounded neutral systems—multiplex connection—horn gap arresters: operation; objection to the horn gap—electrolytic arresters: critical voltage, temporary and permanent; determination of number of cell; putting cell in commission; nature of the film; horn gaps on electrolytic arresters; charging of electrolytic arresters; charging arresters for non-grounded circuits—grounded and non-grounded neutral circuits—[Pg v]ground connections—choke coils: principal objects; principal electrical conditions to be avoided; why choke coils are made in the form of an hour glass; cooling—static interrupters; how to connect condenser and choke coil; effect of condenser. | |
| REGULATING DEVICES | 1,715 to 1,762 |
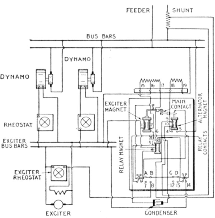
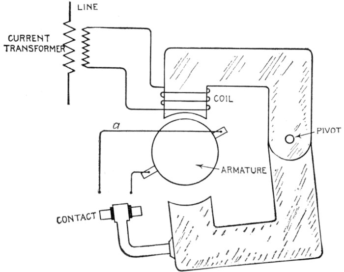
| Regulation of alternators—a.c. feeder regulation—application of induction type regulators; types: induction, and variable ratio transformer regulators; operation of induction regulators; neutral position; regulator capacity—polyphase induction regulators: construction, operation; automatic control; why two relays are used; difficulties encountered in operation of relays; vibration or chattering of the contacts; poor contact of primary relay—variable ratio transformer voltage regulators: types: drum, and dial; dial type for high voltage—small feeder voltage regulators: construction and operation; adjustment—automatic voltage regulators for alternators: method of regulation—line drop compensators: essential parts; connections; construction and operation; diagram of automatic voltage regulator using a line drop compensator—starting compensators: necessity for; construction and operation—star delta switches. | |
| SYNCHRONOUS CONDENSERS | 1,763 to 1,776 |
| Characteristics—effect of fully loaded and lightly loaded induction motors on the power factor—synchronous motor used as condenser—effects of low lagging power factors; example—cost of synchronous condenser vs. cost of copper—location of condenser—synchronous condenser calculations and diagram for same. | |
| INDICATING DEVICES | 1,777 to 1,838 |
| Virtual value of an alternating current or pressure—the word effective erroneously used for virtual: steam engine analogy illustrating this error—classification of instruments: electromagnetic or moving wire, hot wire, induction, dynamometer—electromagnetic or moving iron instruments: types: plunger, inclined coil, magnetic vane; [Pg vi]character of scale; objections and precautions—inclined coil instruments—magnetic vane instruments—hot wire instruments—induction instruments: types: shielded pole, rotary field; operation of both types—dynamometers: construction and operation; how arranged to measure watts—watthour meters: types: commutator, induction, Faraday disc; essential parts; object of the motor; object of generator; objection to commutator meter—principles of induction watthour meters: essential parts; strength of rotating field; moving element; retarding element; registering element; frame and bearings; friction compensator; power factor adjustment; frequency adjustment—Faraday disc, or mercury motor ampere hour meter: construction and operation—frequency indicators: types: synchronous motor, resonance, induction; synchronous motor as frequency indicator—resonance frequency indicators: adaptation—induction frequency meter: construction and operation—synchronism indicators: types: lamp or voltmeter, resonance or vibrating reed, rotating field—power factor indicators: wattmeter type; disc, or rotating field type—ground detectors. | |
The facility with which alternating current can be transformed from one voltage to another, thus permitting high pressure transmission of electric energy to long distances through small wires, and low pressure distribution for the operation of lighting systems and motors, gives a far greater variety of systems of transmission and distribution than is possible with direct current.
Furthermore, when the fact that two phase current can be readily transformed into three phase current, and these converted into direct current, and vice versa, by means of rotary converters and rectifiers, is added to the advantages derived by the use of high tension systems, it is apparent that the opportunity for elaboration becomes almost unlimited. These conditions have naturally tended toward the development of a great variety of systems, employing more or less complicated circuits and apparatus, and although alternating current practice is still much less definite than direct current work, certain polyphase systems are now being generally accepted as representing the highest standards of power generation, transmission and distribution.
A classification of the various alternating current systems, to be comprehensive, should be made according to several points of view, as follows:
1. With respect to the arrangement of the circuit, as
2. With respect to transformation, as
3. With respect to the mode of transmitting the energy, as
4. With respect to the kind of current, as
5. With respect to transmission and distribution, as
In order to comprehend the relative advantages of the various alternating current systems, it is first necessary to understand the principle of vector summation.
Vector Summation.—This is a simple geometrical process for ascertaining the pressure at the free terminals of alternating current circuits. The following laws should be carefully noted:
1. If two alternating pressures which agree in phase are connected together in series, the voltage at the free terminals of the circuit will be equal to their arithmetical sum, as in the case of direct currents.
Fig. 2,123.—Vectors. A vector is defined as: a line, conceived to have both a fixed length and a fixed direction in space, but no fixed position. Thus A and B are lines, each having a fixed length, but no fixed direction. By adding an arrow head the direction is fixed and the line becomes a vector, as for example vector C. The fixed length is usually taken to represent a definite force, thus the fixed length of vector C is 4.7 which may be used to represent 4.7 lbs., 4.7 tons, etc., as may be arbitrarily assumed.
When there is phase difference between the two alternating pressures, connected in series, the following relation holds:
2. The value of the terminal voltage will differ from their arithmetical sum, depending on the amount of their phase difference.
When there is phase difference, the value of the resultant is conveniently obtained as explained below.
Ques. How are vector diagrams constructed for obtaining resultant electric pressure?
Ans. On the principle of the parallelogram of forces.
Ques. What is understood by the parallelogram of forces?
Ans. It is a graphical method of finding the resultant of two forces, according to the following law: If two forces acting on a point be represented in direction and intensity by adjacent sides of a parallelogram, their resultant will be represented by the diagonal of the parallelogram which passes through the point.
Fig. 2,124.—Parallelogram of forces. OC is the resultant of the two forces OA and OB. The length and direction of the lines represent the intensity and direction of the respective forces, the construction being explained in the accompanying text.
Thus in fig. 2,124, let OA and OB represent the intensity and direction of two forces acting at the point O, Draw AC and BC, respectively parallel to OB and OA, completing the parallelogram, then will OC, the diagonal from the point at which the forces act, represent the intensity and direction of the resultant, that is, of a force equivalent to the combined action of the forces OA and OB, these forces being called the components of the force OC.
Ques. Upon what does the magnitude of the resultant of two forces depend?
Ans. Upon the difference in directions in which they act, as shown in figs 2,125 to 2,128.
Ques. Is the parallelogram of forces applied when the difference in direction or "phase difference" of two forces is 90 degrees?
Ans. It is sometimes more conveniently done by calculation according to the law of the right angle triangle.
Figs. 2,125 to 2,128.—Parallelograms of forces showing increase in magnitude of the resultant of two forces, as their difference of direction, or electrically speaking, their phase difference is diminished. The diagrams show the growth of the resultant of the two equal forces OA and OB as the phase difference is reduced from 165° successively to 120, 60, and 15 degrees.
According to this principle, if two alternating pressures have a phase difference of 90 degrees they may be represented in magnitude and direction by the two sides of a right angle triangle as OA and OB in fig. 2,129; then will the hypotenuse AB represent the magnitude and direction of the resultant pressure. That is to say, the resultant pressure
AB = √((OA)2 + (OB)2) (1)
[Pg 1536]EXAMPLE.—A two phase alternator is wound for 300 volts on one phase and 200 volts on the other phase, the phase difference being 90°. If one end of each winding were joined so as to form a single winding around the armature, what would be the resultant pressure?
By calculation, substituting the given values in equation (1),
Resultant pressure = √(3002 + 2002) = √(130,000) = 360.6 volts.
This is easily done graphically as in fig. 2,129 by taking a scale, say, 1" = 100 volts and laying off OA = 3" = 300 volts, and at right angles OB = 2" = 200 volts, then by measurement AB = 3.606" = 360.6 volts.
Fig. 2,129.—Method of obtaining the resultant of two component pressures acting at right angles by solution of right angle triangle. The equation of the right angle triangle is explained at length in Guide No. 5, page 1,070.
Ques. When the two pressures are equal and the phase difference is 90°, is it necessary to use equation (1) to obtain the resultant?
Ans. No. The resultant is obtained by simply multiplying one of the pressures by 1.41.
This is evident from fig. 2,130. Here the two pressures OA and OB are equal as indicated by the dotted arc. Since they act at right angles, OB is drawn at 90° to OA. According to the equation of the right angle triangle, the resultant AB = √(12 + 12) = √2 = 1.4142 which ordinarily is taken as 1.41.
[Pg 1537]This value will always represent the ratio between the magnitude of the resultant and the two component forces, when the latter are equal, and have a phase difference of 90 degrees.
Forms of Circuit.—Alternating current systems of distribution may be classed, with respect to the kind of circuit used, in a manner similar to direct current systems, that is, they may be called series, parallel, series parallel, or parallel series systems, as shown in figs. 2,131 to 2,134.
Fig. 2,130.—Diagram for obtaining the resultant of two equal component pressures acting at right angles.
Series Circuits.—These are used in arc lighting, and series incandescent lighting, a constant current being maintained; also for[Pg 1538] constant current motors and generators supplying secondary circuits.
Figs. 2,131 to 2,134.—Various forms of circuit. These well known forms of circuit are used in both alternating and direct current systems. The simple series circuit, fig. 2,131, is suitable for constant current arc lighting. Fig. 2,132, shows the parallel constant pressure circuit; this form of circuit is largely used but is seldom connected direct to the alternator terminals, but to a step down transformer, on account of the low pressure generally required. Fig. 2,133 illustrates a parallel series circuit, and 2,134, a series parallel circuit.
Several forms of constant current alternator, analogous to the Thompson-Houston and Brush series arc dynamos, have[Pg 1539] been introduced. In the design of such alternators self-induction and armature reaction are purposely exaggerated; so that the current does not increase very much, even when the machine is short circuited. With this provision, no regulating device is required.
Fig. 2,135.—Typical American overhead 6,600 volt single phase interurban trolley line, Baltimore and Annapolis short line, Annapolis, Md.
An objectionable feature is that the voltage of a constant current alternator will rise very high if the circuit be opened, because it is then relieved of inductance drop and armature reaction.
To guard against a dangerous rise of voltage, a film cut out or equivalent device is connected to the terminal of each machine so that it will short circuit the latter if the voltage rise too high.
Ques. What advantage have constant current alternators over constant current dynamos?
Ans. The high pressure current is delivered to the external circuit without a commutator, hence there is no sparking difficulty.
The above relates to the revolving field type of alternator. There are, however, alternators in which the armature revolves, the current being delivered to the external circuit through collector rings and brushes. This type of alternator, it should be noted, is for moderate pressures, and moreover there is no interruption to the flow of the current such as would be occasioned by a tangential brush on a dynamo in passing from one commutator segment to the next.
In the revolving field machine, though the armature current be of very high pressure, the field current which passes through the brushes and slip rings is of low pressure and accordingly presents no transmission difficulties.
Fig. 2,136.—Diagram of parallel circuit. It is a constant pressure circuit and is very widely used for lighting and power. If each lamp takes say ½ ampere, the current flowing in the circuit will vary with the number of lamps in operation; in the above circuit with all lamps on, the current is ½ × 5 = 2½ amperes.
Ques. State a disadvantage.
Ans. Some source of direct current for field excitation is required.
Ques. In a constant current series system, upon what does the voltage at the alternator depend?
Ans. The number of devices connected in the circuit, the volts required for each, and the line drop.
Parallel Circuits.—These are used for constant pressure operation. Such arrangement provides a separate circuit for each unit making them independent so that they may vary in size and each one can be started or stopped without interfering with the others. Parallel circuits are largely used for incandescent lighting, and since low pressure current is commonly used on such circuits they are usually connected to step down transformers, instead of direct to the alternators.
Fig. 2,137.—Diagram of parallel series circuit, showing fall of pressure between units. This system is very rarely used; it has the disadvantage that if a lamp filament breaks, the resistance of the circuit is altered and the strength of the current changed. The voltmeter shows the fall of pressure along the line. It should be noted that, although the meter across AB is shown as registering zero pressure, there is, strictly speaking, a slight pressure across AB, in amount, being that required to overcome the resistance of the conductor between A and B.
Parallel Series Circuits.—Fig. 2,137 shows the arrangement of a parallel series circuit and the pressure conditions in same. Such a circuit consists of groups of two or more lamps or other devices connected in parallel and these groups connected in series.
Such a circuit, when used for lighting, obviously has the disadvantage that if a lamp filament breaks, the resistance of the group is increased, thus reducing the current and decreasing the brilliancy of the lamps. This arrangement accordingly does not admit of turning off any of the lights.
Series Parallel Circuits.—The arrangement of circuits of this kind is shown in fig. 2,134; they are used to economize in copper since by joining groups of low pressure lamps in series they may be supplied by current at correspondingly higher pressure.
Thus, if in fig. 2,134, 110 volt, ½ ampere lamps be used, the pressure on the mains, that is, between any two points as A and B would be 110 × 3 = 330 volts. Each group would require ½ ampere and the five groups ½ × 5 = 2½ amperes.
Fig. 2,138.—44,000 volt lines entering the Gastonia sub-station of the Southern Power Co. The poles used are of the twin circuit two arm type, built of structural steel, their height varying from 45 to 80 feet, the latter weighing 9,000 pounds each. These poles have their bases weighted with concrete.
Transformer Systems.—Nearly all alternating current systems are transformer systems, since the chief feature of alternating current is the ease with which it may be transformed from one pressure to another. Accordingly, considerable economy in copper may be effected by transmitting the current at high pressure, especially if the distance be great, and, by means of step down transformers, reducing the voltage at points where the current is used or distributed.
Ordinarily and for lines of moderate length, current is sent out direct from the alternator to the line and transformed by step down transformers at the points of application.
With respect to the step down transformers, there are two arrangements:
Fig. 2,139.—Diagram of transformer system with individual transformers. The efficiency is low, but such method of distribution is necessary in sparsely settled or rural districts.
Individual transformers, that is, a separate transformer for each customer is necessary in rural districts where the intervening distances are great as shown in fig. 2,139.
Ques. What are the objections to this method of distribution?
Ans. It requires the use of small transformers which are necessarily less efficient and more expensive per kilowatt than large transformers. The transformer must be built to carry, within its overload capacity, all the lamps installed by the customer since all may be used occasionally.
Usually, however, only a small part of the lamps are in use, and those only for a small part of the day, so that the average load on the transformer is a very small part of its capacity. Since the core loss continues whether the transformer be loaded or not, but is not paid for by the customer, the economy of the arrangement is very low.
In the second case, where one large transformer may be placed at a distribution center, to supply several customers, as in fig. 2,140, the efficiency of the system is improved.
Ques. Why is this arrangement more efficient than when individual transformers are used?
Fig. 2,140.—Diagram of transformer system with one transformer located at a distribution center and supplying several customers as A, B, and C. Such arrangement is considerably more efficient than that shown in fig. 2,139, as explained in the accompanying text.
Ans. Less transformer capacity is required than with individual transformers.
Ques. Why is this?
Ans. With several customers supplied from one transformer it is extremely improbable that all the customers will burn all their lamps at the same time. It is therefore unnecessary to install a transformer capable of operating the full load, as is necessary with individual transformers.
Ques. Does the difference in transformer capacity represent all the saving?
Ans. No; one large transformer is more efficient than a number of small transformers.
Ques. Why?
Ans. The core loss is less.
For instance, if four customers having 20 lamps each were supplied from a single transformer, the average load would be about 8 lamps, and at most not over 10 or 15 lamps, and a transformer carrying 30 to 35 lamps at over load would probably be sufficient. A 1,500 watt transformer would therefore be larger than necessary. At 3 per cent. core loss, this gives a constant loss of 45 watts, while the average load of 8 lamps for 3 hours per day gives a useful output of 60 watts, or an all year efficiency of nearly 60 per cent., while a 1,000 watt transformer would give an all year efficiency of 67 per cent.
For long distance transmission lines, the voltage at the alternator is increased by passing the current through a step up transformer, thus transmitting it at very high pressure, and reducing the voltage at the points of distribution by step down transformers as in fig. 2,141.
Fig. 2,141.—Diagram illustrating the use of step up and step down transformers on long distance transmission lines. The saving in copper is considerable by employing extra high voltages on lines of moderate or great length as indicated by the relative sizes of wire.
Ques. In practice, would such a system as shown in fig. 2,141 be used?
Ans. If the greatest economy in copper were aimed at, a three phase system would be used.
The purpose of fig. 2,141 is to show the importance of the transformer in giving a flexibility of voltage, by which the cost of the line is reduced to a minimum.
Ques. Does the saving indicated in fig. 2,141 represent a net gain?
Ans. No. The reduction in cost of the transmission is partly offset by the cost of the transformers as well as by transformer losses and the higher insulation requirements.
Fig. 2,142.—Single and twin circuit poles (Southern Power Co.). The twin circuit pole at the right is used for 11,000 volt circuits, while the single circuit poles at the left carry 44,000 volt conductors, being used on another division for 100,000 volt line.
Every case of electric transmission presents its own problem, and needs thorough engineering study to intelligently choose the system best adapted for the particular case.
Single Phase Systems.—There are various arrangements for transmission and distribution classed as single phase systems. Thus, single phase current may be conveyed to the various[Pg 1547] receiving units by the well known circuit arrangements known as series, parallel, series parallel, parallel series, connections previously described and illustrated in figs. 2,131 to 2,134.
Again single phase current may be transmitted by two wires and distributed by three wires. This is done in several ways, the simplest being shown in fig. 2,143.
Fig. 2,143.—Diagram illustrating single phase two wire transmission and three wire distribution. The simplified three wire arrangement at A, is not permissible except in cases of very little unbalancing. Where the difference between loads on each side of the neutral may be great some form of balancing as an auto-transformer or equivalent should be used, as at B.
Ques. Under what conditions is the arrangement shown in fig. 2,143 desirable?
Ans. This method of treating the neutral wire is only permissible where there is very little unbalancing, that is, where the load is kept practically the same on both sides of the neutral.
Ques. What advantage is obtained by three wire distribution?
Ans. The pressure at the alternator can be doubled, which means, for a given number of lamps, that the current is reduced[Pg 1548] to half, the permissible drop may be doubled, the resistance of the wires quadrupled, and their cost reduced nearly 75 per cent.
Fig. 2,144.—100,000 volt "Milliken" towers with one circuit strung (Southern Power Co.). These towers are mounted on metal stubs sunk 6 feet in the ground. Where the angle of the line is over 15 degrees, however, these stubs are weighted with rock and concrete, and where an angle of over 30 degrees occurs, two and sometimes three towers are used for making the turn. The weight of the standard "Milliken" tower is 3,080 lbs., and its height from the ground to peak is 51 feet. The towers are spaced to average eight to a mile and a strain tower weighing 4,250 lbs. is used every mile. For particularly long spans a special heavy tower weighing 6,000 lbs. is used. The circuits are transposed every 30 miles. Multiple disc insulators are used, four discs being used to suspend each conductor from standard towers and ten discs to each conductor on strain towers. The standard span is 600 feet, sag 11 ft at 50° Fahr.
Ques. What modification of circuit A (fig. 2,143), should be made to allow for unbalancing in the three wire circuit?
Ans. An auto-transformer or "balance coil" as it is sometimes called should be used as at B.
This is a very desirable method of balancing when the ratio of transformation is not too large.
Ques. For what service would the system shown in fig. 2,143 be suitable?
Ans. For short distance transmission, as for instance, in[Pg 1549] the case of an isolated plant because of the low pressure at which the current is generated.
The standard voltages of low pressure alternators are 400, 480, and 600 volts.
Fig. 2,145.—View of a typical isolated plant. The illustration represents an electric lighting plant on a farm showing the lighting of the dwelling, barn, tool house and pump house. The installation consists of a low voltage dynamo with gas engine drive and storage battery together with the necessary auxiliary apparatus.
Ques. In practice are single phase alternators used as indicated in fig. 2,143?
Ans. Alternators are wound for one, two or three phases. Three phase machines are more commonly supplied and in many cases it will pay to install them in preference to single phase, even if they be operated single phase temporarily.
For a given output, three phase machines are smaller than single phase and the single phase load can usually be approximately balanced between the three phases. Moreover, if a three phase machine be installed, polyphase current will be available in case it may be necessary to operate polyphase motors at some future time.
Standard three phase alternators will carry about 70 per cent. of their rated kilowatt output when operated single phase, with the same temperature rise.
Ques. How are three phase alternators used for single phase circuits?
Ans. The single phase circuit is connected to any two of the three phase terminal leads.
Fig. 2,146.—Diagram showing arrangement of single phase system for two wire transmission and three wire distribution, where the transmission distance is considerable. In order to reduce the cost of the transmission line, the current must be transmitted at high pressure; this necessitates the use of a step down transformer at the distributing center as shown in the illustration.
Ques. What form of single phase system should be used where the transmission distance is considerable?
Ans. The current should be transmitted at high pressure, a step down transformer being placed at each distribution center to reduce the pressure to the proper voltage to suit the service requirements as shown in fig. 2,146.
Thus, if 110 volt lamps be used on the three wire circuit, the pressure between the two outer wires would be 220 volts. A transformation ratio of say 10:1 would give 2,220 volts for the primary circuit. The current required for the primary with this ratio being only .1 that used in the secondary, a considerable saving is effected in the cost of the transmission line as must be evident.
With the high pressure alternator only one transformation of the current is needed, as shown at the distribution end.
In place of the high pressure alternator, a low pressure alternator could be used in connection with a step up transformer as shown in fig. 2,147, but there would be an extra loss due to the additional transformer, rendering the system less efficient than the one shown in fig. 2,146. Such an arrangement as shown in the fig. 2,147 might be justified[Pg 1551] in the case of a station having a low pressure alternator already in use and it should be desired to transmit a portion of the energy a considerable distance.
Ques. How could the system shown in fig. 2,147 be made more efficient than that of fig. 2,146?
Ans. By using a high pressure alternator in order to considerably increase the transmission voltage.
Thus, a 2,200 volt alternator and 1:10 step up transformer would give a line pressure of 22,000 volts, which at the distribution end could be reduced, to 220 volts for the three wire circuit, using a 100:1 step down transformation.
Fig. 2,147.—Diagram illustrating how electricity can be economically transmitted a considerable distance with low pressure alternator already in use.
Ques. Would this be the best arrangement?
Ans. No.
Ques. What system would be used in practice for maximum economy?
Ans. Three phase four wire.
Fig. 2,148.—Angle tower showing General Electric strain insulators. The tower being subject to great torsional strains is erected on a massive concrete foundation. The construction is similar to the standard tower but of heavier material, and having the same vertical dimensions but with bases 20 ft. square.
Ques. What are the objections to single phase generation and transmission?
Ans. It does not permit of the use of synchronous converters, self-starting synchronous motors, or induction motor starting under load. It is poorly adapted to general power[Pg 1552] distribution, hence it is open to grave objections of a commercial nature where there exists any possibility of selling power or in any way utilizing it for general converter and motor work.
Ques. For what service is it desirable?
Ans. For alternating current railway operation.
There are advantages of simplicity in the entire generating, primary, and secondary distribution systems for single phase roads. These advantages are so great that they justify considerable expense, looked at from the railway point of view only, the single phase system throughout may be considered as offering the most advantage.
Ques. What are the objectionable features of single phase alternators?
Ans. This type of alternator has an unbalanced armature reaction which is the cause of considerable flux variation in the[Pg 1553] field pole tips and in fact throughout the field structure.
In order to minimize eddy currents, such alternators must accordingly be built with thinner laminations and frequently poorer mechanical construction, resulting in increased cost of the machine. The large armature reaction results in a much poorer regulation than that obtained with three phase alternators, and an increased amount of field copper is required, also larger exciting units. These items augment the cost so that the single phase machine is considerably more expensive than the three phase, of the same output and heating.
Fig. 2,149.—Elementary alternator developing one volt at frequencies of 60 and 25, showing the effect of reducing the frequency. Since for the same number of pole, the R.P.M. have to be decreased to decrease the frequency, increased flux is required to develop the same voltage. Hence in construction, low frequency machines require larger magnets, increased number of turns in series on the armature coils, larger exciting units as compared with machines built for higher frequency.
Ques. What factor increases the difficulties of single phase alternator construction?
Ans. The difficulties appear to increase with a decrease in frequency.
The adoption of any lower frequency than 25 cycles may result in serious difficulties in construction for a complete line of machine, especially those of the two or four pole turbine driven type where the field flux is very large per pole.
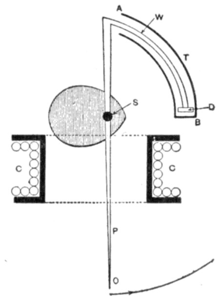
Monocyclic System.—In this system, which is due to Steinmetz, the alternator is of a special type. In construction, there is a main single phase winding an auxiliary or teaser winding connected to the central point of the main winding in quadrature therewith.
The teaser coil generates a voltage equal to about 25 per cent. of that of the main coil so that the pressure between the terminals of the main coil and the free end of the teaser is the resultant of the pressure of the two coils.
Fig. 2,150.—Diagram of monocyclic system, showing lighting and power circuits.
By various transformer connections it is possible to obtain a practically correct three phase relationship so that polyphase motors may be employed.
In this system, two wires leading from the ends of the single phase winding in the alternator supply single phase current to the lighting load, a third wire connected to the end of the teaser being run to points where the polyphase motors are installed as shown in fig. 2,150.
The monocyclic system is described at length in the chapter on alternators, Guide No. 5, pages, 1,156 to 1,159.
Two Phase Systems.—A two phase circuit is equivalent to two single phase circuits. Either four or three wire may be employed in transmitting two phase current, and even in the latter instance the conditions are practically the same as for single phase transmission, excepting the unequal current distribution in the three wires. Fig. 2,151 shows a two phase four wire system.
Fig. 2,151.—Diagram of two phase four wire system. It is desirable for supplying current for lighting and power. The arrangement here shown should be used only for lines of short or moderate length, because of the low voltage. Motors should be connected to a circuit separate from the lighting circuit to avoid drop on the latter while starting a motor.
Ques. For what service is the system shown in fig. 2,151 desirable?
Ans. It is adapted to supplying current for lighting and power at moderate or short distances.
Either 110 or 220 volts are ordinarily used which is suitable for incandescent lighting and for constant pressure arc lamps, the lamps being connected singly or two in pairs.
Ques. Where current for both power and light are obtained from the same source how should the circuits be arranged?
Ans. A separate circuit should be employed for each, in order to avoid the objectionable drop and consequent dimming of the lights due to the sudden rush of current during the starting of a motor.
Fig. 2,152.—Diagram of two phase three wire system. A wire is connected to one end of each phase winding as at A and B, and a third wire C, to the other end of both phases as shown.
Disagreeable fluctuation of the lights are always met with when motors are connected to a lighting circuit and the effect is more marked with alternating current than with direct current, because most types of alternating current motor require a heavy current usually lagging considerably when starting. This not only causes a large drop on the line, but also reacts injuriously upon the regulation of transformers and alternators, their voltage falling much more than with an equal non-inductive load.
Ques. What voltages are ordinarily used on two phase lines of more than moderate length?
Ans. For transmission distances of more than two or three[Pg 1557] miles, pressures of from 1,000 to 2,000 volts or more are employed to economize in copper. For long distance transmission of over fifty miles, from 30,000 to 100,000 volts and over are used.
Ques. For long distance transmission at 30,000 to 40,000 volts, what additional apparatus is necessary?
Ans. Step up and step down transformers.
Fig. 2,153.—Diagram illustrating two phase three wire transmission. The third wire C is attached to the connector between one end of phase A, and phase B windings.
Ques. Explain the method of transmitting two phase current with three wires.
Ans. The connections at the alternator are very simple as shown in fig. 2,152. One end of each phase winding is connected by the brushes a and b', to one of the circuit wires, that is to A and B respectively. The other end of each phase winding is connected by a lead across brushes a' and b, to which the third wire C is joined.
The current and pressure conditions of this system are represented diagrammatically in fig. 2,153. The letters correspond to those in fig. 2,152, with which it should be compared.
[Pg 1558]As shown in the figure each coil is carrying 100 amperes at 1,000 volts pressure. Since the phase difference between the two coils is 90°, the voltage between A and B is √2 = 1.414 times that between either A or B and the common return wire C.
The current in C is √2 = 1.414 times that in either outside wire A or B, as indicated.
Ques. How should the load on the two phase three wire system be distributed?
Ans. The load on the two phases must be carefully balanced.
Fig. 2,154.—Diagram of two phase three wire system and connections for motors and lighting circuits.
Ques. Why should the power factor be kept high?
Ans. A high power factor should be maintained in order to keep the voltage on the phases nearly the same at the receiving ends.
Ques. How should single phase motors be connected and what precaution should be taken?
Ans. Single phase motors may be connected to either or[Pg 1559] both phases, but in such cases, no load should be connected between the outer wires otherwise the voltages on the different phases will be badly unbalanced.
Fig. 2,154 shows a two phase three wire system, with two wire and three wire distribution circuits, illustrating the connection for lighting and for one and two phase motors.
Fig. 2,155.—Diagram of two phase system with four wire transmission and three wire distribution. In the three wire circuits the relative pressures between conductors are as indicated; that is, the pressure between the two outer wires A and B is 141 volts, when the pressure between each outer wire and the central is 100 volts.
Ques. Describe another method of transmission and distribution with two phase current.
Ans. The current may be transmitted on a four wire circuit and distributed on three wire circuit as in fig. 2,155.
The four wire transmission circuit is evidently equivalent to two independent single phase circuits.
In changing from four to three wires, it is just as well to connect the two outside wires A and B together (fig. 2,152), as it is to connect a´ and b. It makes no difference which two secondary wires are joined together, so long as the other wires of each transformer are connected to the outside wires of the secondary system.
Ques. For what service is the two phase three wire system adapted?
Ans. It is desirable for supplying current of minimum pressure to apparatus in the vicinity of transformers. It is more frequently used in connection with motors operating from the secondaries of the transformers.
Ques. How should the third or common return wire be proportioned?
Ans. Since the current in the common return wire is 41.4 per cent. higher than that in either of the other wires it must be of correspondingly larger cross section, to keep the loss equal.
Figs. 2,156 and 2,157.—Conventional diagrams illustrating star and delta connected three phase alternator armatures.
Ques. What is the effect of an inductive load on the two phase three wire system and why?
Ans. It causes an unbalancing of both sides of the system even though the energy load be equally divided. The self-induction pressure in one side of the system is in phase with the virtual pressure in the other side, thus distorting the current distribution in both circuits.
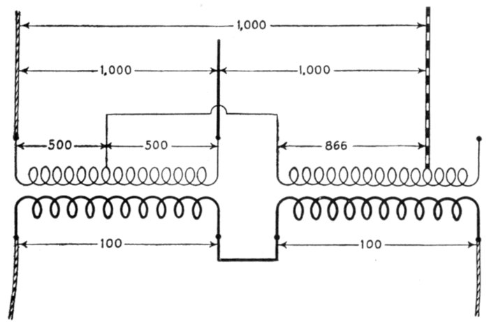
Ques. Describe the two phase five wire system.
Ans. A two phase circuit may be changed from four to five wires by arranging the transformer connections as in fig. 2,158.
As shown, the secondaries of the transformers are joined in series and leads brought out from the middle point of each secondary winding and at the connection of the two windings, giving five wires.
With 1,000 volts in the primary windings and a step down ratio of 10:1, the pressure between A and C and C and E will be 100 volts and between the points and the connections B or D at the middle of the secondary coils, 50 volts.
The pressure across the two outer wires A and E is, as in the three wire system, √2 or 1.41 times that from either outer wire to the middle wire C, that is 141 volts.
The pressure across the two wires connected to the middle of the coils, that is, across B and D, is 50 × √2 = 70.5 volts.
Fig. 2,158.—Two phase four wire transmission and five wire distribution system. The relative pressures between the various conductors are indicated in the diagram.
Three Phase Systems.—There are various ways of arranging the circuit for three phase current giving numerous three phase systems.
1. With respect to the number of wires used they may be classified as
Fig. 2,159.—Line connections of three phase three wire long distance transmission, and distribution system. The three phase alternator A, is driven by the water wheel B, and furnishes current at say 2,200 volts plus sufficient pressure to compensate for line drop. With 1:10 step up transformers C, this would give a transmission pressure of 22,000 volts plus line drop. It is this transformation that secures the copper economy of the system. At the distribution end are the step down transformers; one set reducing the voltage down to 2,200 volts, and supplying current direct to the synchronous motor, and through another set of other step down transformers, as L and K, to lighting and power circuits at 220 volts. Another set of step down transformers M reduce the pressure directly to 120 volts for power and lighting, the pressure being regulated by the regulators G. Arc lamps with individual transformers further reducing the pressure to 50 volts are connected to this circuit as shown.
2. With respect to the connections, as
The six wire system is shown in fig. 2,160. It is equivalent to three independent single phase circuits. Such arrangement would only be used in very rare instances.
Fig. 2,160.—Three phase six wire system. It is equivalent to three independent single phase circuits and would be used only in very rare cases.
Ques. How can three phase current be transmitted by three conductors?
Ans. The arrangement shown in fig. 2,160 may be resolved into three single circuits with a common or grounded return.
When the circuits are balanced the sum of the current being zero no current will flow in the return conductor, and it may be dispensed with, thus giving the ordinary star or Y connected three wire circuit, as shown in fig. 2,163. The transformation from six to three wires being shown in figs. 2,161 to 2,163.
Figs. 2,161 to 2,163.—Evolution of the three phase three wire system. Fig. 2,161 is a conventional diagram of the three phase six wire system shown in fig. 2,160. A wire is connected to both ends of each phase winding, giving six conductors, or three independent two wire circuits. In place of the wires running from A, B, and C, they may be removed and each circuit provided with a ground return as shown in fig. 2,162. The sum of the three currents being zero, or nearly zero, according to the degree of unbalancing, the ground return may be eliminated and the ends A, B, and C of the three phase winding connected, as in fig. 2,163, giving the so called star point.
Fig. 2,166 is a view of an elementary three phase three wire star connected alternator.
Ques. What are the pressure and current relations of the star connected three wire system?
Figs. 2,164 and 2,165.—Three phase four wire star connected alternator and conventional diagram showing pressure and current relations.
Figs. 2,166 and 2,167.—Three phase star connected alternator, and conventional diagram showing pressure relations.
Ans. These are shown in the diagram, fig. 2,166 and 2,167.
Assuming 100 amperes and 1,000 volts in each phase winding, the pressure between any two conductors is equal to the pressure in one winding multiplied by √3, that is 1,000 × 1.732 = 1,732 volts.
The current in each conductor is equal to the current in the winding, or 100 amperes.
Ques. Describe the delta connection.
Ans. In the delta connection, the three phase coils are connected together forming an endless winding, leads being brought out from these points.
Fig. 2,168 shows a delta connected three phase alternator, the pressure and current relation being given in fig. 2,169.
Figs. 2,168 and 2,169.—Three phase delta connected alternator and conventional diagram showing pressure and current relations.
Ques. What are the pressure and current relations of the delta connected three wire system?
Ans. They are as shown in fig. 2,169.
Assuming 100 amperes and 1,000 volts in each phase winding, the pressure between any two conductors is the same as the pressure in the winding, and the current in any conductor is equal to the current in the winding multiplied by √3, that is 100 × 1.732 = 173.2 amperes, that is, disregarding the fraction, 173 amperes.
Ques. What are the relative merits of the star and delta connections?
Ans. The power output of each is the same, but the star connection gives a higher line voltage, hence smaller conductors may be used.
Fig. 2,170.—T connection of transformers in which three phase current is transformed with two transformers. The connections are clearly shown in the illustration. The voltage across one transformer is only 86.6% of that across the other, so that if each transformer be designed especially for its work one will have a rating of .866 EI and the other EI. The combined rates will then be 1.866 as compared with 1.732 EI for three single phase transformers connected either star or delta.
When it is remembered that the cost of copper conductors is inversely as the square of the voltage, the advantage of the Y connected system can be seen at once.
Assuming that three transformers are used for a three phase system of given voltage, each transformer, star connected, would be wound for 1 ÷ √3 = 58% of the given voltage, and for full current.
For delta connection, the winding of each transformer is for 58% of the current. Accordingly the turns required for star connection are only 58% of those required for delta connection.
Ques. What is the objection to the star connection for three phase work?
Ans. It requires the use of three transformers, and if anything happen to one, the entire set is disabled.
Ques. Does this defect exist with the delta connection?
Ans. No.
One transformer may be cut out and the other two operated at full capacity, that is at ⅔ the capacity of the three.
Ques. Describe the T connection.
Ans. In this method two transformers are used for transforming three phase current. It consists in connecting one end of both windings of one transformer to the middle point of like windings of the other transformer as in fig. 2,170.
Fig. 2,171.—Open delta connection or method of connecting two transformers in delta for three phase transformation. It is used when one of the three single phase delta connected transformers becomes disabled.
Ques. What is the open delta connection?
Ans. It is a method of arranging the connections of a bank of three delta connected transformers when one becomes disabled as in fig. 2,171.
Change of Frequency.—There are numerous instances where it is desirable to change from one frequency to another, as for instance to join two systems of different frequency which[Pg 1569] may supply the same or adjacent territory, or, in the case of a low frequency installation, in order to operate incandescent lights satisfactorily it would be desirable to increase the frequency for such circuits. This is done by motor generator sets, the motor taking its current from the low frequency circuit.
Synchronous motors are generally used for such service as the frequency is not disturbed by load changes; it also makes it possible to use the set in the reverse order, that is, taking power from the high frequency mains and delivering energy at low frequency.
Fig. 2,172.—Course of the Schaghticoke-Schenectady transmission line of the Schenectady Power Co. This transmission line carries practically the entire output of the Schaghticoke power house to Schenectady, N. Y., a distance of approximately 21 miles. The line consists of two separate three phase, 40 cycle, 32,000 volt circuits, each of 6,000 kw. normal capacity. These circuits start from opposite ends of the power house, and, after crossing the Hoosic River, are transferred by means of two terminal towers, fig. 2,173, to a single line of transmission towers. The two circuits are carried on these on opposite ends of the cross arms, the three phases being superimposed. The power house ends of the line are held by six short quadrangular steel lattice work anchor poles with their bases firmly embedded in concrete, the cables being dead ended by General Electric disc strain insulators. This equipment, together with the lightning arrester horn gaps and the heavy line outlet insulators mounted on the roof of the power house, is shown in fig. 2,174. While each circuit carries only 6,000 kw. under normal conditions, either is capable of carrying the entire output of the station; in this case, however, the line losses are necessarily augmented. This feature prevents any interruption of the service from the failure of one of the circuits. There are altogether 197 transmission towers, comprising several distinct types.
Ques. In the parallel operations of frequency changing sets what is necessary to secure equal division of the load?
Ans. The relative angular position of the rotating elements of motor and generator must be the same respectively in each set.
Fig. 2,173.—Beginning of Schaghticoke-Schenectady transmission line; view showing transfer towers with power house in background.
Ques. How is this obtained?
Ans. Because of the mechanical difficulty of accurately[Pg 1571] locating the parts, the equivalent result is secured by arranging the stationary element in one of the two machines so that it can be given a small angular shift.
Transformation of Phases.—In alternating current circuits it is frequently desirable to change from one number of phases to another. For instance, in the case of a converter, it is less expensive and more efficient to use one built for six phases than for either two or three phases.
Fig. 2,174.—View from roof of power house of the Schaghticoke-Schenectady transmission line, showing anchor poles, strain insulators, lightning arrester horn gap and line entrance bushings.
The numerous conditions met with necessitate various phase transformations, as
These transformations are accomplished by the numerous arrangements and combinations of the transformers.
Fig. 2,175.—Three phase to one phase transformation with two transformers. The diagram shows the necessary connections and the relative pressures obtained.
Three Phase to One Phase.—This transformation may be accomplished by the use of two transformers connected as in fig. 2,175 in which one end of one primary winding is connected to the middle of the other primary winding and the second end of the first primary winding at a point giving 86.6 per cent. of that winding as shown. The two secondary windings are joined in series.
Three Phase to Two Phase.—The three phase system is universally used for long distance transmission, because it requires less copper than either the single or two phase systems.[Pg 1573] For distribution, however, the two phase system presents certain advantages, thus, it becomes desirable at the distribution centers to change from three phase to two phase. This may be done in several ways.
Ques. Describe the Scott connection.
Fig. 2,176.—The Scott connection for transforming from three phase to two phase. In this method one of the primary wires B of the .866 ratio transformer is connected to the middle of the other primary as at C, the ends of which are connected to two of the three phase wires. The other phase wire is connected at D, the point giving the .866 ratio. The secondary wires are connected as shown.
Ans. Two transformers are used, one having a 10:1 ratio, and the other, a ½√3:1, that is, an 8.66:1 ratio. The connections are arranged as in fig. 2,176.
It is customary to employ standard transformers having the ratios 10:1, and 9:1.
Ques. What names are given to the two transformers?
Ans. The one having the 10:1 ratio is called the main transformer, and the other with the 8.66:1 ratio, the teaser transformer.
In construction, the transformers may be made exactly alike so that either may be used as main or teaser.
In order that the connections may be properly and conveniently made, the primary windings should be provided with 50% and 86.6% taps.
Fig. 2,177.—Three phase to two phase transformation with three star connected transformers. Two of the secondary windings are tapped at points corresponding to 57.7% of full voltage; these two windings are connected in series to form one secondary phase of voltage equal to that obtained by the other full secondary winding.
Ques. Describe another way of transforming from three to two phases.
Ans. The transformation may be made by three star connected transformers, proportioning the windings as in fig. 2,177, from which it will be seen that two of the secondary windings are tapped at points corresponding to 57.7 per cent. of full voltage.
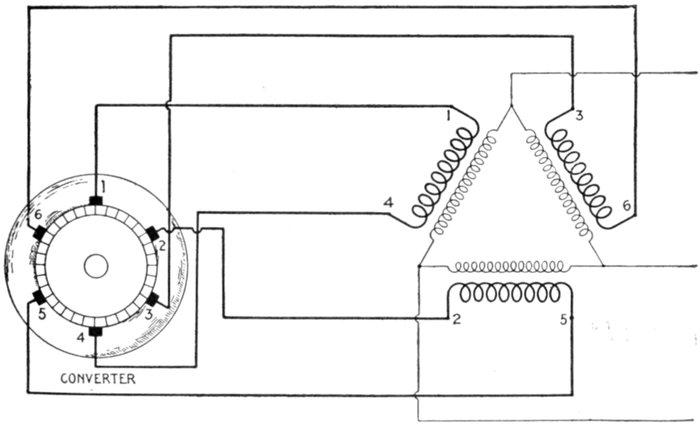
Three Phase to Six Phase.—This transformation is usually made for use with rotary converters and may be accomplished in several ways. As these methods have been illustrated in the chapter on Converters (page 1,462), it is unnecessary to again discuss them here. Fig. 2,178, below shows the diametrical connection for transforming three phase to six phase.
Fig. 2,178.—Diagram of diametrical connection, three phase to six phase. It is obtained by bringing both ends of each secondary winding to opposite points on the rotary converter winding, utilizing the converter winding to give the six phases. This transformation of phases may also be obtained with transformers having two secondary windings.
Alternating Current Systems.—The saving in the cost of transmission obtained by using alternating instead of direct current is not due to any difference in the characteristics of the currents themselves, but to the fact that in the case of alternating current very high pressures may be employed, thus permitting a given amount of energy to be transmitted with a relatively small current.
In the case of direct current systems, commutator troubles limit the transmission pressure to about 1,000 volts, whereas with alternating current it may be commercially generated at pressures up to about 13,000 and by means of step up transformers, transmitted at 110,000 volts or more.
Fig. 2,179.—End of Schaghticoke-Schenectady transmission line at Schenectady; view showing entrance bushings and lightning arrester horn gaps.
Relative Weights of Copper Required by Polyphase Systems.—A comparison between the weights of copper required by the different alternating current systems is rendered quite difficult by the fact that the voltage ordinarily measured is not the maximum voltage, and as the insulation has to withstand the strain of the maximum voltage, the relative value of copper obtained by calculation depends upon the basis of comparison adopted.
As a general rule, the highest voltage practicable is used for long distance transmission, and a lower voltage for local distribution. Furthermore, some polyphase systems give a multiplicity of voltages, and the question arises as to which of these voltages shall be considered the transmission voltage.
If the transmission voltage be taken to represent that of the distribution circuit, and the polyphase system has as many independent circuits as there are phases, the system would represent a group of several single phase systems, and there would be no saving of copper. Under these conditions, if the voltage at the distant end be taken as the transmission voltage, and the copper required by a single phase two wire system as shown in fig. 2,180, be taken as the basis of comparison, the relative weights of copper required by the various polyphase systems is given in figs. 2,181 to 2,188.
Fig. 2,180.—Single phase line, used as basis of comparison in obtaining the relative weights of copper required by polyphase systems, as indicated in figs. 2,181 to 2,188.
In the case represented in fig. 2,180, if the total drop on the line be 100 volts, the generated voltage must be 1,100 volts, and the resistance of each line must be 50 ÷ 1,000 = .05 ohms. Calculated on this basis, a two phase four wire system is equivalent to two single phase systems and gives no economy of copper in power transmission over the ordinary single phase two wire[Pg 1578] system. This is the case also with any of the other two phase systems, except the two phase three wire system.
Figs. 2,181 to 2,188.—Circuit diagrams showing relative copper economy of various alternating current systems.
In this system two of the four wires of the four wire two phase system are replaced by one of full cross section.
The amount of copper required, when compared with the single phase system, will differ considerably according as the comparison is based on the highest voltage permissible for any given distribution, or on the minimum voltage for low pressure service.
If E be the greatest voltage that can be used on account of the insulation strain, or for any other reason, the pressure between the other conductors of the two phase three wire system must be reduced to E ÷ √2.
The weight of copper required under this condition is 145.7% that of the single phase copper.
On the basis of minimum voltage, the relative amount of copper required is 72.9% that of the single phase system.
Fig. 2,189.—Twin circuit "aermotor" towers carrying 44,000 volt conductors (Southern Power Co.). These towers vary in height from 35 to 50 feet, and the circuits are transposed every 10 miles. The towers are assembled on the ground and erected by means of gin poles. They are normally spaced 500 feet apart with a sag of 5 feet 8 inches. The minimum distance between towers is 300 feet and the maximum 700 feet.
Figs. 2,187 and 2,188 are two examples of three phase four wire systems. The relative amount of copper required as compared with the single phase system depends on the cross section of the fourth wire. The arrangement shown in fig. 2,188, where the fourth wire is only half size, is used only for secondary distribution systems.
Fig. 2,190.—General Electric standard tower for high tension three phase transmission line.
Fig. 2,191.—General Electric transposition tower for high tension three phase transmission line.
Choice of Voltage.—In order to properly determine the voltage for a transmission system there are a number of[Pg 1581] conditions which must be considered in order that the economy of the entire installation shall be a maximum.
The nature of the diversely various factors which affect the problem makes a mathematical expression difficult and unsatisfactory.
Ques. What is the relation between the cross sectional area of the conductors and the voltage?
Ans. For a given circuit, the cross sectional area of the conductors, or weight varies inversely as the voltage.
Fig. 2,192.—General Electric standard tower under construction.
Ques. Would the highest possible voltage then be used for a transmission line?
Ans. The most economical voltage depends on the length of the line and the cost of apparatus.
For instance, alternators, transformers, insulation and circuit control and lightning protection devices become expensive when manufactured for very high pressures. Hence if a very high pressure were used, it would involve that the transmission distance be great enough so that the extra cost of the high pressure apparatus would be offset by the saving in copper effected by using the high pressure.
In the case of the longest lines, from about 100 miles up, the saving in copper with the highest practicable voltage is so great that the increase in other expenses is rendered comparatively small.
In the shorter lines as those ranging in length from about one mile to 50 or 75 miles, the most suitable voltage must be determined in each individual case by a careful consideration of all the conditions involved. No fixed rule can be established for proper voltage based on the length, but the following table will serve as a guide:
Fig. 2,193.—Line of the Schenectady Power Company crossing the tracks of the Boston and Maine Railroad near Schaghticoke.
| Length of line in miles | Voltage |
|---|---|
| 1 | 500 to 1,000 |
| 1 to 2 | 1,000 to 2,300 |
| 2 to 3 | 2,300 to 6,600 |
| 3 to 10 | 6,600 to 13,200 |
| 10 to 15 | 13,200 to 22,000 |
| 15 to 20 | 22,000 to 44,000 |
| 20 to 40 | 44,000 to 66,000 |
| 40 to 60 | 66,000 to 88,000 |
| 60 to 100 | 88,000 to 110,000 |
Ques. What are the standard voltages for alternating current transmission circuits?
Ans. 6,600, 11,000, 22,000, 33,000, 44,000, 66,000, 88,000.
The amount of power to be transmitted determines, in a measure, the limit of line voltage. If the most economical voltage considered from the point of view of the line alone, be somewhere in excess of 13,200, step up transformers must be employed, since the highest voltage for which standard alternators are manufactured is 13,200. In a given case, the saving in conductor by using the higher voltage may be more than offset by the increased cost of transformers, and the question must be determined for each case.
Fig. 2,194.—View of a three phase, 2,300 volt, 60 cycle line at Chazy, N. Y. The current is transmitted at the alternator voltage 2¾ miles over the single circuit pole line. The poles are of cedar with fir cross arms, and are fitted with pin insulators. They are from 35 to 40 feet high and are spaced at an average of about 120 feet. The conductors are bare copper wire No. 00 B. & S. The alternators consist of one 50 kw., and one 100 kw. General Electric machines.
Ques. What are the standard transformer ratios?
Ans. Multiples of 5 or 10.
Figs. 2,195 to 2,197.—Diagram showing electric railway system. Three phase current is generated at the main station where it passes to step up transformers to increase the pressure a suitable amount for economical transmission. At various points along the railway line are sub-stations, where the three phase current is reduced in pressure to 500 or 600 volts by step down transformers, and converted into direct current by rotary converters. The relatively low pressure direct current is then conveyed by "feeders" to the rails, this resulting in a considerable saving in copper.
Mixed Current Systems.—It is often desirable to transmit electrical energy in the form of alternating current, and distribute it as direct current or vice versa.
Such systems may be classed as mixed current systems. The usual conversion is from alternating current to direct current because of the saving in copper secured by the use of alternating current in transmission, especially in the case of long distance lines. Such conversion involves the use of a rotary converter, motor generator set, or rectifier, according to the conditions of service.
Fig. 2,198.—Example of converter sub-station, showing the Brooklyn Edison Co. Madison sub-station. The transformers are seen on the left, the converter shown at the right is a Westinghouse synchronous booster rotary converter, consisting of a standard rotary converter in combination with a revolving armature alternator mounted on the same shaft with the converter and having the same number of poles. The function of the machine is to convert and regulate the pressure. By varying the field excitation of the alternator, the A. C. voltage impressed on the rotary converter proper can be increased or decreased as desired. Thus, the D. C. voltage delivered by the converter is varied accordingly. This type of converter is well adapted for any application for which a relatively wide variation, either automatic or non-automatic, in direct current voltage is necessary. Also especially for serving incandescent lighting systems where considerable voltage variation is required for the compensation of drop in long feeders, for operation in parallel with storage batteries and for electrolytic work where extreme variations in voltage are required by changes in the resistance of the electrolytic cells.
The suburban trolley forms a good example of a mixed system, in which alternating current is generated at the central station and transmitted to sub-stations, where it is transformed to low pressure, and converted into direct current for use on the line. Fig. 2,195 shows the interior of a sub-station of this kind.
Ques. What direct current pressure is usually employed on traction lines?
Ans. 500 volts.
Ques. Mention another important service performed by a mixed system.
Ans. If the generator furnish alternating current it must be converted into direct current in order to charge storage batteries.
For the proper control of the alternating current in any of the numerous systems described in the previous chapter, various devices, which might be classed as "auxiliary apparatus," are required. These may be grouped into several divisions, according to the nature of the duty which they perform, as
1. Switching devices;
2. Current or pressure limiting devices;
3. Lightning protection devices;
4. Regulating devices;
5. Power factor regulating devices;
6. Indicating devices;
A switch is a piece of apparatus for making, breaking, or changing the connections in an electric circuit.
The particular form and construction of any switch is governed by the electrical conditions under which it must operate.
Since the electric current cannot be stopped instantly when the circuit in which it is flowing, is broken, an arc is formed as the switch contacts separate; this tends to burn the contacts, and to short circuit, the severity of such action depending on the voltage and the proximity of the switch terminals. Accordingly in switch design, provision must be made to counteract these tendencies. Thus,
A great variety of switches have been introduced to suit the different requirements. Knife switches are used for low pressure service, the multiple break form being used where it is desired to reduce the arcing distance.
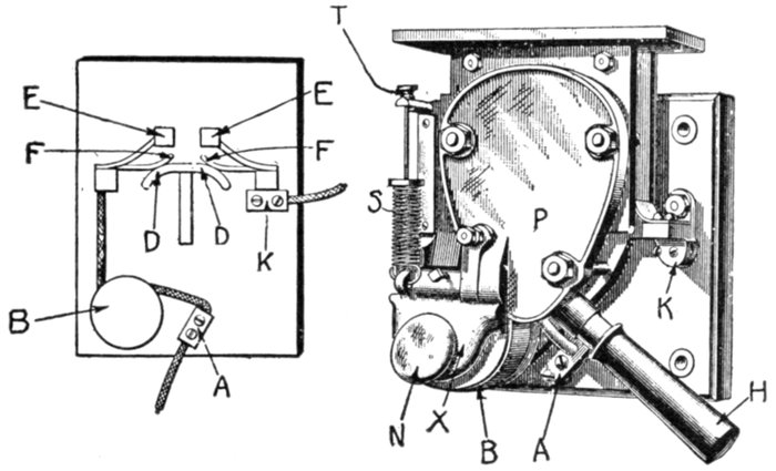
Figs. 2,199 and 2,200.—General Electric triple pole solenoid operated, single throw remote control switch, and push button switch for operating same. Switch is a self-contained unit with two sets of contacts, main laminated copper brushes, and carbon auxiliary contacts to take the arc on breaking the circuit. The main brushes are so made that each lamination makes an end on contact with the switch blade without any tendency to force the laminations apart. A wiping effect, given to the contacts every time the switch is closed, keeps the contact surfaces clean and insures good contact at all times. The carbon auxiliary contacts are made of blocks of carbon fastened without screws. In operation, the switch is actuated by a double coil solenoid, one coil for closing and one for opening, controlled by the single pole double throw push button switch shown in fig. 2,200, which is normally in the open position and remains closed only when held by the operator. One of these switches is furnished with each control switch and must always be used, as the solenoid coils are not intended for continuous service. The power required to operate the remote control switch is small, being approximately 1.6 amperes at 110 volts, 0.81 amperes at 220 volts direct current, and 10 amperes at 110 volts, and 6 amperes at 220 volts alternating current 60 cycles. The main switch can be closed and opened by hand, and the push button located at any point.
Ques. How should single throw switches be installed?
Ans. They should open downward so gravity will keep them open.
Ques. How should double throw switches be installed?
Ans. Horizontally.
Figs. 2,201 and 2,202.—Palmer service switch and fuse box, for either plug, cartridge or open link fuses. Fig. 2,201 illustrates the box in open position for the inspection of fuses, etc. The cover is held open by a simple lock so that the switch cannot fall closed by gravity, the box may be mounted so that the service wires lead directly into a sealed terminal chamber from any direction, and all current carrying parts made accessible by the opening of the switch are dead. Fig. 2,202 illustrates the device with side of box and cover cut away to show interior and the normally sealed cover of terminal chamber removed. The switch contacts do not enter their contact clips until the flanged cover of the box has closed the switch opening, no current connections being made to line or load until the box is completely closed, and in consequence there is no opportunity to make improper connections to any live parts of switch, when conduit connections are used to the service and meter wires.
Ques. What is a plug switch?
Ans. A switch in which the current is ruptured in a tube enclosed at one end, thereby confining the arc and limiting the supply of air.
They are used on high pressure circuits of from 10,000 to 20,000 volts, for transferring live circuits and for voltmeter and synchronizing[Pg 1592] circuits where there is very little energy. The usual current capacity is from 4 to 7½ amperes.
Fig. 2,203 and 2,204.—Bus transfer plug switch. The method of supporting the contact farthest from the panel consists of a porcelain pillar of the same height as the receptacle, clamped to a brass connecting or bus bar which in turn is fastened to the receptacle.
Fig. 2,205.—Ammeter jack. This plug switch is insulated for high pressure and consists of two parts: the ammeter jack, and the ammeter jack plug, cable, and bushing. The receptacle, which is simple in construction, consists of a brass bushing well insulated from the panel and protected on the front of the panel by a porcelain bushing. On the end of this tube and insulated from it, is a phosphor bronze spring which, when the plug is out, rests on the brass tube and keeps the circuit closed. The plug consists of a brass rod well insulated and set in a brass tube, both being fastened in a handle which is stained black and polished. Inside the handle is run a twin conductor cable, one side being soldered in the brass tube and the other to the brass rod. The other end of the cable is run through a bushing set in the panel and thence to the ammeter or current transformer. Where it is desired to remove the plug and cable from the board, or to plug both ends of the cable in different receptacles, a plug instead of a bushing should be used. In this case a cable should be provided with a plug on each end.
Forms of Break.—On high pressure circuits there are several types of switch: they are classified with respect to the break, that is to say, according as the break takes place,
Fig. 2,206.—Westinghouse fused starting switch for squirrel cage motors. It is arranged for National Electric Code fuses on one end only and has springs on the other end to open the switch automatically if left closed at this end. The corresponding terminals at both ends of the switch are connected in grooves in the back of the slate base so that the wiring need be connected to one set of these terminals only, thus decreasing the number of connections necessary, as shown in fig. 2,207. In starting an induction motor, the switch is thrown to the end that is not fused and held there until the motor is up to running speed; then it is quickly thrown to the fused position, thus protecting the circuit under running conditions.
Fig. 2,207.—Diagram of connections of Westinghouse fused starting switch for squirrel cage motors. The starting current of induction motors is several times the normal running current and, when the controlling switch is fused to carry the running load only, the fuses are apt to blow when the motor is started. The fuses must be of a capacity to prevent overloads under running conditions. These switches are designed to meet this difficulty and are used without auto-starters to control motors up to 5 horse power rating.
Ques. What is the objection to open air break?
Ans. The relatively long gap required to extinguish the arc, limiting this form of switch to low or moderate pressure circuits.
The open air arc may cause very high voltage oscillations when the circuit contains inductance and capacity unless the break occur at zero value.
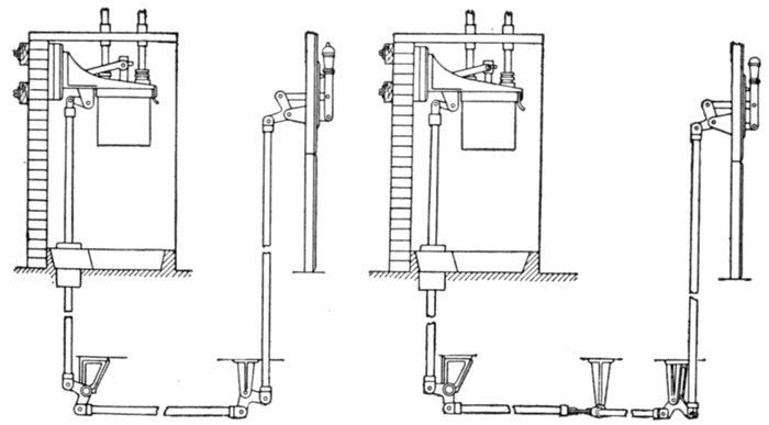
Fig. 2,208.—Westinghouse single pole disconnecting switch. Disconnecting switches are used primarily for isolating apparatus from the circuit for purposes of inspection and repair; also for sectionalizing feeders. They are not designed for opening under load, and therefore no attempt should be made to open them with current in the circuit. In connection with lightning arrester installations, disconnecting switches are particularly useful, providing a simple and effective means for isolating the arresters while cleaning and inspecting. The switch is opened and closed with a hook on the end of a wooden pole, which hook engages in a hole provided in the switch blade. This type of disconnecting switch is intended for wall mounting. The live parts are mounted on porcelain insulators carried on a cast iron yoke or base, forming a simple and substantial construction.
Ques. What are disconnecting switches?
Ans. Knife switches in series with other switches so that the apparatus controlled by the latter may be repaired in safety by entirely disconnecting it from the bus bars or live circuit.
Such switches are not intended to rupture the load current.
Figs. 2,209 and 2,210.—Westinghouse disconnecting switches for pressures over 3,300 volts.
Figs. 2,211 and 2,212.—Westinghouse selector type disconnecting switch. Fig. 2,211, view showing both sides closed; fig. 2,212, view with one side open. The selector type of disconnecting switch is a transfer switch which does not require the circuit to be interrupted while making the change. It can also be used to connect two independent circuits in parallel. In construction, it is in effect two single throw, single pole disconnecting switches with the hinge jaws connected together and mounted on the same insulator. The hinge jaw is also provided with dummy jaws to hold either blade of the switch in the open position. Except for these differences in the hinge jaws, the construction is similar to the switch shown in fig. 2,209. It should not be used to open the circuit when loaded.
Fig. 2,213.—Hook stick for operating a disconnecting switch.
Ques. What are the features of the enclosed air break?
Ans. The switch is more compact than the open air break type, but pressure oscillations are caused on opening the circuit the same as with the open air break, and it is not desirable for heavy current.
Fig. 2,214.—Baum 35,000 volt, 200 ampere, double break pole type switch. While designed for disconnecting purposes only, it can break considerable amperage. The levers and couplings are fastened with tape pins. The control shaft coupling is adjustable to any angle, and the switch can be locked in the open or closed position. A removable wooden handle is supplied and the switch can be handled in any weather. The arms can be extended to hold fuse fittings, or dead end insulators in the event of a heavy strain, but it is preferable to have fuses on another structure as a precaution against coming in contact with the energized portion of the switch, and it is also preferable to take the strain of the line on a pole a few feet from the switch, rather than on the switch structure, particularly in the larger sizes. An insulating wood section in the control shaft separates the control handle from the remainder of the switch. Discharging horns can be fitted to this type of switch and when so equipped they have been found capable of breaking considerable loads.
Ques. How is the fuse arranged in the metal fuse break type of switch?
Ans. It is placed in a tube fitted with powdered carbonate of lime or some other insulating powder.
Fig. 2,215.—Pacific swivel type blade for Baum pole top switches. The twist type of blade, here shown, is especially adapted to switches operating in freezing or sleety weather. It will be seen that the first few degrees through which the rotating insulator is moved have the effect of twisting the blade between the shoes of the contact, which breaks any seal through freezing, or corrosion.
Fig. 2,216.—Pacific 22,000 volt, 100 ampere, pole top switch equipped with fuse tubes; designed to meet the need for a small group controlled disconnecting switch, having several features making it suitable for use with service transformer installations and line branches. The switch is made with clamped pipe arms permitting adjustment. It is equipped with fuse tubes and fittings, but should the fuses be not desired, the arm may be shortened. Provision is made for fitting insulator pins to the top of the arms, when the switch is mounted vertically, which will hold insulators at right angles to the switch, making it possible to end a line on the top of these arms and then drop down through the switch to the bank of transformers. The switch is so constructed that gravity tends to hold it in either the open or the closed position. Provision can be made for locking.
Fig. 2,217.—Horn break switch. In operation, the arc formed at break, will travel toward the extremities of the horns because of the fact that a circuit will tend to move so as to embrace the largest possible number of lines of force set up by it. Hence, the arc that starts between the horns where they are near together rises between them until it becomes so attenuated that it is extinguished.
Fig. 2,218.—Westinghouse rear connected motor starting switch, for pressures up to 600 volts. It is used for starting rotary converters and direct current motors of large capacity having starting torque small enough to permit cutting out the starting resistance in few steps. The clips can be connected to any type of resistor, the steps of which are successively short circuited as the switch closes; the amount of resistance in the armature circuit is thus gradually reduced. A pause should be made after each step of resistance is thrown in to allow the motor speed to accelerate. If the starting switch do not have to carry the full load current and can be short circuited by another switch, a starting switch of smaller capacity equivalent to 50 per cent of running current of the machine can be used. The switch is of the single pole, single throw, rear connected, four point, knife blade type.
Fig. 2,218.—Westinghouse rear connected motor starting switch, for pressures up to 600 volts. It is used for starting rotary converters and direct current motors of large capacity having starting torque small enough to permit cutting out the starting resistance in few steps. The clips can be connected to any type of resistor, the steps of which are successively short circuited as the switch closes; the amount of resistance in the armature circuit is thus gradually reduced. A pause should be made after each step of resistance is thrown in to allow the motor speed to accelerate. If the starting switch do not have to carry the full load current and can be short circuited by another switch, a starting switch of smaller capacity equivalent to 50 per cent of running current of the machine can be used. The switch is of the single pole, single throw, rear connected, four point, knife blade type.
Ques. Describe its operation.
Ans. The moving arm of the switch draws the fuse through the tube, thus opening the circuit without much disturbance.
Fig. 2,219.—Baum disconnecting switch with horns and auxiliary contacts (Pacific Mfg. Co.). This switch is for use on systems operating at 100,000 volts or over. It has a spacing of five feet between outer insulators, is equipped with auxiliary shoes that break the circuit between the horns, diverting it from the current carrying contacts so that they are not attacked by the arc.
Ques. What is the objection to the metal fuse switch?
Ans. The powder is set flying by the explosion of the arc,[Pg 1600] which, as it settles, gets into the bearings of any machine that may be in the vicinity.
Ques. What is a horn break switch?
Ans. One provided with horn shaped extensions to the contacts, as shown in fig. 2,219.
The arc formed on breaking the circuit, as it travels toward the extremities of the horns, becomes attenuated and is finally ruptured.
Fig. 2,220.—Kelman switching mechanism. The pantograph arrangement of the contact blades gives a double horizontal break deep down in the oil. This gives over the break a heavy head of oil which immediately closes in around the thin blades as they leave the contacts in opening, thus effectually extinguishing the arc. The opening spring acts within the pantograph itself without any intervening mechanism, and the light weight of the few moving parts enables the spring to accelerate the blades rapidly, thus obtaining a quick break. The contacts are of the return bend type, which makes a flexible contact, to obtain alignment with the blades at all times. The pantograph and contacts are supported on corrugated porcelain insulators on a hardwood base or insulator board. The insulators are fitted with iron ends for securing the different parts. At each end of the insulator board is an upright or lifting board which serves to lift the switching mechanism out of the tank. The leads are heavily insulated.
Ques. What are the objections to this type of switch?
Ans. The considerable space required for the horns and arcs, and the line surges caused by the arc.
Horn switches were used extensively for high pressure alternating current circuits before the introduction of oil switches.
Fig. 2,221.—Sectional view of Pacific weatherproof oil switch for use in places exposed to the weather. All moving and contact parts are supported from the cast iron top and are readily removable for inspection or repair.
Oil Switches.—The extensive use of high pressure currents and alternating current motors and other devices introducing inductance make it necessary to use switches radically different from the ordinary air break types.
Fig. 2,222.—General Electric central station triple pole single throw oil switch; view of switch in tank. This type is for pressures up to 110,000 volts, being adapted for stations employing open wiring, since the connections are made at the top of the switch and its construction obviates the need for isolating it in a cell. One tank with two breaks in series are used for each phase.
The opening of circuits of considerable current value with inductive loads is not possible with old style switches which[Pg 1603] were quite adequate for the service for which they were designed. These circuits are controlled with ease and certainty by the oil switch.
Figs. 2,223 to 2,226.—Westinghouse indoor, two pole double throw oil switch for pressures not over 6,600 volts. Fig. 2,223, open position; fig. 2,225, closed position. This type of switch is suited for a wide range of application, being made in both switchboard and wall mounting styles; also for remote mechanical control by the use of bell cranks and connecting rods. The wall mounting style is adaptable to motor installations on account of the facility with which it may be mounted on any support, convenient to the motor operator. The lever and handle extend outward over the oil tank, so that the switch may readily be mounted against a wall, post or any vertical support. The characteristic features of this type of switch are: knife blade contacts submerged in oil; live parts carried on a porcelain base affording a permanent insulation between adjacent poles, and between the frame and live parts; compactness and accessibility; enclosure of all live metal parts; and low first cost. Each contact jaw has attached to it an arcing piece which takes the final break, thus preventing any burning of the jaws. These arcing pieces are inexpensive and readily replaced when worn or burnt away. The contact making parts are enclosed in a sheet metal oil tank which has an insulating lining. The leads are brought out at the top. Connections to the outside circuit are made inside the switch and a porcelain insulator is slipped over the joint, thus providing a straight continuous connection from the line with maximum insulation. On the 6,600 volt switch, insulation is obtained by the use of porcelain bases for supporting the live parts. In the 3,300 volt switch specially treated wooden bases are used, suitable barriers being provided between the poles where necessary to prevent arcs communicating.
Ques. What is an oil switch?
Ans. One in which the contact is broken under oil.
This type of switch is the one almost universally used on high pressure alternating current circuits, because of the fact that the oil tends to cause the current to break when at its zero value, thus preventing the heavy arcing which would occur with an air break switch, and the consequent surges in the line which are so often the cause of breakdown of the insulation of the system.
Fig. 2,227.—Kelman electric control unit for oil switch. It consists of an iron frame which contains the opening and closing coils and the bearings for the operating bell crank. A small switch on the frame automatically opens the coil circuit at the end of the stroke in either direction and operates signal lamps to indicate the open or closed position. The automatic overload release opens the switch by closing the opening coil circuit. This electrical operating unit gives satisfactory service through a wide variation of voltage. It requires a momentary expenditure of energy of from 1,500 to 4,000 watts, depending on the size.
Ques. What is the nature of an oil break?
Ans. It is not a quick break.
Oscillograph records show that the effect of the oil is to allow the arc to continue during several cycles and then to break the current, usually at the zero point of the wave.
Remote Control Oil Switches.—It is desirable in the case of switches on high pressure circuits to locate the parts which carry the high pressure current at some distance from the switchboard in order that they may be operated with safety.
With respect to the manner in which the switches are operated they may be classed, as
Figs. 2,228 and 2,229.—Views showing mechanism of hand operated remote control switches. Fig. 2,228, straight mechanism; fig. 2,229, angular mechanism.
Ques. What kind of power is used?
Ans. Electricity is used in most cases; in some installations, switches are operated by compressed air.
Ques. For what pressures should remote control switches be used?
Ans. For pressures above 1,100 volts.
Ques. Describe the operating mechanism of a remote control, hand, and electrically operated switch.
Ans. For hand operation, the mechanism between the operating lever and switch proper, consists simply of a system of links and bell cranks. Various shapes of bell crank are used, to permit change in direction or position of the force applied to operate the switch.
Fig. 2,230.—Pacific oil switch with solenoid control, designed for 60,000 and 70,000 volt installations; it is capable of handling a 25,000 kw. generating station. The break is horizontal, made by the rotation of a flat member edgewise through the oil. The solenoid, at its extreme outer position, has a free start before commencing to move the control parts of the switch. As it approaches the extreme inner position, where the opening spring and the contacts begin to offer the greatest resistance, the magnetic action is, of course, most powerful, and the leverage by which it is applied moves to an increasing radius, by means of rollers working in the curved slots of the control shaft levers. These curved slots and rollers have the additional advantage of making the opening action very free and smooth. The tripping coil does not act on the latch directly, but gives a hammer blow that is positive. The latch proper is a roller having a powerful hold and easy release. Current can not be left on either the closing or opening coils, as they are automatically cut out by the movement of the switch.
Ques. Name two classes of electrically operated remote control switch.
Ans. Those operated by solenoids, and those operated by motors.
The solenoid type are closed by the action of a plunger solenoid, and opened either by another solenoid called a "tripping coil" or by gravity. Some examples of remote control are shown in the accompanying illustrations.
Ques. What indicating devices are used with electrically operated switches?
Ans. Red and green lamps; red for closed and green for open as shown in fig. 2,231.
Fig. 2,231.—Diagram of connections of motor operated remote control switch. The motor which operates the switch is controlled by a small lever generally mounted on the panel with the instruments which are in the circuit controlled by the switch. The standard pressure for operating the motors is 125 volts.
Ques. For what service are motor operated switches used?
Ans. For exceptionally heavy work where the kilowatt rupturing capacity is greater than that for which the other types are suitable.
Fig. 2,232.—General Electric motor operated three phase oil switch. The operation of the oil switch is accomplished by a small hand controlling switch, generally mounted on the panel, with the instruments which are in the circuit controlled by the oil switch. The standard pressure for the operating motor is 125 volts. The switch has six breaks, each break being a separate tank. In addition to this isolation of the breaks, each phase is enclosed in a fireproof brick compartment, making it impossible for trouble in one phase to be communicated to another. The cells are constructed of brick with top and bottom slabs of slate. The capacities of such switches, range from 2,500 to 60,000 volts, and from 100 to 1,000 amperes.
Rupturing Capacity of Oil Switches.—While an oil switch may be designed for a given pressure and to carry a definite amount of current, it should not be understood that the switch will necessarily rupture the amount of normal energy equivalent to its volt ampere rating.
Figs. 2,233 to 2,235.—Diagrams showing connections for General Electric single, double, and triple pole, solenoid operated remote control switches. The operating coils are shown connected to main switch circuit, but may be connected to an entirely separate control circuit. Connections are the same for either alternating or direct current.
Oil switches are often used on systems with generator capacity of many thousand kilowatts. It is therefore essential that the switches shall be able to break not only their normal current, but also greatly increased current that would flow if a short circuit or partial short circuit occur.
Fig. 2,236.—Westinghouse three pole hand operated remote control oil switch, adapted for the control of alternating current circuits of small and moderate capacities, the pressures of which do not exceed 25,000 volts. Each unit is installed in a separate masonry compartment. The open position of contacts is maintained by gravity. Up to and including the 600 ampere capacity, the contacts are cone shaped with an arcing tip, as shown for capacities in excess of 600 amperes, brush contacts are furnished with auxiliary arcing contacts of the butt type. Each pole has two sets of contacts, thus providing a double break in each line. With both types of contact, the final break of the arc is taken and the main contacts protected by auxiliary arcing contacts which are inexpensive and readily renewable. The upper or stationary contacts are mounted on porcelain insulators secured in the soapstone base. The lower or movable contacts are carried by a wooden rod connected to and moved vertically by the operating mechanism. The operating mechanism of the hand operated breaker consists of a simple system of levers, bell cranks, and rods. The necessary energy for making a positive contact is small owing to the use of a toggle mechanism. The leads are brought out of the top of the breaker through heavy porcelain insulators. On breakers above 3,500 volts, the connections to the line wires are made by means of a union which can be tightened with a socket wrench fitting inside the insulator. As the leads coming into the switch are necessarily insulated wire or cable, this arrangement eliminates all exposed live parts and is well adapted to making connections readily to bus bars located above or in the rear of the circuit breakers.
Fig. 2,237.—Cutler-Hammer enclosed float switch, designed for the automatic control of alternating current motors operating pumps used to fill or empty tanks, sumps or other reservoirs. The switch is operated by the rise and fall of a copper float which is connected to the switch lever by a brass rod or copper chain. As the water level rises and falls, the float moves up and down. This movement is transmitted to the switch lever and the switch (if the movement be sufficient) is tripped to make or break the motor circuit. To insure the best operation it is necessary that the float rod be provided with a guide so that the float will move up or down in a vertical line, as shown. The minimum difference in water level at which the switch will operate is approximately 10 to 12 inches. When the float is placed in a closed tank, the minimum height inside from the bottom of the tank to the top should be at least 6 inches greater than the difference in water level to provide sufficient clearance for the float. When this type switch is used as a tank switch, the contacts are closed when the water level is low, putting the motor, driving the pump, in motion. When the water in the tank reaches a predetermined high level the float arm opens the switch contacts, and the motor is disconnected from the line. For sump pump purposes, the contacts open on low level and close on high level, the lever being reversed for this purpose. Two pole, three pole and four pole switches of this type are made, all arranged to completely disconnect single phase, two phase and three phase motors from their circuits. When used with small motors which may be thrown across the line to start, the switch may be used without a self starter if desired.
Under short circuit conditions alternators develop instantaneously many times their normal load current, while the sustained short circuit current is approximately two and a half to three times normal, or even higher with turbine alternators.[Pg 1612] Hence, circuit breakers of the so called instantaneous type must be capable of rupturing the circuit when the current is at a maximum, whereas, non-automatic switches, or circuit breakers with time limit relays will be required to interrupt only the sustained short current circuit. The reason is evident, since the delay in opening the switch allows the current to approach the sustained short circuit conditions.
In any electric installation there must be provided a number of automatic devices to secure proper control. The great multiplicity of devices designed for this purpose may be divided into two general classes, as
Because of the heating effect of the current which increases in proportion to the square of the strength of the current, it is necessary to protect circuits with devices which do not allow the current to exceed a predetermined value.
Accordingly fuses, circuit breakers, reactances, etc., are used, each possessing certain characteristics, which render it suitable for particular conditions of service.
For instance, just as in analogy, steam boilers must be protected against abnormal pressures by safety valves, electric circuits must be guarded against excessive voltages by pressure limiting devices, otherwise much damage would occur, such as the burning out of incandescent lamps, grounding of cables, etc.
The control of steam is simple as compared to the electric current, the latter being the more difficult to manage because of its peculiar behaviour in certain respects, especially in the case of alternating current which necessitates numerous devices of more or less delicate construction for safety both to the apparatus and the operator.
Fuses.—A fuse is "an electrical safety valve", or more specifically, the actual wire or strip of metal in a cut out, which may be fused by an excessive current, that is to say, by a current which exceeds a predetermined value. A fuse, thus serves to protect a circuit from any harm resulting from an undue overload.
Fuses have been treated at such length in Guide No. 2, Chapter XXV, that very little can be said here, without repetition.
Fig. 2,238.—Sectional view of Noark 250 volt, 400 ampere enclosed fuse. The fusible element is divided into strips A, B, C, and D. This parallel link construction results, upon the operation of the fuse, in the formation of a number of small arcs, thus facilitating the absorption of the metal vapor formed when the fuse blows. The fusible strips, of which there are two or four in number, according to the ampere capacity of the fuse, are entirely surrounded by a granular material which is chemically inactive with respect to the fusible link and whose function is to absorb the metallic vapor formed upon the blowing of the fuse. The contact blades T and L are made of round edge copper, the round edges facilitating the insertion of the fuses in the circuit terminals. R and S are the end ferrules, attached to cover E, by the pin M.
Ques. What effect have the terminals on a fuse?
Ans. The current at which a fuse melts may be greatly changed by the size and shape of the terminals.
If near together and large, they may conduct considerable heat from the fuse thus increasing the current required to blow the fuse.
Ques. What is the objection to large fuses?
Ans. The discharge of molten metal when the fuse blows is a source of danger.
Ques. What should be used in place of large fuses?
Ans. Circuit breakers.
Ques. What are the objections to fuses in general?
Ans. The uncertainty as to the current required to blow them; the constant expansion and contraction is liable to loosen the terminal screws when screws are used.
Ques. What is the advantage of fuses?
Ans. They form an inexpensive means of protecting small circuits.
Fig. 2,239.—Cross section through plug fuse. With this type of fuse it is impossible to place any except the correct size of plug in the socket.
Ques. Describe a plug fuse.
Ans. It is constructed as shown in fig. 2,239, the fuse wire being visible and stretching between the two metal portions of the plug.
Ques. What is a cut out fuse?
Ans. One similar to a simple fuse, but provided with clip contacts as used for knife switch contacts.
The fuse wire is usually contained in a china or porcelain tube, which also serves the purpose of a handle for withdrawing the fuse.
Ques. What is an expulsion fuse?
Ans. One in which the fuse is placed in an enclosed chamber with a vent hole.
In operation, when the fuse blows, the hot air and molten metal are expelled through the vent.
Ques. What is a no arc fuse?
Ans. A cartridge type fuse, in which the space surrounding the fuse wire is filled with powdered material.
Fig. 2,240.—Inside view of end ferrule of Noark enclosed fuse. Two prongs O and V, which are a part of the knife blade K, pass through the square holes in the ends of the ferrule R, and are riveted to the anchor plate T. The object of this plate is to stiffen the structure and to increase the current carrying capacity of the metal between the holes, also to permit of proper alignment of the plates. In each ferrule is placed a vent screen, composed of reticulate material, such as cheese cloth. The fuzz between the threads of the cheese cloth prevents the escape of the granular material through the vent holes A, but when the fuse operates, allows free egress of the air, thereby permitting the vapor formed upon the operation of the fusible element to quickly and freely pass through the interstices of the filling material and become cooled, eliminating any possibility of flame issuing from the ends of the tube.
The object of the powdered material is to assist in extinguishing the arc formed when the fuse blows.
Ques. What is a magnetic blow out fuse?
Ans. An enclosed fuse which is subject to the action of a magnetic field produced by the current, the magnetic field tending to blow out the arc when fusing occurs.
Ques. What is a quick break fuse?
Ans. One having a weight suspended from its center, or springs attached to its ends so that the arc formed at fusing is quickly attenuated and extinguished.
Ques. What is the disadvantage of a fuse as compared to an oil switch circuit breaker?
Ans. When a fuse blows, the arc causes oscillations in the line, which cause excessive rise of pressure under certain capacity conditions, whereas this disturbance is reduced to a minimum with an oil switch.
Fig. 2,241.—Quick break fuse. The fuse wire is connected between the fixed terminal A and the movable arm B, and is held under tension by the spring which exerts pressure on the movable arm in a direction tending to separate A and B. In operation, when the fuse blows, the movable arm quickly moves to the position B´, thus attenuating the arc and accelerating its extinguishment.
Ques. What metal is used for fuse wires?
Ans. Various metals. Ordinary fuse wire is made of lead or an alloy of lead and tin.
Ques. What is the objection to aluminum?
Ans. It becomes coated with oxide or sulphide, which acts as a tube tending to retain the metal inside and prevent rupture.
Ques. What is the objection to copper?
Ans. Its high fusing point.
Current Limiting Inductances.—The great increase in capacity of power stations, for supplying the demands of densely populated centers and large manufacturing districts, together with the decrease in the reactance of modern alternators and transformers due to improvement in design to obtain better regulation, has presented a problem in apparatus protection not contemplated in the earlier days of alternating current distribution. This problem is entirely separate and distinct from that of eliminating the tendency toward short circuit, incident to the high voltages now common in transmission lines. It accepts that all short circuits must occasionally occur and considers only the protection of the connected apparatus against the mechanical forces due to the magnetic stresses of such enormous currents.
Fig. 2,242.—Notched end fuse. This is a simple form of fuse consisting of a strip of metal (or wire) fixed between two end pieces to fit around the terminals. This type is often proportioned so that it is only possible to place the correct size of fuse in the terminals. Sometimes, in place of the end pieces as shown, the fuse metal is fixed between two clamping screws.
Ques. What means are employed to limit the value of a short circuit current?
Ans. A current limiting inductance coil (called a reactance) is placed in series with the alternators or transformers.
Fig. 2,243.—General Electric current limiting reactance; view showing details of construction. The core consists of a hollow concrete cylinder, alloy anchor plates or sockets being embedded in the core near the ends to receive the radial brass bolts. An extension at each end of the core provides for clamping and bracing the reactance in installation. The supports for the winding are made of resin treated maple and are located upon the core by radial brass studs screwed into the alloy sockets, and insulated by mica tubes. The nuts by which the structure is tightened, rest upon heavy fibre washers. Wooden barriers fitted and shellacked into the supports add to the creepage surface between layers of the winding and between the winding and the core. The supports of the layer next to the core are separated from the core by strips of treated pressboard. The coil consists of bare stranded cable in several layers, usually three in number. It is wound into grooves in the treated wood supports, which are protected from contact with the cable by heat shields of asbestos shellacked into the grooves. The winding is usually in the form of two back turn sections, thereby allowing the terminals of the coil to be brought out at the ends of the outside layer. This assures accessibility and ease of connection, and the removal of the leads from proximity to the core. Two turns at each end of the winding are given extra spacing for the purpose of additional insulation. The final turn at each end of the coil is securely held in place by alloy clamps bolted to the supports. The wood is protected from contact with the clamps by shields of asbestos. The ends of the cable between the two sections are welded by the oxyacetylene process.
Ques. What are its essential features of construction?
Ans. It consists of bare stranded cable wound around a concrete core and held in place by wooden supports as shown in fig. 2,243.
In order to avoid the prohibitive expense of high voltage insulation, the reactance coil is designed for the low tension circuit. This requirement prohibits the use of a magnetic core which, if economically designed for normal operation, would become saturated at higher densities, or, if designed large enough to avoid saturation at short circuit conditions, would become prohibitive in cost and dimensions.
The elimination of all magnetic material from the construction of the concrete core reactance permits of no saturation, and assures a straight line voltage characteristic at all current loads.
Fig. 2,244.—Westinghouse magnetic blow out circuit breaker, designed for the protection of street railway and electric locomotive equipments; it serves the combined purpose of fuse block and canopy switch. The contact tips are surrounded by a moulded arc chute which confines and directs the arc until the magnetic blow out extinguishes it. The current carrying contacts consist of copper strips separated by air spaces. An auxiliary contact or "arcing tip" at the end of the switch lever takes the burning of the arc when the breaker opens, and thus confines the burning to a very small piece which can be easily removed and replaced at small cost. The hand tripping lever and the resetting lever have insulated handles, so that they can be safely handled, even in the dark.
Ques. Where is the proper location for a current limiting reactance?
Ans. As near the alternator as possible.
Ques. Why?
Ans. To lessen the possibility of a short circuit occurring between the reactance and the alternator.
Ques. Beside limiting the current, what other service is performed by the reactance?
Ans. It protects the alternator from high frequency surges coming in from the outside, and limits the current from other machines on the same bus.
Fig. 2,245.—General Electric magnetic blow out circuit breaker. This type may be used in air or water tight boxes and is peculiarly adapted for service where the arc must be confined.
Circuit Breakers.—The importance of circuit protective devices, commonly called circuit breakers, is fully recognized. The duty of a circuit breaker is to protect the apparatus in an electrical circuit from undesirable effects arising from abnormal conditions, by automatically breaking the circuit. Accordingly a circuit breaker must comprise a switch in combination with[Pg 1622] electrical control devices designed to act under abnormal conditions in the circuit.
A circuit breaker is a device which automatically opens the circuit in event of abnormal conditions, in the circuit.
Fig. 2,246.—Magnetic blow out circuit breaker. This is a direct current breaker in which the final break occurs in a magnetic field. It is a principle in electromagnetics that a conductor carrying a current in a magnetic field will tend to move in a direction at right angles to the field. The arc set up on breaking a circuit constitutes a conductor, and in magnetic blow out circuit breakers, as generally manufactured, there is an electromagnet, energized by the current to be broken, which produces a field in the neighborhood of the arc, with the result that the arc moves outward, and so becomes attenuated and is finally extinguished. The form shown in the figure is used on cars equipped with heavy motors. When so used, it is in many cases mounted in a box with the handle H projecting at one end. A and K are the terminals of the breaker and B is the tripping coil, which also serves to set up the magnetic field necessary for blowing out the arc. X is the armature of coil B and is pulled down against the action of the spring S whenever the current exceeds that for which the breaker is set. The tripping current is adjusted by means of nut T. The iron plate P and a similar one back of it are magnetized by the current in coil B, and as the break takes place between these two poles, the arc is promptly extinguished by the field that exists there. In operation, A and K are the terminals, D D is a contact that is forced up against F, F when the breaker is set. The current then takes the path A-B-F-D D-F-K. When the breaker trips, the contact piece D D flies down and the tendency is for an arc to form between F, F; the magnetic field blows the arc upwards, and whatever burning takes place is on the contacts E, E, which are so constructed that they may be readily renewed. To trip the breaker by hand, the knob N is pressed.
In the design of circuit breakers, there are several methods used to effect the rupturing of the arc between contacts when opened on heavy overload, such as:
1. Magnetic blow out; 2. Thermal break; 3. Carbon break.
In the magnetic blow out type, the arc is extinguished between auxiliary contacts confined by a chute in which the arc is rapidly blown out due to a powerful magnetic field from one or more electromagnets. This type may be used in air or watertight boxes and is peculiarly adapted for service where the arc must be confined.
Fig. 2,247.—Thermal overload circuit breaker. In construction two contact blocks are fixed rigidly to, but insulated from, the switch arm. They are connected electrically by two parallel strips of suitable metal, each fitted with a steel catch piece. When the switch is closed the strips are sprung apart over a fixed catch, and the full rated current does not release the catch. Overload causes the strips to move apart, and the circuit breaker flies off under the action of a spring.
In a carbon break type, the arc is finally ruptured between carbon break contacts. The breaking of the circuit is accomplished progressively, that is to say, it is done in three stages, by several sets of contact, known respectively as
In operation, as the circuit breaker acts to break the circuit, first the main contacts, separate, then the intermediate contacts, and finally the carbon contacts between which the arc is ruptured.
Ques. What is the object of the intermediate contacts?
Ans. To prevent the forming of an arc on the main contacts.
Fig. 2,248.—Carbon break discs of Condit circuit breaker. The two pairs of similar discs which slide past each other are so arranged that these surfaces coincide at the instant the intermediate contacts separate after which, as the contact arm opens further, they gradually disengage.
Ques. What is the object of the carbon contacts?
Ans. First to protect the intermediate contacts by providing a path for the current after the intermediate contacts separate, and 2, to "slow down" the current by means of the considerable resistance of the carbon, thus reducing to a minimum the arc which is formed when the carbon contacts separate.
Ques. How is the automatic operation of a circuit breaker usually accomplished?
Ans. Usually through the medium of a solenoid, or electromagnet energized by current from the circuit controlled by the breaker.
Fig. 2,249.—Mechanically connected insulated latches used on Condit circuit breakers to produce inter-locking tripping.
The essential features of construction and operation of a circuit breaker is shown in the elementary diagrams, figs. 2,250 to 2,253. In construction as shown in fig. 2,250 it consists essentially of three sets of contacts, a swinging contact arm which is set in the closed position by the handle operating through the toggle joint, the movement of which is limited in the closing direction by the stop. The latter is made adjustable by an eccentric pin or equivalent. Connected to the toggle is the plunger of the solenoid whose winding is energized by current from the circuit which the circuit breaker is to control.
Figs. 2,250 to 2,253.—Elementary diagrams illustrating the operation of a carbon circuit breaker of the overload type, showing the progressive opening of such device. Fig. 2,250, closed position; fig. 2,251, main contacts open; fig. 2,252, intermediate contacts open; fig. 2,253, carbon contacts open, circuit broken.
In operation, the circuit is closed by hand by turning the handle downward to the position shown in fig. 2,250, that is as far as it will go.
Since the toggle has passed the center line the arm will be held normally in this position because of the spring action of the contacts. Now, if the current rise above a predetermined limit, the pull exerted by the solenoid will overbalance the tendency of the toggle to remain in the closed position, and pull the two toggle links downward below the center line, drawing the contact arm back and breaking the circuit.
Fig. 2,254.—I-T-E overload circuit breaker. In operation: the current from one side of the circuit enters the circuit breaker at A, passing through the laminated bridge B to contact block C, thence through coil D and terminal E to the motor. The coil D surrounds a magnetic core, having pole pieces F and G and armature H. The effect of the current in the coil is to energize the magnet, thus tending to lift the armature against the force of gravitation. The volume of current required to trip the circuit breaker is determined by the position of the armature, which is subject to ready adjustment, and is indicated on the calibration plate P. From the opposite side of the line, the current enters at I, passing downward through the laminated bridge member J, into terminal K, whence it passes out to the motor. When the current passing through the circuit breaker attains sufficient volume, the force generated by the magnetic coil overcomes the weight of the armature H; and the latter is drawn upward toward the pole pieces with constantly increasing force, until the insulated projections L and M strike against the respective restraining latches N and O, thereby releasing the two switch members, which at once open in response to the force supplied by the spring of the contact members and auxiliary springs provided for the purpose. Positiveness in opening is further assured by the blow of the armature, which is added to the other opening forces; hence, the heavier the overload, the more violent the blow and the quicker the circuit breaker opens; or the greater the current the more promptly it is interrupted. This is the I-T-E or Inverse Time Element principle.
Fig. 2,255.—Condit 600 volt, 1,200 ampere, single pole, type K, circuit breaker with pull down handle.
Fig. 2,256.—Condit 600 volt, 6,000 ampere, single pole, switch board mounting, circuit breaker, with pull down handle.
Fig. 2,257.—General Electric triple pole, overload, circuit breaker, with two overload coils, capacity 300 amperes, 480 volts.
The progressive action which takes place during this operation is shown in figs. 2,250 to 2,253 in which the main contacts separate first, then the intermediate, and finally the carbon contacts as mentioned before.
Ques. What name is given to this type of circuit breaker?
Ans. It is called an overload circuit breaker.
Fig. 2,258.—Parts of General Electric 2,000 ampere 650 volt circuit breaker. A, cover for secondary contact bracket; B, spring washer for Ea.; C, pin for links and G; D, spring for carbon support; E, plate for F; F, carbon support; G, secondary contact bracket; H, contact plate; I, screw for H; J, nut for K and W; K, contact stud, upper; L, laminated brush, complete with support; M, leather buffer for L; N, main link; O, pin for Na and La left hand and Cb and Na right and left hand; P, screw for N and magnet frame shaft; Q, washer for N and magnet frame shaft; R, screw for S and V; S, index plate; T, plate for Gb; U, screw for T; V, magnet frame; W, contact stud, lower; X, pin for Cb, Na and V; Y, washer for X and O; Z, calibrating screw with thumb nut; Aa, armature with contact plate; Ba, catch lever complete with catch Ca, button handle for Ba; Da, spring cotter for Ea; Ea, pin for F and Fa; Fa, operating link for G; Ga, pin for D; Ha, carbon holder with copper and carbon contacts; Ia, flexible connections for G and F; Ja, screw for G and flexible connection plate; Ka, screw for Na and Ha; La, copper secondary contact; Ma, screw for La; Na, secondary contact lever; Oa, cross bar for Na; Pa, screw for L and M; Qa, secondary toggle link (left hand); Ra, spring cotter for Wa and O; Sa, brush lever; Ta, buffer for Cb and Sa; Ua, secondary toggle link (right hand); Va, washer for Wa; Wa, pin for Cb, Qa, Ua and N; Xa, pin for Sa and Cv; Ya, spring cotter for all pins, except Wa, catch lever pin and buffer; Za, secondary contact link; Ab, washer for Fb; Bb, guard for Fb; Cb, handle lever; Db, catch for Cb; Eb, screw for Db; Fb, handle with stud; Gb, secondary connection.
Automatic Features.—There are three methods of connecting the winding of the solenoid, or trip coil as it is called:
Figs. 2,259 to 2,262.—Elementary diagrams illustrating the various methods of electromagnetic control for circuit breakers. Fig. 2,259, overload trip; fig. 2,260, underload trip, fig. 2,261, low voltage trip; fig. 2,262, control from auxiliary circuit by means of a "relay."
Fig. 2,263.—Diagram of General Electric low voltage trip with tripping switch normally open.
The automatic controls arising from these connections give various kinds of protection to the circuit and are known as
Fig. 2,264.—Diagram of General Electric low voltage trip, with tripping switch normally closed.
Ques. What is the object of the overload trip?
Ans. It is intended to open the circuit when the current exceeds a predetermined value.
Ques. What modifications are made in the mechanism shown in the elementary diagrams?
Ans. Sometimes a latch is used in place of the toggle and a magnet in place of the solenoid as in figs. 2,265 and 2,266.
Ques. Why is a magnet used in combination with a latch?
Ans. Because with this arrangement very little movement is required to trip the breaker, and for such conditions, a magnet is more efficient than a solenoid.
Figs. 2,265 and 2,266.—Circuit breaker with automatic control mechanism consisting of magnet and latch; views showing breaker in open and closed positions, and essential features. The toggle is used to obtain sufficient leverage to easily close switch against the pressure of the brush contacts but not to lock switch, this being done by the latch as shown, the latter closing by the action of a spring, there being a roller R at the end which engages the arm to reduce friction. In operation, when the current exceeds a predetermined limit the magnet attracts the latch and releases the contact arm. The brush contacts which are exerting pressure against the contact arm, rapidly push it away, and assisted by gravity, the arm flies open to the position shown in fig. 2,266.
Ques. How does the latch arrangement work?
Ans. When the proper current is reached, the magnet pulls open the latch and the contact arm of the breaker moves by the force of gravity or other means and opens the circuit.
Ques. How does the underload trip operate?
Ans. The same as the overload type except that they operate on a diminution of current instead of an excess.
Figs. 2,267 and 2,268.—Positions in circuit of current and pressure coils of circuit breakers.
Ques. Describe the no voltage trip.
Ans. The energy for the trip of this breaker is derived from a high resistance or fine wire coil which is arranged to be placed directly across the line, in operation, when the current flowing through the circuit falls below a predetermined value, the energy of the coil is insufficient to counteract the force of a spring, which then trips the breaker.
Fig. 2,269.—Diagram of General Electric shunt trip with coil connected beyond breaker and thrown out of circuit after tripping.
Ques. Describe the auxiliary circuit trip.
Ans. A pressure coil is used which is energized by current from an auxiliary circuit. The coil is only momentarily energized, by push button, relay or other control, as distinguished from the preceding types, in which the coil is constantly energized.
Fig. 2,270.—Diagram of General Electric shunt trip with auxiliary circuit opening switch to throw coil out of circuit after tripping.
Fig. 2,271.—General Electric shunt trip attachment. The shunt trip attachment has been designed to provide for conditions under which the low voltage attachment cannot be successfully applied. It resembles the low voltage attachment in construction, but differs in that it trips the circuit breaker when energized. The shunt trip should be allowed to remain only momentarily in circuit; hence it should be so connected that the opening of the circuit breaker immediately disconnects it from the circuit. Whenever it is impossible to connect the shunt trip in this manner, the circuit opening auxiliary switch should be used in connection with it.
Fig. 2,272.—General Electric low voltage attachment for circuit breakers. This low voltage trip is designed to operate the circuit breaker when the line voltage drops to approximately 50 per cent or less of the normal voltage. It should be noted that the coil is always in circuit, as is the case with the overload and underload coils, and that it operates with the releasing of its armature. It is always necessary to use a fixed amount of resistance (depending upon the voltage of the system) in series with the low voltage release. The low voltage release performs the functions of a shunt trip coil when used in conjunction with a push button, auxiliary switch or speed limiting device, and is generally preferred to the shunt trip attachment.
Fig. 2,273.—General Electric circuit opening auxiliary switch. This switch opens an auxiliary circuit when the circuit breaker opens, and is intended to be used in connection with a shunt trip attachment to insure the immediate disconnection of the shunt coil from the circuit. It may also be employed to serve other purposes, such as tripping another circuit breaker having a low voltage attachment, and permitting another circuit breaker to remain closed only when the circuit breaker equipped with the auxiliary switch is open.
Ques. What other name is given to the auxiliary circuit trip?
Ans. It is sometimes called the shunt trip, though ill advisedly so.
Fig. 2,274.—General Electric circuit closing auxiliary switch. This switch closes when the circuit breaker opens, and may be used to announce the automatic opening of the circuit breaker through the means of an indicating lamp or an alarm bell. It is often necessary to arrange one circuit breaker so that, in opening, it will trip others. This may be accomplished by using a circuit closing auxiliary switch in connection with a low voltage or shunt trip attachment on the circuit breakers to be tripped. The construction of this type of switch is such that it may be opened by hand after the circuit breaker opens, but it is automatically reset when the circuit breaker is closed.
Relays.—Oil break switches and carbon break circuit breakers are commonly used to open electrical circuits at some given overload and on short circuit. To secure additional protection[Pg 1636] under a variety of abnormal conditions or to provide for a certain predetermined operation or sequence of operations, relays may be employed.
Fig. 2,275.—General Electric type C circuit breaker. Specially adapted to motor driven machine tool applications. For use in mills, machine shops, factories, foundries and office buildings. For general motor work, automobile charging outfits, storage batteries, rectifier sets, cranes, etc. List of parts: A, calibrating post; B, laminated contact; C, secondary contact spring; D, contact blade; E, cotter pin for G; F, toggle link; G, pin for D and F; H, stop for Aa; I, hinge frame; J, operating lever; K, pin for I and J; L, toggle link; M, connection; N, screw for M, O and P; O, nut for N and P; P, terminal; Q, tripping coil; R, calibrating screw; S, laminated contact; T, calibrating scale; U, calibrating spring; V, connection post; W, knob; X, washer for Y; Y, handle; Z, buffer; Aa, armature; Ba, laminated connection; Ca, connection; Da, base.
A relay is defined as: A device which opens or closes an[Pg 1637] auxiliary circuit under predetermined electrical conditions in the main circuit.
The object of a relay is generally to act as a sort of electrical multiplier, that is to say, it enables a comparatively weak current to bring into operation a much stronger current.
Fig. 2,276.—Diagram of connections of General Electric shunt trip coil with and without circuit opening auxiliary switch.
Ques. For what service are relays largely used?
Ans. They are employed in connection with high voltage switches where the small amount of energy derived from an ordinary instrument transformer is insufficient for tripping.
The connections between relays and circuit opening devices are usually electrical. Combinations of this nature are extremely flexible since they permit the use of a number of devices, each having a different function, with a single circuit breaker or oil switch as well as with two or more switches, to secure the desired operation and protection.
Selection.—In all electrical installations protection of apparatus is important, but in some large central stations this is secondary to continuity of service.
To combine maximum protection without interruptions of service is not always possible, but these requirements can be approximated very closely by the use of reliable and simple controlling or protecting devices if proper care be taken to select the relays suited to the special conditions of the installation. To do this intelligently, a knowledge of the various types of relay is necessary.
Fig. 3,073.—Diagram of connections of General Electric low voltage release coil when used with speed limiting device on rotary converter.
There is a multiplicity of types and a classification to be comprehensive, should, as in numerous other cases, be made from several points of view. Accordingly relays may be classified:
1. With respect to the nature of the service performed, as
2. With respect to the operating current, as
3. With respect to the manner of performing their function, as
4. With respect to the operating current circuit, as
5. With respect to the abnormal conditions which caused them to operate, as
6. With respect to the time consumed in performing their function, as
7. With respect to the character of its action, as
8. With respect to whether it acts directly or indirectly on the circuit breaker, as
Fig. 2,278.—General Electric overload and low voltage type C circuit breaker for 600 volts or less. It has one overload, and one low voltage coil as shown. Screens are provided between contacts.
Protective Relays.—These are used to protect circuits from abnormal conditions of voltage, or current, which would be undesirable or dangerous to the circuit and apparatus contained therein.
Ques. How do protective relays operate?
Ans. They act in combination with automatic circuit breakers, operating when their predetermined setting has been reached, energizing the trip coil of the circuit breaker and opening the circuit.
Fig. 2,279 shows the principles of relay operation. When the current or pressure in the main circuit reaches the predetermined value at which the protective system should operate, the relay magnet attracts the pivoted contact arm and closes the auxiliary circuit; this permits current to flow from the current source in that circuit and energize the trip coil thus opening the main circuit.
Fig. 2,279.—Diagram illustrating the operation of a circuit closing relay. When the predetermined abnormal condition is reached in the main circuit, the relay closes the auxiliary circuit, thus energizing the trip coil and opening the breaker.
Regulative Relays.—This class of relay is used to control the condition of a main circuit through control devices operated by a secondary circuit.
Ques. For what service are relays of this class employed?
Ans. They are used as feeder circuit or generator regulators.
Ques. How do they differ from protective relays?
Ans. They have differentially arranged contacts, that is to say, arranged for contact on either side of a central or normal position.
Fig. 2,280.—Diagram showing a railway synchronous converter protected by a single pole overload circuit breaker with low voltage release attachment and bell alarm switch. The low voltage attachment trips the breaker on failure of direct current voltage also when speed limit device closes. Internal troubles are taken care of by the alternating current automatic devices (not shown).
Communicative Relays.—These are used for signalling in a great variety of ways for indicating the position of switching apparatus or predetermining the condition of electric circuits.
A. C. and D. C. Relays.—As here used, the classification refers to the kind of current used on the auxiliary circuit. In some cases direct current is used to energize the trip gear of the circuit breaker or oil switch, and in others, alternating current.
Fig. 2,281.—Diagram showing three phase motors protected by triple pole overload circuit breakers, with two overload coils, also one overload coil and low voltage release coil. The use of the low voltage release allows the breaker to be tripped from a distance by means of a short circuiting switch or push button.
A. C. and D. C. relays are respectively known as circuit opening and circuit closing relays, being later fully described.
Circuit Opening Relays.—The duty of a circuit opening relay is to open the auxiliary circuit, usually alternating current,[Pg 1644] nd thereby cause the oil switch or circuit breaker to be opened by the use of a trip coil in the secondary of a current transformer, or by low voltage release coil.
The trip coil of the breaker is generally shunted by the relay contacts and when the moving contact of the relay disengages from the stationary contact, the current from the transformer which supplies the relay, flows through the trip coil thus opening the breaker. These features of operation are shown in fig. 2,282.
Fig. 2,282.—Diagram illustrating the operation of a circuit opening relay. When the relay contacts are in the normal closed position, as shown, the coil is short circuited. When the predetermined abnormal condition is reached in the main circuit, the relay contacts are opened with a quick break, sending the current through the trip coil momentarily, and opening the breaker.
Ques. Where are circuit opening relays chiefly employed?
Ans. In places where direct current is not available for energizing the trip coil.
Ques. What is the objection to alternating current trip coils?
Ans. They have relatively high impedance and impose a heavy volt ampere load on the transformers.
Circuit Closing Relays.—The duty of a circuit closing relay is to close the auxiliary circuit at the time when the predetermined abnormal condition is reached in the primary circuit. The closing of the auxiliary circuit energizes the trip coil and opens the breaker.
Figs. 2,283 to 2,291.—General Electric instantaneous overload circuit opening relays, covers removed. Circuit opening relays are used chiefly in those cases where direct current for the tripping circuit is not available. Alternating current trip coils have relatively high impedance and impose a heavy volt ampere load on the current transformers. To reduce this load during normal operation the circuit opening relay is frequently used and is usually necessary where instruments and meters are to be operated on the same current transformers as the trip coils if the greatest accuracy be required. The relay contacts in the normal, closed position, short circuits the trip coil. When the relay operates on overload or other abnormal condition the contacts are opened with a quick break, sending the current through the trip coil circuit momentarily and tripping the switch. With circuit opening relays, the trip coils of the oil switch must be set to trip somewhat lower than the setting of the relay. In construction the relay consists of a solenoid with iron frame forming the support for the relay; a central plunger or armature of special construction which is picked up or released by the magnetic action of the solenoid; a plunger rod which actuates the relay contacts, which are mounted on an insulated base usually above the solenoid; a tube or plate for the calibration marking and adjustment; covers of glass or metal to keep out dust; terminal boards with points corresponding to tagged leads from relay coils and external wiring diagrams. The relay contacts are of two kinds, circuit opening, as shown above, and circuit closing, as shown in figs. 2,292 to 2,300.
Ques. What kind of current is generally used for the auxiliary circuit of a circuit closing relay?
Ans. Direct current.
Ques. At what pressure?
Ans. From 125 to 250 volts.
Ques. Where is this current usually obtained?
Ans. From a storage battery, or from the exciter.
Ques. For what current are the contacts ordinarily designed?
Ans. About 10 amperes.
Figs. 2,292 to 2,300.—General Electric alternating current, instantaneous overload circuit closing relays, covers removed. The function of a circuit closing relay is to close an electrical circuit, usually direct current, through a trip coil on an oil switch or circuit breaker, or it may short circuit a low voltage release coil, and thereby open the oil switch or circuit breaker on occurrence of the condition upon which the relay is designed to operate. Direct current at 125 or 250 volts taken from exciter bus bars or storage battery system is generally used for the tripping circuit. Circuit closing contacts have a cone shaped central element of carbon or metal which makes contact with flexible contact fingers symmetrically arranged above the cone. These contacts will make and break a circuit of 10 amperes at 125 volts without the use of auxiliary circuit opening switches. Relays are made with two or three contacts for connecting one side of a direct current circuit through one or two separate circuits, or trip coils respectively, to the side of opposite polarity. Usually only two contacts are required. Where two or more trip coils are used, which may not be connected permanently in parallel, the three contact relays are selected and in some cases four contacts furnished.
Primary and Secondary Relays.—Primary relays are sometimes called series relays as they have the current coils connected directly in series with the line, both on high and low tension circuits.
Secondary relays receive their current supply from the secondary circuits of current transformers. Alternating current[Pg 1647] relays connected to secondary of pressure transformers and relays with both current and pressure windings are included in this class.
Ques. What is the usual winding of the coils?
Ans. The current coils are usually wound for 5 amperes and the pressure coils for 110 volts.
Fig. 2,301.—Alternating current low voltage circuit closing low voltage relay, for 600 volts or less. The contacts are similar to those of the circuit closing overload type except that they are inverted. As long as the pressure is normal the contact cone is held above the contacts. When the pressure falls below one half normal, the cone and plunger rod drop and close the contact. This relay does not pick up its own plunger. The plunger rod is pushed up by hand after the pressure circuit is established. Low voltage relays are generally used in connection with a low voltage release or shunt trip coil on an oil switch or a circuit breaker. They are used in connection with motor booster sets to prevent a disastrous speed of the booster which might result from the loss of alternating current power. They are also sometimes used for indicating purposes.
Ques. What refinement is made in the design of relays and why?
Ans. Care is exercised to reduce to a minimum the volt ampere load imposed by the relay on the current transformer to permit the use of un-stranded meters and relays upon the same transformer.
The use of circuit opening relays to cut out the trip coil of an oil switch during normal operation, has been described, and in the short time that the trip coil is in circuit, it does not affect the accuracy of the instrument readings. This practice, however, does not apply in the [Pg 1648]case of curve drawing meters, voltage compensators or other devices which have in themselves sufficient load for separate current transformers. In this connection it should be noted that to obtain accurate instrument and meter readings; the current transformers should not be loaded beyond certain limits which depend upon the volt ampere load and power factor of each of the connected devices.
Fig. 2,302.—Condit type K circuit breaker with shunt trip and no voltage attachment. The shunt trip is usually applied as an auxiliary to other types of trip. It consists of a fine wire coil which is mounted as a self-contained part of the breaker and which when energized, trips the circuit breaker. It is used to open the breaker from some distant point, and the coil is arranged to be connected across the line. The coils are so arranged that the circuit breakers will operate on a voltage 25% above or 25% below normal. The shunt trip coil is not intended to remain across the line and should be only momentarily energized. The no voltage trip, receives energy from a high resistance or fine wire coil which is arranged to be placed directly across the line, but in contradistinction to the shunt trip type, in which the coil is momentarily energized to trip the breaker, the no voltage coil is constantly energized and a decrease or failure of pressure trips the breaker. It can be used as a remote control device the same as the shunt trip. Its general use, however, is to cause the circuit breaker to open when the voltage of the line fails from any cause. Its use is recommended on all motor circuits, as it affords an additional protection against accidents, for if the voltage should fail, the breaker immediately opens, and before the machine can start again the attendant must close the breaker. It will not work for the protection of storage batteries or of motor generator sets charging storage batteries, as, when the voltage of the generator fails, the voltage of the battery still maintains its full value. The action of the coil is independent of the direction of flow of current; it simply allows the breaker to stay closed as long as the voltage is on the line and opens the breaker when the voltage on the line ceases. No voltage circuit breakers are normally so adjusted that they will not release until the voltage approaches 50% of normal.
So great is the variety of combination used and the variations of these factors in their several combinations at different loads and settings, that special consideration of each arrangement is advisable.
Fig. 2,303.—General Electric alternating current high pressure series overload relays controlling 45,000 volt oil switches. These relays are connected in series with the line. If current transformers are to be used on the same circuit for other purposes, and have sufficient capacity to supply energy for operating relay coils, then secondary relays would be more economical, otherwise the series relays are much less expensive. By means of a specially treated wooden rod, the relay operates a tripping switch, closing a separate tripping circuit, usually 125 or 250 volts direct current. Relays and switches are for mounting on flat surfaces. Series relays are essentially the same as secondary relays except in the coil winding and insulation. The corrugated horizontal arms which carry the relays, as shown, are insulated posts, insulating the relays from the ground. The wood rod from each relay is connected directly to a tripping shaft on the oil switch which buckles an auxiliary toggle, thereby opening the main toggle and tripping the oil switch.
Fig. 2,304.—Condit 600 volt, 1,500 ampere single pole back connected type K circuit breaker, motor operated. The mechanical and electrical features of the circuit breakers are no different than when hand operated, the only difference being that the motor is used for the operating means. This motor is so arranged that even should it over travel, due to an accident to the controlling circuit, it cannot produce more than a predetermined strain on the circuit breaker. In other words, after the motor has closed the circuit breaker, further travel of the motor will not result in putting a strain on the operating parts. Suitable motors are supplied for this service, the type of motor varying in accordance with the character of the operating current supplied. The advantage of this type of electrical operation is that it puts very little strain on the switch mechanism, takes very little operating current, allows the use of standard parts, and makes an extremely substantial and flexible structure. Its disadvantage is that it closes slowly, and it must not, therefore, be used in places where quick closing is essential.
Overload Relays.—Series relays are connected directly in series with the line and are chiefly used with high pressure oil break switches for overload protection. If current transformers are to be used on the same circuits for other purposes, and have sufficient capacity to admit of adding a relay coil, secondary[Pg 1650] relays would be more economical; otherwise, the series relays are less expensive.
By means of a specially treated wooden rod, the relay operates a tripping switch, closing a separate tripping circuit, usually 125 or 250 volts direct current. Series relays are essentially the same as secondary relays except in the coil winding and insulation.
Underload Relays.—These are similar in construction to low voltage relays but have current instead of pressure windings.
Over Voltage Relays.—These are usually of the circuit closing type and are similar to secondary overload relays, but have pressure instead of current windings.
Low Voltage Relays.—Relays of this class are in most cases used
[Pg 1651] for the protection of motors in the event of a temporary weakening or failure of the pressure. They are also used in connection with a low voltage release or shunt trip coil on an oil switch or a circuit breaker.
Reverse Energy Relays.—The chief object of this species of relay is to protect the generator. When so used, the overload adjustment is set at the maximum value to give overload protection only at the maximum carrying capacity of the generator and a sensitive reverse protection to prevent a return of energy from the line.
Fig. 2,305.—General Electric direct current solenoid control relay. Solenoids for operating large switches, etc., frequently require comparatively large operating currents in the "closing" coils. This necessitates the use of relatively heavy leads between the control switch and the solenoid and is the cause of severe arcing at the control switch, especially with solenoids of high inductance. These objectionable features can best be eliminated by the use of a suitable control relay located near the solenoids. The control relay consists of a solenoid plunger and switch, the latter insulated from the frame of the relay. It operates satisfactorily on one-half the rated voltage and requires only a very small operating current. The terminals of the switch and the relay coils are independent. The relay can be wound for operation on 125, 250, or 600 volt circuits.
Reverse Phase Relays.—This type of relay is used chiefly to prevent damage in case of reversal of leads in reconnecting wiring to two or three phase motors.
Time Element.—It is often inconvenient that a circuit breaker should be opened immediately on the occurrence of what may prove to be merely a momentary overload, so that time lag attachments are frequently provided, particularly with relays. These devices, which may form part of the relay or may be quite distinct from it, retard its action until the overload has lasted for a predetermined time—several seconds or more.
Fig. 2,306.—Alternating current series reverse phase single pole, circuit closing, two contact relay for 600 volts or less. This type of relay is used chiefly to open motor circuits for elevators to prevent damage in case of reversal of leads in reconnecting wiring to two or three phase motors. The relay is provided with a dust proof metal cover.
Ques. What should preferably govern the time lag?
Ans. It should depend on the extent to which the overload is reduced as the time elapses.
Instantaneous Relays.—The so called instantaneous relays operate almost instantly on the occurrence of the abnormal condition that they are to control.
There is of course a slight time element comparable with that of an overload circuit breaker, but for practical purposes, the operation may be considered as instantaneous.
Fig. 2,307.—Electric circuits of Condit type "A" relay. The construction is described in fig. 2,309. As here shown, the relay is not in operation, but should the current passing through the coil be of sufficient value to cause the lower movable half of the magnetic circuit to approach the upper stationary half of the circuit, the relay will be transformed from an ordinary electromagnet into a repulsion motor. The contact will short circuit the brushes of the armature and thus cause it to revolve, the speed of rotation being dependent on the amount of current flowing to a predetermined point, and thereafter the speed of rotation of the motor remains constant irrespective of the current value. Time adjustment: This is obtained by varying the distance through which the contact travels, provision being made whereby adjustment can be made as close as .1 of a second. Current adjustment: This is obtained by means of a calibrated spring. Standard relays are calibrated at 6, 8, 10, and 12 amperes, the coils being designed to carry five amperes continuously, with a temperature rise not exceeding 86° Fahr. Power to operate relay: The relay requires twenty volt amperes for its operation at full load; the influence of this type of relay on the ratio and phase angle of current transformers is small.
Time Limit Relays.—Under this classification there are two sub-divisions.
Fig. 2,308.—Characteristic curves of Condit type A selective relay. Curves 1, 2, 3, and 4 show the time variation of this relay with different settings at the various current values. The relay may be adjusted to trip the switch at any point represented between curves 1 and 4. This relay is a combination of an inverse time limit relay and a definite time limit relay. The combination of the characteristics of the two types are seen in the curve, the first part of which is inverse, and the latter part definite from a point of three or four times full load current. This combination of features being desirable as, for instance, in transmission work, particularly where it is necessary to use circuit breakers set selectively, as, due to the inverse feature of the curve, the relays can be set so that on a moderate overload, they will require the proper length of time to operate, and at the same time will operate quickly enough on heavy short circuits to prevent damage to the distribution system or its apparatus. Due to the definite feature of the latter part of the curve, the relays of the varying circuit breakers when once set to operate at different time values will never operate simultaneously irrespective of the value of the short circuit current, thus tending toward continuity of service.
Ques. Describe the time mechanism of a definite time limit relay.
Ans. It consists of an air dash pot, and an air diaphragm or equivalent retarding device connected to the contact mechanism.
Ques. How does it operate?
Ans. In some designs, when the contacts are released, they descend by gravity against the action of the retarding device thereby making contact a definite interval after the occurrence of the abnormal condition.
Fig. 2,309.—Condit type "A" selective relay, designed for use with circuit breakers where selective or discriminating action is required. The circuits and connections of this relay are illustrated in fig. 2,307, and its characteristics in fig. 2,308. In construction, the relay consists of a special motor with a short circuited armature and a split field. Under normal conditions, the fields are separated from each other and the motor armature does not revolve. The force tending to pull the two faces of the field together is opposed by a spring, the compression of which determines the number of amperes necessary to cause the relay to begin operation. The motor structure performs the whole work and the motor itself un-meshes and meshes the gears without the aid of any external device.
Ques. How does the inverse time limit type operate?
Ans. The actuating and contact mechanism is attached[Pg 1656] directly to an air bellows and in operation tends to compress the bellows against the action of a specially constructed escape valve in the latter.
Fig. 2,310.—Condit type "B" time limit attachment, designed to give sufficient time to allow an induction motor to start without opening the circuit breaker, and not have the circuit breaker trip on the momentary rush of current. Its action is inverse; that is, the greater the current the less time it takes to operate and is so arranged that four to five times full load current or a short circuit will trip the circuit breaker instantly. The time limit attachment is applied directly to the armature which trips the circuit breaker and is adapted for the so called primary trip. It consists of an air vacuum dash pot with a graphite piston, the dash pot being fastened to the stationary calibrating ring of the trip coil and the moving outside cylinder is fastened to the armature of the circuit breaker. When the current reaches a point where it overcomes the weight of the armature and lifts the same, the magnetic force tending to raise the armature is opposed by the vacuum created in the interior of the cylinder. As the magnetic force continues the vacuum is overcome due to the leakage of air past the plunger and the armature gradually moves up until it reaches the point where it trips the circuit breaker. If at any point of the armature travel, the current drop back to normal, the armature immediately resets itself by means of a ball valve in the top of the brass cylinder.
Ques. Why is the arrangement called inverse time limit?
Ans. Because the retardation varies inversely with the[Pg 1657] pressure on the bellows, and therefore inversely with the magnitude of the abnormal condition.
Ques. What other device may be used to retard the operation?
Ans. A damping magnet is sometimes used which acts on a disc or drum and which may be adjustable.
Figs. 2,311 and 2,312.—General Electric alternating current low pressure series overload relays. Fig. 2,311, instantaneous time limit relay; fig. 2,312, inverse time limit relay. These relays have carbon contacts and will make or break a direct current circuit of 10 amperes at 125 volts without auxiliary circuit opening switch. They are used where several circuits are controlled by one automatic oil break switch or one shunt trip, overload and shunt trip or low voltage release carbon break circuit breaker. These relays may be used for signal purposes; they are back connected, the connections can be seen in the illustrations.
Ques. How is the inverse time element introduced by this arrangement?
Ans. The retardation is due to eddy currents induced by moving the disc or drum through the magnetic field. The reaction thus induced varies inversely with the magnitude of[Pg 1658] the force with which the disc or drum is urged through the field and hence inversely with the abnormal condition.
Ques. What are the ordinary limits of adjustment for inverse time limit relays?
Ans. From one-half second to 30 seconds, depending upon the time setting and magnitude of the overload current.
Figs. 2,313 to 2,321.—General Electric time limit overload circuit opening relays with covers removed. The construction of this relay is similar to that of the inverse time limit relay, except that it has a compression spring interposed between the plunger and diaphragm. The plunger compresses the spring and further motion is prevented by a stop, making the relay practically independent of the amount of the overload, only the stored energy of the spring, if the overload continue, applies power, dependent on its own mechanical strength, to the diaphragm. The time limit therefore becomes practically a constant for any given setting under ordinary conditions of overload or short circuit. If, however, the overload come on slowly so that the spring is not fully compressed at once, the time limit will vary slightly. If the scheme of selective operation make it necessary to take care of a creeping load of this character, two relays may be used and definite time limit positively secured. In this case, an instantaneous circuit closing, overload relay would be used and a definite time limit relay, provided with a direct current coil in circuit with the closing contacts of the first relay. The time limit relay would be of the circuit closing type and control a direct current trip coil on the oil switch.
A setting of from two to six seconds is ordinarily used, depending upon the requirements. Where selective operation is desired a minimum setting of two seconds is recommended.
Differential Relays.—In this type of relay there are two electromagnets. In normal working these oppose and neutralize each other. Should, however, either winding become stronger[Pg 1659] or weaker than the other, the balance is upset, the magnet energized, and the relay comes into operation.
Fig. 2,322.—Differential relay transformer and reverse current circuit breaker discriminating device. A differential relay is one whose electromagnet has two windings. In normal working these oppose and neutralize one another. Should however, either winding become stronger or weaker than the other, the balance is upset, the magnet is energized, and the relay comes into operation. A modification of such a relay for alternating current is here shown, from which it will be seen that when the currents are as indicated, the circuit A has the larger pressure induced in it, whereas, should the main current reverse with reference to the shunt current, the circuit B would have the larger induced pressure.
A modification of such a relay for alternating current is shown in fig. 2,322, from which it will be seen that when the currents are as indicated, the circuit A has the larger pressure induced in it, whereas, should the main current reverse with reference to the shunt current, the circuit B would have the larger induced pressure.[Pg 1660]
Fig. 2,323.—Diagram of modern power house wiring and busses showing location of relays.
[1]How to Select Relays.—The following general information on relays, together with reference to the one line diagram, fig. 2,323, will be of interest and assistance in making a selection from the various relays previously described to meet the requirements of modern power house and sub-station layouts.
[1] NOTE.—As suggested by the General Electric Co.
Single pole relays are used on single phase and on balanced three phase circuits.
Double pole relays are used on ungrounded three phase and on quarter phase.
Fig. 2,324 to 2,329.—General Electric inverse time limit overload circuit closing relays. In this type of relay its mechanism is so designed that a delay or lapse of time in opening the circuit breaker after a predetermined condition of the circuit has been reached, depends on the flow of current, that is, if the current be great, the time will be small, and if the current be of a moderate value, the time will be correspondingly longer.
Triple pole relays are used on three phase grounded neutral and interconnected quarter-phase.
Circuit closing relays are recommended in all cases where a constant source of direct current is available for operating trip coils.
The conditions for which relays have been designed for power circuits may perhaps be best described, by considering a one line diagram from the generator end to the sub-station auxiliary machines and feeders.
Considering first alternating current circuits, the prevailing practice is to make the circuit breakers by which the alternators are connected to the low tension bus non-automatic, in order to insure minimum interruption of alternator service. The chance of trouble in this part [Pg 1662]of the circuit is remote, but should it occur, the station attendant could generally open the circuit breaker before the machines would be injured.
Reverse current relays of instantaneous or time limit types are often connected to the secondaries of current and of pressure transformers to indicate by lamp or bell any trouble that may occur in the generator circuit.
These relays operate with a low current reversal at full pressure and conversely with a proportionally greater current at voltages less than normal. At zero pressure, the relay would act as an overload one, set for high overload. At zero current, a voltage considerably in excess of normal would be required to operate it.
Fig. 2,330.—Diagram showing two phase motor or feeder circuit protected by double pole double coil, overload circuit breaker (or two single pole breakers interlocked) with bell alarm switch.
Specifications sometimes call for automatic generator circuit breakers: in this case definite time limit overload relays are used. They are connected in the secondaries of current transformers and are designed to give the same time delay for all trouble conditions; they allow the defective circuit to be opened, if possible, at a point more remote from the generator than the generator circuit breaker.
Fig. 2,331.—Condit 600 volt, 1,500 ampere, single pole type K circuit breaker pneumatically operated. It is the same as the electrically operated circuit breaker, except that a pneumatic cylinder mechanism is supplied in place of either the electromagnet or the motor. This cylinder mechanism is so arranged that the air pressure is only on the cylinder at the instant of operation. At all other times the air pressure is shut off by means of a control valve. The kind of remote control to be used depends on local conditions. In general, the hand operated remote control device is preferable where conditions are such that it can be used, and where it is necessary to use electrically operated, the motor operated type is recommended if conditions be such that slow closing is not objectionable.
When the total generator capacity exceeds the rated rupturing capacity of the circuit breakers, one or more sectionalizing circuit breakers are placed in each bus.
If operating conditions admit, these devices are made non-automatic and are left disconnected except in case of emergency; but if it be necessary for them to be continually in service, they may be made automatic by means of instantaneous overload relays connected to current transformers in the low voltage bus; the relays being adjusted to trip the circuit breaker under short circuit conditions, confining the trouble to one section and preventing the circuit breakers rupturing more than their rated capacity.
Installations with but one bank of power transformers, and without high voltage bus, are provided with automatic circuit breakers operated by an inverse time limit relay.
The relay is connected to the secondaries of current transformers, which in turn are connected in the low voltage side of the power transformer.
Stations with more than one bank of power transformers, a high voltage bus, and high and low voltage circuit breakers, may have both circuit breakers arranged to trip at the same time or one after the other. As in the former case, they are operated from the inverse time limit relay connected in the low voltage side.
Figs. 2,332 and 2,333.—Diagram showing two phase four wire no voltage connections for I-T-E circuit breaker. The two no voltage coils for two phase four wire circuits are connected respectively to binding posts B, C and A, D on the face of the base. B and D are connected to lower spring contacts 2 and 1 respectively, of the small disconnecting switch. (In instruments supplied on individual bases, these connections are made in the factory, let into channels in back of base and covered with wax.) Each of the upper contacts a and b of the disconnecting switch is connected respectively through resistance R2 and R1 to one main in each phase at aa and bb. C and A are respectively connected to the other main in each phase at 3 and 4. Thus each of the no voltage coils operates across one phase independent of the other. The terminals 3, aa, bb and 4, must, in all cases, be so connected that they will be subject to the full voltage of the circuit, irrespective of the position of the starting switch.
Figs. 2,334 and 2,335.—Diagram showing two phase three wire no voltage connections for I-T-E circuit breaker. The two no voltage coils for two phase, three wire circuits are connected respectively to binding posts B, C and A D on the face of the base, and from A and C connections are made to lower contacts 2 and 1 respectively of the disconnecting switch. Binding posts B and D are connected together on the back of the board. (In instruments supplied on individual bases, these connections are made in the factory, let into channels in back of base and covered with wax.) Each of the upper contacts a and b is connected respectively through resistance R2 and R1 to one of the mains at aa and bb as shown. D is connected through resistance R3 to the common wire of both phases at 3 B and D being connected as aforesaid, thus forming a common connection for both no voltage coils. Terminals aa and bb of the resistances must be connected to the outside main across the two phases, terminal 3 to the main common to both phases, the connections being so made that these terminals will be subject to the full voltage of the circuit irrespective of the position of the starting switch.
Fig. 2,336 and 2,337.—Diagram showing three phase no voltage connections for I-T-E circuit breaker. The no voltage coils for three phase circuits are connected in Δ by means of binding posts A, B, C and D on the face of the base, and from the A and B of the no voltage coils, connections are made respectively to spring contacts 1 and 2 of the small disconnecting switch. Each of the contacts a and b of the disconnecting switch is connected respectively through resistance R2 and R1 to one of the mains at aa and bb. The terminal C is connected through resistance R3 on the back of the board to the middle main as shown at point 3. The terminal D is linked on the back of the board to terminal B to complete the [Greek: D
connection. The terminals aa, bb and 3 of the circuit breaker must, in all cases, be so connected that they will be subject to full voltage of the circuit irrespective of the position of the starting switch. Each no voltage coil is supplied with two terminal wires, one covered with green and one with black insulation. In replacing these coils particular care should be taken to see that the terminal wires connected to any one binding post are of unlike color.]
In plants in which two or more banks of transformers are operated in parallel between high and low voltage busses, it is desirable to have for each transformer bank, an automatic circuit breaker equipment which will act selectively and disconnect only the bank in which trouble may occur. With a circuit breaker on each side of transformer bank, selective action may be secured in two ways as follows:
1. By means of an instantaneous differential relay connected in the secondaries of current transformers installed on both the high and low voltage sides of each transformer bank.
The relay operates on a low current, reversal on either side of the bank.
2. By means of one inverse time limit, secondary or series relay installed on that side of the transformer bank which is opposite the source of power, the relay being arranged to trip both the high and low voltage circuit breakers.
The first method has the disadvantage of high first cost due to the high voltage current transformers required, but is more positive than the second method and is independent of the number of transformer banks in parallel.
The second method is the less expensive of the two and protects against overloads as well as short circuits in the transformers, but it is less positive and introduces delay in the disconnection of the transformer when trouble occurs. Furthermore, it is not selective when less than three banks are operating in parallel.
The automatic circuit breakers in the outgoing line may be operated from inverse time limit relays connected in the secondaries of current transformers; or in case transformers are not necessary for use with instruments, series high voltage inverse time limit relays connected directly in the line may be used.
Whether to select current transformers with relays insulated for low voltage, or to choose series relays, is a question of first cost and adaptability to service conditions. Below 33,000 volts,[Pg 1668] the commercial advantages in favor of the series relay are slight, and since it is somewhat difficult to design this device for the large current capacities met with at the lower voltage, it is generally the practice to use the relay with current transformer, because of its operating advantage. This practice, however, is not entirely followed, since some service conditions (described later) make the use of series relays very desirable and practical.
Figs. 2,338 and 2,339.—General Electric instantaneous direct current reverse current or "discriminating" relays. Fig. 2,238, for 500 amperes; fig. 2,339 for 2,000 amperes. These relays are designed for mounting directly on circuit breaker studs. These relays consist of a horseshoe magnet with a shunt wound armature pivoted between its poles. The magnet is mounted on the current carrying stud of the circuit breaker between the back of the panel and the first contact or supporting nut, and is placed in a vertical position. The contacts are insulated from the magnet permitting the use of an auxiliary circuit for the tripping device, independent of the circuit controlled by the circuit breaker. The magnet is excited by the current flowing through the stud, and the armature is connected across the line in series with suitable resistance. Rotation of the armature in the normal direction is prevented by a stop. Reversal of the current flowing through the stud changes the direction in which the armature tends to rotate, causing it to move away from the stop and close the circuit through an auxiliary trip coil and trip the circuit breaker. These relays are used to protect dynamos, storage batteries, or main station busses from damage on reversal of current due to short circuit, or from the grounding of machines or connection. Relay contacts must not be used to open the shunt trip coil circuits. An auxiliary switch should be provided for this purpose in all cases where the opening of the circuit breaker does not disconnect the trip coil from the source of supply.
Inverse time limit relays are satisfactory for one, or more than two outgoing lines in parallel as they act selectively to disconnect the defective line only, but installations with only two[Pg 1669] outgoing lines in parallel have the same load conditions in both lines and selective tripping of the circuit breakers in the defective line is obtained by means of a selective relay acting instantaneously under short circuit conditions only.
Fig. 2,340.—General Electric direct current, reverse current relay, used to protect dynamos, storage batteries, or main station busses from damage on reversal of current due to short circuits or from the grounding of machine or connections. It is mounted on vertical bus bars as in the case of cables, on the side wall, or other flat surface, and the cables threaded through the frame. When used to trip a circuit breaker, the breaker is provided with a shunt trip connected across the circuit, the tripping circuit being closed through the relay contacts on the occurrence of sufficient reverse current to lift the relay armature. The relay is either instantaneous or time limit as desired. In the time limit relay, the time interval is obtained by the leather bellows shown in the illustration. The time setting can be varied within certain limits by means of a valve on the bellows outlet. The operation of the relay depends on the relative value and direction of magnetic flux set up by a pressure coil, shown in the illustration, and the current in the vertical bars. Under normal conditions these fluxes are in the same direction and circulate around a closed magnetic circuit. When the current in the bars reverses, the two fluxes oppose each other and force flux through the normally open leg of the magnetic circuit. When the reversal of current is of predetermined value, the relay armature is lifted and the purpose of the relay accomplished.
The relay design and action is similar to the reverse current relay previously mentioned, and is connected to the secondaries of current transformers in each high voltage line and pressure transformers in the low voltage bus.
In the sub-station, the conditions are the reverse of those in the main station, the incoming lines becoming the source of power.
If there be only one incoming line and no high voltage bus, the line[Pg 1670] circuit breaker is generally non-automatic. With one incoming line and high voltage bus, the circuits from the service side of the bus are equipped with automatic circuit breakers and relays. These relays and those used for other arrangements of two or more incoming lines in parallel, as well as high and low voltage circuit breakers, are of the same design and are applied in the same manner as for the generating station.
Regarding the relay equipments for auxiliary machines, the same practice is recommended with the generator end of alternating current motor generator sets as with the main generators, the outgoing feeder circuit breakers being tripped from inverse time limit or instantaneous relays.
Fig. 2,341.—General Electric direct current differential relay for balancer set; instantaneous, 500 (or less) volt type for mounting on panel. In many power plants direct current, three wire, power service is furnished by "high voltage" two wire dynamos operating in connection with balancer sets consisting of two "low voltage" machines on a common shaft. With this combination of machine, a short circuit or heavy overload on one side of the system will shift the neutral considerably, and the lamps on the opposite side may "burn out". To protect the lamps, a differential relay operating on 15 volts unbalancing, is commonly used; it is connected to trip either the dynamo's circuit breakers (or a circuit breaker connected in the bus between the balancer set and the other dynamos).
With several synchronous machines in parallel, the relays are arranged to operate with the least time delay with which it is possible to get selective action, in order to prevent the machines being thrown out of step in event of trouble conditions causing a decrease of voltage.
The various types of induction motor and various conditions under which they are employed, have brought about the development of several types of relay to protect the motors and the apparatus with which they are used.
It is desirable to disconnect a large motor in case of voltage failure, and with conditions requiring either a motor operated,[Pg 1671] or a solenoid operated circuit breaker, a low voltage relay is used to close the tripping circuit whenever the voltage decreases to, approximately, 50 per cent. below normal.
Fig. 2,342.—Condit time limit relay, designed primarily for use in connection with feeder circuits, where close selection or discrimination of circuit breakers is not required. It may be used satisfactorily on lighting and power circuits and also where there are sudden, momentary fluctuations of current. This relay is used in connection with series transformers. The contact arrangements are provided so that the relays may be used as circuit closing or circuit opening relays. The delayed action is produced by an air vacuum dash pot with a graphite piston. The piston of the dash pot is connected to an arm arranged to be moved by the armature. When the current reaches a point where it overcomes the weight of the armature and lifts the same, the magnetic force tending to lift the armature is opposed by the pull of the vacuum created in the interior of the shell into which fits the graphite piston. As the magnetic pull continues the vacuum is overcome due to the leakage of air past the piston, and the armature gradually moves until it reaches a point where it causes the circuit breaker to trip, either by closing the contacts in the circuit closing type, or by opening the contacts in the circuit opening type. If, at any portion of its travel, the current drop to normal, the armature immediately resets. The time adjustment consists of an arrangement whereby the distance through which the armature moves before tripping the breaker, may be changed, thus altering the time of tripping. The current adjustment is made by changing the effective turns of the actuating coil, the travel of the armature and the force exerted by it being the same for all current adjustment. The winding is designed to carry 5 amperes continuously with a temperature rise not exceeding 68° Fahr. standard calibration is provided so that the relay will start to operate at 5, 6, 8 and 12 amperes.
Up to 550 volts, these relays may be connected across the line, but for higher voltages they are connected to secondaries of pressure[Pg 1672] transformers. Smaller motors with which hand operated circuit breakers are used, are generally provided with low voltage release attachments that perform the same function as the relay.
Induction motors are sometimes subjected to high voltage conditions and to protect them from injury, high or excess voltage relays are employed to trip the automatic circuit breaker. These relays are of similar design and wired in the same manner as the low voltage relays.
Fig. 2,343.—Characteristic curves of Condit time limit relay as illustrated in fig. 2,342. Settings: curve A, 5 amperes; curve B, 6 amperes; curve C, 8 amperes; curve D, 12 amperes.
Reverse phase relays have been developed for operating conditions under which a reversal of phase would cause trouble, as for example, in the case of elevator motors.
These are so designed that any phase reversal that would reverse an induction motor, would operate the relay and disconnect the automatic circuit breaker.
The design is based on the principle of the induction motor, and in the case of low voltage motors of limited capacity, the relay may be[Pg 1673] connected in series in the motor leads. If the voltage or capacity of the motor make this arrangement inexpedient, the relay may be placed in the secondaries of current or pressure transformers connected in the motor leads.
Underload relays are often used to trip the automatic circuit breaker that is placed in the primaries of arc lighting circuits to prevent an abnormal rise of secondary voltage in case of a break in the secondary circuit.
Fig. 2,344.—Diagram showing storage battery and charging dynamo protected by double pole single coil underload circuit breaker. In operation, the circuit breaker disconnects the battery when fully charged, and protects the dynamo from reverse current.
The underload relay is similar in design to the low voltage relay excepting that it acts on a decrease of current.
The problem of protecting induction motors, from injury, that may result from running on single phase, or from an overload, and at the same time permit the motor to be started with the necessarily high starting current that may be greatly in excess of the overload current, has caused the development of the series relay.
Fig. 2,345.—Diagram showing direct current motors protected by overload circuit breakers with bell alarm switches: a, double pole single coil breaker no switch required. Low voltage device is on the starting rheostat; b, single pole breaker in series with lever switch. Low voltage attachment on the breaker.
Fig. 2,346.—Diagram showing two wire dynamo, protected by a single pole overload circuit breaker with bell alarm switch. Breakers must be on opposite side from the series field.
Fig. 2,347.—Diagram showing dynamo protected by a single pole overload circuit breaker with reverse current relay and combined circuit opening and bell alarm switch.
This device may be connected in series with the motor leads for voltages up to 2,500; it is designed with an inverse time limit device which may be adjusted to give the desired protection.
The field for relays is more extensive for alternating current than for direct current power circuits, the latter being generally confined to much smaller and simpler systems and areas of distribution, and generally sufficient selective action can be obtained by the use of fuses or circuit breakers arranged with instantaneous trip.
Fig. 2,348.—Diagram showing three wire dynamo protected by double pole double coil overload circuit breaker (or two single pole breakers with interlock) with bell alarm switches. Complete protection is secured as breaker is connected between armature and series field.
Operating conditions sometimes make it advisable for the generator circuit breakers to open only after the auxiliary and feeder circuit breakers have failed to isolate the trouble.
This is accomplished by using direct current series inverse time limit relays to trip the generator circuit breakers.
Instantaneous reverse current relays are used to trip the machine circuit breaker of battery charging sets, rotaries and motor generator sets to prevent their running as a motor on the charging or direct current end. These relays can act only in case of current reversal.
To prevent serious unbalancing of voltages in Edison three-wire systems causing trouble, differential balance relays are used to trip the circuit breakers on a small percentage of unbalancing.
Lightning protection devices, or lightning arresters, are devices for providing a path by which lightning disturbances or other static discharges may pass to the earth.
Lightning arresters, designed for the protection of transmission lines, must perform this function with a minimum impairment of the insulation of the lines.
In general the construction of lightning arresters comprise
Ques. What are the causes of static charges?
Ans. They may be caused by sandstorms in dry climates, or may be due to grounds on the high pressure side of a system.
Ques. What causes high frequency oscillations?
Ans. They are usually due to lightning discharges in the vicinity of the line.
Ques. What are the requirements of lightning protection devices?
Ans. They must prevent excessive pressure differences[Pg 1678] between line and ground, line and line, and between conductor turns in the electrical apparatus.
Air Gap Arresters.—method of relieving any abnormal pressure condition is to connect a discharge air gap between some point on an electric conductor and the ground. The resistance thus interposed between the ground and the conductor is such that any voltage very much in excess of the maximum normal will cause a discharge to ground, whereas at other times the conductor is ungrounded because of the air gap. This forms the principle of air gap arresters.
Fig. 2,349.—Non-arcing multi-gap arrester. Based on the principle of employing for the terminals across which the arc is formed, such metals as are least capable of maintaining an alternating arc between them. This so called non-arcing property of certain metals was discovered by Alexander Wurtz. The action is such that the "line current" which follows the lightning discharge follows as an arc, but is stopped at the end of one alternation because of the property of the non-arcing metals to carry an arc in one direction, but requiring an extremely high voltage to start a reverse arc. The non-arcing metals ordinarily employed are alloys of zinc and copper. Plain multi-gap arresters as here shown operate satisfactorily with the smaller machines and on circuits of limited power, but for large machines of close regulation, and therefore of very large momentary overload capacity, especially when a number of such are operated in parallel, such arresters were found insufficient, the line current following the lightning discharge frequently was so enormous that the circuit did not open at the end of the half wave, that is the arrester held the arc and was destroyed. The introduction of synchronous motors made it necessary that the arc should be extinguished immediately, otherwise the synchronous motors and converters would drop out of step, and the system would in this way be shut down. To insure the breaking of the arc, resistance was introduced in the arrester, the modified device being known as the low equivalent arrester as shown in fig. 2,350.
The single gap while adequate for telegraph line protection, was found insufficient for electric light and power circuits, because since the current in such circuits is considerable and usually at high pressure it would follow the lightning discharge across the gap. Thus the problem arose to devise means for[Pg 1679] short circuiting the line current resulting in various modifications of gap arrester.
Multi-gap Arresters.—The essential elements of an arrester of this type are a number of cylinders spaced with a small air gap between them and placed between the line to be protected and the ground, or between line and line.
In operation, the multi-gap arrester discharges at a much lower voltage than would a single gap having a length equal to the sum of the small gaps. In explaining the action of multi-gaps, there are three things to consider:
FIG. 2,350.—Low equivalent arrester. This is a modification of the multi-gap arrester shown in fig. 2,349. About half of the total number of gaps are shunted by a resistance, and another resistance inserted between the cylinders and the earth. With this arrangement the middle point is at ground pressure, and there are between line and ground only one half of the total number of gaps. This is sufficient to prevent a bridging of the gaps under normal conditions.
1. The transmission of the static stress along the line of the cylinders; 2. The sparking at the gaps; 3. The action and duration of the current which follows the spark, and the extinguishment of the arc.
Ques. What is a spark?
Ans. The conduction of electricity by air.
Ques. What is an arc.
Ans. The conduction of electricity by vapor of the electrode.
Distribution of Static Stress.—The cylinders of the multi-gap arrester act like plates of condensers in series. This condenser function is the essential feature of its operation.
When a static stress is applied to a series of cylinders between line and ground, the stress is immediately carried from end to end.
If the top cylinder be positive it will attract a negative charge on the face of the adjacent cylinder and repel an equal positive charge to the opposite face and so on down the entire row.
The second cylinder has a definite capacity relative to the third cylinder and also to the ground; consequently the charge induced on the third cylinder will be less than on the second cylinder, due to the fact that only part of the positive charge on the second cylinder induces negative electricity on the third, while the rest of the charge induces negative electricity to the ground. Each successive cylinder, counting from the top of the arrester, will have a slightly smaller charge of electricity than the preceding one.
Fig. 2,351.—General Electric 2,200 volt multi-gap arrester for station installation. It consists of fourteen ⅝" knurled cylinders and two shunt resistance rods mounted on a porcelain base. One of these rods has a low resistance, and shunts nine gaps; the other rod has a high resistance, and shunts eleven gaps. The effect of the shunt resistance in extinguishing the line current arc is the same, therefore, as that of an equal series resistance but is without the objectionable features of the latter. Series resistance limits the discharge current to such an extent that an arrester with series resistance fails to protect against destructive rises of voltage when the conditions are severest. Graded shunt resistance responds to all frequencies and opens a discharge path for excessive voltage when the frequencies are high as well as when they are low. Its further effect in withholding the line current from the gaps after the relieving discharge has occurred, is to aid the non-arcing quality of the metal cylinders in quickly suppressing the arc that follows a discharge. The arc is extinguished at the end of the half cycle of line current in which the discharge takes place.
Sparking at the Gaps.—The quantity of electricity induced on the second cylinder is greater than on any lower cylinder and its gap has a greater pressure strain across it as shown in fig. 2,357. When the voltage across the first gap is sufficient to spark, the second cylinder is charged to line voltage and the second gap receives the static strain and breaks down. The successive action is similar to overturning a row of ten-pins by pushing the first pin against the second. This phenomenon explains why a given length of air gap concentrated in one gap requires more voltage to spark across it than the same total length made up of a row of multi-gaps.
Fig. 2,352.—General Electric 2,200 volt arrester in the act of discharging, and shunting the line current. The figure shows an actual discharge taking place. It will be seen that the heavy line current passes across only four of the gaps, and then goes through the resistance rods; while the static discharge passes straight across the entire series of thirteen gaps. When the gaps of an arrester are shunted by even a low resistance, discharges of very high frequency find it relatively difficult to pass through the resistance rods, owing to the impedance of the rods, but comparatively easy to pass across all the gaps, owing to the capacity effect in breaking down the gaps. The higher the frequency, the more pronounced is this effect, hence the discharges select different paths through gaps and resistances depending upon the frequency. By frequency is meant, not the frequency of the line current but the lightning frequency, which may run into hundreds of thousands, or into millions of cycles. The equivalent needle gap for this arrester is shown by tests to be nearly the same for all frequencies and quantities of discharge; that is, the arrester is equally responsive to all frequencies.
Figs. 2,353 to 2,355.—Oscillograph record of the phenomena that take place in the different circuits or selective paths of a multi-gap arrester during a discharge such as shown in fig. 2,352.
As the spark crosses each successive gap, the voltage gradient along the remainder readjusts itself.
How the Arc is Extinguished.—When the sparks extend across all the gaps the line current will follow if, at that instant, the line pressure be sufficient. On account of the relatively greater line current, the distribution of pressure along the gaps becomes equal, and has the value necessary to maintain the line current arc on a gap.
The line current continues to flow until the voltage of the generator passes through zero to the next half cycle, when the arc extinguishing quality of the metal cylinders comes into action.
Figs. 2,356 and 2,357.—Diagram showing condenser action of cylinders and pressure gradient for static stress.
The alloy contains a metal of low boiling point which prevents the reversal of the line current. It is a rectifying effect, and before the pressure again reverses, the arc vapor in the gaps has cooled to a non-conducting state.
Effect of Frequency.—The higher the frequency of the lightning oscillation, the more readily will the multi-gap respond to the pressure.
Briefly stated, the problem is to properly limit the line current so that the arc may be extinguished; to arrange a shunt circuit so that the series resistance will be automatically cut out if safety demand it on account of a heavy lightning stroke and, while retaining these properties, to make the arrester sensitive to a wide range of frequency.
It should be noted that series resistance limits the rate of discharge of the lightning as well as of the line current. The greater the value of the line current, the greater the number of gaps required to extinguish the arcs.
Graded Shunt Resistances.—Any arc is unstable and can be extinguished by placing a properly proportioned resistance in parallel with it. All the minor discharges then pass over the resistances and the unshunted spark gaps, the resistance assisting in opening the line current after the discharge.
Very heavy discharges pass over all the spark gaps, as a path without resistance, but those spark gaps which are shunted by the resistance, open after the discharge.
The line current, after the first discharge is accordingly deflected over the resistances, and limited thereby, the circuit being finally opened by the unshunted spark gaps. The arrangement of shunted resistances is shown in fig. 2,358.
Fig. 2,358.—Arrangement of graded resistances on multi-gap arrester.
The Cumulative or "Breaking Back" Effect.—The graded shunt resistance gives a valuable effect, where the arrester is considered as four separate arresters. This is the "cumulative" or "breaking back" action.
When a lightning strain between line and ground takes place, the pressure is carried down the high resistance H (figs. 2,365 and 2,366), to the series gaps GS, and the series gaps spark over.
Although it may require several thousand volts to spark across an air gap, it requires relatively only a few volts to maintain the arc which follows the spark. In consequence, when the gaps GS spark over, the lower end of the high resistance is reduced practically to ground pressure.
If the high resistance can carry the discharge current without giving an ohmic drop sufficient to break down the shunted gaps GH, nothing further occurs—the arc goes out.
If, on the contrary, the lightning stroke be too heavy for this, the pressure strain is thrown across the shunted gaps, GH, equal in number to the previous set. In other words, the same voltage breaks down both of the groups of gaps, GS and GH, in succession. The lightning discharge current is now limited only by the medium resistance M, and the pressure is concentrated across the gaps, GM.
If the medium resistance cannot discharge the lightning, the gap GM spark, and the discharge is limited only by the low resistance.
The low resistance should take care of most cases but with extraordinarily heavy strokes and high frequencies, the discharge can break back far enough to cut out all resistance.
In the last steps, the resistance is relatively low in proportion to the number of shunt gaps, GL, and is designed to cut out the line current immediately from the gap, GL. This "breaking back" effect is valuable in discharging lightning of low frequency.
Figs. 2,359 to 2,364.—Westinghouse safety spark gaps. Fig. 2,359, indoor type; figs. 2,360 to 2,364, outdoor type. It is well known that with transformers, operating on high voltage lines and having large ratios of transformation, there may occur, on the low tension side, momentary voltages to ground greatly in excess of the normal. These momentary increases in voltage between the low tension circuits and ground are commonly called "static disturbances." In general they are the result of a change in the static balance of the high tension side and its connecting circuits. Unless certain precautions are taken, such a static disturbance on the low tension side may cause serious stresses in the secondary insulation of a transformer with a high ratio of transformation. This induced static voltage is independent of the ratio of transformation. The static stresses are more serious in a high ratio transformer simply because the insulation of its secondary is less able to withstand them. A method of relieving this disturbance is to connect a discharge spark gap between some point of the low tension side of the transformer to be protected (a middle or neutral point, if one be available) and the ground. The spark gap opening is such that any voltage very much in excess of the maximum normal will cause a discharge to ground, and thus the low tension side is practically tied to ground during such disturbance, while at other times it is ungrounded. The Underwriters recommend the grounding of the neutral point of low tension circuits when the conditions are such that the maximum normal voltage between the point connected and ground will not exceed 250 volts. The rule allows one side of a 250 volt circuit or the middle point of a 550 volt circuit to be grounded. The spark gaps shown above are designed for use on transformer secondary circuits and for protecting individual series arc lamps. These spark gaps are single pole, and consist of two cylinders of non-arcing metal with an air gap between. One of the cylinders is connected to the ground, the other to the line.
Figs. 2,365 and 2,366.—Graded shunt resistance arrester connections. Fig. 2,365, connections for 33,000 volt Y system with grounded neutral; fig. 2,366, connections for 33,000 volt delta or ungrounded Y systems. The type of arrester shown above may be considered as four arresters in one. First, for small discharges there are a few gaps in series with a high shunt resistance. This part of the arrester will safely discharge accumulated static and also all disruptive discharges of small ampere capacity. This path is shown through H (resistance) and GS (gaps). Second, there are a number of gaps in series with a medium shunt resistance which will discharge disruptive strokes of medium ampere capacity. This path is shown through M (resistance) and GH plus GS (gaps). Third, there are a greater number of gaps in series with a low shunt resistance which will discharge heavy disruptive strokes. This path is shown through L (resistance) and GM plus GH plus GS (gaps). Fourth, the total number of gaps has no series resistance, thus enabling the arrester to freely discharge the heaviest induced strokes. This path is shown through zero resistance and GH plus GM plus GH plus GS (gaps). In each of the above circuits the number of gaps and the resistance are so proportioned as to extinguish the line arc at the end of the half cycle in which the lightning discharge takes place.
Fig. 2,367.—Installation of a General Electric 12,500 volt, three phase, multi-gap lightning arrester in the Garfield Park sub-station of the West Chicago park common. The "V" unit multi-gap arrester, which is plainly seen in the illustration, is made up of "V" units consisting of gaps between knurled cylinders and connected together at their ends by short metal strips. The base is of porcelain, which thoroughly insulates each cylinder, and insures the proper functioning of the multi-gaps. The cylinders are made of an alloy that contains metal of low boiling point which gives the rectifying effect, and metals of high boiling point which cannot vaporize in the presence of the one of low boiling point. The cylinders are heavily knurled. As the arc plays on the point of a knurl it gradually burns back and when the metal of low boiling temperature is used up, the gap is increased at that point. The knurling, thus, insures longer life to the cylinder by forcing successive arcs to shift to a new point. When worn along the entire face, the cylinder should be slightly turned. The low resistance section of the graded shunt is composed of rods of a metallic alloy. These rods have large current carrying capacity, and practically zero temperature coefficient up to red heat. The medium and high resistance rods are of the same standard composition previously used. The contacts are metal caps shrunk on the ends; the resistances are permanent in value and the inductance is reduced to a minimum. The rods are glazed to prevent absorption of moisture and surface arcing.
After the spark passes, the arcs are extinguished in the reversed order. The low resistance, L, is proportioned so as to draw the arcs immediately from the gaps, GL. The line current continues in the next group of gaps, GM, until the end of the half cycle of the generator wave.
Figs. 2,368 to 2,370.—Multi-gap or low equivalent lightning arrester. It consists of: 1, a number of gap units in series; 2, a number of gap units in shunt with a resistance; and 3, a series resistance. All resistances are wire wound and the series resistance is non-inductive. The shunt resistance and gap units are mounted on marble. When a discharge occurs, the series gaps are broken down, and if the discharge be heavy enough, it will meet opposition in the shunt resistance and pass over the shunted gaps, through the series resistance to the ground. The arc which tends to follow the discharge is then withdrawn from the shunted gaps by the shunt resistance, and aided by both resistances is suppressed by the series gaps. The pressure of discharge is determined by the number of series gaps as sufficient number is used to withstand the normal voltage and yet give a proper factor of safety for the severest service.
At this instant the medium resistance, M, aids the rectifying quality of the gaps, GM, by shunting out the low frequency current of the alternator.
On account of this shunting effect the current dies out sooner in the gaps, GM, than it otherwise would.
In the same manner, but to a less degree, the high resistance, H, draws the line current from the gaps, GH.
This current now being limited by the high resistance, the arc is easily extinguished at the end of the first one-half cycle of the alternator wave.
Ques. What is the difference between arrester for grounded Y and non-grounded neutral systems?
Ans. The connections are shown in figs. 2,365 and 2,366. The difference in design lies in the use of a fourth arrester leg between the multiplex connection and ground or ungrounded system.
Ques. Why is the fourth leg introduced?
Ans. The arrester is designed to have two legs between line and line. If one line become accidentally grounded, the full line voltage would be thrown across one leg if the fourth or ground leg were not present.
Fig. 2,371.—Westinghouse three pole or four pole arrester in weather proof wooden case which protects the arrester units from rain and snow when they are installed in exposed locations, as on poles or buildings.
On a Y system with a grounded neutral, the accidentally grounded phase causes a short circuit of the phase and the arrester is relieved of the strain by the tripping of the circuit breaker. Briefly stated, the fourth or ground leg of the arrester is used when, for any reason, the system could be operated, even for a short time with one phase grounded.
Ques. Describe the multiplex connection.
Ans. It consists of a common connection between the phase legs of the arrester above the earth connection and provides an arrester better adapted to relieve high pressure surges between lines than would otherwise be possible.
Its use also economizes in space and material for delta and partially grounded or non-grounded Y systems.
Figs. 2,372 and 2,373.—Westinghouse multi-gap lightning arrester and views showing parts. In construction, a series of gaps, between non-arcing metal cylinders arranged in a row, is connected between line and ground in series with a composition stick resistor having a resistance of something between 80 and 120 ohms. In operation, if an excessive pressure be developed on a line, electric discharge arcs form between the metal cylinders, and the charge of electricity flows to ground, relieving the excessive stress. The resistance of the stick resistor limits the flow so that an excessive power current cannot pass through the arrester. The tendency for a destructive power arc to follow the discharge arc is thus counteracted. The composition resistors and the gap cylinders are mounted in pairs on a porcelain base, and complete units are arranged within weather proof wooden boxes as indicated. For two pole arresters, one unit is mounted on the back of the box. For three pole and four pole arresters, two units are used; one is secured on each side of the box.
Figs. 2,374 to 2,376.—Connections for Westinghouse multi-gap (type G) arresters. These arresters may be installed outside on poles or buildings, or indoors on station walls. The weather proof wooden case (as shown in fig. 2,371) protects the arrester units from rain and snow when installed in exposed places. Fig. 2,374 shows single phase installation, fig. 2,375, two phase installation, and fig. 2,376, three phase installation. On a two pole circuit one line wire is connected to the top of each of the composition resistors of each arrester unit, as shown in fig. 2,374, and the ground wire is connected to the middle point of the gap series. On four pole circuits, fig. 2,375, the same scheme of connections is used, but two arrester units are necessary and the connections of both are the same. On three pole circuits, two arrester units are used, with the same connections as for four pole circuits, except that there are but three line connections instead of four as in fig. 2,376.
Horn Gap Arresters.—A horn gap arrester consists essentially of two horn shaped terminals forming an air gap of variable length, one horn being connected to the line to be protected and the other to the ground usually through series resistance as shown in fig. 2,378.
Ques. How does the horn gap arrester operate?
Ans. The arc due to the line current which follows a discharge, rises between the diverging horn and becoming more and more attenuated is finally extinguished.
Fig. 2,377.—Horn gap arrester, diagram showing arrester and connections between line and ground. The horn type arrester was invented by Oelschlaeger for the Allgemeine Electricitaets Gesellschaft, and like the Thomson arc circuit arrester, its operation is based on the fact that a short circuit once started at the base, the heat generated by the arc will cause it to travel upward until it becomes so attenuated that it is ruptured. On circuits of high voltage this rupture sometimes takes a second or two, but seems to act with little disturbance of the line. Sometimes a water resistance is used, a choke coil being inserted in the circuit in series. In one installation for a 40,000 volt line, the horns were made of No. 0,000 copper wire with gap knees 2¼ to 3 or 3¼ inches. The capacity of the water resistance receptacle was 15 gallons. Users differ as to whether the water should contain salt. The choke coil can be made of about 18 turns of iron wire wound on a 6 inch cylinder.
Ques. What is the objection to the horn gap on alternating current circuits?
Ans. The arc lasts too long for synchronous apparatus to remain in step.
Ques. What provision was made to shorten the duration of the arc?
Ans. A series resistance was inserted in the arrester circuit as shown in fig. 2,377.
Ques. What difficulty was caused by the series resistance?
Ans. With sufficient series resistance to prevent loss of synchronism, the arrester failed to protect the system under severe conditions.
Ques. With these objections what use was found for the horn gap arrester?
Ans. It is used as an emergency arrester on some overhead lines, to operate only when a shut down is unavoidable, also for series lighting circuits.
Fig. 2,378.—General Electric horn gap with charging resistance for cable system. Arresters for cable systems differ from arresters for overhead circuits only in the construction of the horn gaps. The necessity for this difference is due to the fact that a cable system has a very much higher electrostatic capacity and much less inductance than an overhead system. In consequence, the currents which flow into the arrester during charging are somewhat higher. It is desirable to avoid these heavier currents, especially during the time of breaking the arc at the horn gap. This is accomplished by using a special horn gap and resistance. This consists of an auxiliary horn mounted above and insulated from the regular horn in such a manner as to intercept the arc if it rise on the regular horns. Enough resistance is connected in series with this auxiliary horn so that the current flow and arc across this gap are always limited to a moderate value. Such a device has several advantages. Since the mechanism is so arranged that the charging is always done through the auxiliary horn the current rush is limited during the charging and thus troubles from carelessness or ignorance are avoided. It also gives a nearer uniform charging current. In the use of this auxiliary horn gap and resistance there are three successive stages, as follows: 1, light discharges will pass across the smaller gaps to the auxiliary horn and through the series resistance to the cells; 2, if the discharge be heavy, the resistance offers sufficient impedance to cause the spark to pass to the main horn. This is accomplished with only a slight increase in pressure because the gap is already ionized. If the cells be in normal condition, the spark at the gap is immediately extinguished, without any flow of line current; 3, if the cells be in poor form, the line current may follow the discharge across the main gap and the arc will rise to the safety horn and be extinguished through a resistance. For mixed overhead and cable systems the choice of arrester will be a matter of judgment. If there be a comparatively short length of cable, the usual practice for overhead systems may be adopted. For direct connection to busbars, arresters with charging resistance should be used.
Figs. 2,379 and 2,380.—Diagram showing connections of horn type lightning arresters on series circuits.
The necessity of service requires that series lightning systems be fully equipped against damage by lightning and similar trouble. The most common disturbances occurring on series circuits are the surges set up by the sudden opening of the loaded circuit. These disturbances are especially severe where circuits are accidentally grounded, due to contact of the wires where they pass through other circuits.
Ques. How are the spark gaps adjusted?
Ans. They are set to give a low spark pressure relative to the voltage of the line.
Fig. 2,381.—General Electric horn type arrester, mounted for 15 light series arc circuit. The horn type arrester consists of a horn gap with series resistance between each line and ground. The resistances and horn gaps are mounted on porcelain bases and the latter on insulating wooden supports. The supports have asbestos barriers (except for lowest voltages), and backs to eliminate liability of damage from the arc which forms in the horn gap at the time of the discharge. The spark gaps are adjusted to give a low spark pressure relative to the voltage of the circuit. The number and ohmic value of the resistance rods used in the various arresters depend upon the voltage and current of the circuit.
Ques. Why are horn arresters well suited to protect series lighting circuits against surges?
Ans. Because the surges are damped out before the arc which forms across the horn gaps is interrupted.
These arcs last for several cycles, since the length of the time of action of the arrester depends upon the lengthening of the arc between the horn gaps, limited by the series resistance.
Since practically all disturbances on lighting circuits are of low frequency, the series resistance can be used with good results; it aids the horn in extinguishing the arc, limits the size of the arc and prevents short circuits occurring during the period of discharge.
Fig. 2,382.—General Electric horn arrester for pole installation. Quite frequently series circuits are run underground in cables for some distance from the generating station. In order to protect the cables it is advisable to place horn arresters at the points where the cable joins the overhead wires. The resistance units are mounted in the wooden box. This design is used to economize space, since if the horn gaps be placed in the box the latter would have to be made very large to accommodate the asbestos barriers and backs. In installing this type of arrester it is advisable to place it as near as possible to the top of the pole so that the arc may rise unobstructed and thus avoid the likelihood of live wires coming in contact with the horns which, during the operation of the series current, are alive.
Electrolytic Arresters.—Arresters of this class are sometimes called aluminum arresters because of the property of aluminum on which their action depends; that is, it depends on the phenomenon that a non-conducting film is formed on the surface of aluminum when immersed in certain electrolytes.
If however, the film be exposed to a higher pressure, it may be punctured by many minute holes, thus so reducing its resistance that a large current may pass. When the pressure is again reduced the holes become resealed and the film again effective.
Figs. 2,383 and 2,384.—Elevation and plan of General Electric horn gaps and operating stand for high voltage arresters.
In construction, the aluminum arrester consists essentially of a system of nested aluminum cup shaped trays, supported on porcelain and secured in frames of heated wood, arranged in a steel tank.
The system of trays is connected between the line and ground, and between line and line, a horn gap being inserted in the arrester circuit which prevents the arrester being subjected to the line voltage except when in action.
The electrolyte is poured into the cones and partly fills the space between the adjacent ones. The stack of cones with the electrolyte between them is then immersed in a tank of oil. The electrolyte between adjacent cones forms an insulation. The oil improves this insulation and prevents the evaporation of the solution.
Fig. 2,385.—Cross section of General Electric aluminum (electrolytic) lightning arrester.
A cylinder of insulating material concentric with the cone stack is placed between the latter and the steel tank, the object being to improve the circulation of the oil and increase the insulation between the tank and the cone stack. The arrester, as just described consists of a number of cells connected in series.
Ques. Of what does a single cell consist and what are its characteristics?
Ans. It consists of two of the cone shaped aluminium trays[Pg 1698] or plates and an electrolyte, which forms a condenser that will stand about 350 volts before breaking down. When this voltage is exceeded the cell becomes a fairly good conductor of electricity, but as soon as the voltage drops its resistance again resumes a very high value.
Ques. What is the critical voltage?
Ans. The voltage at which the current begins to flow freely.
FIG. 2,386 to 2,390.—Parts of General Electric 15,000 volt aluminum lightning arrester, not including horn gaps, etc.
Up to a certain voltage the cell allows an exceedingly low current to flow, but at a higher voltage the current flow is limited only by the internal resistance of the cell, which is very low. A close analogy to this action is found in the well known safety valve of the steam boiler, by which the steam is confined until the pressure rises above a given value, when it is released. On the aluminum plates there are myriads of minute safety valves, so that, if the electric pressure rise above the critical voltage, the discharge takes place equally over the entire surface. It is important to distinguish between the valve action of this hydroxide film and the failure of any dielectric substance.
Ques. When a cell is connected permanently to the circuit what two conditions are involved?
Ans. The temporary critical voltage and the permanent critical voltage.
For instance, if the cell have 300 volts applied to it constantly, and the pressure be suddenly increased to, say 325 volts, there will be a considerable rush of current until the film thickness has been increased to withstand the extra 25 volts; this usually requires several seconds. In this case 325 volts is the temporary critical voltage of the cell.
Similar action will occur at any pressure up to about the permanent critical voltage, or the voltage at which the film cannot further thicken, and therefore allows a free flow of current.
If the voltage be again reduced to 300 the excess thickness of film will be gradually dissolved, and if it vary periodically between two values, each of which is less than the permanent critical value, the temporary critical voltage will be the higher value. This feature is of great importance as it provides a means of discharging abnormal surges, the instant the pressure rises above the impressed value.
Fig. 2,391.—Volt ampere characteristic curve of a General Electric aluminum (electrolytic) cell on alternating current. The permanent critical voltage is between 335 and 360 volts. With alternating current, the cell acts as a fairly good condenser, and there is not only the leakage through the film, but also a capacity current flowing into the cell. The phase of this current, then, is nearly 90 degrees ahead of the pressure and represents a very low energy factor.
Ques. How is the number of cells required for a given circuit determined?
Ans. The number required for a given operating voltage is determined by allowing about 250 to 300 volts per cell.
Ques. In putting cells in commission how is the electrolyte introduced?
Ans. It is poured into the aluminum trays and the overflow drawn off at the bottom of the tank.
Ques. Describe the further operations in putting cells in commission.
Ans. After putting in the electrolyte it is allowed to stand for a few days until part has evaporated, then the oil is poured over the surface to prevent further evaporation.
Fig. 2,392.—Westinghouse electrolytic lightning arrester, for three phase ungrounded neutral service, 25,000 maximum voltage. These arresters are designed for the protection of alternating current circuits from all kinds of static disturbances. They have been standardized for installation on three phase circuits of voltages of 2,200 to 110,000. They cannot be used for voltages of less than 13,500. For voltages below this the horn gaps cannot, with safety, be set close enough together, out of doors, to take advantage of the freedom of discharge of the electrolytic element. If the horn gaps be set too close together they may be short circuited by rain. A shelter should be built for arresters of 13,500 volts and below for their protection when installed outside.
Ques. What action takes place when the trays stand in the electrolyte and cell is disconnected from the circuit?
Ans. Part of the film deteriorates.
Ques. What is the nature of the film?
Ans. The film is composed of two parts, one of which is hard and insoluble, and apparently acts as a skeleton to hold the more soluble part. The action of the cell seems to indicate that the soluble part of the film is composed of gases in a liquid form.
Ques. What action takes place when a cell which has stood for some time disconnected, is reconnected to the circuit?
Figs. 2,393 and 2,394.—Aluminum trays for Westinghouse electrolytic lightning arresters.
Ans. There is a momentary rush of current which reforms the part of the film which has dissolved.
This current rush will have increasing values as the intervals of rest of the cell are made greater.
Many electrolytes have been studied, but none has been found which does not show this dissolution effect to a greater or lesser extent.
If the cell has stood disconnected from the circuit for some time, especially in a warm climate, there is a possibility that the initial current rush will be sufficient to open the circuit breakers or oil switches. This current rush also raises the temperature of the cell, and if the temperature rise be great, it is objectionable.
When the cells do not stand for more than a day, however, the film dissolution and initial current rush are negligible.
Ques. What is the object of using horn gaps on electrolytic arresters?
Ans. The use is threefold: 1, it prevents the arrester being subjected continually to the line voltage; 2, acts as a disconnecting switch to disconnect the arrester from the line for repairs, etc., and 3, acts as a connecting switch for charging.
Fig. 2,395.—Horn gaps and transfer device of General Electric aluminium lightning arrester for 12,500 volt non-grounded neutral circuit. The object of the transfer device is to provide a means for interchanging the ground stacks with one of the line stacks of cones during the charging operation so that the films of all the cells will be formed to the same value. The transfer device consists of a rotating switch which may be turned 180 degrees, thus interchanging the connections of the ground stack and one of the line stacks. For arresters up to 27,000 volts the device is mounted with three insulators on the pipe frame work, and is operated by a hand wheel; for arresters of higher voltage, the transfer device is mounted directly over the tanks and is operated by bevel gears and hand wheel.
Charging of Electrolytic Arresters.—In electrolytic arresters all electrolytes dissolve the film when the arrester is on[Pg 1703] open circuit, the extent of the dissolution depending upon the length of time the film is in the electrolyte, and upon its temperature. It is therefore necessary to charge the cells from time to time and thus prevent the dissolution and consequent rush of current which would otherwise occur when the arrester discharges.
Ques. Describe the charging operation for arresters with grounded circuits.
Ans. It consists in simply closing simultaneously the three horn gaps so that the full pressure across the cells causes a small charging current to flow and form the films to their normal condition.
Fig. 2,396.—Sectional view of General Electric vacuum tube arrester for railway signal circuits. The arrester is essentially a gap in a vacuum. In construction, the gap is formed between the inner wall of a drawn metal shell and a disc electrode mounted concentric with it. The electrode is supported on a brass rod which serves as the lead in connection, and has ample current carrying capacity. The electrode system is insulated from the tube and rigidly supported in position by a bushing made of vitreous material. The bushing does not form the vacuum seal, that being made by a special compound. The open end of the tube is finally closed by a porcelain bushing. The tube is exhausted in a special machine which solders a small hole in the end after the vacuum has been established. The possibility of solder entering the active part of the vacuum space is prevented by a diaphragm punching, and both the electrode and the lining of the tube are of non-arcing metal. The arrester has a spark pressure of from 350 to 600 volts direct current, and an equivalent needle gap of about .005 inch. The arrester will not stand a continuous flow of current due to excessive heating, hence if there be a possibility of this due to high pressure crosses, fuses should be used. R.R.S.A. standard terminals are used.
Ques. Describe the charging operation for arresters for non-grounded circuits. Ans. First, the horn gaps are closed for five seconds and opened again to normal position, thus charging the cells of the[Pg 1704] three line stacks. Second, with the horn gaps still in normal position, the position of the transfer device is reversed and the horn gaps are again closed for five seconds and returned to the normal position.
The complete charging operation takes but a few moments and should be performed daily. The operation is valuable, not only in keeping the films in good condition, but also in giving the operator some idea of the condition of the arrester by enabling him to observe the size and color of the charging spark.
Fig. 2,397.—Highland Park sub-station, Charlotte, N.C., showing old lightning arrester tower on the left and General Electric aluminum (electrolytic) cell lightning arrester and horn gaps in foreground.
Grounded and Non-grounded Neutral Circuits.—It is important to avoid the mistake of choosing an arrester for a thoroughly grounded neutral when the neutral is only partially grounded, that is, grounded through an appreciable resistance. Careful consideration of this condition will make the above statement clear.
In an arrester for a grounded neutral circuit, each stack of cones normally receives the neutral pressure when the arrester discharges, but if a phase become accidentally grounded, the line voltage is thrown across each of the other stacks of cones until the circuit breaker opens the circuit. The line voltage is 173 per cent. of the neutral or normal operating voltage of the cells and therefore about 150 per cent. of the permanent critical voltage of each cell. This means that when a grounded phase occurs, this 50 per cent. excess pressure is short circuited through the cells until the circuit breaker opens.
Fig. 2,398.—Westinghouse electrolytic station lightning arrester for direct current up to 1,500 volts consists of a tank of oil in which are placed, on properly insulated supports, a nest of cup shaped aluminum trays. The spaces between the trays are filled with electrolyte, a sufficient quantity for one charge being furnished with each arrester. The top tray is connected with the line through a 60 ampere fuse, and the bottom tray is connected to the tank which is thoroughly grounded by means of a lug. The fuse is of the enclosed type and mounted on the cover of the arrester. A small charging current flows through the trays continuously and keeps the films on the trays built up, so that no charging is required. This charging current is not, however, of sufficient value to raise the temperature appreciably. The immersed area of each tray is 100 square inches. The shape and the arrangement of the trays is such that any gases generated by the discharge can pass out readily without disturbing the electrolyte between the trays.
The amount of energy to be dissipated in the arrester depends upon the kilowatt capacity of the generator, the internal[Pg 1706] resistance of the cells, and the time required to operate the circuit breakers. It is evident that the greater the amount of resistance in the neutral, the longer will be the time required for the circuit breakers to operate. Therefore, in cases where the earthing resistance in the neutral is great enough to prevent the automatic circuit breakers opening practically instantaneously, an arrester for a non-grounded neutral system should be installed.
Figs. 2,399 to 2,401.—Westinghouse ground fittings. Fig. 2,399, ground plate; fig. 2,400, ground point; fig. 2,401, cap. The ground plate consists of a circular piece of cast iron, 12 inches in diameter, 1⅜ inches thick with a ¾ inch pipe tap in center to connection to arrester. The surface is increased by means of corrugations, as shown in the accompanying illustrations, to 461 square inches, affording ample contact with the earth and enabling it to take care of all discharges through the arrester. The plate should preferably be buried at the foot of the pole so that the ground wire runs to it in a straight line from the arrester. Care should, of course, be taken to see that the earth in which the plate is buried is damp. If the ground wire be placed within the pipe leading to the ground plate it should be soldered to a cap at the top of the pipe to eliminate the inductive effect due to the wire being surrounded by iron. A simple and effective method of securing a good ground is by means of an iron pipe with a malleable iron point having a dipped galvanized finish, and a brass cap with a lug for soldering the ground wire. The pipe may be driven into the earth, or if it be too hard to permit driving, a hole may be dug and the pipe placed therein. It should extend from eight to ten feet above and below the earth to secure, respectively, a good ground and prevent any tampering with the ground wire. Should it be desired to make use of a longer pipe which would be inconvenient to drive into the earth, two pieces can be used and connected together by a coupling. The brass cap and malleable iron point are tapped for use with ¾ inch pipe.
Ground Connections.—In all lightning arrester installations it is of the utmost importance to make proper ground connections, as many lightning arrester troubles can be traced[Pg 1707] to bad grounds. It has been customary to ground a lightning arrester by means of a large metal plate buried in a bed of charcoal at a depth of six or eight feet in the earth.
A more satisfactory method of making a ground is to drive a number of one inch iron pipes six or eight feet into the earth surrounding the station, connecting all these pipes together by means of a copper wire or, preferably, by a thin copper strip. A quantity of salt should be placed around each pipe at the surface of the ground and the ground should be thoroughly moistened with water. It is advisable to connect these pipes to the iron framework of the station, and also to any water mains, metal flumes, or trolley rails which are available.
Figs. 2,402 to 2,404.—General Electric magnetic blow out arrester for use on railways. It consists of an adjustable spark gap in series with a resistance. Part of the resistance is in shunt with a blow out coil, between the poles of which is the spark gap. The parts are mounted in a strong, porcelain box, which, for car and pole use, is in turn mounted in a substantial asbestos lined, wooden box. In operation, when the lighting pressure comes on the line, it causes the spark gap to break down and a discharge occurs through the gap and the resistance rod to ground. Part of the current shunts through the blow out coil producing a strong magnetic field across the spark gap. The magnetic field blows out the discharge arc and restores normal conditions. The resistance is only 60 ohms (for 500 volt rating work), and the spark gap only one-fortieth of an inch (.025 in.).
The following suggestions are made for the usual size station.
1. Place three pipes equally spaced near each outside wall, making twelve altogether, and place three extra pipes spaced about six feet apart at a point nearest the arrester.
[Pg 1708]2. Where plates are placed in streams of running water, they should be buried in the mud along the bank in preference to being laid in the stream. Streams with rocky bottoms are to be avoided.
3. Whenever plates are placed at any distance from the arrester, it is necessary also to drive a pipe into the earth directly beneath the arrester, thus making the ground connection as short as possible. Earth plates at a distance cannot be depended upon. Long ground wires in a station cannot be depended upon unless a lead is carried to the parallel grounding pipes installed as described above.
4. As it is advisable occasionally to examine the underground connections to see that they are in proper condition, it is well to keep on file exact plans of the location of ground plates, ground wires and pipes, with a brief description, so that the data can be readily referred to.
Fig. 2,405.—General Electric magnetic blow out arrester for line use. It consists essentially of a small spark gap which is in series with a resistance, and between the poles of a magnet. The operation is similar to that of the arrester shown in figs. 2,402 to 2,404, but the magnet is a permanent magnet instead of an electromagnet. The spark gap and the magnet are mounted within porcelain blocks in such a way that the discharge arc is blown by the magnet through an arc chute and a cooling grid which is also held by the porcelain. The cooling grid in the arc chute materially assists the magnet in extinguishing the discharge arc, giving the arrester a high arc rupturing quality. The series rod is carborundum and is connected externally to the other portion of the arrester. The arrester is self-contained.
5. From time to time the resistance of these ground connections should be measured to determine their condition. The resistance of a single pipe ground in good condition has an average value of about 15 ohms. A simple and satisfactory method of keeping account of the condition of the earth connections is to divide the grounding pipes into two groups and connect each group to the 110 volt lighting circuit with an ammeter in series.
Choke Coils.—A lightning discharge is of an oscillatory character and possesses the property of self-induction, accordingly it passes with difficulty through coils of wire. Moreover, the frequency of oscillation of a lightning discharge being much greater than that of commercial alternating currents, a coil can[Pg 1709] readily be constructed which will offer a relatively high resistance to the passage of lightning and at the same time allow free passage to all ordinary electric currents.
Opinions on the design of choke coils for use with lightning arresters vary considerably. Some engineers recommend the use of very large choke coils, but while large choke coils of high inductance do choke back the high frequency currents better than smaller coils of less inductance, they cost more, and under many conditions they are a menace to the insulation unless the lightning arresters be installed on both sides of them.
Fig. 2,406.—Westinghouse line suspension choke coil. It is so designed that it can be inserted directly in the transmission line wire or in the station wiring and held in position therein by the tension of the line or station wires. Because of the fact that no insulators are required, solely to support this choke coil, and that it can be installed in either a vertical or a horizontal position it can often be utilized effectively in power and sub-station layouts. Terminals, each having a ½ inch round hole, to accommodate the conductors are provided at each end of the coil. Three square headed binding screws are supplied which clamp the conductors in position. The coil is provided with a strain insulator, so arranged within the coil at its axis, that it assumes any mechanical tension transmitted from the conductors. No mechanical tension reaches the turns of the choke coil proper. In construction, the choke coil is made in but one size having a current carrying capacity of 200 amperes and is suitable for a voltage of 2,000 to 22,000. For higher voltages than 22,000, several choke coils are connected in series. One coil is used for each 22,000 volts or fraction thereof, of the pressure between the wires of the circuit. Application: This type of choke coil may be used for alternating current service for the entire range from 22,000 to 110,000 volts. It may be used on transformers, but is not recommended for the protection of generators.
Part of the functions of the choke coil are performed by the end turns of a transformer and extra insulation is invariably installed in all power transformers built in recent years.
The choice of choke coils must be influenced by the condition of insulation in the transformers as well as by the cost, pressure regulation, and nature of the lightning protection required.
Ques. What are the primary objects of a choke coil?
Ans. To hold back the lighting disturbance from the circuit apparatus during discharge, and to lower the frequency of the oscillation so that whatever charge gets through the choke coil will be of a frequency too low to cause serious pressure drop around the first turns of the end coil in either alternator or transformer.
If there be no arrester, the choke coil cannot perform the first function, accordingly a choke coil is best considered as an auxiliary to an arrester.
Ques. What is the principal electrical condition to be avoided with a choke coil?
Ans. Resonance. The coil should be so arranged that if[Pg 1711] continual surges be set up in the circuit, a resonant voltage due to the presence of the choke coil cannot build up at the transformer or generator terminals. This factor is a menace to the insulation. Another way of stating the condition is as follows: So arrange the choke coil as not to prevent surges, originating in a transformer, passing to the arrester.
Ques. What is another electrical condition to be avoided and why?
Ans. Internal static capacity between adjacent turns
Fig. 2,410.—Westinghouse choke coil for high pressure transmission circuits, 2,200 to 25,000 volts. Choke coils of this type are wound without iron cores on circular or elliptical center blocks. They have a large number of layers and few turns per layer (except those made for small currents, they usually have one turn per layer), which give the best condition for insulating and cooling. They are air cooled, heavily insulated and have a line lead at the top, as shown. Choke coils are designed to prevent the short circuits sometimes caused by the local concentration of pressure such as may be produced by a lightning discharge. They limit, to some extent, an abnormal rise of pressure on the apparatus by delaying the advance of a static wave from the line and thus give the arrester more time to act. The disturbance caused by a lightning flash passes along the line in the form of a surge or "tidal wave." If this wave pass a choke coil, it is flattened out, and if the coil be of sufficient power, becomes practically harmless. It is evident, however, that the choke coil receives the full force of the wave, and that, consequently, it must be heavily insulated; moreover, the choke coil must not overheat under load, nor introduce into the circuit excessive inductive resistance. of the choke coil, because this lowers the effectiveness of the coil.
Ques. What is the object of making choke coils in the form of an hour glass?
Ans. To prevent sagging between the supports.
Fig. 2,411.—Westinghouse air cooled choke coil particularly suitable for outdoor use. The method of mounting is such that insulation for any desired voltage is readily obtained with the same type of porcelain, and mounting in any position is possible. The coil is a helix of aluminum rod, about 15 inches in diameter and containing about 30 turns. Bracing clamps are provided to give mechanical strength to the helix, and the rod used is of sufficient diameter to carry 200 amperes. The coil is supported on two insulating columns made up of porcelain insulators, which, except for the end pieces, are interchangeable. The number of insulators used in the columns depends on the voltage of the circuit in which the coil is to be used. The apparatus can be mounted in any position convenient for the wiring, on floor, wall, or ceiling. It is intended principally for the protection of transformers. Where greater reactance than is afforded by a single coil is desired on the higher voltage circuits, it is recommended that two or more coils be connected in series, one coil being used for each 22,000 line voltage. This coil should not be used for generators. The insulating columns are supported on substantial cast iron blocks on wooden bases.
Ques. How are choke coils cooled?
Ans. By air, or by oil.
Ques. For what service are oil cooled choke coils used?
Ans. On circuits of pressures above 25,000 volts, choke coils immersed in oil, as are transformer coils, have advantages in that the coil is amply insulated not only from the ground[Pg 1713] but against side flash, and that copper of comparatively small section may be used without undue heating.
Fig. 2,412.—Westinghouse air cooled choke coil, for voltages of from 2,200 to 110,000. In construction, the coils are made of aluminum rod wound into a helix of about 15 inches in diameter and having 20 turns. The helix is supported on two insulators. For mechanical reasons it is necessary to have the aluminum rod of sufficient size to secure rigidity, consequently every coil has a capacity of 200 amperes and may be used on any circuit up to that capacity. The coils are insulated according to the standard practice for disconnecting switches, the insulators being mounted on wooden pins supported by a wooden base. This apparatus can be mounted in any position. The wiring of a station or sub-station is facilitated because the protection may be placed so as to simply form part of the wiring. The coils are symmetrical so that it is immaterial which end is connected to the line or to the apparatus.
"Static" Interrupters.—A static interrupter is a combination of a choke coil and a condenser, the two being mounted together and placed in a tank and oil insulated.
It is used on high pressure circuits and its function is to so delay the erroneously called "static" wave in its entry into the transformer coil, that a considerable portion of the latter will become charged before the terminal will have reached full pressure.
A choke coil alone sufficiently powerful to accomplish this would be too large and costly on very high pressure and would interfere with the operation of the system.
Ques. How is the condenser and choke coil connected?
Ans. The condenser is connected between the line and ground behind the choke coil near the apparatus to be protected as shown in fig. 2,413.
Fig. 2,413.—Diagram showing connections of static interrupter for protecting a transformer.
Ques. What is the effect of the condenser?
Ans. The condenser, which has a very small electrostatic capacity, has no appreciable effect upon the normal operation, but a very powerful effect upon the static wave on account of its extremely high frequency.
Regulation of Alternators.—Practically all the methods employed for regulating the voltage of direct current dynamos and circuits, are applicable to alternators and alternating current circuits. For example: in order that they shall automatically maintain a constant or rising voltage with increase of load, alternators are provided with composite winding similar to the compound winding of direct current dynamos, but since the alternating current cannot be used directly for exciting the field magnets, an accessory apparatus is required to rectify it or change it into direct current before it is used for that purpose.
It is a fact, however, that composite wound alternators do not regulate properly for inductive as well as non-inductive loads.
In order to overcome this defect compensated field alternators have been designed which automatically adjust the voltage for all variations of load and lag. These machines have already been described.
Alternating Current Feeder Regulation.—With slight modification, the various methods of feeder regulation employed with direct current, may be applied to alternating current distribution circuits. For instance, if a non-inductive resistance be introduced in any electric circuit, the consequent drop in voltage[Pg 1716] will be equal to the current multiplied by the resistance. Therefore, feeder regulation by means of rheostats is practically the same in the case of alternating current as in that of direct current. In the case of the former, however, the effect of self-induction may also be utilized to produce a drop in voltage. In practice, this is accomplished by the use of self-induction coils which are commonly known as reactance coils.
Fig. 2,414.—Diagram illustrating the principle of induction voltage regulators. The primary coil P, consisting of many turns of fine wire, is connected across the main conductors C and D, coming from the alternator. The secondary coil S, consisting of a few turns of heavy wire, is connected in series with the conductor D. The laminated iron core E, mounted within the coils, is capable of being turned into the position shown by the dotted lines. When the core is vertical, the magnetic lines of force produced in it by the primary coil, induces a pressure in the secondary coil which aids the voltage; when turned to the position indicated by the dotted lines, the direction of the magnetic lines of force are reversed with respect to the secondary coil and an opposing pressure will be produced therein. Thus, by turning the core, the pressure difference between the line wires G and H, can be varied so as to be higher or lower than that of the main conductors C and D. Regulators operating on this principle may be used for theatre dimmers, as controllers for series lighting, and also to adjust the voltage or the branches of unbalanced three wire single phase and polyphase systems.
Application of Induction Type Regulators.—In supplying lighting systems, where the load and consequently the pressure drop in the line increases or decreases, it becomes necessary to raise or lower the voltage of an alternating current, in order to regulate the voltage delivered at the distant ends of the system. This is usually accomplished by means of alternating current regulators or induction regulators. A device of this kind is essentially a transformer, the primary of which is excited by being connected directly across the circuit, while the secondary is in series with the circuit as shown in fig. 2,414. By this method the circuit receives the voltage generated in the secondary.
Fig. 2,415.—Diagram of induction regulator raising the voltage 10%. In the diagram an alternator is supplying 100 amperes at 2,200 volts. The regulator raises the feeder pressure to 2,420 volts, the current being correspondingly reduced to 91 amperes, the other 9 amperes flowing from the alternator through the primary of the regulator, back to the alternator.
Fig. 2,416.—Diagram of induction regulator lowering the voltage 10%. The diagram shows the regulator lowering the feeder pressure to 1,980 volts with an increase of the secondary current to 111 amperes, the additional 11 amperes flowing from the feeder, through the primary back to the feeder.
Ques. Name two types of pressure regulator.
Ans. The induction regulator, and the variable ratio transformer regulator.
Ques. Of what does an induction regulator consist?
Ans. It consists of a primary winding or exciting coil, a secondary winding which carries the entire load current.
Fig. 2,417.—Moving element or primary of Westinghouse motor operated single phase induction regulator. It consists of a core of punchings built up directly on the primary shaft and carrying the primary winding, which is divided into four coils. The primary coils are machine wound and the layers of the winding are separated from each other by heavy insulating material in addition to the cotton covering of the inductors. The complete coils are insulated and impregnated with insulating compound before being placed in the slots. The coils are held in position by fibre wedges.
The primary is wound for the full transmission voltage, and is connected across the line, while the secondary is connected in series with the line.
Ques. What is its principle of operation?
Ans. When the primary coil is turned to various positions the magnetic flux sent through the secondary coil varies in value, thereby causing corresponding variation in the secondary voltage, the character of which depends upon the value and direction of the flux.
Ques. What is the effect of turning the secondary coil to a position at right angles with the primary coil?
Ans. The primary will not induce any voltage in the secondary, and accordingly it has no effect on the feeder voltage.
Ques. What is this position called?
Ans. The neutral position.
Ques. What are the effects of revolving the primary coil from the neutral position first in one direction then in the other?
Ans. Turning the primary in one direction increases the voltage induced in the secondary, thus increasing the feeder voltage like the action of a booster on a direct current circuit while turning the primary in the opposite direction from the neutral position, correspondingly decreases the feeder voltage.
Fig. 2,418.—Moving element or primary of Westinghouse motor operated polyphase induction regulator.
Ques. It was stated that for neutral position the primary had no effect on the secondary; does the secondary have any effect on the feeder voltage?
Ans. The secondary tends to create a magnetic field of its own self-induction, and has the effect of a choke coil.
Ques. How is this tendency overcome?
Ans. The primary is provided with a short circuited winding, placed at right angles to the exciting winding. In the neutral position of the regulator, this short circuited winding acts like the short circuited secondary of a series transformer, thus preventing a choking effect in the secondary of the regulator.
Ques. What would be the effect if the short circuited winding were not employed?
Fig. 2,419.—Top end of stationary element or secondary of Westinghouse polyphase induction regulator; view showing leads. The secondary is built up in a short skeleton frame with brackets for the rotor bearings bolted to the frame and the top cover bolted to the top brackets. In assembling the secondary, the punchings are stacked loosely in the skeleton frame and an expanding building mandrel placed inside the punchings and expanded, thereby truing up the latter before they are finally compressed and the end plates keyed in position. Then, prior to removing the mandrel a finishing cut is taken on the surface of the frame to which the bearing brackets are attached, and as the top cover and brackets are also accurately machined the alignment of the primary with the secondary is almost perfect, thus reducing to a minimum the tendency to develop vibration and noise.
Ans. The voltage required to face the full load current through the secondary would increase as the primary is turned away from either the position of maximum or minimum regulation, reaching its highest value at the neutral position.
The short circuited winding so cuts down this voltage of self-induction that the voltage necessary to force the full load current through the secondary when the regulator is in the neutral position is very little more than that necessary to overcome the ohmic resistance of the secondary.
Ques. What effect is noticeable in the operation of a single phase induction regulator?
Ans. It has a tendency to vibrate similar to that of a single phase magnet or transformer.
Fig. 2,420.—Bottom end of stationary element or secondary of Westinghouse polyphase induction regulator.
Ques. Why?
Ans. It is due to the action of the magnetizing field varying in strength from zero to maximum value with each alteration of the exciting current, thus causing a pulsating force to act across the air gap, which tends to cause vibration when the moving part is not in perfect alignment.
Ques. Explain the effect produced by bad alignment?
Ans. If the bearings of the primary be not in perfect alignment with the bore of the secondary, thereby making the air[Pg 1722] gap on one side smaller than that on the other, the crowding over of the flux to the smaller air gap will cause an intermittent pull in that direction, which will develop vibration unless the primary bearings are tight and the shaft sufficiently stiff to withstand the pull.
Ques. Upon what does the regulator capacity for any given service depend?
Fig. 2,421.—Westinghouse two kw., hand operated, air cooled induction regulator for testing purposes.
Ans. It depends upon the range of regulation required and the total load on the feeder.
Ques. How is the capacity stated?
Ans. In percentage of the full load of the feeder.
For instance, on a 100 kilowatt circuit, a 10 kw. regulator will give 10 per cent. regulation, and a 5 kw. regulator, 5 per cent. regulation.
Polyphase Induction Regulators.—The polyphase induction regulator is similar to the single phase regulator except[Pg 1723] that both the primary and secondary elements are wound with as many sets of coil as there are phases in the circuit.
In construction these windings are distributed throughout the complete circumference of the stationary and moving elements and closely resemble the windings of an induction motor.
Fig. 2,422.—Westinghouse polyphase motor operated induction regulator showing operating mechanism. The primary shaft is turned by means of a bronze worm wheel engaging a forged steel worm, provided with a ball bearing end thrust. This worm gear is housed in a separate casting bolted to the cover. The casting is made separate in order to permit close adjustment between the worm wheel and the worm to aid in counteracting the tendency to vibration. Finished surfaces on the worm gear casting are provided for mounting the motor and the brake. On the automatic regulator, the worm shaft is connected to the motor through a spur gear and pinion, which constitutes a compact driving device having very little friction. Provision is made for either alternating current or direct current motor drive. When a motor driven regulator is operated by hand, the brake must be held in the release position, otherwise it will be impossible to operate the regulator. In the hand operated regulator the spur gear is replaced by a hand wheel and the regulator is driven directly from the worm shaft.
Polyphase regulators have but little tendency to vibrate because the field across the air gap is the resultant of two or[Pg 1724] more single phase fields and is of a constant value at all times. This field rotates at a rate depending upon the number of poles and the frequency of the circuit. This produces a mechanical pull of constant value which rotates with the magnetic field varying its position from instant to instant.
It is evident that this pull is of an entirely different character from that produced by the single phase field and that there is no tendency to set up the vibration that the mechanical pull of the single phase regulator tends to establish.
Fig. 2,423.—General Electric adjustable compensation shunt. It is used as the compensating shunt for direct current voltage regulators. In operation, the shunt may be adjusted so as to compensate for any desired line drop up to 15 per cent. It is preferably placed in the principal lighting feeder but may be connected to the bus bars so that it will take the total current. The latter method is sometimes undesirable, as large fluctuating power loads on separate feeders might disturb the regulation of the lighting feeders. Adjustment is made by sliding the movable contact shown at the center of the shunt. This contact may be clamped at any desired point and it determines the pressure across the compensating winding of the regulator's control magnet. Where pressure wires are run back to the central station from the center of distribution, they may be connected directly to the pressure winding of the main control magnet, and it is unnecessary to use the compensating shunt.
There is, however, considerable torque developed, and the device for revolving the moving element must be liberally designed so as to withstand the excess torque caused by temporary overloads or short circuits.
Ques. In what respects do polyphase induction regulators differ in principle from single phase regulators?
Ans. The induced voltage in the secondary has a constant[Pg 1725] value, and the regulation is effected by varying the phase relation between the line voltage and the regulator voltage.
Ques. How is the primary wound?
Ans. It is wound with as many separate windings as there are phases in the circuit, and these primary or shunt windings are connected to the corresponding phases of the feeder.
Fig. 2,424.—General Electric direct current (form S) voltage regulator. It consists of a main control magnet, relay, condenser and reversing switch, as shown in the diagram fig. 2,428. This regulator cannot be used for compensation of line drop as the current coil is omitted; it is not a switchboard instrument, but is designed for inexpensive installations such as for regulating the voltage of motor generator sets when the current is taken from a trolley line or some other fluctuating source. The regulating outfit comprises, besides the regulator, one or more condenser sections according to field discharge, set of iron brackets when regulator cannot be mounted on front of switchboard, one compensating shunt, when it is desired to compensate for line drop. Field rheostats having sufficient resistance to reduce the voltage the proper amount must be used with voltage regulator installations. To prevent undue decay at the relay contacts, allow one section for each 15 kw. capacity of dynamo with laminated poles, and one for each 22 kw. capacity with solid steel poles.
Ques. What kind of magnetizing flux is produced by the primary windings?
Ans. A practically constant flux which varies in direction.
Ques. How is the secondary wound?
Ans. There is a separate winding for each phase.
Ques. Why is the voltage induced in the secondary constant?
Ans. Because of the constant magnetizing flux.
Ques. How is the line voltage varied by a polyphase regulator?
Ans. When the regulator is in the position of maximum boost, the line AB, fig. 2,425 represents the normal busbar voltage, BC the regulator voltage, and AC the resultant feeder voltage. When the regulator voltage is displaced 180 degrees from this position, the regulator is in the position to deliver minimum voltage to the feeder, the regulator voltage being then represented by BD, and the resultant feeder voltage by AD. When the regulator voltage is displaced angularly in the direction BF, so that the resultant feeder voltage AF becomes equal to the normal busbar voltage AB, the regulator is in the neutral position. Intermediate resultant voltages for compensating the voltage variations in the feeders may be obtained by rotating the moving element or primary in either direction from the neutral position. For example, by rotating the primary through the angle FBE, the resultant voltage may be made equal to AE or AJ, thereby increasing the feeder voltage by an amount BJ; or by rotating it in the opposite direction through the angle FBG, the feeder voltage may be reduced by an amount BH.
Fig. 2,425.—Diagram illustrating operation of polyphase induction regulator.
Ques. How are induction regulators operated?
Ans. By hand or automatically.
Ques. How is automatic operation secured?
Ans. By means of a small motor, controlled by voltage regulating relays.
Ques. How is the control apparatus arranged?
Ans. Two relays are employed with each regulator, a primary relay connected to the feeder circuit and operating under changes of voltage therein, and a secondary relay connected between the primary relay and the motor, and operated by the contacts of the former, for starting, stopping and reversing the motor in accordance with changes in the feeder voltage, thereby causing the regulator to maintain that voltage at its predetermined normal value.
Fig. 2,426.—Westinghouse voltage regulating primary relay; view of mechanism with case removed. This relay is practically a voltmeter arranged for making and breaking contacts with fluctuations of voltage. As shown in the figure, it consists essentially of a solenoid and a balance beam carrying two movable contact points on one end and attached to the solenoid core at the other. The oscillation of the core causes the contact carrying end of the beam to move between two stationary contact points connected to the auxiliary or secondary relay circuit. The stationary contact points are fitted with adjusting screws for either increasing or decreasing the distance between them, to the amount of change in the voltage required for making or breaking contact; in other words, for varying the sensitiveness of the relay. Means for varying the normal voltage which it is desired to maintain are provided in the spring attached to the balance beam and controlled by the micrometer adjusting screw. Increasing the tension of the spring results in lowering the normal voltage position. The relay is wound for a normal voltage of 110 volts, and has a range of adjustment from 90 to 130 volts. The total energy required for its operation is about 50 watts at normal voltage. Voltage transformers having at least 50 watts capacity are, therefore, required. The parts are: A, solenoid; B, solenoid core; C, end of balance beam; D, pivots, bearings; E, movable contact arm; F, upper stationary contact point; G, lower stationary contact point; H, adjusting screw; K, adjusting spring; L, feeder binding posts; M, auxiliary circuit and secondary relay binding posts.
Fig. 2,427.—Westinghouse voltage regulating secondary relay; view showing relay removed from oil tank. The secondary relay is practically a motor starting switch of the double pole double throw type, electrically operated through the contacts of the primary relay. It is provided with contact points of one-half inch rod. The relay is suitably connected for starting, stopping and reversing the motor and for properly operating the motor brake. The parts are: A, solenoid; B, laminated field; C, movable contact arm; D, stationary contact arms; E, removable brass contact points; F, terminal block; G, terminals.
Ques. Why are two relays used?
Ans. For the reason that a primary relay, of sufficient accuracy and freedom from errors due to temperature and[Pg 1729] frequency variations, could not be made sufficiently powerful to carry the relatively large current required for operating the motor.
Ques. What names are given to the relays?
Ans. Primary and secondary.
Ques. What difficulties were encountered in the operation of relays?
Fig. 2,428.—Diagram of connections of General Electric direct current (form S) voltage regulator, for 125, 250, and 550 volts. The range of voltage is given in the following table:
| Regulator | Range of voltage | ||||
|---|---|---|---|---|---|
| 16 | 17 | 18 | 19 | 20 | |
| 125 | 105 | 110 | 115 | 120 | 125 |
| 250 | 210 | 220 | 230 | 240 | 250 |
| 550 | 550 | ||||
Ans. Vibration or chattering at the contacts of both relays and tendency of the movable contact arm of the primary relay to hug closer to one of the stationary contact points than to the other, thereby operating too often.
Ques. What causes vibration or chattering at the contacts?
Ans. This is due to the voltage frequently approximating[Pg 1730] the value required for closing a contact, thereby causing the contact points to barely touch and make several poor contacts in succession.
Ques. What objectionable action is produced by vibration at the contacts?
Ans. Arcing, burning and pitting of the contacts, even when alloys of the rarer metals are used, such as those of the platinum group, having extreme hardness and high melting points.
Fig. 2,429.—Diagram of connections of automatic induction regulator and auxiliary apparatus on single phase circuit.
Ques. What effect is produced by poor contact of the primary relay?
Ans. It causes chattering in the secondary relay; which burns out and wears away its contact points, increasing the heating of the motor, creating objectionable noise and entailing wear and tear on the whole outfit.
Ques. Why does the movable contact arm of the primary relay tend to remain nearer one of the stationary contact points than the other?
Ans. This is due to the tendency of the relay to open the contact whenever the voltage equals that at which the contact closes.
Fig. 2,430.—Diagram of connections of automatic induction regulator and accessory apparatus on three phase feeder circuit.
Ques. What provision is made in the primary relay to prevent vibration or chattering?
Ans. Two auxiliary windings are provided: one in series with each of the stationary contact points and so arranged as to assist in making the contact by increasing the pressure on the contact points at the instant of closure.
The best effect of the compounding action of the auxiliary coils is obtainable when arranged for ¾ per cent. of the torque of the main coil.
Fig. 2,431.—Westinghouse drum type variable transformer voltage regulator. It consists of a drum and finger type switch. A preventive resistance is used between the different contacts, making it unnecessary to open the circuit when moving from one tap of the regulating transformer to the next tap. A spring actuated, quick moving, central stopping mechanism is used to prevent burning the resistances. The regulator is arranged to give 40 points of regulation. In many cases this large number of points is not absolutely necessary, but it is desirable to use them because the voltage per step is thus reduced to a small value, and a corresponding increase in the life of the contacts results because of the reduced sparking at the lower voltage. Two drums are employed. The first drum has ten contacts and a corresponding number of fingers, the latter being mounted upon an insulated bar. These fingers are connected to the floating coils of the regulating transformer, and as the drum is rotated, the finger connected to the line is brought into contact successively with each of the ten taps. The second drum is of similar construction and consists of a changing and reversing switch. It connects the two floating coils to the various taps on the main secondary coil of the regulating transformer at the proper time, and also reverses the transformer so that the total winding can be used for either raising or lowering the voltage. All the points of regulation are obtained by a continuous motion of the handle, the various connections produced in the manner are shown in the diagram, fig. 2,433. The top and base of the regulator are made of cast iron and the top is supported by steel bars, two of which are insulated, and used to support the metallic bases finger to which the cable leads are attached. The drums consist of metal castings mounted upon insulated shafts. The first drum, which is the only one upon which arcing can take place, is provided with removable copper contact tips. The main castings are made of aluminum to secure low inertia of the drum. A sheet iron cover is used to enclose the regulator, and the leads are brought out through the bottom of the controller.
A non-inductive resistance placed in parallel with each coil of the secondary relay, takes current approximately in phase with the current in the main coil of the primary relay, and of proper strength to make the number of ampere turns in the auxiliary coil three-fourths per cent. of the number in the main coil. The resistances have the additional effect of absorbing the "discharge" from the main coils of the secondary relay when the contacts are broken, thereby obviating sparking at the primary contact points.
Fig. 2,432.—Diagram showing connections of the Stillwell regulator.
Fig. 2,433.—Diagram showing position of the floating coil on different steps of Westinghouse drum type variable ratio transformer regulator. The upper half of the diagram shows the connections of the various coils for each position of the regulator handle. This arrangement applies to a regulator used in connection with an independent regulating transformer. When regulators are used in connection with large power transformers, the regulating transformer can be omitted and auxiliary coils can be placed on the main transformer to provide the necessary taps for regulating purposes. The lower half of the diagram shows the connections used when auxiliary coils are added to a large transformer. The diagram shows connections for a single phase regulator. Where polyphase regulators are required, the connections consist essentially of two sets of single phase connection, and the controller is extended in length so as to contain double sets of drum and contact.
Variable Ratio Transformer Voltage Regulators.—The principle of operation of this class of regulator is virtually the same as that of the induction type regulator; that is to say, both consist of regulating transformers, but in the variable ratio method the primary or series coil is divided into a number of sections which may be successively cut in or out of the circuit to be regulated, instead of varying the flux through the entire coil, as in the induction type. There are two distinct mechanical forms of variable ratio regulator:
Drum Type Regulators.—This form of variable ratio transformer consists essentially of a drum and finger type switch, similar to a railway controller.
There are many contacts, giving a large number of points of regulation, obtained by the use of changing switches and floating coils.
The floating coil is a part of the secondary winding of the regulating transformer which is insulated from the main portion of the winding, and is sub-divided by taps into a number of equal sections.
The sub-divisions of the main secondary winding are much larger, each one being equivalent to the whole of the floating coil.
Fig. 2,434.—Diagram of connections of General Electric high voltage cut out relay (form A) for voltage regulators. Its use in connection with the regulator protects the system from any sudden rise in voltage due to some accident to the regulator which might cause the relay contacts to stick, thus producing full field on the exciter. In construction, the control magnet is connected in series with the alternating current control magnet on the regulator and the contacts are connected in series with the rheostat shunt circuit. Then, should the voltage rise beyond a certain value, predetermined by the setting of the thumb screw supporting the plunger of the control magnet, the contacts of the relay are tripped open which, by inserting all the resistance in the exciter field, reduces the exciter voltage which in turn reduces the alternating current voltage. This relay has to be reset by hand.
Ques. Describe the operation of a drum regulator.
Ans. The floating coil and main windings are first connected in series with each other and with the line to be regulated. The floating coil is then cut out of the circuit step by step. When entirely cut out it is transferred to the next lower tap on the main winding, after which it is again cut out step by step and then transferred again. By continuing this process a large number of steps are provided with but comparatively few actual taps on the transformer.
Ques. How many floating coils are used and why?
Ans. Two floating coils are included in each regulator so that one can be transferred while the other is supplying the current to the line.
Dial Type Regulators.—This form of variable ratio transformer regulator consists of a regulating transformer and a dial type switch as shown in the accompanying illustrations. The regulating transformer is similar to a standard transformer except that the secondary winding is provided with a number of taps leading to the contact of the dial switch as shown in the diagram fig. 2,437.
Fig. 2,435.—Dial of Westinghouse dial type variable ratio voltage regulator. The dial consists of a marble slab, upon which the contacts are mounted in a circle as shown. The contact arm is arranged to move from contact to contact. The alternate small contacts are dummies, serving to prevent the contact arm springing down between contacts when moving from one to another. The panel contains a changing switch which makes it possible to double the range of a regulator, since the transformer connections can be changed to both raise and lower to an extent equal to the full range of the transformer. The total range in voltage from a certain per cent. below to a certain per cent. above the line voltage can be obtained in a number of steps equal to twice the number of divisions into which the secondary winding of the transformer is divided.
Ques. What modification is made to adapt dial regulators for heavy current?
Ans. A dial with a series transformer, and a shunt or auto-transformer are employed as shown in fig. 2,436.
Ques. Why is such modification desirable?
Ans. Because, the additional cost of a series transformer is small in comparison with the cost of building a dial with a large current carrying capacity, and the cost of bringing out a number of heavy leads from a small transformer.
Fig. 2,436.—Diagram of connections for Westinghouse 11 point dial, series transformer and auto-transformer. The auto-transformer has a number of taps connected across the line, the series transformer is placed in series with one side of the line, and connected to a dial, as shown.
Ques. How are dial regulators modified for high voltage?
Ans. Standard dials may be used with series and shunt transformers similar to the method used for heavy current circuits.
Ques. Describe the connections.
Ans. The primary of the shunt transformer is connected across the line and the secondary has a number of taps which are connected to contacts on the dial. The primary of the series transformer is connected in series with the line and two leads from the secondary winding are connected to the dial.
The connections are similar to those shown in fig. 2,437, except that shunt transformers are used instead of auto-transformers.
Fig. 2,437.—Diagram of connections for Westinghouse dial type variable ratio voltage transformer. In construction the secondary winding of the transformer is divided into 10, 14, or 20 parts giving 11, 15, or 21 taps which are brought out from the secondary winding and connected to the various points of the dial. The diagram shows connections for an 11 point dial and regulating transformer. Since there is a difference of voltage between adjacent contacts, the contact arm must not touch the contact toward which it is moving until after it has left the contact upon which it was resting. Moreover, it is undesirable to open the circuit each time in moving from one contact to the next. These conflicting requirements are met by the use of arcing tips which are placed on the contact arm so that a very close adjustment can be obtained, and so arranged that the contacts are not short circuited but always have a gap of from one-sixteenth to one-eighth inch in the circuit during the time of changing from one contact to the next. The air gaps form a "preventive resistance." A quick moving mechanism is used to accelerate the movement from one contact to the next, a very quick movement being necessary to avoid undue arcing. The capacity of the regulator is 200 amperes at 2,200 volts, being arranged to give a maximum increase in voltage of 400 volts. The maximum pressure between contacts is 25 volts.
Fig. 2,438.—Diagram of connections of General Electric pole type regulator. The operation of the regulator is obtained by means of a small single phase motor which is in continuous operation, and which by mechanical means may be connected to the regulator shaft. The control of the mechanism is obtained by means of a voltage relay. The operating motor, which is of the drawn shell type, is provided with a starting clutch and will consequently start up with full load. Under actual operating conditions it will, of course, be comparatively seldom that the motor will be called upon to start up. A non-inductive resistance, made up from standard units, is connected in series with the relay winding and several taps are provided, so that the relay can be adjusted for any voltage from 10 per cent. below normal. In order to readily dissipate the heat developed in the resistance, it has been mounted in a pocket on the back of the tank, openings being provided for natural air ventilation. The relay plunger is hinged to one end of a balance arm, which arm is provided with two trip pins to control the mechanism. An adjustable helical spring is attached to the other end of the arm to assist the magnetic pull of the coil in balancing the plunger and also for adjustment. The relay is not provided with series winding for line drop compensation, but it may be used with a standard line drop compensator, which then has to be installed outside of the regulator. The voltage relay must be connected to the feeder side of the regulator, the necessary low voltage to be obtained from a distributing transformer, or if this should not be available in the immediate vicinity, a 200 watt step down transformer will be satisfactory. The motor is designed to operate in parallel with the relay, the normal connections being as shown. The speed of the motor and the ratio of the gearing is such that it requires about 90 seconds to operate the regulator from limit to limit, but, as this regulator is not intended to take care of sudden voltage fluctuations, the comparatively long time of operation will not be objectionable.
Figs. 2,439 to 2,443.—General Electric pole type regulator removed from tank. It consists essentially of a primary and secondary coil, operating motor, and voltage relay mechanism. The regulator and mechanism is suspended in a cast iron tank, the lower part, containing the regulator core and coils, being filled with oil. The leads for the regulator are brought out at the upper part of the tank. The outgoing leads are compressed into bushings and connected to the leads of the regulator by means of terminals, the arrangements being such that the regulator with mechanism can be removed from the tank without difficulty. Besides the cover, the tank is also provided with a hinged door on the front side so as to give access to the mechanism. The door is provided with a gasket and the construction is practically rain and dust proof. However as there is always danger of the door not being clamped down perfectly, thus making it possible for water to enter the tank, a pocket has been provided inside the tank and underneath the door to collect the water. Capacity up to 2.3 kw., to control 2,300 volts, 60 cycle, 10 ampere feeders, and for a voltage range of 10 per cent. above or below normal, the operating motor and relay being designed for 110 or 220 volts. No provision is made for line drop compensation, although this can be obtained by installing a current transformer and a line drop compensator externally to the regulator.
It will be seen that the circuit comprising the dial, the secondary of the shunt, transformer and the secondary of the series transformer form a circuit which is not electrically connected to the main circuit. It can therefore be grounded without disturbing the main circuit as a safeguard to render it impossible for the pressure of the dial to be higher above the ground than the secondary voltage of the shunt transformer.
Figs. 2,444 to 2,446.—Sectional views of General Electric pole type regulator winding and core. The secondary core has only two slots containing a single coil, while the rotor or primary core has four slots. Two of these slots are occupied by a single primary coil, and the two circular slots in quadrature thereto contain the compensating or short circuit winding. This winding also serves to hold the primary punchings together, and it consists of two copper rods riveted to the two cast brass flanges. The secondary coil is form wound, while the primary coil is wound directly on the core. The rotor flanges, both top and bottom, are provided with discs which are turned in alignment with the punchings, and these discs bear against the top and bottom flanges between which the secondary punchings are clamped. These secondary flanges are also turned in alignment with the secondary punchings, so that an even air gap between the primary and the secondary is assured. The secondary coil is wound with an opening in the upper horizontal part which affords passage for the operating shaft of the rotor. A bearing for this shaft is provided in the table which supports the mechanism and from which the regulator is suspended. Flexible leads are brought out from the rotor and twisted around the shaft as in standard regulator practice. The regulator being two pole, the rotor is turned through an angle of 180 deg. to obtain the full range of the regulator.
Small Feeder Voltage Regulators.—In some generating stations the voltage is maintained constant at the busbars and the line drop compensated by automatically operated regulators connected in the main feeders. It is possible in this way to obtain constant voltage at all loads at the various distribution centers, that is, at those points on the feeders where the lines of the majority of consumers are connected as shown in fig. 2,447.
Figs. 2,447 and 2,448.—Systems of distribution illustrating use of small feeder or pole type voltage regulators.
It is evident, however, that, while the voltage at the center of distribution can be maintained constant, no account can be taken of the drop in the lines between this center and the consumers. This drop is generally negligible, except in some particularly long lines, as, for example, consumer B in fig. 2,447.
In order to obtain perfect regulation at B, it would be necessary to install a separate regulator in that line, this regulator to be installed either at the center C or preferably at B.
In a great many cases the power distribution is not as ideal as indicated in fig. 2,447, but rather as shown in fig. 2,448, that is, the consumers are connected all along the feeder. In this case there is no definite center of distribution, and the automatic regulator installed in the station can be adjusted to give only approximately constant voltage at an imaginary center of distribution C; that is, the voltage cannot be held constant at any definite point during changes of load distribution.
Fig. 2,449.—General Electric pole type regulator in service; its construction is shown in fig. 2,450.
The majority of the consumers may, however, obtain sufficiently good voltage while a few may have reason for criticism. To overcome this difficulty it is necessary either to increase the copper in the feeder or else to install small automatic regulators.
There are also cases where a small amount of power is transmitted a long distance through a feeder direct from the station.
The amount of copper required to reduce the line drop is usually too great to be considered and the cost of the ordinary automatic regulator is also comparatively high. In such cases small pole type regulators as shown in fig. 2,449 are desirable.
Ques. Describe the operation of the regulator mechanism shown in fig. 2,450.
Ans. Assuming the voltage to be normal, the balance arm of the relay will be held horizontal, the trips F will not engage with the triggers E, and no movement is therefore transmitted to the ratchet wheel C. If the voltage drops below normal, the left hand trip will descend until it finally gets in the way of the left hand trigger just before it reaches the limit of its counterclockwise travel. This trigger will therefore release the left pawl D, which will engage with the ratchet wheel and will consequently turn it clockwise until the rocker arm reaches its right hand limit. Before the rocker arm reaches the left hand limit, the released pawl must be locked by its trigger, so that if the voltage has reached its normal value, further movement of the ratchet wheel will not take place, whereas if the voltage be still too low, the trigger will again release the pawl by striking the trip of the relay.
Fig. 2,450.—Mechanism of General Electric pole type regulator. The operating motor (described in fig. 2,438) is direct connected to a worm and gear, the shaft of which is provided with a bell crank. A rod A, connects the crank with the rocker arm B, which thus may be caused to oscillate over a ratchet wheel C. The rocker arm is provided with two pawls D, which can engage with the teeth of the ratchet wheel, so that this wheel can be rotated one way or the other. The ratchet wheel is mounted on the same shaft as a worm, which engages with the gear segment carried by the regulator shaft, so that the movement of the ratchet wheel is directly transmitted to the regulator. Besides the two large pawls D, the rocker arm also carries two smaller ones E, called the triggers. These triggers usually hold the pawls locked in such positions as not to engage with the ratchet wheel, but the pawls will be released when the triggers strike the trips F of the relay arm. A limiting device for the movement of the ratchet wheel and the regulator segment is provided, as shown. This device consists of two cams K, mounted on a common arm, which can turn on the shaft of the ratchet wheel. Normally these cams are not within reach of the pawls, but through a lever arrangement, controlled by the regulator segment, the arm holding the cams may be rotated so that, if the trigger has been raised, so as to release the pawl, the tip of the pawl will bear on the cam of the limiting device, and before the pawl can engage with the ratchet wheel it has already been locked by its trigger. A further movement of the ratchet wheel in that particular direction is therefore impossible, while it is free to be moved the other way. A positive stop for the gear segment is also provided. The motor is provided with oil ring bearings, and the gear for the motor worm runs in oil, the supporting casting forming a well therefor.
Fig. 2,451.—Diagram of connections of General Electric direct current voltage regulator (form T) with two dynamos and one exciter. In cases where several shunt or compound wound direct current machines are operating in parallel, either on two wire or three wire systems, a good arrangement for voltage regulation and line drop compensation is obtained by using this regulator and a separate exciter. The compensating shunt as well as pressure wires can be used to maintain a constant pressure at the center of distribution.
Ques. How is this automatic locking of the pawl obtained?
Ans. By having a lip G on the under side of the pawl strike a finger H fastened to the bearings in front of the ratchet wheel.
The pawl is thus raised just before it reaches the limit of its clockwise travel sufficient to be locked by its trigger.
Fig. 2,452.—Condenser sections and method of assembling same with tripod. The tripod bolts are made of extra length to accommodate the addition of extra condenser sections if necessary. The illustration shows three sections in position.
Ques. How does the mechanism operate when the voltage rises above normal?
Ans. As described above, with the exception that the right hand trip causes a rotation of the regulator in the opposite direction.
Ques. How is adjustment made for various voltages?
Ans. Taps are provided on the resistance in series with the[Pg 1747] relay, and finer adjustment can be obtained by means of the helical spring on the right hand end of the balance arm.
In order to adjust the sensitiveness of regulation, the bearing for the balance arm can be raised or lowered by means of a stud J, fig. 2,450, connecting this bearing with the bearing of the operating shaft, and the regulator can be made to maintain the voltage within 1 per cent. above or below normal.
Fig. 2,453.—Westinghouse unit switch type pressure regulator, designed for handling heavy currents where a variable ratio transformer type of regulator is desired. The regulator consists of a number of electrically operated switches controlled from a master switch. These switches are arranged to perform practically the same cycle of operation as previously described for the drum type regulators. The transformer windings are divided into sections, and two floating coils are provided which are connected to various taps on the main auto-transformer. These floating coils have intermediate steps, and the successive operation of the switches connects the floating coils in proper sequence to the main auto-transformer, and transfers the line connection from one point of the floating coil to the next. In this way a 23 point regulator with sixteen switches, and a 71 point regulator with 21 switches may be supplied. The master switches are arranged with an automatic lock to prevent their being operated too rapidly. The magnet switches themselves are so interlocked that the proper sequence of operation is insured. The electrically operated switches may be of the open type, mounted on a slate or marble switchboard, when the whole control outfit is placed in a room which is comparatively free from dust or dirt of any kind, and where there is no danger of employees coming in contact with the switches. The other type of switch is entirely enclosed, the main contacts being oil immersed. The frames of these switches are grounded and the whole design is arranged to operate under ordinary dirty conditions. All of these switches, however, should receive the necessary inspection and attention. The contacts have a long life and are easily renewed. Regulators of this type are adapted for metallurgical purposes where the regulation is effected in the primary circuit and the secondary circuit is of very low voltage but large current capacity and is used for supplying power to the furnaces. These regulators have been built in capacities up to 800 amperes at 3,300 volts.
Ques. What provision is made for convenient inspection?
Ans. A snap switch is provided by means of which the power to the motor and relay can be disconnected.
Figs. 2,454 and 2,455.—Front and rear views of General Electric automatic voltage regulator. The regulator has a direct current control magnet, an alternating current control magnet, and a relay. The direct current control magnet is connected to the exciter bus bars. This magnet has a fixed stop core in the bottom and a movable core in the top which is attached to a pivoted lever having at the opposite end a flexible contact pulled downward by four spiral springs. For clearness, however, only one spring is shown in the figure. Opposite the direct current control magnet is the alternating current control magnet which has a pressure winding connected by means of a pressure transformer to the alternator or bus bars. There is an adjustable compensating winding on the alternating current magnet connected through a current transformer to the principal lighting feeder. The object of this winding is to raise the voltage of the alternating current bus bars as the load increases. The alternating current control magnet has a movable core and a lever and contacts similar to those of the direct current control magnet, and the two combined produce what is known as the "floating main contacts." The relay consists of a U shaped magnet core having a differential winding and a pivoted armature controlling the contacts which open and close the shunt circuit across the exciter field rheostat. One of the differential windings of the relay is permanently connected across the exciter bus bars and tends to keep the contacts open; the other winding is connected to the exciter bus bars through the floating main contacts and when the latter are closed, neutralizes the effect of the first winding and allows the relay contacts to short circuit the exciter field rheostat. Condensers are connected across the relay contacts to prevent severe arcing and possible injury.
Automatic Voltage Regulators for Alternators.—The accurate regulation of voltage on any alternating current system[Pg 1749] is of importance. The desired voltage may be maintained constant at the alternator terminals by rapidly opening and closing a shunt circuit across the exciter field rheostat.
Fig. 2,456.—Diagram of connections of General Electric contact making ammeter for operating on alternating current circuits. The instrument is designed to indicate with the aid of a current transformer, certain values of current in an alternating current system. This value depends upon the setting of the regulating rheostat in parallel with the pressure coil of the ammeter. It is also possible with this instrument, together with the necessary control apparatus, to hold certain values of current. By using a different magnet coil this meter may be connected to a shunt instead of a current transformer and used on a direct current system.
Ques. Describe in more detail this method of regulation.
Ans. The rheostat is first turned in until the exciter voltage is greatly reduced and the regulator circuit is then closed. This short circuits the rheostat through contacts in the regulator and the voltage of the exciter and alternator immediately rise. At a predetermined point, the regulator contacts are automatically[Pg 1750] opened and the field current of the exciter must again pass through the rheostat. The resulting reduction in voltage is arrested at once by the closing of the regulator contacts which continue to vibrate in this manner and keep the generator voltage within the desired limits. The connections are shown in fig. 2,457.
Fig. 2,457.—Diagram of General Electric automatic voltage regulator connections with alternator and exciter. In operation, the circuit shunting the exciter field rheostat through the relay contacts is opened by means of a single pole switch at the bottom of the regulator panel and the rheostat turned in until the alternating current voltage is reduced 65 per cent. below normal. This weakens both of the control magnets and the floating main contacts are closed. This closes the relay circuit and demagnetizes the relay magnet, releasing the relay armature, and the spring closes the relay contacts. The single pole switch is then closed and as the exciter field rheostat is short circuited, the exciter voltage will at once rise and bring up the voltage of the alternator. This will strengthen the alternating current and direct current control magnets, and at the voltage for which the counterweight has been previously adjusted, the main contacts will open. The relay magnet will then attract its armature and by opening the shunt circuit at the relay contacts will throw the full resistance into the exciter field circuit tending to lower the exciter and alternator voltage. The main contacts will then be again closed, the exciter field rheostat short circuited through the relay contacts and the cycle repeated. This operation is continued at a high rate of vibration due to the sensitiveness of the control magnets and maintains a steady exciter voltage.
Line Drop Compensators.—In order that the actual voltage at a distant point on a distribution system may be read at the station some provision must be made to compensate for the line[Pg 1751] drop, that is to say, for the difference in voltage between the alternator and the center of distribution.
In order to do this a device which is known as a "line drop compensator" is placed in the voltmeter circuit as shown in the diagram, fig. 2,458.
Ques. What are the essential parts of a line drop compensator?
Ans. The elements of a line drop compensator are a variable resistance, and a variable inductance.
Ques. Describe the connections.
Ans. The secondary of a pressure transformer is connected in series with the compensator inductance and resistance, and the secondary of a current transformer as shown in the diagram, fig. 2,458.
Ques. How are the inductance and resistance wound?
Ans. They are wound so that any proportion of the winding of either can be put in or out of the voltmeter circuit.
Fig. 2,459.—General Electric line drop compensator. It has two dial switches with many taps to the resistance and reactance in the box so that it can be adjusted to compensate accurately for line losses with loads of varying power factor. Dial R changes resistance, and dial X, reactance.
Fig. 2,460.—General Electric line drop compensator. This compensator contains besides resistance and inductance, a current transformer, the secondary of the transformer being connected in series with the resistance and inductance; the primary of the contained current transformer is connected to an external current transformer. The reactance and resistance are both so wound that any proportion of the winding can be cut in or out of the voltmeter circuit. Both elements have 12 points of adjustment of one volt each, giving a total combined drop at maximum setting of about 17 volts.
Ques. How can the voltmeter indicate the pressure at the center of distribution?
Ans. If the amount of inductance and resistance be properly adjusted, there will be produced a local circuit corresponding exactly in all its characteristics to the main circuit. Hence, any change in the main circuit produces a corresponding change in the local circuit, and causes the voltmeter to always indicate the pressure at the end of the line or center of distribution or at any point for which the adjustment is made.
Fig. 2,461.—Westinghouse line drop compensator. For single phase circuits, one compensator and one series transformer, that is the instrument as listed with transformers, will give correct indications for a single phase circuit. The same voltage transformer serves for both voltmeter and compensator. For balanced two phase circuits one compensator and one transformer connected in one of the phases is sufficient. Two single phase compensators should be used for unbalanced two phase circuits. For three phase circuits the compensator should be connected by means of two series transformers.
Ques. How should the adjustment be made?
Ans. It is advisable to calculate the ohmic drop for full load and set the resistance arm at the point which will give the[Pg 1754] required compensation and then adjust the inductance arm until the voltmeter reading corresponds to the voltage at the point on the line selected for normal voltage.
Fig. 2,462.—Diagram of automatic voltage regulator, using line drop compensator. For ordinary installations the compensating winding on the alternating current control magnet is connected to a current transformer in the main feeder. A dial switch is provided by which the strength of the alternating current control magnet can be varied and the regulator made to compensate for any desired line drop up to 15 per cent. according to the line requirements. Where the power factor of the load has a wide range of variation, a special line drop compensator, such as shown in fig. 2,459, adapted to the regulator would be desirable. The connections are readily understood by the diagram. The number of condenser sections which will prevent undue arcing at the relay contacts depends on the characteristics of the exciter. They may be roughly estimated by allowing one section for each 15 kw. capacity for exciters with laminated poles, and one for each 22 kw. capacity for exciters with solid steel poles. It is necessary though to have one condenser section for each pair of relay contacts, and at times it becomes necessary to apply a double section for each pair of contacts. In the lower part of the figure the line drop compensation and connections is reproduced in more detail on a larger scale.[2]
[2] NOTE.—It is desirable, in any system of distribution, to read the active voltage at the point of distribution, by means of the voltmeters in the station. A compensator proper consists of a variable resistance and a variable inductance, and sometimes a current transformer. In wiring, the voltmeter, instead of being connected directly across the secondaries of a pressure transformer, has inserted in series with it, portions of the resistance and inductance of the compensator. These are so connected that the drop in pressure across them will be combined with that of the pressure transformer, so that the voltmeter reading indicates the pressure at the center of distribution or end of the line.
Starting Compensators.—These are used for starting induction motors and consist of inductive windings (one for each phase) with a number of taps connecting with switch contacts as shown in fig. 2,463. A starting compensator is similar to a rheostat except that inductive windings are used in place of the resistance grids.
Fig. 2,463.—Diagram of connections of General Electric two phase starting compensator with no voltage release and fuses.
Ques. Describe the inductive windings.
Ans. The compensator winding consists of an inductive coil in each phase with each coil placed on a separate leg of a laminated iron core. Each coil is provided with several taps so located that a number of sub-voltages may be obtained.
Ques. Are starting compensators necessary for small motors? Why?
Ans. No, because the full voltage starting current taken, although equal to several times the load current, is nevertheless so small, compared with the capacity of the station alternators or feeders, that it does not materially affect the regulation of the circuit.
Fig. 2,464.—Diagram of connections of General Electric three phase starting compensator with low voltage release and fuses.
Fig. 2,465.—Diagram of connections of General Electric two phase starting compensator with no voltage release and overload relays for 1,040 to 2,500 volt circuits.
Motors larger than about 7 horse power cause an objectionably heavy rush of current if thrown directly on the line. Starting compensators obviate such sudden variations of line load and are accordingly recommended for motors above 7 horse power except in cases where voltage variations and excessive starting currents are not objectionable.
Figs. 2,466 and 2,467.—General Electric three phase hand operated starting compensator. Fig. 2,466, compensator in case; fig. 2,467, compensator with case removed. The compensator consists of a core and windings, a cable clamp, and a switch, assembled in a substantial metal case with external operating handle and release lever. The windings consist of coils wound on separate legs of a laminated core, and tapped at several points, the connections terminating at the switch contacts. The shaft of the switch extends through the sides of the compensator case, and is operated by a lever at the right, being held in the running position by a lever at the left. It is provided with wiping contacts. The switch is immersed in oil, and is intended to be used as a line switch as well as for starting the motor. The lever has three positions: "off," "starting," and "running." In the off position, both compensator and motor windings are disconnected from the line. In the starting position, the switch connects the line to the ends and the motor to the taps of the compensator winding without overload relays or fuses in circuit. In the running position, the compensation winding is cut out and the motor is connected to the line through suitable fuses or overload relays mounted directly above the compensator. To prevent the attendant throwing the motor directly on the line, and thereby causing a rush of current which it is the object of the compensator to avoid, an automatic latch is provided and so arranged that the lever at off position can be thrown only into the starting position (backward); and can be thrown thence into the running position (forward) only by a quick throw of the lever, whereby any appreciable drop in speed and consequent increase in current in passing from the starting into the running position is avoided.
Ques. What should be noted with respect to the compensator winding taps?
Ans. The choice of a tap giving so low a voltage as to require over one minute for starting should be avoided so as to prevent the overheating to which starting compensators, in common with other motor starting devices, are liable if left in circuit unnecessarily long, or if the motor be started several times in rapid succession.
Fig. 2,468.—Diagram of connections of General Electric three phase starting compensator with no voltage release and overload relays.
It should also be noted that the starting current diminishes rapidly as full speed is approached. It is, therefore, important that the switch be kept in the starting position until the motor has finished accelerating to prevent any unnecessary rush of current when the switch is thrown to the running position.
Fig. 2,469.—General Electric starting compensator with low voltage release and overload relays. On the switch shaft there are mounted two levers, held together with a strong spring which operates in either direction and prevents the switch being left on the starting position. On the running side it is held by the external low voltage release lever until released either by hand or by the action of a low voltage relay. The low voltage release consists of a cast iron frame open at the bottom and totally enclosing the coil. A laminated plunger is used to hold the tripping lever, the latter engaging with the lever mounted on the switch shaft. The compensator cannot be thrown into the running position without first going to the starting position and it cannot be left on the starting position.
Ques. What is the usual arrangement of starting compensators for large motors?
Ans. Starting compensators may be wound for any voltage or current for which it is practicable to build motors. For very large motors the switching device is generally separate from, the compensator itself and consists of triple and four pole switches for three phase and two phase motors respectively. One double throw switch or two interlocked single throw switches are required for the motor and a single throw switch for energizing the compensator, the running side of the motor circuit being provided with fuses or automatic circuit breakers, or the switches provided with low voltage and overload release attachments.
Star Delta Switches.—These are starting switches, designed for use with small three phase squirrel cage motors having their windings so arranged that they may be connected in star for starting and in delta for running.
Ques. Describe the operation of a star delta switch.
Ans. In starting the motor, the drum lever is thrown in the[Pg 1760] starting direction which connects the field windings of the motor in star. When the motor has accelerated and has come partially up to speed the starting lever is quickly thrown to the running position in which position the field windings are connected in delta. The effect of connecting the field winding in star at starting is to reduce the voltage applied to each phase winding, while in the running position each phase of the field winding has full line voltage impressed upon it.
Figs. 2,470 to 2,474.—General Electric time limit overload relay for starting compensator. In case of overload, the relay armature is raised and at the end of its travel, opens the small switch at the top which in turn opens the circuit of the low voltage release coil causing the compensator switch to return to the "off" position. The oil dash pot provides a certain time element and can be adjusted to operate immediately upon overload or at any interval up to five minutes. Each relay has five calibrating points, the lowest being the normal full load current of the motor, the highest 300 per cent. full load current. The scale on the calibration tube reads direct and shows various values of current at which the relay may be set to operate. To change overload setting: 1, loosen set screw; 2, turn relay plunger on piston rod until white mark comes opposite required value of current; 3, tighten set screw. Time element adjustment: Removing oil dash pot by turning to the left will expose the cup shaped piston, made of which are two concentric discs (B and C) held together by a milled lock nut, A. There is a hole in each disc through which the oil must pass when the plunger of the relay is raised. The time element may be varied by changing the size of the opening between these discs, that is, to have the relays operate in a shorter period of time, increase the size of the opening and vice-versa. To change the time setting: 1, remove the oil dash pot; 2, raise the discs B and C on the piston rod; 3, loosen the lock nut A; 4, change the opening between B and C, giving a larger opening for shorter time of operation, and a smaller opening for longer time; 5, tighten lock nut A; 6, replace discs in piston D; 7, replace oil dash pot.
Figs. 2,475, and 2,476.—Front and side views (oil tank removed) of Cutler-Hammer star delta switch for starting small three phase squirrel cage motors. In construction, the switch consists of one set of stationary fingers and a rotating wooden cylinder, carrying two sets of contacts. These parts are supported from the switch frame casting and are enclosed in a steel tank which contains an insulating oil. Flexible oil proof cable leads are brought out through insulated bushings in the top of the switch and tagged for convenience in connecting to the lines and motor. To prevent seepage of oil, the leads are sealed into the top of the cover with an oil proof sealing wax. The lever of the star delta switch is arranged with an interlock which prevents its being thrown directly into the running position from the off position. It is necessary to throw the lever first into the starting position and then with an uninterrupted movement to the running position. The circuit of the motor is broken only for an instant in changing from star to delta and no heavy inrush current occurs. No voltage release protection is provided by a latching solenoid which holds the spring centered drum cylinder in the running position. The no voltage release coil is mounted in the lower part of the starting switch, immersed in the oil tank, and is protected against mechanical injury and grounding. The coil is in circuit during the running period only and requires not more than 8 to 15 watts to hold the switch in the running position. The operation of this protective device is such that on failure of voltage the star delta switch will immediately be returned to the off position. Overload release protection consists of two relays on a small slate panel, which is mounted directly on the side of the star delta switch. The switch contacts of the overload release are connected in series with the connections to the no voltage release coil so that when an overload occurs the overload relay operates to open the circuit to the no voltage release coil, thus permitting the switch lever to return to the off position. The overload relays do not afford overload protection during the starting period, and when such protection is desired starting fuses should be installed. These fuses, if used, should have a capacity of 250 to 300 per cent. of the normal full load current of the motor.
Fig. 2,477.—Diagram of connections of General Electric three phase starting compensator with low voltage release and overload relays for 1,040-2,500 volt circuits.
Synchronous Condensers.—A synchronous motor when sufficiently excited will produce a leading current, that is, when over excited it acts like a great condenser, and when thus operated on circuits containing induction motors and similar apparatus for the purpose of improving the power factor it is called a synchronous condenser.
Although the motor performs the duty of a condenser it possesses almost none of the properties of a stationary condenser other than producing a leading current, and is free from many of the inherent defects of a stationary condenser.
The relation of power factor to the size and efficiency of prime movers, generators, conductors, etc., and the value of synchronous condensers for improving the power factor is generally recognized.
Induction motors and other inductive apparatus take a component of current which lags behind the line pressure, and thereby lowers the power factor of the system, while a non-inductive load, such as incandescent lamps, takes only current in phase with the voltage and operates at unity power factor.
Since transformers require the magnetizing current, they may seriously affect the power factor when unloaded or partially loaded, but when operating at full load their effect is practically negligible.
The relative effect of fully loaded and lightly loaded induction motors on the power factor is indicated by the diagram, fig. 2,478. The magnetizing current is nearly constant at all loads and is wattless, lagging 90 degrees behind the impressed pressure, or at right angles to the current which is utilized for power.
In the figure, AB is the magnetizing component, which is always wattless, and CB the power component. The angle ACB gives the phase relation between voltage and current; the cosine of this angle CB ÷ AC is the power factor.
Fig. 2,478.—Diagram showing relative effect of fully loaded and lightly loaded induction motors on power factor.
It is evident from the diagram that if the load be reduced, the side CB is shortened, and as AB is practically constant, the angle of lag ACB is increased. It therefore follows that the cosine of this angle, or the power factor is reduced.
The figure clearly shows the reason for the low power factor of induction motors on fractional loads and also shows that since the magnetizing current is practically constant in value, the induction motor can never operate at unity power factor.
With no load, the side CB (real power) is just sufficient to supply the friction and windage. If this be represented by DB, since AB remains constant, the power factor is reduced to 10 or 15 per cent. and the motor takes from the line about 30 per cent. of full load current. It therefore follows that a group of lightly loaded induction motors can take from the system a large current at exceedingly low power factor.
The synchronous motor when used as a condenser, as before stated, has the property of altering the phase relation between pressure and current, the direction and extent of the displacement being dependent on the field excitation of the condenser.
It can be run at unity power factor and minimum current input, or it can be over excited and thereby deliver leading current which compensates for the inductive load on other parts of the system. The synchronous condenser, therefore, can supply magnetizing current to the load on a system while the power component is supplied by the generators.
Fig. 2,479.—General Electric 400 kw., 550 volt, 600 R.P.M., synchronous condenser with direct connected exciter installed in sub-station No. 1 of the Colorado Light & Power Co., Cripple Creek, Colo. The machine is designed for alternating current starting by means of a compensator. The field is provided with a standard synchronous motor winding, and, in addition, an amortisseur winding which assists in starting and serves as a damping device to minimize hunting.
Fig. 2,480.—Diagram showing relative location of alternators and synchronous motors in plant of Witherbee Sherman & Co., Mineville N. Y. The distribution system of the Company is provided with three synchronous motors, as shown. The system includes two hydro-electric, one turbine driven, and one engine driven generator plants; from three of these, current is transmitted to the fourth, which is located in Mineville, at the point "A", the current being distributed to the motor circuits from the points "A" and "B." The transmission to the central station at Mineville is over three phase circuits at 6,600 volts. For operating the mine at Cheever, current is transmitted direct from the generating station at Port Henry. The distribution from "A" and "B" is all at 3,300 volts, being stepped down to 440 volts for the operation of the motors, which have a total rated capacity of 4,762 horse power. Excepting three synchronous motors, the load is practically all inductive, there being less than 10 kw. required for lighting. The actual power demand ranges from 60 to 65 per cent. of the rated motor capacity, and prior to the installation of the synchronous motors, the power factor was approximately 68 per cent., the condenser effect of these motors making it possible to maintain an average of about 90 per cent. power factor in spite of the fact that a considerable portion of the induction motor load is very widely distributed. The three synchronous motors are partially loaded, each motor driving an air compressor through belting. The 180 kva. motor at Cheever takes about 150 kw. for the operation of a 1,250 cubic foot compressor, while the two 360 kva. machines take about 300 kw. each, for the operation of two 2,500 cu. ft. sets. The operation of these compressors affords a method of utilizing a portion of the motor capacity mechanically, inasmuch as the load on the motors is practically constant during the time the mines are in operation, and thereby permit the motors to be run at approximately 80 per cent. power factor.
Effects of Low Lagging Power Factors.—Transformers are rated in kva. output; that is, a 100 kva. transformer is supposed to deliver 100 kw. at unity power factor at normal voltage and at normal temperatures; but, if the power factor should be, say .6 lagging, the rated energy output of the transformer would be only 60 kw. and yet the current and, consequently, the heating would be approximately the same as when delivering 100 kw. at unity power factor.
Fig. 2,481.—Field of a synchronous condenser. Note the amortisseur winding, erroneously called squirrel cage winding, consisting of two end rings which serve to short circuit spokes passing through the pole tips as shown. The amortisseur winding assists in starting and serves also as a damping device to minimize hunting.
The regulation of transformers is inherently good, being for small lighting transformers about 1½ to 2 per cent. for a load of unity power factor, and about 4 to 5 per cent. at .7 power factor. Larger transformers with a regulation of 1 per cent. or better at a unity power factor load, would have about 3 per cent. regulation at .7 power factor.
Alternators also are rated in kva. output, usually at any value of power factor between unity and .8.
The deleterious effects of low power factor loads on alternators are even more marked than on transformers. These are, decreased kw. capacity, the necessity for increased exciter capacity, decreased efficiency, and impaired regulation.
Assume the case of a 100 kva. .6 power factor, 60 kw. output. It is probable that normal voltage could be obtained only with difficulty, unless the alternator was especially designed for low power factor service. The lagging power factor current in the armature sets up a flux which opposes the flux set up by the fields, and in consequence tends to demagnetize them, resulting in low armature voltage.
It is often impracticable, without the installation of new exciters, to raise the alternator voltage by a further increase of the exciting voltage and current. The field losses, and therefore the field heating of the alternator, when it is delivering rated voltage and current, are greater at lagging power factor than at unity. Increased energy input and decreased energy output both cause a reduction in efficiency.
Fig. 2,482.—Diagram of a section of the Northern California Power Co.'s transmission system, showing relative location of alternators and synchronous condenser. The synchronous condenser is installed at Kennett, which is served by generating stations at Kilarc and Volta, located respectively 28 and 38 miles from the point at which the condenser is operated. The local demand amounts to about 6,500 kw., and before the installation of the synchronous condenser, the power factor was about 79 per cent. and after installing, about 96 per cent. while the voltage at the point where the synchronous condenser is installed is raised approximately 10 per cent. during the change from no load to full load. In order to obtain close voltage regulation, a regulator is used in connection with the synchronous condenser and holds the voltage, at the center of distribution, within 2 per cent. The regulator is mounted on the side of the control panel and connected in the field of the synchronous condenser to automatically change the excitation and compensate for voltage variations. A graphic demonstration of the improvement in voltage regulation, which has been secured in this case, is given by the curve drawing voltmeter records reproduced in fig. 2,483.
The regulation at unity power factor of modern alternators capable of carrying 25 per cent. overload, is usually about 8 per[Pg 1769] cent. Their regulation at .7 power factor lagging is about 25 per cent. The effect of low power factor on the lines can best be shown by the following example:
EXAMPLE.—Assuming a distance of five miles and a load of 1,000 kw. and desiring to deliver this load at a pressure of about 6,000 volts, three phase, with an energy loss of 10 per cent., each conductor at unity power factor would have to be 79,200 c.m., at .9 power factor, 97,533 c.m., and at .6 power factor, 218,000 c.m. In other words, at the lower power factor of .6, the investment in copper alone would be 2.8 times as much.
Fig. 2,483.—Curve drawing voltmeter records at Kennett, Cal. The upper curve shows voltage regulation with synchronous condenser out of service, and the lower curve, with synchronous condenser in operation.
If the same size of wire were used at both unity and .6 power factor lagging, the energy loss would be about 2.8 times the loss at unity power factor, or about 28 per cent. Low lagging power factor on a system, therefore, will generally mean limited output of prime movers; greatly reduced kilowatt capacity of generator, transformer and line; and increased energy losses. The regulation of the entire system will also be poor.
Cost of Synchronous Condenser vs. Cost of Copper.—Referring to the example given in the preceding paragraph, and calculating the necessary extra investment in copper with the .6 power factor load, and copper at 17 cents per pound, the result is that 29,292 pounds more copper is required than with the power factor of .9 which means a total extra investment in copper alone of $5,000 (29,292 × $.17). A synchronous condenser of sufficient capacity to accomplish the same result would cost about the same amount. It would therefore cost less to install the condenser because at the same time a considerably increased capacity would be obtained from the alternators, transformers, etc.
Fig. 2,484.—Diagram showing the field current taken by a synchronous motor of normal design when operating at normal kva. input at various power factors. It will be noted that a slight departure from unity power factor necessitates a considerable change in field current. As the field curves increase with the square of the current, there is a rapid increase in temperature with leading current. This action of leading or lagging current serves automatically to keep the flux constant in the armature with changes in field excitation. When the motor is running at unity power factor, an increase in field excitation causes a leading current to flow, and at the same time this leading current demagnetizes the field until the density of the armature is restored to its normal value. If the field be decreased a lagging current flows which in turn magnetizes the field bringing the density back to its original value. Therefore, with a constant line voltage, the iron losses in a synchronous motor are approximately constant irrespective of the field excitations with the exception that the internal voltage will vary slightly due to the armature I R drop, the density being a trifle lower at full load than at no load.
Synchronous Condenser Calculations.—In figuring on the installation of a condenser for correcting power factor troubles, a careful survey of the conditions should be made with a view of determining just what these troubles are and to what extent they can be remedied by the presence of a leading current in the system.
Fig. 2,485.—Diagram showing a set of phase characteristic curves taken from a General Electric synchronous motor. These curves show the current input to the motor at various loads with constant voltage and varying field excitation. There is a certain field current at each load that causes a minimum current. Any increase or decrease of field from the value increases the current and causes it to lead or lag with respect to the line voltage. By referring to the minimum input curve, it will be noted that if the machine be running at full load minimum input current and load is taken off, the current will be leading or vice versa. In each case the phase characteristic curve was run back on the lagging side to the break down point. At no load and one quarter load the motor still ran in step when the field was reduced to zero and even taken off altogether, and it was necessary to reverse the field current in order to back down the motor. The motor runs without slip, as a synchronous motor, in this condition, obtaining its excitation from the lagging current and running as a reaction machine. The amount of load a machine will carry without field varies with the design, the average being about 40% of full load. It will be noted from the limit of stability curve that the lighter the load on the machine when it breaks down from lack of sufficient excitation, the greater the current input at this point. The no load characteristic rises sharply on each side with slight change in field current, while it flattens out with increase in load until at overload the current input is practically the same throughout a large range of field current.
Fig. 2,486.—Comparison of the speed current curves and speed power factor curves of a typical synchronous, and induction motor. It will be noted that the power factor of the synchronous motor at start is higher than that of the induction motor owing to the higher resistance of the squirrel cage winding. As the machine approaches synchronism, however, the magnetizing current of the induction motor drops to a very much lower value than in the synchronous motor and the power factor is consequently much higher. The magnetizing current of the induction motor at full speed is usually 25 per cent. of full load current while that of the synchronous motor is from 200 to 250 per cent. of full current, or even higher when running full speed and normal voltage. This of course is due to the large air gap on the synchronous machine. The current at start with full voltage applied is usually higher in an induction motor owing to the fact that the total impedance of the stator and rotor are less due to the greater distribution of the windings and the lower resistance of the squirrel cage. The high magnetizing current of a synchronous motor should not be lost sight of as it is a very important consideration in starting the machine. Even though the motor can be brought practically to synchronous speed while still on the compensator, if line voltage be thrown on, there will be a very heavy rush of current. The obvious thing to do is to get the field on the motor while still on the compensator, whenever possible, to avoid the high magnetizing current. This magnetizing current is obviously equal to the circuit current of the machine at no load field. In some cases additional torque near synchronism can be obtained by short circuiting the field winding through the field rheostat. This has the effect of reducing the resistance of the rotor winding to some extent and causing the motor to have less slip with a given load. The gain from this source is small, however, in most cases, as the self-inductance of the field winding is so high as to allow very little current to flow even if the field be short circuited so that the total effective resistance of the rotor winding is not materially reduced. In some cases where the torque is nearly sufficient, however, enough gain may be obtained to take care of the conditions. If the field be short circuited before the motor is started there will be a reduction in starting torque and an increase in current from the line, hence if this method be resorted to, arrangements must be made to short circuit the field after the motor has come to constant speed.
It is necessary to possess a thorough knowledge of the system, covering the generating capacity in energy and kva., average and maximum load, and power factor on the alternators, average and maximum load, and power factor on the feeders, system of distribution, etc.
Fig. 2,487.—Curves showing amount of wattless component required to raise the power factor of a given kw. load to required higher value. The wattless components are expressed as percentages of the original kw. load. The numbers at the right which indicate the points of tangency of the power factor curves to the 100 per cent. line, show the amount of wattless component required to raise a given kw. load of given lagging power factor to unity power factor. Obviously the addition of further wattless component in a given case would result in a leading power factor less than unity.
The desirable location of a condenser is, of course, nearest the inductive load in order to avoid the transmission of the wattless current, but it often happens that a system is so interconnected that one large condenser cannot economically meet the conditions, in which case it may be better to install two or more smaller ones.
The question of suitable attendance should also be considered and, for this reason, it may be necessary to compromise on the location. When the location of the condenser has been decided[Pg 1774] upon and the load and power factor within its zone determined, the proper size of condenser to raise the power factor to a given value can be found as follows:
The method of procedure can best be explained by reference to a concrete case. Assume a load of 450 kw. at .65 power factor. It is desired to raise the power factor to .9. What will be the rating of the condenser?
Fig. 2,488.—Diagram for synchronous condenser calculations.
Referring to the diagram, fig. 2,488, it is necessary to start with 450 kw. At .65 power factor, or 692 kva., this has a wattless lagging component of √(6922 - 4502) = 525 kva. With the load unchanged and the power factor raised to .9, there will be 500 apparent kva., which will have a wattless component of √(5002 - 4502) = 218 kva.
It is obvious that the condenser must supply the difference between 525 kva. and 218 kva., or 307 kva. A 300 kva. condenser would, therefore, meet the requirements.
If it be desired to drive some energy load with the condenser and still bring the total power factor to .9, proceed as indicated in fig. 2,489.[Pg 1775] Assume a total load of 150 kw. on the motor. As before, 450 kw. at .65 power factor, or 692 kva., with a wattless component of 525 kva.
The energy load will be increased from 450 to 600 kw. as indicated, and with the power factor raised to .9 there will be a kva. of 667 with a wattless component of √(6672 - 6002) = 291.
There must be supplied 525 - 291 = 234 in leading kva.
The synchronous motor then must supply 150 kw. energy and 234 kva. wattless, which would give it a rating of √(1502 + 2342) = 278 kva. at .68 power factor.
Fig. 2,489.—Diagram for synchronous condenser calculation for cases where it is desired to drive some energy load with the condenser and still bring the total power factor to .9.
The standard 300 kva. condenser would evidently raise the power factor slightly above .9 power factor leading.
By reference to the chart, fig. 2,490, the size of the required condenser can be obtained direct without the use of the above calculation. The method of using this curve is as follows: Assume a load of say 3,000 kw. at .7 power factor and that it be desired to raise the power factor to .9. Run up the vertical line at 3,000 kw. to the .7 power factor line, and from there along the horizontal line to the margin and find a wattless component at this power factor of 3,000 kva., approximately. Again run up the 3,000 kw. vertical line to the .9 power factor line and from there along the horizontal line to the margin and find a wattless component[Pg 1776] of 1,500 kva. The rating of the condenser will then be 3,000 kva. - 1,500 kva. = 1,500 kva. This table of course can be used for hundreds of kilowatts as well.
Fig. 2,490.—Curve showing the relation of energy load to apparent load and wattless components at different power factors.
For determining the rating of a synchronous motor to drive an energy load this curve is not so valuable, although it can be used in determining the wattless component direct in all cases where the energy component and power factor are known. Knowing this energy component and power factor or wattless component, the energy load can obviously be found by referring to the curved lines on the diagrams, the curve that crosses the junction of the vertical energy line and the power factor or wattless component line giving the total apparent kva.
Alternating current ammeters or voltmeters indicate the virtual values of the current or pressure respectively, that is to say, they indicate, the square root of the mean square of a variable quantity.
Fig. 2,491.—Line curve of alternating current, illustrating various current or pressure values. The virtual value, or .707 × maximum value, is the value indicated by an ammeter or voltmeter. Thus, if the maximum value of the current be 100 volts, the virtual value as indicated by an ammeter is 100 × .707 = 70.7 amperes.
The virtual value of an alternating current or pressure is equivalent to that of a direct current or pressure which would produce the same effect.
For instance an alternating current of 10 virtual amperes will produce the same heating effect as 10 amperes direct current.
The relation of the virtual value of an alternating current to the other values is shown in fig. 2,491. When the current follows the sine law, the square root of the mean square, value of the sine functions is obtained by multiplying their maximum value by 1 ÷ √2 or .707.
Fig. 2,492.—Wagner tubular aluminum pointer.
The word effective is commonly used erroneously for virtual, even among the best writers and the practice cannot be too strongly condemned[3].[4] The difference between the two is illustrated in Guide No. 5, page 1,013, fig. 1,237, the mechanical analogy here given may make the distinction more marked.
[3] NOTE.—I adhere to the term virtual, as it was in use before the term efficace which was recommended in 1889 by the Paris Congress to denote the square root of mean square value. The corresponding English adjective is efficacious, but some engineers mistranslate it with the word effective. I adhere to the term virtual mainly because effective is required in its usual meaning in kinematics to represent the resolved part of a force which acts obliquely to the line of motion, the effective force being the whole force multiplied by the cosine of the angle at which it acts with respect to the direction of motion.—S. P. Thompson.
[4] NOTE.—The author adheres to the term virtual because in mechanics the adjective effective is used to denote the difference of two opposing forces; for instance, at any instant in the operation of a steam engine, effective pressure = forward pressure - back pressure, hence, to be consistent in nomenclature, the term effective cannot be used for the forward or virtual pressure, that is, the pressure impressed on an electric circuit.
In the operation of a steam engine, there are two pressures acting on the piston:
The forward pressure on one side of the piston is that due to the live steam from the boiler, and the back pressure, on the other side, that due to the resistance or opposition encountered by the steam as it exhausts from the cylinder. [Pg 1779]
In order that the engine may run and do external work, it is evident that the forward pressure must be greater than the back pressure, and it follows that the pressure available to run the engine is the difference between these two pressures, this pressure difference being known as the effective pressure, that is to say
effective pressure = forward pressure - back pressure
Thus, electrically speaking, the effective voltage is that voltage which is available for driving electricity around the circuit, that is,
| effective volts | = | virtual volts - back volts |
| = | virtual pressure - (virtual pressure - drop) |
In the case of the steam engine, the forward pressure absolute, that is, measured from a perfect vacuum is the virtual pressure (not considering the source). The back pressure may vary widely for different conditions of operation as illustrated in figs. 2,493 and 2,494.
Figs. 2,493 and 2,494.—Steam engine indicator cards, illustrating in mechanical analogy, the misuse of the term effective as applied to the pressure of an alternating current. The card fig. 2,493, represents the performance of a steam engine taking steam at 60 lbs. (gauge) pressure and exhausting into the atmosphere. The exhaust line being above the atmospheric line shows that the friction encountered by the steam in flowing through the exhaust pipe produces a back pressure of two lbs. Hence at the instant represented by the ordinate y, the effective pressure is 60 - 2 = 58 lbs., or using absolute pressures, 74.7 - 16.7 = 58 lbs., the virtual pressure being 60 lbs. gauge, or 74.7 lbs. absolute. Now, the back pressure may be considerably reduced by exhausting into a condenser as represented by the card, fig. 2,494. Here, most of the pressure of the atmosphere is removed from the exhaust, and at the instant y, the back pressure is only 6 lbs., and the effective pressure 74.7 - 6 = 68.7 lbs. Thus, in the two cases for the same virtual pressure of 60 lbs. gauge or 74.7 lbs. absolute, the effective pressures are 58 lbs. and 68.7 lbs. respectively.
In the measurement of alternating current, it is not the average, or maximum value of the current wave that defines the current commercially, but the square root of the mean square value, because this gives the equivalent heating effect referred to direct current. There are several types of instrument for measuring alternating current, and they may be classified as
Electromagnetic or Moving Iron Instruments.—This type of instrument depends for its action upon the pull of flux in endeavoring to reduce the reluctance of its path. This pull is proportional to the product of the flux and the current, and so long as no part of the magnetic circuit becomes saturated, the flux is proportional to the current, hence the pull is proportional to the square of the current to be measured.
Fig. 2,495.—A calibrated scale. This means that printed scales are not employed, but each instrument has its scale divisions plotted by actual comparison with standards, after which the division lines are inked in by a draughtsman. There are makes of direct current instruments employing printed scales in which the scale deflections are fairly accurate, even though the scales are printed, but printed scales should not be used on alternating current instruments.
Ques. What are some objections to moving iron instruments?
Ans. Instruments of this type are not independent of the frequency, wave form, or temperature and external magnetic fields may affect the readings temporarily.
Fig. 2,497.—Plunger form of electromagnetic or moving iron type of ammeter.
There are several forms of moving iron ammeters, which may be classified as
Ques. Describe the plunger type.
Ans. This type of ammeter consists of a series coil and a soft iron plunger forming a solenoid, the plunger is so suspended that the magnetic pull due to the current flowing through the coil is balanced by gravity, as shown in fig. 2,497.
Ques. How should the plunger be constructed to adapt it to alternating current, and why?
Ans. It should be laminated to avoid eddy currents.
Fig. 2,497.—One form of plunger instrument as made by Siemens. It has gravity control, is dead beat, and is shielded from external magnetic influence. The moving system consists of a thin soft iron pear shaped plate I pivoted on a horizontal spindle S running in jewelled centers. To this spindle S is also attached a light pointer P and a light wire W, bent as shown, and carrying a light piston D, which works in a curved air tube T. This tube T is closed at the end B but fully open at the other A, and constitutes the air damping device for making the instrument dead beat.
Ques. What is the character of the scale and how should it be constructed?
Ans. The scale is not uniform and should be hand made and calibrated under the conditions which it is to be used.
Ques. What is the objection to moving iron ammeters?
Ans. Since the coil carries the entire current they are large and expensive.
Ques. What precaution should be taken in installing moving iron ammeters?
Ans. Since gravity is the controlling force, the instrument should be carefully levelled.
Ques. Describe an inclined coil instrument.
Ans. It consists of a coil mounted at an angle to a shaft carrying the vane and pointer, as shown in fig. 2,498. A spring forms the controlling force and holds the pointer at zero when no current is flowing.
Fig. 2,498.—Inclined coil form of electromagnetic or moving iron instrument.
Ques. What is the principle of operation of the inclined coil instrument?
Ans. When a current is passed through the coil, the iron tends to take up a position with its longest sides parallel to the lines of force, which results in the shaft being rotated and the pointer moved on the dial, the amount of movement depending upon the strength of the current in the coil.
Ques. Describe a magnetic vane instrument.
Ans. It consists of a small piece of soft iron or vane mounted
Fig. 2,499.—Magnetic vane form of electromagnetic or moving iron instrument.
Fig. 2,500.—Magnetic vane movement of a Wagner instrument; it is used both for voltmeters and ammeters. This type differs from the dynamometer movement in that a vane of very soft iron replaces the moving coil. The magnetic vane movement makes use of its controlling spring only for the purpose of resisting the pull on the vane and the returning of the needle to zero. The spring does not carry any current.
[Pg 1785] on a shaft that is pivoted a little off the center of a coil as shown in fig. 2,499, and carrying a pointer which moves over a scale.
Ques. How does it work?
Ans. Its principle of operation is that a piece of soft iron placed in a magnetic field and free to move, will move into such position as to conduct the maximum number of lines of force.
The current to be measured is passed around the coil, producing a magnetic field through the center of the coil. The magnetic field inside the coil is strongest near the inner edge, hence, the vane will move against the restraining force of a spring so that the distance between it and the inner edge of the coil will be as small as possible.
Fig. 2,501.—Solenoid and plunger illustrating the operation of moving iron instruments. When a current flows through the coil, a field is set up as indicated by the dotted lines of force. The current flowing in the direction indicated by the arrow induces a north pole at N, which in turn induces a south pole in the plunger at S, thus attracting the plunger. The effect of the field upon the plunger may also be stated by saying that it tends to cause the plunger to move in a direction so as to conduct the maximum number of lines of force, that is, toward the solenoid. Thus if ABCD be the initial position of the plunger only five lines of force pass through it: should it move to the position A´B´C´D´, the number of lines passing through it will then be 9, assuming the field to remain unchanged.
The operation of moving iron instruments of the plunger type may be explained by saying that the current flowing in the coil produces a pole at its end and induces an unlike pole at the end of the plunger nearest the coil, thus attracting the plunger, as illustrated in fig, 2,501 above.
Figs, 2,502 and 2,503.—Wagner series transformers. Fig. 2,502, wound primary series transformer; fig. 2,503, open primary transformer. Wagner series transformers are made in three general types: One for switchboard mounting with wound primary; one for switchboard mounting with open primary, and one with open primary suitable for slipping over bus bars or switch stud. These transformers have 5 ampere secondary winding, and are intended for use in connection with instrument of scale capacity 0-5, although the scale should be calibrated to indicate the primary current. The capacities are from 2 watts to 50 watts, being suitable for operation on circuits of 750 to 66,000 volts.
Hot Wire Instruments.—Instruments of this class depend for their operation on the expansion and contraction of a fine wire carrying either the current to be measured or a definite proportion of that current.
The expansion or contraction of the wire is caused by temperature changes, which in turn are due to the heating effect of the current flowing through the wire.
Since the variations in the length of the wire are extremely small, considerable magnification is necessary. Pulleys or levers are sometimes used to multiply the motion, and sometimes the double sag arrangement shown in fig. 2,504.
As shown here, A is the active wire carrying the current to be measured and stretched between the terminals T and T´. It is pulled taut at its middle point by another wire C, which carries no current, and is, in its turn, kept tight by a thread passing round the pulley D attached to[Pg 1787] the pointer spindle, the whole system being kept in tension by the spring E.
Hot wire instruments are equally accurate with alternating or direct current, but have cramped scales (since the deflection is proportional to the square of the current), and are liable to creep owing to unequal expansion of the parts. There is also the danger that they may be burnt out with even comparatively small overloads. They are not affected by magnetic fields but consume more current than the other types, these readings are inaccurate near either end of the scale.
Fig. 2,504.—Diagram illustrating the principle of hot wire instruments. The essential parts are the active wire A, stretched between terminals T and T´, tension wire C, thread E, and pulley D to which is attached the pointer.
Induction Instruments.—These were invented by Ferraris, and are sometimes called after him. They are for alternating current only, and there are two forms:
Ques. Describe the shielded pole type of induction instrument.
Ans. As shown in figs. 2,505, and 2,506 it consists, essentially of a disc A, or sometimes a drum and a laminated magnet B. Covering some two-thirds of the pole faces are two copper plates or shields C, and a permanent magnet D.
Figs. 2,505 and 2,506.—Plan and elevation of shielded pole type of induction instrument.
Ques. How does it work?
Ans. Eddy currents are induced in the two copper plates or shields C, which attract those in the disc, producing in consequence a torque in the direction shown by the arrow, against[Pg 1789] the opposing action of a spring. Magnet D damps the oscillations.
Fig. 2,507.—Diagram showing construction and operation of Hoskins instrument. It is of the modified induction type in which the torque is produced from the direct repulsion between a primary and a secondary, or induced current. As shown in the diagram, the instrument embodies the principle of a short circuited transformer, consisting of a primary or exciting coil A, a secondary or closed coil B, linked in inductive relation to the primary by a laminated iron core C, constructed to give a completely closed magnetic circuit, that is, without air gap. The secondary is so mounted with respect to the primary as to have a movement under the influence of their mutual repulsion when the primary is traversed by an alternating current. This movement of the secondary B is opposed by a spiral spring, so that the extent of movement will be dependent upon and will indicate the strength of the primary current. To increase the sensitiveness of the instrument and also to adjust the contour of the scale, an adjustable secondary D, which has an attraction effect upon the coil B, is provided upon the core. The effect of this coil is inversely proportional to its distance from the end of the swing of the coil B. The vane, E, which is a part of the stamping B, is adjusted to swing freely and with a large amount of clearance, between the poles of a permanent magnet F, which acts as a damper on the oscillation of the moving element, but does not cause any friction or affect the accuracy of the calibration. The primary, like that of a transformer, is an independent electrical circuit and may be highly insulated. This meter will withstand several hundred per cent. overload for some time because of the very high value of the self-induction and the fact that the controlling spring is not in the circuit and therefore cannot burn off.
Figs. 2,508 to 2,511.—Hoskins instruments. Fig. 2,508, voltmeter, small pattern; fig. 2,509, ammeter, large pattern; fig. 2,510, voltmeter, horizontal edgewise pattern; fig. 2,511, illuminated dial voltmeter.
Ques. Describe the rotary field type of induction instrument.
Ans. The parts are arranged similar to those of wattmeters, the necessary split phase being produced by dividing the current into two circuits, one inductive and the other non-inductive.
Fig. 2,512.—Hoskins instrument with case removed. It has a very short magnetic circuit which is composed of silicon steel, permitting low magnetic densities to be used.
Dynamometers.—This type of instrument is used to measure volts, amperes, or watts, and its operation depends on the reaction between two coils when the current to be measured is passed through them. One of the coils is fixed and the other movable.
Fig. 2,513.—Diagram of Siemens' dynamometer. It consists of two coils on a common axis but set in planes at right angles to each other in such a way that a torque is produced between the two coils which measures the product of their currents. This torque is measured by twisting a spiral spring through a measured angle of such degree that the coils shall resume their original relative positions. When constructed as a voltmeter, both coils are wound with a large number of turns of fine wire, making the instrument sensitive to small currents. Then by connecting a high resistance in series with the instrument it can be connected across the terminals of a circuit whose voltage is to be measured. When constructed as a wattmeter, one coil is wound so as to carry the main current and the other made with many turns of fine wire of high resistance suitable for connecting across the circuit.
Fig. 2,514.—Wagner dynamometer movement. In this type of instrument the deflection is proportional to the square of the current, producing a constantly decreasing sensitiveness as the pressure applied is decreased. The dynamometer movement is, for any indication, more accurate than the magnetic vane, but cannot readily be employed for the indication of current, as required in ammeters.
Ques. Describe the construction of a dynamometer.
Ans. It consists, as shown in fig. 2,513, of a fixed coil, composed of a number of turns of wire, and fastened to a vertical support. The fixed coil is surrounded by a movable coil composed of a few number of turns or often of only one turn of wire. The movable coil is suspended by a thread and a spiral spring attached to a tortive head which passes through the center of a dial. The ends of the movable coil dip into mercury cups, which act as pivots and electrical contacts, making connection with one end of the fixed coil and one terminal of the instrument as shown. The tortion head can be turned so as to place the planes of the coils at right angles to each other and to apply tortion to the spring to oppose the deflection of the movable coil for this position when a current is passed through the coils. A pointer attached to the movable coil indicates its position on the graduated dial between the two stops. Another pointer attached to the tortion head performs a similar function.
Fig. 2,515.—Armature of Wagner dynanometer movement. Greater accuracy is claimed for this movement than the magnetic vane, but it cannot readily be employed for the indication of current flow, as required in ammeters. The magnetic vane movement is used on the A. C. ammeter, and can be used also in the A. C. voltmeters; it makes use of its controlling spring only for the purpose of resisting the pull on the vane and the returning of the pointer to zero. The dynanometer movement is recommended for voltmeters.
Fig. 2,516.—Wagner 25 watt pressure transformer for use with various alternating current instruments, such as voltmeters, wattmeters, etc. They are made in capacities 25, 50, 100, and 200 watts, and are built for pressures of 750 to 60,000 volts.
Ques. How does the dynamometer operate?
Ans. When current is passed through both coils, the movable coil is deflected against one of the stop pins, then the tortion head is turned to oppose the movement until the deflection has been overcome and the coil brought back to its original position.
Fig. 2,517.—Moving element of Keystone dynamometer instrument. The illustration shows the movable coil, pointer, aluminum air vane for damping the oscillations, controlling springs, and counter weights.
Fig. 2,518.—Keystone dynamometer movement. Since the law governing this type of instrument is the law of current squares, it follows that in the case of voltmeters, equally divided scales cannot be obtained. In the case of wattmeters, the scale is approximately equally divided, due to the fact that the movement of the moving coil is proportional to the product of the current in the fixed and moving coils. The moving parts have been made as light in weight as is consistent with mechanical strength, and the entire moving system is supported on jeweled bearings. The motion of the pointer is rendered aperiodic by the use of an aluminum air vane moving in a partially enclosed air chamber. This method of damping the oscillations of the moving parts renders unnecessary the use of mechanical brakes or other frictional devices, which tend to impair the accuracy of the instrument. The illustration shows a voltmeter, which, however, differs but little from a wattmeter. In the case of a wattmeter the fixed coils are connected in series with the line, either directly or through a current transformer, while the moving coil is connected in shunt to the line.
[Pg 1797] The angle through which the tortion head was turned, being proportional to the square root of the angle of tortion, the current strength in amperes is equal to the square root of the angle of tortion multiplied by a calculated constant, furnished by the maker of the instrument.
Ques. How is the dynamometer arranged to measure watts?
Ans. When measuring watts, the instrument should be so arranged that one coil carries the main current, and the other a small current which is proportional to the pressure.
Fig. 2,519.—Leeds and Northrup electro-dynamometer. It is a reliable instrument for the measurement of alternating currents of commercial frequencies. When wound with fine wire and used in connection with properly wound resistances, it is equally useful for measuring alternating pressures, and may thus be employed to calibrate alternating current voltmeters as well as ammeters. To give accurate results the instruments must be carefully constructed and designed with a view to avoiding the eddy currents always set up by alternating currents in masses of metal near, or in the circuits. The constant of a dynamometer may be obtained with a potentiometer, but this is usually done with precision by the manufacturer and a certificate giving the value of the constant is furnished with the instrument. The size and cost of dynamometers rapidly increase with the maximum currents which they are designed to carry, and when more than 500 amperes are to be measured, the use of other instruments and methods is recommended.
Ques. In the construction of a dynamometer what material should not be used and why?
Ans. No iron or other magnetic material should be employed because of the hysteresis losses occasioned thereby. The frame should be of non-conducting material so as to avoid eddy currents.
Figs. 2,520 to 2,526.—Various types of Wagner instruments. Fig. 2,520, small round type; fig. 2,521, horizontal edgewise type; fig. 2,522, smallest switchboard type; fig. 2,523, portable type; fig. 2,524, combination voltmeter and ammeter in one case; fig. 2,525, vertical type; fig. 2,526, polyphase type.
Watt Hour Meters.—A watt hour meter is a watt meter that will register the watt hours expended during an interval of time. Watt hour meters are often erroneously called recording or integrating watt meters.
There are several types of the electromotor form of watt hour meter, which may be classified as
Fig. 2,527—Interior Weston single phase wattmeter. The general appearance of the dynamometer movement and the relative positions of the various parts are clearly shown. The parts are assembled on one base, the whole movement being removable by unfastening two bolts. The fixed winding is made up of two coils, which together produce the field of the wattmeter. The movable coil is wound to gauge with silk covered wire and treated with cement. While winding, the coil is spread at diametrical points to allow the insertion of the staff, which is centered by means of two curved plates cemented to the inside surface of the coil and forming a part thereof. The coil is held in a definite position by two tiny pins which pass through the staff and engage with ears on the curved plates.
Fig. 2,528.—Westinghouse single phase induction type watt hour meter removed from case. The friction compensation, or light load adjustment, is accomplished by slightly unbalancing the two legs of the shunt magnetic circuit. To do this a short circuited loop is placed in each air gap, and means are provided for adjusting the position of the loops so that one loop will enclose and choke back more of the flux than the other loop, and thus produce a slight torque. It will be noted, that this torque depends on voltage alone, which is practically constant, and is entirely independent of the load. Adjustment is accomplished by means of either of two screws which makes micrometer adjustment possible. It is clamped when adjusted by means of a set screw, which prevents change. This method makes possible an accuracy of adjustment which effectively prevents creeping. The power factor adjustment consists of an adjustable compensating coil placed around the shunt pole tip. This is adjusted at the factory by twisting together the leads of the compensating coil, thus altering its resistance until the desired lagging effect is had. Frequency adjustment. 133 cycle meters are first calibrated on 60 cycles and the leads then untwisted to make them correct on 133 cycles. To change such a meter for use on 60 cycles it is necessary only to retwist these leads to the point shown by the condition of the wire.
Ques. What are the essential parts of a watt hour meter?
Ans. A motor, generator, and counting mechanism.
Fig. 2,529.—Pointer and movable system of Weston wattmeter. The coil is described in fig. 2,527. The pointer consists of a triangular truss with tubular members, an index tip of very thin metal being mounted at its extremity. The index tip is reinforced by a rib stamped into the metal. The pointer is permanently joined to a balance cross, consisting of a flat center web, provided with two short arms and one long arm, each arm carrying a nut by means of which the balance of the system may be adjusted. The longest arm, which is opposite the pointer, carries a balance nut, consisting of a thin walled sleeve provided with a relatively large flange at its outer end. The sleeve is tapped with 272 threads to the inch, the internal diameter of the sleeve being made slightly smaller than the outside diameter of the screw, and the sleeve is split lengthwise; therefore when sprung into place and properly adjusted it will remain permanently in position. A sleeve which is forced over the end of the staff carries the pointer firmly clamped between a flanged shoulder and a nut. By perforating the web plate of the balance cross with a hole having two flat sides that fit snugly over a similarly shaped portion of the sleeve, the pointer is given a definite and permanently fixed angular position. The air damperconsists of two very light symmetrically disposed vanes, which are enclosed in chambers made as nearly air tight as possible. These vanes are formed of very thin metal stiffened by ribs, stamped into them and by the edges, which are bent over to conform to the surface of the side walls of the chambers. They are attached by metal eyelets to a cross bar carried on a sleeve similar in construction to the one at the upper end of the staff. This cross bar is held in place by a nut, and is provided at the center with a hole having two flat sides, being similar in shape to the one in the balance cross. This hole likewise fits over a sleeve and definitely locates the vanes with reference to the other parts of the system. The damper box is cast in one piece to form the base that carries the field coils and the movable system.
Ques. What is the function of the motor?
Ans. Since the motor runs at a speed proportional to the[Pg 1802] energy passing through the circuit, it drives the counting mechanism at the proper speed to indicate the amount of energy consumed.
Ques. What is the object of the generator?
Ans. It furnishes a suitable counter torque or load for the motor.
Fig. 2,530.—Westinghouse polyphase induction type watt hour meter, covers removed. This type is made for two phase three wire and four wire, and three phase three wire and four wire circuits. Meters for circuits of more than 300 amperes or 500 volts require transformers, but, like the self-contained meters, are calibrated to read directly in kilowatt hours on the dial, without a multiplying constant.
Ques. Is there any other resistance to be overcome by the motor?
Ans. It must overcome the friction of all the moving parts.
Ques. Is the friction constant?
Ans. No.
Figs. 2,531 to 2,533.—Diagram of electromagnetic circuit of Westinghouse induction type watt hour meter, and diagram showing rotation of field. The dotted lines show the main paths of the magnetic flux produced by the two windings, the directions, however, are constantly reversing owing to the alternations of the current in the coils. Denoting the shunt and series pole tips by the letters as shown, a clear statement of the relation of the fields for each quarter period may be given. The signs + and - represent the instantaneous values of the poles indicated. Thus, at one instant the shunt pole tips A, C, and A1 are maximum +, -, and +, respectively because the instantaneous value of the current is maximum, while the value of the series flux is zero. At ¼ period later the shunt current is zero, giving zero magnetic pressure at the pole tips, while the series current has reached a maximum value, giving maximum-and + at the pole tips B and D. At the next ¼ period the shunt current is again maximum, but in a direction opposite to what it was at the beginning, making the pole tips A, C, and A1 +, -, and +, respectively, while the series current again is zero, etc., the values for the complete cycle being given in fig. 2,533. It will be observed from the table that both the + and - signs move constantly in the direction from A1 to A, indicating a shifting of the field in this direction, the process being repeated during each cycle.
Ques. What provision is made to correct the error due to friction?
Ans. The meter is compensated by exciting an adjustable auxiliary field from the shunt or pressure circuit.
Ques. What is the construction of the generator?
Ans. In nearly all meters it consists of a copper or aluminum[Pg 1804] disc carried on the same shaft with the motor and rotated in a magnetic field of constant value.
Ques. How is the counter torque produced?
Ans. When the disc is rotated in the magnetic field, eddy currents are induced in the disc in a direction to oppose the motion which produces them.
Ques. For what services is the commutator type meter used?
Ans. It is used on both direct and alternating current circuits.
Figs. 2,534 and 2,535.—Cross section of bearings of Westinghouse induction type watt hour meter. The lower bearing consists of a very highly polished and hardened steel ball resting between two sapphire cup jewels, one fixed in the end of the bearing screw and the other mounted in a removable sleeve on the end of the shaft. Owing to the minute gyrations of the shaft the ball has a rolling action, which not only makes a lower friction coefficient than the usual rubbing action, but presents constantly new bearing surfaces and thus produces long life. The upper bearing is only a guide bearing to keep the shaft in a vertical position, and is subject to virtually no pressure, and consequently little friction. It consists of a steel pin fastened to a removable screw and projecting down into a bushing in a recess drilled in the shaft. The bottom of this recess is filled with billiard cloth saturated with watch oil. A film of oil is maintained around the pin by capillary action.
Ques. What is the objection to the commutator meter?
Ans. The complication of commutator and brushes, and the fact that the friction of the brushes is likely to affect the accuracy of the meter.
Fig. 2,536.—Diagram of Fort Wayne, induction watt hour meter. It is designed to register the energy of alternating current circuits regardless of the power factor, and embodies the usual induction motor, eddy current generator and registering mechanism. The electrical arrangement of the meter consists of a current circuit composed of two coils connected in series with each other and in series with the line to be measured, and a pressure circuit consisting of a reactance coil and a pressure coil connected in series with each other and across the line to be measured. In addition, the pressure circuit contains a light load coil wound over a laminated sheet steel member, adjustably arranged in the core of the pressure coil and connected across a small number of turns of the reactance coil so as to give a field substantially in phase with the impressed pressure. The light load winding is further provided with a series adjustable resistance furnished for the purpose of regulating the current flowing in the light load winding, thereby providing a means of lagging the meter on high frequencies, such as 125 or 140 cycle circuits. The pressure circuit also comprises a lag coil wound over the upper limb of the core of the pressure circuit and provided with an adjustable resistance for obtaining a held component in quadrature with the shunt field.
Ques. What are its characteristics?
Ans. It is independent of power factor, wave form, and frequency when no iron is used in the motor.
Ques. What meter is chiefly used on A. C. circuits?
Ans. The induction meter.
Fig. 2,537.—Fort Wayne multiphase induction watt hour meter. The construction of the mechanism is essentially two single phase motor elements, one at the bottom of the meter in a suitable position, the other inverted and placed at the top of the meter. Each element acts on a separate cup, but both cups are mounted on a single shaft so that the registration is due to the resultant torque of the two elements. The meter is provided with three supporting lugs, the one at the top being keyholed and one of the bottom two, slotted to facilitate leveling. The registering mechanism is mounted on a cast iron bracket at the middle of the meter between the two motor elements. The supporting bracket is attached to the meter base by two screws and aligned by two dowel pins. The register is of the four dial type, reading in kilowatt hours. Each division of the right hand circle, or that passed over by the most rapidly moving pointer, equals one kilowatt hour in meters without a dial constant. In meters of larger capacities, dial constants of 10, 100 and 1,000 are used, in which case it is only necessary to add one, two or three ciphers to the observed reading.
Principles of Induction Watt Hour Meters.—Every commercial meter of this type is made up of a number of elements,[Pg 1807] described below. Each of these elements and parts has certain functions, and each is therefore necessary to the successful operation of the meter; moreover, each element, unless correctly designed, may introduce a source of inaccuracy. These elements are:
1. The field producing element; 2. The moving element; 3. The retarding element; 4. The registering element; 5. The mounting frame and bearings; 6. The friction compensator; 7. The power factor adjustment; 8. Frequency adjustment; 9. The case and cover.
Figs. 2,533 to 2,541.—Connections of Fort Wayne multiphase watt hour meters (type k3—forms MAB and MAK), for 100-625 volt circuits, 5-150 amperes. Fig. 2,538 two and three phase, three wire circuit, 25-36 cycles; fig. 2,539 two and three phase, 3 wire circuit, 36 cycles and above; fig. 2,540, two phase 4 wire circuit, 25-36 cycles; fig. 2,541 two phase, 4 wire circuit 36 cycles and above.
Fig. 2,542.—Fort Wayne single phase induction watthour meter with cover removed. The rotating parts consist of an aluminum disc mounted on a short shaft of small diameter. The lower end has inserted in it a hardened steel pivot which rests in a cup shaped jewel bearing. The top of the meter shaft is drilled and provided with a small washer having the central hole of very small diameter. Into this hole there extends a steel pin around which the shaft turns. Two micrometer screws are provided for load adjustment—one for the full load and the other for the light load adjustment. The adjustment for accuracy on full load is secured by varying the position of the permanent magnets, sliding them either in or out from the center of the rotating disc of the meter depending on whether it is desired to increase or decrease the speed of the disc. The micrometer screw shown in the figure serves to vary the position of the permanent magnets, causing the shoe in which the two magnets are firmly clamped to slide on the milled magnet support which is cast as an integral part of the meter frame. When the proper position of the magnets has been accurately determined by adjustment and test, the shoe which holds the two magnets is clamped firmly to the milled magnet support by two screws, one of which is shown in the figure. The adjustment for accuracy on light load is secured by varying the position of a metal punching, known as the starting plate, laterally under the pressure pole in the path of the pressure flux. This lateral movement is accomplished by means of the micrometer screw. When the proper position of this punching has been accurately determined by adjustment and test, it is secured in place by tightening the two brass screws which serve to clamp it to the meter frame.
1. The Field Producing Element.—This consists of the electromagnetic circuit and the measuring coils. One of these coils, connected in series with the circuit to be metered, is wound of few turns and is therefore of low inductance. The current through it is in phase with the current in the metered circuit. The other coil, connected across the circuit, is highly inductive, and therefore the current in it is nearly 90 degrees out of phase with, and proportional to the voltage of the metered circuit[Pg 1809] across its terminals. Therefore, when the current in the circuit is in phase with the voltage (100 per cent. power factor) the currents in the meter coils are displaced almost 90 degrees with respect to each other.
Ques. How is this angle made exactly 90 degrees?
Ans. By means of the power factor adjustment.
Fig. 2,543.—Rear view of Fort Wayne single phase induction watthour meter with back cover plate removed. The pressure and current coils and their respective cores lie behind the main frame of the meter. This complete electromagnetic unit can be removed as a whole from its mounting in the case. The pressure coil is wound from enameled wire, the number of turns being very high. The current coils have but few turns each and are wound from cotton covered wire. All coils are treated with insulating compound before assembling in the meters. The laminated iron cores placed within these coils are built up from magnetic steel. The magnetic circuits formed by the cores of the pressure and current coils are so arranged that they exert a high torque upon the disc of the rotating element in order that minute variations in the friction of the moving parts, which are likely to occur will not cause any appreciable error in the registration of the meter. The iron case surrounding the electrical elements protect that part of the meter from the effects of external stray fields, while the astatic arrangement of the permanent magnets tends to prevent any influence on the damping system. The fact that the iron frame of the meter lies between the permanent magnets and the current coils protects the magnets from the effects of short circuits which create a strong magnetic field within the meter itself.
Ques. How are the coils mounted?
Ans. They are so mounted on the core that the currents in[Pg 1810] them produce a rotating or shifting field in the air gap, in somewhat the same manner that the currents in the primary windings of an induction motor produce a rotating field.
Fig. 2,544.—Fort Wayne single phase induction watthour meter with cover register and permanent magnets removed to show solid meter frame. A heavy steel back plate held in place by two screws inserted from the front of the central casting encloses the back part of the completely assembled meter. A felt gasket lying on a suitable ledge seals the joint against the entrance of dust or moisture when the back plate is drawn down firmly by the screws. The cover which encloses the back part of the meter is a non-magnetic metallic stamping. It is held in place by wing nuts on the two light brass studs extending forward from the meter frame. This joint between the main frame and the cover is also sealed against the entrance of dust and moisture by the use of a suitable felt gasket. Two glass windows are provided in this cover, one to permit the reading of the register dials, the other to permit observation of the disc's rotation. The cover is sealed in place in the usual way by passing a sealing wire through a hole drilled in the cover sealing stud and thence through a hole provided in the wing of the seal nut. The terminal chamber is an extension of the casting which supports all the inner parts of the meter. The heavy brass terminals used for connecting the meter in circuit are held permanently by a non-combustible insulating compound which is moulded in place around them. This construction gives excellent insulation and is a safeguard against accidental short circuits across terminals. A punched terminal cover which fits over the terminal chamber is hinged at the upper left hand corner so that it will of its own accord swing out of the way when the terminal cover sealing screw is removed. This hinged style of cover will be found convenient when installing and connecting the meter in circuit. When this cover is swung back into closed position it is fastened in place by passing a seal right through the seal screw and through a lug provided on the cover.
Ques. What is the strength of the rotating field with 90 degrees phase difference between the currents?
Ans. It is proportional to the product of the currents in the[Pg 1811] two coils and therefore proportional to the product of current and voltage in the metered circuit.
At any other power factor the field is proportional to this product multiplied by the sine of the angle of phase difference between the two meter currents. If the current in the voltage coil be in quadrature with the voltage of the metered circuit, at any power factor the sine of the angle of phase difference between the currents in the meter circuits will be equal to the cosine of the angular displacement between the current and voltage in the metered circuit. Under these conditions therefore the strength of the shifting field is proportional also to the power factor of the circuit. In other words, the strength of the rotating field is proportional to the product of the volts, amperes and power factor and is therefore a measure of the actual power.
Fig. 2,545.—Sangamo single phase induction watt hour meter; view with cover removed showing mechanism.
Ques. In what part of the meter is energy consumed?
Ans. In the field producing element.
Fig. 2,546.—Main grid or supporting frame of Sangamo single phase induction watt hour meter. The grid is of cast iron and its design is such that the weight of the permanent magnets, series laminated element and return plate are carried on the main portion, the smaller projecting brackets carrying no weight except that of the moving system. The supporting grid is removed by taking out the three screws locating and holding it in position, to the iron base, also removing at the same time the screws connecting the leads of the series coils to the binding posts at the bottom. The meters are all built with four binding posts so that they may be connected either with two series leads and a tap for the pressure connection or with both sides of the circuit carried through the meter. The wire meters employ a 220 volt shunt coil, connected across the binding posts within the meter, one series coil being in each of the outer lines of the three wire system. This renders unnecessary the use of a pressure tap.
It is upon the design of this element that the losses in the meter depend. Current is flowing through the shunt coil continuously, even when no energy is being taken, and the higher the inductance of this coil, the smaller will be the energy component of the constant flow. The series coil causes a loss of energy proportional to the square of the current flowing. It also causes a drop in voltage, both inductive and resistive, hence, the resistance and inductance of the series coil of the meter should be as low as possible.
Ques. How should the magnetic circuit be designed?
Ans. The design should be such that the increase of magnetic flux with high voltage or high current will not have a retarding action but will act only to increase the torque.
If the retarding effect be not prevented, the meter will, of course, run slow at overloads. A comparative test of meters at varying load and at varying voltage will reveal the characteristics of the magnetic circuit.
2. The Moving Element.—This usually consists of a light metal disc revolving through the air gap in which the rotating field is produced.
Fig. 2,547.—Moving element of Sangamo single phase induction watt hour meter. It consists of a light aluminum disc mounted on a hard brass shaft, the entire system weighing 15.6 grams. The disc is swaged under heavy pressure, to render it stiff. The arrangement of the disc, shaft, and bearings is shown in fig. 2,548. By unscrewing the upper and lower bearings the disc and shaft can be removed without disturbing the magnets or adjustments.
Ques. What is the action of the disc?
Ans. It acts like the squirrel cage armature of an induction motor, developing the motive torque for the meter.
Ques. How is this torque counter balanced?
Ans. By the retarding element so that the speed is proportional to the torque.
Ques. How should the disc be made and why?
Ans. As light as possible to reduce wear on the bearings to a minimum.
Fig. 2,548.—Bearing system of Sangamo single phase induction watthour meter. The upper pivot, or bearing is made of tempered steel wire and of sufficiently small diameter to be quite flexible in the length between the top of the brass shaft and the guide ring in which it rotates. The guide ring, made of phosphor bronze, has the heavy hole lined and burnished. The upper bearing screw, in which the bronze bushing is carried, is so constructed that a long brass sleeve closely surrounds the upper pivot of the spindle. Any blow against the moving system, caused by accident or short circuit, will slightly deflect the shaft until the steel pivot touches against the side of the shell, thus preventing danger of breaking off or bending the upper pivot. At the same time a cushioning or flexible action between the shaft and the bearing shell is secured, thus eliminating the effect of vibration in the moving system, which would tend to produce rattling. The lower bearing consists of a cup sapphire jewel, supported in a threaded pillar, the upper end of which is provided with a sleeve so located that it prevents the moving element dropping out during shipment. This protecting sleeve is held friction tight on the shaft and can be removed if it be desired to inspect the jewel.
3. The Retarding Element.—This part acts as a load on the induction motor and enables the adjustment of its speed to normal limits. In order that the speed shall be proportional to the driving torque, which varies with the watts in the circuit, it is necessary that the torque of the retarding device be proportional to the speed. For this reason a short circuited constant field generator, consisting of a metal disc rotating between permanent magnet poles, has been generally adopted.
Ques. How is the retarding torque produced?
Ans. Eddy currents are induced in the disc in rotating through the magnetic field which, according to Lenz's law, oppose the force that produces them, thus developing a retarding torque.
Ques. How is the constant field for the retarding disc produced?
Ans. By permanent magnets.
The retarding disc may be the same disc used for the moving element, in which case the meter field acts on one edge while the permanent magnet field acts on the edge diametrically opposite. This arrangement simplifies the number of parts and saves space and weight of moving element.
Ques. What error is likely to be introduced by the retarding element?
Ans. If the strength of the permanent magnets change from any cause, the retarding torque will be changed and the calibration of the meter rendered inaccurate.
Ques. How may the strength of the permanent magnets be changed?
Ans. They may become weak with age, or affected by the proximity of other magnetic fields. The series coil of the meter may, under short circuit so affect the strength of the permanent magnets as to render the meter inaccurate.
Ques. What precautions are taken to keep the strength of the permanent magnets constant?
Ans. Weakening with age is prevented by the process of "Aging." The effect of neighboring fields is overcome by iron shields; this prevents the electromagnets affecting, through overloads, the strength of the permanent magnets.
4. The Registering Element.—This mechanism comprises the dials, pointers, and gear train necessary to secure the required reduction in speed. This gear train is driven directly by the rotor and therefore its friction should be low and constant. The dials should be easily read and should register directly in kilowatt hours. If a constant be used to reduce the reading to kilowatt hours, it should be some multiple of 10, to avoid errors in multiplication. By means of suitable gears in the meters this is easily accomplished.
Fig. 2,549.—Register dial of Sangamo single phase induction watt hour meter (full size). The dial circles read 10, 100, 1,000, and 10,000 kilowatt hours from right to left.
5. The Mounting Frame and Bearings.—These parts have an important influence on the accuracy of the meter, as it[Pg 1817] is in the bearings that most of the friction in the meter occurs. The frame should be rigid and free from vibration, so that the bearings will be at all times in perfect alignment.
Initial friction is unavoidable in any meter construction and can be easily compensated for. A change in the initial friction, however, due to wear of bearings, makes readjustment necessary.
In selecting a meter the special attention should therefore be given, to the construction of the bearings, particularly the lower, or "step" bearing which supports the weight of the moving element.
Fig. 2,550.—Canadian dial of Sangamo single phase induction watt hour meter. It has a small test circle indicating one kilowatt hour per revolution in all sizes where the first regular circle indicates 10. This is provided to conform with the requirements of the Canadian government and it is intended that the hand on the test circle shall make not less than ½ revolution in one hour with full load on a meter. In the case of a 10 ampere meter, it will make one complete revolution in one hour and for a 20 ampere, two revolutions, and so on. The train or indicating mechanism is carried on a rigidly formed and swaged brass bracket accurately located by two dowel pins set in the top face of the main grid, and is held to the grid with two screws easily accessible when it is desired to remove the train for any purpose. All indicating trains used on type "H" meters are marked with symbols on the back of the train and on the compound attachment to indicate the gear ratio of each combination; this ratio being different for meters of different capacities in order to obtain a direct reading in kilowatt hours on the dial.
Ques. Describe a good construction for the step bearing.
Ans. A desirable construction would consist of a very highly polished and hardened ball with jewel seats.
6. The Friction Compensator.—The object of this device is to overcome the initial friction of the moving parts. It is evident that if this initial friction were not compensated some of the driving torque of the meter would be used in overcoming it, and the meter would therefore not rotate at very light load, and not fast enough at other loads, thus rendering the registration inaccurate, especially at light loads.
Fig. 2,551.—Base and shunt coil of Sangamo single phase induction watt hour meter. Since the shunt or pressure coil sometimes breaks down or burns out, due to abnormal line conditions or accident, provision is made for easy replacement. The shunt magnet with its coil is held to the base by two dowel pins and four screws, enabling it to be removed as a unit as shown. A new core and coil may then be substituted without the necessity of removing and replacing laminations. The shunt coil in 25 cycle meters is wider and contains more steel than the 60 and 133 cycle coils, the winding also being correspondingly increased. The return plate and series coil laminations are also changed in proportion to correspond to the increased width of the shunt magnet. The laminations forming the core are laced into the shunt coil, and subjected to enormous hydraulic pressure, the rivets being set at the same time, to form a compact unit and eliminate humming. The laminated core of the shunt element has but a single air gap in which these discs rotate.
Since meters are usually run at light loads it is important that an efficient light load adjustment or friction compensator should be provided.
Ques. What important point should be considered in the design of the friction compensator?
Ans. The compensating torque must not cause the moving element to rotate or "creep" without current in the series coil.
The rotation of a meter is caused by two distinct torques, the varying meter torque, dependent on the power in the circuit, and the constant torque adjusted to compensate the initial friction.
The friction at all speeds is not exactly the same as the initial friction, and therefore the friction compensating torque may be in error a few per cent. at high speeds.
Figs. 2,552 and 2,553.—Arrangement of magnetic circuit of Sangamo single phase induction meter. Fig. 2,552, front view; fig. 2,553, rear and side view. As shown, the gap of the shunt held in which the disc rotates, projects in between the poles of the series magnet, the return plate bending around so as to clear the upper leg of the shunt magnet. This gives the desired proximity of shunt and series fields with a maximum radius of action for both sets of field. In all capacities up to and including 60 amperes, 2 wire and 3 wire, round wire and taped series coils are used, and in capacities of 80 and 100 amperes, strap windings. Meters exceeding 100 ampere capacity have five ampere coils and are operated from external current transformers having 5 ampere secondaries. The series windings or coils are mounted on a laminated iron U shaped magnet having a laminated return path above the disc of the meter, thus forming air gaps in which the disc rotates. The series coils in all capacities not having strap windings are held firmly in position on the yoke so that they cannot slip up from the lowest position. This is accomplished by means of a pair of spring brass clips slipped through the coils on the rear face of the yoke, the clips being held by the two screws which fasten the series magnet to the main grid. As an additional precaution, spring steel lock washers are put beneath the heads of the holding screws, thus eliminating any chance of the series magnet loosening and changing position.
If the compensating torque be small compared with the driving torque, this small error percentage is negligible in its effect on accuracy. The smaller it is, the greater will be the accuracy at all loads, and therefore, as the compensating torque is adjusted to balance the initial friction, the initial friction should be small compared with the driving torque.
A high driving torque and low initial friction are therefore desirable, but any increase in the driving torque which necessitates an increase in friction, is obviously useless.
The desirable feature of a meter is high ratio of torque to friction. As the friction is practically proportional, to the weight of the moving element, in meters having the same form of bearing, the ratio of torque to weight of rotor gives an approximation to the ratio of torque to friction, but the design of bearing should not be overlooked.
A meter having a high torque obtained by using a thick and consequently heavy disc, often has a lower ratio of torque to weight than another with lower torque, and is consequently likely to be less accurate over a given range. Furthermore, the heavy disc is a distinct disadvantage because it produces more wear on the bearings and thus reduces the life.
Figs. 2,554 and 2,555. Connections of Sangamo single phase induction meter. Fig. 2,554, 2 wire meter, 5-100 ampere capacity; fig. 2,555, 3 wire meter, 5-100 ampere capacity.
7. The Power Factor Adjustment. This adjustment is necessary to make the phase angle between the shunt and series field components 90° with unity power factor in the metered circuit. Owing to the resistance and iron loss in the shunt field circuit, that field is not shifted quite 90° with respect to the voltage. Yet exact quadrature is necessary to make the strength of the resultant field, and consequently the rotor speed, proportional to the power factor, as explained in the discussion of the field producing element.
Ques. What is the usual construction of the power factor adjustment?
Ans. It usually consists of a short circuited loop enclosing part or all of the shunt field flux.
Ques. How does this loop act?
Ans. It acts like the secondary of a transformer.
The flux induces a current in it which, acting with the current in the shunt coil, produces a slightly lagging field. By shifting the position of the resistance of the short circuited loop, the lag may be so adjusted that the shunt field flux is in exact quadrature with the voltage. It should be noted, however, that this adjustment makes the meter correct at or near one frequency only. This feature is not objectionable if reasonable accuracy be maintained within the limits of normal variation of frequency.
Figs. 2,556 and 2,557. Connections of Sangamo single phase induction meter. Fig. 2,556, 2 wire meter exceeding 100 amperes; fig. 2,557, 3 wire meter exceeding 100 amperes.
8. Frequency Adjustment.—This is often desirable, particularly for systems operating at 133 cycles. Most makes of meter are provided with means for changing the adjustment from 133 to 60 cycles in case of change in the system.
9. The Case and Cover.—These parts should be dust and bug proof, to avoid damage to the bearings, insulation and moving parts, and should of course be provided with means for sealing.
Terminal chambers so arranged that the cover of the meter element need not be removed in connecting up, are an important[Pg 1822] feature, particularly in meters that require no adjustment at installation, as they prevent entrance of dust into the main meter chamber.
A window through which the rotation of the disc can be observed in checking, should be provided for the same reason.
Fig. 2,558.—Faraday disc, or mercury motor ampere hour meter; view showing electric and magnetic circuits.
The Faraday Disc, or Mercury Motor Ampere Hour Meter.—On this type of meter the mercury motor consists essentially of a copper disc floated in mercury between the poles of a magnet and provided with leads to and from the mercury at diametrically opposite points. The theoretical relations of the various parts are shown in fig. 2,558.
Fig. 2,559.—Diagram showing relative direction of current, magnetic flux, and motion of disc in Faraday disc, or mercury motor ampere hour meter.
Ques. Explain its operation.
Ans. The electric current, as shown in fig. 2,558, enters the contact C, passes through the comparatively high resistance mercury H to the edge of the low resistance copper disc D across the disc to the mercury H and out of contact C'. The magnetic flux cuts across the disc on each side from N to S, making a complete circuit through M and M'. The relative directions of the magnetic flux and the current of electricity as well as the resulting motion are shown in fig. 2,559. According to the laws of electromagnetic induction, if a current carrying conductor cut a magnetic field of flux at right angles, a force is exerted upon the conductor, tending to push it at right angles to both the current and the flux. When connected to an eddy current damper or generator which requires a driving force directly proportional to the speed of rotation, the mercury[Pg 1824] motor generator becomes a meter. The speed of such a meter is a measure of the current or rate of flow of the electricity through the motor element, and each revolution of the motor corresponds to a given quantity of electricity. Then, by connecting a revolution counter to this motor generator, a means is provided for indicating the total quantity of electricity in ampere hours that is passed through the meter.
Fig. 2,560.—Sectional view of Faraday disc or mercury motor ampere hour meter as made by Sangamo Electric Co. The illustration does not show the magnets and indicating mechanism.
Ques. How is the flux produced in the alternating current form of Faraday disc meter?
Ans. By the secondary current of a series transformer.
Frequency Indicators.—A frequency indicator or meter is an instrument used for determining the frequency, or number of cycles per second of an alternating current. There are several forms of frequency indicator, whose principle of operation differs, and according to which, they may be classed as
Fig. 2,561.—Circuit diagram of simple shunt Sangamo ampere hour meter. It is rated at 10 amperes, larger currents being measured by using shunts. In operation, the main or line current to be measured passes through the shunt, while a part proportional to the drop across the shunt, is shunted through the meter and measured. The only effect of reversing the current will be to reverse the direction of rotation of the meter. In battery installations it is never possible to take the same number of ampere hours from a battery as are put into it, hence, if the simple shunt ampere hour meter be used for repeated and successive charges and discharges, it will be necessary to reset the pointer to zero each time the battery is fully charged. When the shunt meter is equipped with a charge stopping device, the pointer is reset while charging, to allow for a predetermined overcharge.
Fig. 2,562.—Circuit diagram of Sangamo differential shunt type ampere hour meter for use in battery charging. Since a battery absorbs more energy on charge than it will give out on discharge, at its working voltage, it is usually given a certain amount of overcharge. This makes desirable a meter that automatically allows for the proper amount of overcharge. Such a meter indicates at all times the amount of electricity available for useful work without resetting the pointer every time the battery is charged. In other words, the battery and the meter would keep in step for considerable periods of time without readjustment. The Sangamo differential shunt meter is designed to meet these requirements, and it consists essentially of a Sangamo meter with two shunts connected as shown. The relative value of shunt resistance is adjustable by means of slider G, so that the meter can be made to run slow on charge or fast on discharge, whichever may be desired. The usual method is to allow the meter to register less than the true amount on charge and the exact amount on discharge, the difference representing the loss in the battery, or the overcharge. If the meter be provided with a charge stopping device, the battery can be given an amount of overcharge predetermined by the setting of the slider G. Therefore the amount of overcharge can be fixed in advance by a skilled man and the actual charging done by any unskilled person, since all there is to do is to make the connection.
Ques. How is a synchronous motor employed as a frequency indicator?
Ans. A small synchronous motor is connected in the circuit of the current whose frequency is to be measured. After[Pg 1827] determining the revolutions per minute by using a revolution counter, the frequency is easily calculated as follows:
frequency = (revolutions per second × number of poles) ÷ 2.
Figs. 2,563 and 2,564.—Frahm resonance type frequency meter. Fig, 2,563, portable meter; fig. 2,564, switchboard meter. The readings are correct in either the vertical or horizontal position. The energy consumption at 100 volts is about 1 to 2 volt amperes, and is approximately proportional for other pressures. The regular portable meters are arranged for pressures of from 50 to 300 volts, and for this purpose they are fitted with terminals for 65, 100, 130, 180, and 250 volts. In order to obtain full amplitude at intermediate pressures, a milled headed screw is provided for adjusting the base piece mechanically, and thereby permitting of regulating the pressure range within ±20 per cent; this insures indications of maximum clearness. Should it be desired to extend the standard pressure range of 50 to 300 volts, up to 600 volts, two further terminals for 350 and 500 volts are necessary, so that these instruments are provided with eight fixed terminals in addition to the mechanical regulating device. Instruments which are intended for connecting to one specific supply or to the secondary of a pressure transformer, require only a single pressure range, say 100 volts, with the aforementioned regulating device. The frequency range is from 7.5 to 600 cycles per second. In order to obtain easily readable indications, one reed is provided for every quarter period for frequencies below 30, for every half period for frequencies between 30 and 80, and for every whole period for frequencies between 80 and 140. The use of a smaller number of reed, that is to say, of larger intervals between the periods of vibration of adjoining reeds, is only recommended for circuits having very variable frequencies, as otherwise no reed might respond to the vibrations caused by intermediate frequencies. The arrangement of the separate reeds on a common base piece, permits supplying any combination of interval that may be required. It is often desirable to secure two ranges with one set of reed. To do this a second electromagnet is supplied. It is polarized, and operates on the same base plate. In the case of alternating current when the unpolarized magnet is used the reeds receive two impulses during each cycle, while with the polarized magnet they receive but one impulse per cycle. A commutator is provided to easily make the change from one range to the other. If there be two sets of reed, the one commutator may be connected to change both. This device is only applicable when alternating current is measured. Instruments with unpolarized magnets are made with frequencies of 15 to 300 cycles per second.
Ques. Describe the resonance method of obtaining the frequency.
Ans. In construction, the apparatus consists of a pendulum, or reed, of given length, which responds to periodic forces having the same natural period as itself. The instrument comprises a number of reeds of different lengths, mounted in a row, and all simultaneously subjected to the oscillatory attraction of an electromagnet excited by the supply current that is being measured. The reed, which has the same natural time period as the current will vibrate, while the others will remain practically at rest.
Figs. 2,565 and 2,566.—Side and end views of Frahm resonance type frequency meter reeds. Owing to the principle employed in the meter it is evident that the indications are independent of the voltage, change of wave form, and external magnetic fields.
The construction and operation of the instrument may be better understood from figs. 2,565 and 2,566, which illustrates the indicating part of the Frahm meter. This consists of one or more rows of tuned reeds rigidly mounted side by side on a common and slightly flexible base.
The reeds are made of spring steel, 3 or 7 mm. wide, with a small portion of their free ends bent over at right angles as shown in fig. 2,566 and enameled white so that when viewed end on they will be easily visible. The reeds are of adjustable length, and are weighted at the end.
A piece of soft iron, rigidly fastened on the base plate which supports the reeds, forms the armature of a magnet.
When the magnet is excited by alternating current, or interrupted direct current, the armature is set in vibration, and that gives a slight movement to the base plate at right angles to its axis, thereby affecting all the reeds, especially those which are almost in tune with its vibrations.
The reed which is in tune will vibrate through an arc of considerable amplitude, and so indicate the frequency of the exciting current.
Ques. For what use is the resonance type of frequency meter most desirable?
Ans. For laboratory use.
Fig. 2,567.—Westinghouse induction type frequency meter. The normal frequency is usually at the top of the scale to facilitate reading. The damping disc moves in a magnetic field, thus damping by the method of eddy currents. The standard meters are designed for circuits of 100 volts nominal and can be used for voltages up to 125 volts. For higher voltages, transformers with nominal 100 volt secondary should be used.
Ques. Describe the induction type of frequency meter.
Ans. It consists of two voltmeter electromagnets acting in opposition on a disc attached to the pointer shaft. One of the magnets is in series with an inductance, and the other with a resistance, so that any change in the frequency will unbalance the forces acting on the shaft and cause the pointer to assume a new position, when the forces are again balanced. The aluminum disc is so arranged that when the shaft turns in one direction[Pg 1830] the torque of the magnet tending to rotate it decreases, while the torque of the other magnet increases. The pointer therefore comes to rest where the torques of the two magnets are equal, the pointer indicating the frequency on the scale.
Fig. 2,568.—Langsdorf and Begole frequency meter. The operation of this meter is based on the fact that if an alternating pressure of E Volts be impressed on a condenser of capacity C, in farads, the current in amperes will be equal to 2π ~ EC, provided the pressure be constant. In construction, the scale is mounted on the same axis as the pressure coil, across the mains so as to render the instrument independent of variation of voltage. For a discussion of this meter, see Electrical Review, vol. LVIII, page 114.
Fig. 2,569.—General Electric horizontal edgewise, induction type frequency indicator. It is provided with an external inductance and resistance placed in a ventilated cage for mounting on the back of the switchboard. Means are provided for adjusting the instrument for the characteristics of the circuit on which it is installed. Standard instruments are wound for 100 to 125 volt circuits only, but can be wound for circuits up to and including 650 volts. Instruments for use on circuits in excess of 650 volts are always provided with pressure transformers. The normal operating point is marked at approximately the center of the scale, thus giving the advantage of very open divisions. The standard frequencies are 25, 40, 60,125 and 133.
Ques. What is the object of the aluminum disc?
Ans. Its function is to damp the oscillations of the pointer.
Fig. 2,570.—Westinghouse rotary type of synchroscope or synchronism indicator. The indication is by means of a pointer which assumes at every instant a position corresponding to the phase angle between the pressures of the busbars and the incoming machine, and therefore rotates when the incoming machine is not in synchronism. The direction of rotation indicates whether the machine be fast or slow, and the speed of rotation depends on the difference in frequency. The pointer is continuously visible, during both the dark and light periods of the synchronizing lamps.
Synchronism Indicators.—These devices, sometimes called synchroscopes, or synchronizers indicate the exact difference in phase angle at every instant, and the difference in frequency, between an incoming machine and the system to which it is to be connected, so that the coupling switch can be closed at the proper instant. There are several types of synchronizer, such as
The simplest arrangement consists of a lamp or preferably a voltmeter connected across one pole of a two pole switch connecting the incoming machine to the busbars, the other pole of the switch being already closed.
If the machines be out of step, the lamps will fluctuate in brightness, or the voltmeter pointer will oscillate, the pulsation becoming less and less as the incoming machine approaches synchronous speed. Synchronism is shown by the lamp remaining out, or the voltmeter at zero.
Fig. 2,571.—General Electric synchronism indicator. The synchronism indicator is a motor whose field is supplied with single phase current from one of the machines to be synchronized, and its armature from the other. The armature carries two inductance coils placed at a large angle, one supplied through a resistance, the other through an inductance. This arrangement generates a rotating field in the armature, while the stationary field is alternating. The armature tends to assume a position where the two fields coincide when the alternating field passes through its maximum; hence, the armature and pointer move forward or backward at a rate corresponding to the difference of frequency, and the position when stationary depends on the phase relation. When the machines are running at the same frequency and in phase the pointer is stationary at the marked point. In construction, it is like a small, two phase, bipolar synchronous motor, the field being supplied with alternating instead of direct current. The armature is mounted in ball bearings in order to make it sufficiently sensitive and smooth in operating. The armature coils are not exactly 90 degrees apart, since it is not possible to get the current in the two coils exactly in quadrature without introducing condensers on other complicated construction. Standard ratings are for 110 and 220 volt circuits. Synchronism indicators should be ordered for the frequency of the circuit on which they are to be operated, although the instruments may be used on circuits varying 10 per cent to 15 per cent from the normal. The words "Fast" and "Slow" on the dial indicate that the frequency on binding posts E and F is respectively higher or lower than that on A and B; or, in other words, clockwise rotation of the pointer means that the incoming machine is running at too high speed, counter clockwise rotation indicating too low speed.
Ques. How does the resonance type of synchronism indicator operate?
Ans. On the same principle as the resonance type of frequency indicator, already described.
Ques. What is the principle of the rotating field type of synchronism indicator?
Ans. Its operation depends on the production of a rotating field by the currents of the metered circuits in angularly placed coils, one for each phase in the case of a polyphase indicator. In this field is provided a movable iron vane or armature, magnetized by a stationary coil whose current is in phase with the voltage of one phase of the circuit. As the iron vane is attracted or repelled by the rotating field, it takes up a position where the zero of the rotating field occurs at the same instant as the zero of its own field. In the single phase meter the positions of voltage and current coils are interchanged and the rotating field is produced by means of a split phase winding connected to the voltage circuit.
Fig. 2,572.—General Electric external resistance and inductance for 110 volt synchronism indicator. Both the resistance and inductance are intended to be placed behind the switchboard.
Figs. 2,573 to 2,576.—Connections of General Electric synchronism indicator. Fig. 2,573, connections with grounded secondaries on pressure transformers; fig. 2,574, connections with ungrounded secondaries on pressure transformers; fig. 2,575, connections for 200 to 240 volt circuits, with six point receptacles; fig. 2,576, connections for checking location of needle. The various letters referred to in the diagrams will be found marked on the ends of the instrument studs and back of reactance coil box. It is important that the instrument be connected in circuit in the proper manner so that the needle will come to the mark on the upper part of the scale when synchronism is obtained. In case the pointer become moved or a change in its position be necessary, it is advisable to make a check on the indication before relocating the needle. This test can be made as follows: Connect together (fig. 2,573) studs marked B and E and connect stud A to terminal F on the external reactance box. When these connections are made, the instrument can be connected to a single phase circuit of normal voltage and if the instrument be correct, the pointer will stand vertically at the point of synchronism. If it do not, the needle can be moved and should be fastened in the correct position. The synchronizing lamps when connected as illustrated in the diagrams, show dark when synchronism is reached. This is the only connection possible when grounded secondaries are used, as in fig. 2,573, and for the high voltage indicators when used as in fig. 2,575, but with ungrounded secondaries (fig. 2,574) the lamps may be connected as indicated, when they will show bright at the moment of synchronism. The connections to the synchronism indicator remain the same as before.
Power Factor Indicators.—Meters of this class indicate the phase relationship between pressure and current, and are therefore sometimes called phase indicators. There are two types:
Fig. 2577.—General Electric synchronizing receptacle and plug for use with synchronism indicator.
Fig. 2,578.—Westinghouse rotating field type power factor meter. The rotating field is produced by the currents of the metered circuits in angularly placed coils, one for each phase of the system, in the case of polyphase meters. In the three phase meter the rotating field is produced by three coils spaced 60° apart; in the two phase meter by two coils spaced 90°; in the single phase meter the positions of voltage and current coils are interchanged and the rotating field is produced by means of a split phase winding, connected to the voltage circuit. There are no movable coils or flexible connections. Single phase meters indicate the power factor of a single phase circuit, or of one branch of any polyphase circuit. Special calibration is necessary in order to use a single phase instrument on a three phase circuit unless the voltage coil be connected from one line to the neutral. Polyphase meters indicate the average angle between the currents and voltages and are superior for polyphase service to meters having only one current coil.
In the wattmeter type, the phase relation between the pressure and the current fluxes is such that on a non-inductive load the torque is zero.
For instance, in a dynamometer wattmeter, the pressure circuit is made highly inductive and the instrument then indicates volts × amperes × sin φ instead of volts × amperes × cos φ, that is to say, it will indicate the wattless component of the power. A dynamometer of this type is sometimes called an idle current wattmeter.
Fig. 2,579.—Single phase power factor meter of the rotating field or disc type.
Ques. Describe a single phase power factor meter of the disc or rotating field type.
Ans. It consists of two pressure coils, as shown in fig. 2,579, placed at right angles to each other, one being connected through a resistance, and the other through an inductance so as to "split" the phase and get the equivalent of a rotating magnetic field.
The coils are placed about a common axis, along which is pivoted an iron disc or vane. The magnetizing coils FG are in series with the load. If the load be very inductive, the coil M experiences very little torque and the system will set itself as shown in the figure. As the load becomes less inductive, the torque on S decreases and on M increases so that the system takes up a particular position for every angle of lag or lead.
Ground Detectors.—Instruments of this name are used for detecting (and sometimes measuring) the leakage to earth or[Pg 1837] the insulation of a line or network and are sometimes called ground or earth indicators, or leakage detectors.
For systems not permanently earthed anywhere, these instruments are nearly all based on a measurement of the pressure difference between each pole and earth, two measurements being required for two wire systems, and three for three wire, whether direct current single phase, or polyphase alternating current. In the case of direct current systems, the insulation, both of the network and of the individual lines, can be calculated from the readings, but with alternating current, the disturbance due to capacity effects is usually too great. In any case, however, the main showing the smallest pressure difference to earth must be taken as being the worst insulated.
For low tension systems moving coil (for alternating current) or moving iron instruments (for direct current) are the most used, while for high tension systems electrostatic voltmeters are to be preferred. On systems having some point permanently earthed at the station, as for instance the neutral wire of direct current system, or the neutral point of a three phase system, an ammeter connected in the earth wire will serve as a rough guide. It should indicate no current so long as the insulation is in a satisfactory state, but on the occurrence of an earth it will at once show a deflection. The indications are, however, often misleading, and serve more as a warning than anything else.
Fig. 2,580.—Westinghouse single phase electrostatic ground detector.
Fig. 2,581.—Westinghouse three phase electrostatic ground detector.
Fig. 2,582.—Wallis-Jones automatic earth leakage cut out. It is an instrument which so protects a direct current circuit that the circuit is broken whenever a leak occurs from either main to earth, and so that the circuit cannot be permanently re-established until the leak has been removed. The instrument and its connections may be explained by the aid of the accompanying diagram, in which T1 and T2 represent the points of connection from the mains, and T3 and T4, the points of connection to the circuit to be protected. So S2, and S3 will preferably be ordinary tumbler switches, but they are diagrammatically represented as plain bar switches, their fixed contacts being diagrammatically represented by dotted circles. When the three switches S1, S2, and S3 are closed, the current passes from T1 to T3 through the small resistance R1, through circuit L to T4, and back through the resistance R2 to T2. In shunt with R1 and R2, are the two moving coils C and C2, working in the magnetic field of the magnets NS, NS, and rigidly fixed on one spindle, which is broken electrically by an ebonite block E. The points of connection to the shunts are adjusted so that when the same current passes out through one and back through the other, the effect on the two coils is equal and opposite, and there is thus no movement. Should, however, any minute portion of the current through R1 leak to earth instead of returning via R2, the balance is disturbed, C becomes stronger than C2, the system is deflected, and a contact is made by the arm A at B, no matter in which direction the coils deflect. The system is similarly deflected for a leak on the other lead. In the diagram these contacts are shown at right angles to their normal plane. As soon as the contact is made, the electromagnet M is energized, the arm of S1 is released and the spring at once pulls it off its contact, at the same time breaking S2. The positions of the blades when the switches are open are shown dotted. The only means the user has of closing the circuit is by putting on S3 by the handle H, which is outside the locked box. The first effect of putting on S3 is to break its circuit; it then by means of the slotted bar P begins to pull on S2 and S1, which can thus be closed again, and held closed by the trigger as before. The circuit, is, however, still broken till S2 is pushed back. Then if the leak be still on, the slot in P allows S1 and S2 to open at once as before. It is therefore impossible to keep the circuit closed while the leak exists. The working condition of the instrument can be tested at any time by switching a lamp on in the circuit and depressing one of the keys K1, K2. This short circuits R1 or R2, throws the coils out of balance, and the switch opens. The contact arm is closed in an inner dust tight case, and it will be noted that it makes contact only; the break occurs at the switches, thus avoiding any sparking. Since the two coils work in the two gaps of one and the same field, changes in the strength of the magnets have no effect, the apparatus is enclosed in a locked metallic box, and the only part to which the user has access is the handle H, and, if desired, the testing keys K1 K2.]
[Pg 1839]HAWKINS PRACTICAL LIBRARY OF
ELECTRICITY
IN HANDY POCKET FORMPRICE $1 EACH
They are not only the best, but the cheapest work published on Electricity. Each number being complete in itself. Separate numbers sent postpaid to any address on receipt of price. They are guaranteed in every way or your money will be returned. Complete catalog of series will be mailed free on request.
ELECTRICAL GUIDE, NO. 1
Containing the principles of Elementary Electricity, Magnetism, Induction, Experiments, Dynamos, Electric Machinery.
ELECTRICAL GUIDE, NO. 2
The construction of Dynamos, Motors, Armatures, Armature Windings, Installing of Dynamos.
ELECTRICAL GUIDE, NO. 3
Electrical Instruments, Testing, Practical Management of Dynamos and Motors.
ELECTRICAL GUIDE, NO. 4
Distribution Systems, Wiring, Wiring Diagrams, Sign Flashers, Storage Batteries.
ELECTRICAL GUIDE, NO. 5
Principles of Alternating Currents and Alternators.
ELECTRICAL GUIDE, NO. 6
Alternating Current Motors, Transformers, Converters, Rectifiers.
ELECTRICAL GUIDE, NO. 7
Alternating Current Systems, Circuit Breakers, Measuring Instruments.
ELECTRICAL GUIDE, NO. 8
Alternating Current Switch Boards, Wiring, Power Stations, Installation and Operation.
ELECTRICAL GUIDE, NO. 9
Telephone, Telegraph, Wireless, Bells, Lighting, Railways.
ELECTRICAL GUIDE, NO. 10
Modern Practical Applications of Electricity and Ready Reference Index of the 10 Numbers.
Silently corrected simple spelling, grammar, and typographical errors.
Retained anachronistic and non-standard spellings as printed.
End of Project Gutenberg's Hawkins Electrical Guide v. 7 (of 10), by Hawkins
*** END OF THIS PROJECT GUTENBERG EBOOK HAWKINKS ELECTRICAL GUIDE ***
***** This file should be named 49253-h.htm or 49253-h.zip *****
This and all associated files of various formats will be found in:
http://www.gutenberg.org/4/9/2/5/49253/
Produced by Richard Tonsing, Juliet Sutherland and the
Online Distributed Proofreading Team at http://www.pgdp.net
Updated editions will replace the previous one--the old editions will
be renamed.
Creating the works from print editions not protected by U.S. copyright
law means that no one owns a United States copyright in these works,
so the Foundation (and you!) can copy and distribute it in the United
States without permission and without paying copyright
royalties. Special rules, set forth in the General Terms of Use part
of this license, apply to copying and distributing Project
Gutenberg-tm electronic works to protect the PROJECT GUTENBERG-tm
concept and trademark. Project Gutenberg is a registered trademark,
and may not be used if you charge for the eBooks, unless you receive
specific permission. If you do not charge anything for copies of this
eBook, complying with the rules is very easy. You may use this eBook
for nearly any purpose such as creation of derivative works, reports,
performances and research. They may be modified and printed and given
away--you may do practically ANYTHING in the United States with eBooks
not protected by U.S. copyright law. Redistribution is subject to the
trademark license, especially commercial redistribution.
START: FULL LICENSE
THE FULL PROJECT GUTENBERG LICENSE
PLEASE READ THIS BEFORE YOU DISTRIBUTE OR USE THIS WORK
To protect the Project Gutenberg-tm mission of promoting the free
distribution of electronic works, by using or distributing this work
(or any other work associated in any way with the phrase "Project
Gutenberg"), you agree to comply with all the terms of the Full
Project Gutenberg-tm License available with this file or online at
www.gutenberg.org/license.
Section 1. General Terms of Use and Redistributing Project
Gutenberg-tm electronic works
1.A. By reading or using any part of this Project Gutenberg-tm
electronic work, you indicate that you have read, understand, agree to
and accept all the terms of this license and intellectual property
(trademark/copyright) agreement. If you do not agree to abide by all
the terms of this agreement, you must cease using and return or
destroy all copies of Project Gutenberg-tm electronic works in your
possession. If you paid a fee for obtaining a copy of or access to a
Project Gutenberg-tm electronic work and you do not agree to be bound
by the terms of this agreement, you may obtain a refund from the
person or entity to whom you paid the fee as set forth in paragraph
1.E.8.
1.B. "Project Gutenberg" is a registered trademark. It may only be
used on or associated in any way with an electronic work by people who
agree to be bound by the terms of this agreement. There are a few
things that you can do with most Project Gutenberg-tm electronic works
even without complying with the full terms of this agreement. See
paragraph 1.C below. There are a lot of things you can do with Project
Gutenberg-tm electronic works if you follow the terms of this
agreement and help preserve free future access to Project Gutenberg-tm
electronic works. See paragraph 1.E below.
1.C. The Project Gutenberg Literary Archive Foundation ("the
Foundation" or PGLAF), owns a compilation copyright in the collection
of Project Gutenberg-tm electronic works. Nearly all the individual
works in the collection are in the public domain in the United
States. If an individual work is unprotected by copyright law in the
United States and you are located in the United States, we do not
claim a right to prevent you from copying, distributing, performing,
displaying or creating derivative works based on the work as long as
all references to Project Gutenberg are removed. Of course, we hope
that you will support the Project Gutenberg-tm mission of promoting
free access to electronic works by freely sharing Project Gutenberg-tm
works in compliance with the terms of this agreement for keeping the
Project Gutenberg-tm name associated with the work. You can easily
comply with the terms of this agreement by keeping this work in the
same format with its attached full Project Gutenberg-tm License when
you share it without charge with others.
1.D. The copyright laws of the place where you are located also govern
what you can do with this work. Copyright laws in most countries are
in a constant state of change. If you are outside the United States,
check the laws of your country in addition to the terms of this
agreement before downloading, copying, displaying, performing,
distributing or creating derivative works based on this work or any
other Project Gutenberg-tm work. The Foundation makes no
representations concerning the copyright status of any work in any
country outside the United States.
1.E. Unless you have removed all references to Project Gutenberg:
1.E.1. The following sentence, with active links to, or other
immediate access to, the full Project Gutenberg-tm License must appear
prominently whenever any copy of a Project Gutenberg-tm work (any work
on which the phrase "Project Gutenberg" appears, or with which the
phrase "Project Gutenberg" is associated) is accessed, displayed,
performed, viewed, copied or distributed:
This eBook is for the use of anyone anywhere in the United States and
most other parts of the world at no cost and with almost no
restrictions whatsoever. You may copy it, give it away or re-use it
under the terms of the Project Gutenberg License included with this
eBook or online at www.gutenberg.org. If you are not located in the
United States, you'll have to check the laws of the country where you
are located before using this ebook.
1.E.2. If an individual Project Gutenberg-tm electronic work is
derived from texts not protected by U.S. copyright law (does not
contain a notice indicating that it is posted with permission of the
copyright holder), the work can be copied and distributed to anyone in
the United States without paying any fees or charges. If you are
redistributing or providing access to a work with the phrase "Project
Gutenberg" associated with or appearing on the work, you must comply
either with the requirements of paragraphs 1.E.1 through 1.E.7 or
obtain permission for the use of the work and the Project Gutenberg-tm
trademark as set forth in paragraphs 1.E.8 or 1.E.9.
1.E.3. If an individual Project Gutenberg-tm electronic work is posted
with the permission of the copyright holder, your use and distribution
must comply with both paragraphs 1.E.1 through 1.E.7 and any
additional terms imposed by the copyright holder. Additional terms
will be linked to the Project Gutenberg-tm License for all works
posted with the permission of the copyright holder found at the
beginning of this work.
1.E.4. Do not unlink or detach or remove the full Project Gutenberg-tm
License terms from this work, or any files containing a part of this
work or any other work associated with Project Gutenberg-tm.
1.E.5. Do not copy, display, perform, distribute or redistribute this
electronic work, or any part of this electronic work, without
prominently displaying the sentence set forth in paragraph 1.E.1 with
active links or immediate access to the full terms of the Project
Gutenberg-tm License.
1.E.6. You may convert to and distribute this work in any binary,
compressed, marked up, nonproprietary or proprietary form, including
any word processing or hypertext form. However, if you provide access
to or distribute copies of a Project Gutenberg-tm work in a format
other than "Plain Vanilla ASCII" or other format used in the official
version posted on the official Project Gutenberg-tm web site
(www.gutenberg.org), you must, at no additional cost, fee or expense
to the user, provide a copy, a means of exporting a copy, or a means
of obtaining a copy upon request, of the work in its original "Plain
Vanilla ASCII" or other form. Any alternate format must include the
full Project Gutenberg-tm License as specified in paragraph 1.E.1.
1.E.7. Do not charge a fee for access to, viewing, displaying,
performing, copying or distributing any Project Gutenberg-tm works
unless you comply with paragraph 1.E.8 or 1.E.9.
1.E.8. You may charge a reasonable fee for copies of or providing
access to or distributing Project Gutenberg-tm electronic works
provided that
* You pay a royalty fee of 20% of the gross profits you derive from
the use of Project Gutenberg-tm works calculated using the method
you already use to calculate your applicable taxes. The fee is owed
to the owner of the Project Gutenberg-tm trademark, but he has
agreed to donate royalties under this paragraph to the Project
Gutenberg Literary Archive Foundation. Royalty payments must be paid
within 60 days following each date on which you prepare (or are
legally required to prepare) your periodic tax returns. Royalty
payments should be clearly marked as such and sent to the Project
Gutenberg Literary Archive Foundation at the address specified in
Section 4, "Information about donations to the Project Gutenberg
Literary Archive Foundation."
* You provide a full refund of any money paid by a user who notifies
you in writing (or by e-mail) within 30 days of receipt that s/he
does not agree to the terms of the full Project Gutenberg-tm
License. You must require such a user to return or destroy all
copies of the works possessed in a physical medium and discontinue
all use of and all access to other copies of Project Gutenberg-tm
works.
* You provide, in accordance with paragraph 1.F.3, a full refund of
any money paid for a work or a replacement copy, if a defect in the
electronic work is discovered and reported to you within 90 days of
receipt of the work.
* You comply with all other terms of this agreement for free
distribution of Project Gutenberg-tm works.
1.E.9. If you wish to charge a fee or distribute a Project
Gutenberg-tm electronic work or group of works on different terms than
are set forth in this agreement, you must obtain permission in writing
from both the Project Gutenberg Literary Archive Foundation and The
Project Gutenberg Trademark LLC, the owner of the Project Gutenberg-tm
trademark. Contact the Foundation as set forth in Section 3 below.
1.F.
1.F.1. Project Gutenberg volunteers and employees expend considerable
effort to identify, do copyright research on, transcribe and proofread
works not protected by U.S. copyright law in creating the Project
Gutenberg-tm collection. Despite these efforts, Project Gutenberg-tm
electronic works, and the medium on which they may be stored, may
contain "Defects," such as, but not limited to, incomplete, inaccurate
or corrupt data, transcription errors, a copyright or other
intellectual property infringement, a defective or damaged disk or
other medium, a computer virus, or computer codes that damage or
cannot be read by your equipment.
1.F.2. LIMITED WARRANTY, DISCLAIMER OF DAMAGES - Except for the "Right
of Replacement or Refund" described in paragraph 1.F.3, the Project
Gutenberg Literary Archive Foundation, the owner of the Project
Gutenberg-tm trademark, and any other party distributing a Project
Gutenberg-tm electronic work under this agreement, disclaim all
liability to you for damages, costs and expenses, including legal
fees. YOU AGREE THAT YOU HAVE NO REMEDIES FOR NEGLIGENCE, STRICT
LIABILITY, BREACH OF WARRANTY OR BREACH OF CONTRACT EXCEPT THOSE
PROVIDED IN PARAGRAPH 1.F.3. YOU AGREE THAT THE FOUNDATION, THE
TRADEMARK OWNER, AND ANY DISTRIBUTOR UNDER THIS AGREEMENT WILL NOT BE
LIABLE TO YOU FOR ACTUAL, DIRECT, INDIRECT, CONSEQUENTIAL, PUNITIVE OR
INCIDENTAL DAMAGES EVEN IF YOU GIVE NOTICE OF THE POSSIBILITY OF SUCH
DAMAGE.
1.F.3. LIMITED RIGHT OF REPLACEMENT OR REFUND - If you discover a
defect in this electronic work within 90 days of receiving it, you can
receive a refund of the money (if any) you paid for it by sending a
written explanation to the person you received the work from. If you
received the work on a physical medium, you must return the medium
with your written explanation. The person or entity that provided you
with the defective work may elect to provide a replacement copy in
lieu of a refund. If you received the work electronically, the person
or entity providing it to you may choose to give you a second
opportunity to receive the work electronically in lieu of a refund. If
the second copy is also defective, you may demand a refund in writing
without further opportunities to fix the problem.
1.F.4. Except for the limited right of replacement or refund set forth
in paragraph 1.F.3, this work is provided to you 'AS-IS', WITH NO
OTHER WARRANTIES OF ANY KIND, EXPRESS OR IMPLIED, INCLUDING BUT NOT
LIMITED TO WARRANTIES OF MERCHANTABILITY OR FITNESS FOR ANY PURPOSE.
1.F.5. Some states do not allow disclaimers of certain implied
warranties or the exclusion or limitation of certain types of
damages. If any disclaimer or limitation set forth in this agreement
violates the law of the state applicable to this agreement, the
agreement shall be interpreted to make the maximum disclaimer or
limitation permitted by the applicable state law. The invalidity or
unenforceability of any provision of this agreement shall not void the
remaining provisions.
1.F.6. INDEMNITY - You agree to indemnify and hold the Foundation, the
trademark owner, any agent or employee of the Foundation, anyone
providing copies of Project Gutenberg-tm electronic works in
accordance with this agreement, and any volunteers associated with the
production, promotion and distribution of Project Gutenberg-tm
electronic works, harmless from all liability, costs and expenses,
including legal fees, that arise directly or indirectly from any of
the following which you do or cause to occur: (a) distribution of this
or any Project Gutenberg-tm work, (b) alteration, modification, or
additions or deletions to any Project Gutenberg-tm work, and (c) any
Defect you cause.
Section 2. Information about the Mission of Project Gutenberg-tm
Project Gutenberg-tm is synonymous with the free distribution of
electronic works in formats readable by the widest variety of
computers including obsolete, old, middle-aged and new computers. It
exists because of the efforts of hundreds of volunteers and donations
from people in all walks of life.
Volunteers and financial support to provide volunteers with the
assistance they need are critical to reaching Project Gutenberg-tm's
goals and ensuring that the Project Gutenberg-tm collection will
remain freely available for generations to come. In 2001, the Project
Gutenberg Literary Archive Foundation was created to provide a secure
and permanent future for Project Gutenberg-tm and future
generations. To learn more about the Project Gutenberg Literary
Archive Foundation and how your efforts and donations can help, see
Sections 3 and 4 and the Foundation information page at
www.gutenberg.org Section 3. Information about the Project Gutenberg
Literary Archive Foundation
The Project Gutenberg Literary Archive Foundation is a non profit
501(c)(3) educational corporation organized under the laws of the
state of Mississippi and granted tax exempt status by the Internal
Revenue Service. The Foundation's EIN or federal tax identification
number is 64-6221541. Contributions to the Project Gutenberg Literary
Archive Foundation are tax deductible to the full extent permitted by
U.S. federal laws and your state's laws.
The Foundation's principal office is in Fairbanks, Alaska, with the
mailing address: PO Box 750175, Fairbanks, AK 99775, but its
volunteers and employees are scattered throughout numerous
locations. Its business office is located at 809 North 1500 West, Salt
Lake City, UT 84116, (801) 596-1887. Email contact links and up to
date contact information can be found at the Foundation's web site and
official page at www.gutenberg.org/contact
For additional contact information:
Dr. Gregory B. Newby
Chief Executive and Director
gbnewby@pglaf.org
Section 4. Information about Donations to the Project Gutenberg
Literary Archive Foundation
Project Gutenberg-tm depends upon and cannot survive without wide
spread public support and donations to carry out its mission of
increasing the number of public domain and licensed works that can be
freely distributed in machine readable form accessible by the widest
array of equipment including outdated equipment. Many small donations
($1 to $5,000) are particularly important to maintaining tax exempt
status with the IRS.
The Foundation is committed to complying with the laws regulating
charities and charitable donations in all 50 states of the United
States. Compliance requirements are not uniform and it takes a
considerable effort, much paperwork and many fees to meet and keep up
with these requirements. We do not solicit donations in locations
where we have not received written confirmation of compliance. To SEND
DONATIONS or determine the status of compliance for any particular
state visit www.gutenberg.org/donate
While we cannot and do not solicit contributions from states where we
have not met the solicitation requirements, we know of no prohibition
against accepting unsolicited donations from donors in such states who
approach us with offers to donate.
International donations are gratefully accepted, but we cannot make
any statements concerning tax treatment of donations received from
outside the United States. U.S. laws alone swamp our small staff.
Please check the Project Gutenberg Web pages for current donation
methods and addresses. Donations are accepted in a number of other
ways including checks, online payments and credit card donations. To
donate, please visit: www.gutenberg.org/donate
Section 5. General Information About Project Gutenberg-tm electronic works.
Professor Michael S. Hart was the originator of the Project
Gutenberg-tm concept of a library of electronic works that could be
freely shared with anyone. For forty years, he produced and
distributed Project Gutenberg-tm eBooks with only a loose network of
volunteer support.
Project Gutenberg-tm eBooks are often created from several printed
editions, all of which are confirmed as not protected by copyright in
the U.S. unless a copyright notice is included. Thus, we do not
necessarily keep eBooks in compliance with any particular paper
edition.
Most people start at our Web site which has the main PG search
facility: www.gutenberg.org
This Web site includes information about Project Gutenberg-tm,
including how to make donations to the Project Gutenberg Literary
Archive Foundation, how to help produce our new eBooks, and how to
subscribe to our email newsletter to hear about new eBooks.