独り言集 令和三年十二月版
アナログ正負入力 検討 [2021/12/29]
![図1:正と負入力に、2チャネルを使った場合の回路とそのシミュレーション [click]→図2:繋ぎ目と重なり具合](fig/msl1229a.jpg)
+++ シミュレーション +++
"PICマイコン"「PIC16F1769」に正負に振れるアナログ信号を扱わせようと考えているが、生憎、1チャネルで10ビットしかない。
これで、"中間点"を設定して、正負入力を扱おうとすると、プラス/マイナス側、それぞれたったの"5ビット"ずつしか取れないことになる。
"5ビット"だと"32段階"だから、何を測るにしても、ちょっと粗過ぎ。
それで、2チャネルを使って、それぞれに正側10ビットと負側10ビットを受け持たせる回路が、出来ないものかと、シミュレータ「Tina-TI」を使って調べてみた。
結果は、いけそうな感じはある。(図1)
これらを、PC(「PC110」を予定)内に取り込んでから、同時に扱えば、何とかなりそう。
もし、負値で線などを描かせるなら、至極簡単で、その数値分だけ、正側と反対方向へ描けばよいはず。
初めは、並みの"スイッチング・ダイオード"を付加してシミュレーションしてみたが、極性の反対側の出力がかなり大きいので、やはり、"ショットキー・ダイオード"を使わないと駄目だった。
これだと、ゼロ・ボルト上下への"はみ出し"は少ないし、正負それぞれの担当分も均等になるようだ。(図2[クリック])
ただ、増幅度が10倍位だと、正側は、入力分が"かさ上げ"される所為か、出力が少し"大き目"になって、"均等さ"が崩れる。
それで、正側は"増幅度"を少し抑え気味にする必要があった。
尤も、増幅度を100倍位に上げると、その差は小さくなるので、正負でそれ程、差をつける必要は無くなる。
この差は、"直流/DC入力"まで扱おうとする"報い"だが、もし、コンデンサで切って"交流/AC入力"だけにすれば、両方共"同じ増幅度"でいいのかもしれない(多分)。
まぁ、実験の状況次第だが、必要ならコンデンサを追加して"交流増幅"だけにも出来るように、空き地を残しておこう。
![図3:手書き回路図(1部、未完) [click]→図4:配置配線が進んだ試作基板](fig/msl1229c.jpg)
+++ 回路図と実基板 +++
"ソフトウェア"の方は無理でも、"ハードウェア"の方だけは、年内に組んでしまいたいと思っているのだが(果たして?)。
部材は全部揃っているから、後は配線だけなので、間違えないように組めばよい。(図3)
だけど、私も"あるある"が多い。
ソケットを半田付けする際に、幾度も「間違えるなよ!間違えるなよ!まちがえるなよ!...」と3回唱えながら、裏側の2ピンを半田付けをしてから、表を見たら...やっぱり!間違えてる!反対向きだ!(アホー!)
今回の試作基板は、かなりコンパクトに組めたと思う。(図4[クリック])
"RF信号"を扱うのでないから、部品配置やシールドなどを気にする必要がないので、楽!
だけど、何処かに落とし穴がありそうな気もする。
が、それは年明けに、ゆっくり自分で臍を噛めばよかろう。(苦笑)
(最近は、こうして上手く配置・配線が出来るだけでも愉しめるようになった。結果が良ければ、更に、愉しいだろう。でも、それは、一瞬で終わってしまうしなぁ)
−*−*−*−*−*−*−*−*−*−*−*−*−*−*−
アナログI/F(ハード) 配線 [2021/12/27]
![図1:配線の現状(表と裏) [click]→図2:端子図をiBooksで確認](fig/msl1227a.jpg)
+++ 配線に着手 +++
やっと、「アナログI/F」の「配線図」を手描きしながら、"基板の配線"を始めた。
今は、「電源部」と「PICマイコン」の端子周りまでで、"入出力端部"は未だ。(図1)
実は、"入出力端子部"でプラス&マイナス電圧も扱いたいが、どのような回路にしようかと迷っていて、少し足踏み状態。
"PDFビューワ"が利用出来るようになって、"配線図描き"が、随分、楽になった♪
"ICチップ"品番を「Safari」で検索して、PDF資料を読み込んで「iBooks」で表示させ、それらの"端子図"を見ながら、"結線図"が描ける。(図2[クリック])
他の部品との比較も容易なので、「OPA2277」の端子配置と「LM358」のそれとが、同じだったことも分かった!
(尤も、"741系"は、品番が違っても、全部同じ端子配置だと知っていれば、左程、感激することは無いのかもしれないが)
![図3:以前に作った電源部との結合部 [click]→図4:大きさを揃えた](fig/msl1227c.jpg)
+++ 電源部の冗長策 +++
この「アナログI/F」の"電源"を「PC110」の"RS232C端子部"から取ってみようと考えたが、やはり、十分ではなさそうな気がする。
それで、もしもの時の"備え"にと、"外部電源(+6V〜+25V)端子"は、設けた。
同時に、作っていたのに忘れていた「バッテリ電源」を思い出した。
それに結合(上載せ)してみようとしたが、"サイズ"が違った!
そのままでは載せられないので、下の電源部を大きい基板に組み直そうかと思ったが、下に大きめの台座を設(しつら)えれば済むことに気が付いた。(図4[クリック])
「バッテリ電源」は、その上に両面テープで固定し、上の「I/F基板」は長めのビス(2oφ)で支えるようにして、(位置合わせをした)「コネクタ」経由で電源を供給出来るようにした。(図3)
("2段重ね方式"は、最近流行らしいので、無意識にそれにあやかったんだろうなぁ。苦笑)
![図5:5x7cm<sup>2</sup>は少し小さ過ぎる [click]→図6:最近の蛇の目基板と、昔のものの違い:ランドの大きさが、やや大きくなっているらしい](fig/msl1227e.jpg)
+++ ミニ基板のこと +++
先般、「ミニ基板(5x7cm2)」のセットが安かった(15枚で千円ちょい)ので買ってみたのだが、今回の工作で、少し小さいと感じた。(図5)
やはり、7x9cm2位でないと、(途中で、案がコロコロ変わるような)実験用には不足気味だ。
(今回、それに気が付いて、追って7枚、注文しておいた。序に、6x8mm2も7枚注文したが、多分、それらは使い切れないだろうと思ったのだが、どうだろう?→私)
因みに、旧い"蛇の目基板"を使おうとしたら、“"目"に入らぬ部品”があった。(何だったか忘れたが)
確かに、"目/孔"や"ランド"が、今のに比べると少し小さいようだ。
(規格外品かもしれないが)"多ピン部品"のピン列が入らないのは、辛い!
(足ピンを折り曲げて、"表面実装風"にすれば、何とかなるが、それも面倒!)
まぁ、チップ部品を載せるには、どちらでも困ることは無いのだが。(図6[クリック])
あ、それから"基板の色"のことだ。
「チップ部品」を載せるようになってから、「基板の色」が、"緑色"や"黒色"では見難いが、"黄色"や"橙/紅色"だと、「小部品類」や「配線」が、大変見易いことに気が付いた。
だが、そういった色の基板は、未だ"少数派"らしい。
完全な"白色"は味気が無い/汚れが目立ち易いかもしれないが、出来れば、"明色カラー基板"も増えて欲しいものだ。
−*−*−*−*−*−*−*−*−*−*−*−*−*−*−
PDFビューワ 追加 [2021/12/25]
![図1:「iPad Mini」に「ミニ・ノートPC」をプラス [click]→図2:ひっくり返り易い百均スタンド](fig/msl1225a.jpg)
+++ 「iPad Mini」ビューワ +++
PICマイコン「PIC16F1769」の長文(?)資料を、"PDA"「DATAWEST製ANV-701A/DL Android 4.4.2)」で読んでいたのだが、"別頁の参照"がどうも上手く行かず。(操作不慣れの所為か?)
...そうだ!これくらいの大きさの画面だったら、(孫達用だった)「iPad Mini」を使ってみるのはどうだろう?
それの「iBooks」に、"PDF資料"を取り込んで、先の"PDA"と見比べてみた。
こちらは、"PDF資料"を扱うには、随分便利だ!...気に入った♪
だが、やはり"細かい処で"一長一短があるみたい。
例えば、「Safari」で検索し、ダウンロードした"PDFファイル"をそのまま、「iBooks」の「ライブラリ」にしてしまえるから便利なんだが、でも、ペ−ジ内の"文字"を、まま"太字"に変えたりするのは、苦手のようで、拡大操作をしなければ、"文字"は細いままだ。(図1)
どちらも、「バッテリ」(の充電量)が良く減るので、「ACアダプタ」(の紐付き)は欠かせない。
それに、立て掛けて置く今の「百均スタンド」(図2[クリック])は、少し小さいので、ペンで擦ると、勝手に転ぶのも困る。
紙の資料のように、クリップで吊って、ぶら下げて置くことも難しい。
また、(カガミの如き)画面の"背景の映り込み"や"画面の垢・汚れ"も気になる。
![図3:「iPad Mini」に「ミニ・ノートPC」をプラス [click]→図4:百均グッズ ペンとスタンド](fig/msl1225c.jpg)
+++ ミニ・ノートPCも +++
改めて、百均店で"ペン"や"スタンド"を買って来たが、やはり、"ペン"は画面を擦り難く、"スタンド"は滑り易い。どれも、少しずつ不満。(図4[クリック])
...それならば、「ミニ・ノートPC」の方が、(キーボードやマウスは邪魔だけど)"画面の見易さ・綺麗さ"の点で、有利ではないか?
で、「BuildFuture L80」という"ミニ・ノート"に、(旧い)「Adobe Reader 9」を載せて、PDF資料を読んでみた。
...うん!これも、(「キーボード」は多少邪魔だけど、)なかなか良さそうだ!(図3)
"画面の広さ"は、それほど変わらないが、("画面"を"ペン"で擦らなくて、)独立した「マウス」や「キーボード」が使える!
まぁ、その分だけ、場所を占有するけど、半田付け作業をしながら、資料をじっくり見なければならない時には、こちらの方が良いかも。
...結局、あれこれ不満があると、どれか1台だけで済ますってのは、無理かもしれない。
兎に角、資料類を、どのような状態ででも、出来るだけ簡単に、サクサク読めるようにしておきたいもんだ!
昔、SF小説か何かで、"カメラのような記憶力を持つ男"の話を読んだことがあったが、その能力の千分の一でもあやかれれば、楽なんだがなぁ。
−*−*−*−*−*−*−*−*−*−*−*−*−*−*−
PDF読み機 調べ [2021/12/23]
![図1:昔のPDA(Android機:Ver 4.4.2) [click]→図2:ジャンク機(ブート不能品)](fig/msl1223a.jpg)
+++ PDF読み機 +++
"PICマイコン"などのPDF資料類を、一括して保存・閲覧したいと思って、"Windows版タブレット"を探したが、以前からの"毛嫌い"が祟って、頭の中の情報がカラッポ。
止む無く、ジャンクのタブレットでも買って感触を掴もうとした。
(...結果は、またまた嫌いになってしまった)
買ってみたのは、「Fujitsu製Arrows tab Q584/K」のジャンク品(図1の手前側)、二千円強で、安価ではないのだが、いかにも動きそうなBIOS写真で、しかも、仕様はメーカのものを転記して、内蔵SSD-64GB...と。(尤も、この通りではないが、と断ってあったが、いかにもわざとらしい)
品物が来て、調べてみたら、確かに"BIOS Setup"は可能だが、"HDD"が無いとの表示!ゼロだ!(図2[クリック])
+ 内蔵SSD +
まぁ、ジャンクPCは、普通はHDDを外してあるので、この状態は当然なんだが、それでも、"USB端子"(MiniUSB、USB3.0の両方)から「外部USB-HDD」などを起動出来ないのだ。
何を差しても、アクセスはするけど、"起動可能なデバイスが見つかりません。”だと。(何か、"起動の秘密"でもあるのかな?)
![図3: [click]→図4:](fig/msl1223c.jpg)
+ 分解 +
中を開けようと、"液晶面側"を"ホット・ブロワ"で温めながら、無理矢理抉じ開け掛けたが、こちら側は、"(開けてはいけない)完全接着面"らしかった。(図3、図4[クリック])
開けられるのは、(フックの付いた)"裏側"だけらしいが、それとても開けるのが大変難しかった。(写真撮り忘れ)
(先の所有者も、無理にこじ開けようとして、"液晶ガラス"の端を割ってしまったのではないかな。それで、あっさり売り飛ばした?)
+ SSD壊れ? +
開けて中を見たが、外せるような"SSD/HDD"は見当たらない。
恐らく、「内蔵SSD」は、"シールド・ケース"内の"固定されたフラッシュ・メモリ・チップ群"なのではないか、それが壊れてしまって、結果、容量がゼロ!か?と推測した。
本体は古いから、今更、これらの入れ替え出来るとしても、やる気にも、使う気にもならない。
それに、「電源端子」からの"充電"も出来ないようだから、その内、「バッテり」も干上がってしまうだろう。
まぁ、怪しい"ジャンク品"だから、動かなくて当然か。(狙ったが、外れたってこと!)
+ 古PDAの利用 +
そこで、思い出したのは、以前買った"Android-PAD類"で、7型で表示は狭いが、"PDFビューワ"として使えないかな?
...1台だけ、何とか使えそうなのがあった!(図1の奥側:DATAWEST製ANV-701A/DL Android 4.4.2)
これだと、(抜き差し可能な)"SD"に収納・整理した「PDFファイル」でも、ちゃんと読めそうなので、暫くこれを試してみてやろう!
+ Adroidのバージョン? +
他のPDAは、ネットの"サイトと繋がらない/ダウンロードも出来ない"とか、"バージョンが低すぎる"とかで、「PDFリーダ」を組込むのにも/使うにも手間が掛かりそうなので、止めた。
しかし、"iPad"や"Android"は、バージョン・アップの為には、本体を変えないとダメらしいから、つまらんなぁ。
それに、"骨董品的価値"なんて、皆無だもんな。(...でも、時には、何かの役に立つ?!)
−*−*−*−*−*−*−*−*−*−*−*−*−*−*−
PIC16F1769 端子 [2021/12/22]
![図1:暫定割り当て図 [click]→図2:パーツを増やして、配置を考え中](fig/msl1222a.jpg)
+++ 「PIC16F1769」端子割り当て +++
当初は、この「アナログI/F」を、出来るだけコンパクトにしようと小さな"汎用基板"(5x7mm2)で考え始めたが、詳細を詰め始めたら、段々その大きさでは入れ難くなって来た。
それで、先回から一回り大きな基板(7x9mm2)に替えた。
多分、これなら全部載せられるだろう...。(図2[クリック])
PICマイコン「PIC16F1769」のPDF資料を読み進めながら、あれこれ"端子割り当て"の手直し中。(図1)
"クロック"(#2、#3)は、"内部クロック"で賄うつもりだが、後で、どんな改良が必要になるか分からないので、端子は未使用にしておく。
"ICS"(オンボード・プログラミング)機能があることに、後で気が付いて、先の割り当てを取消して、再割り当て(#15、#16)をした。それら用として、"入出力ピン"(6ピン)も立てよう。
"DAC出力"は駆動力が小さいので、そのまま取り出さず、"オペアンプ"経由(#7、#14)にするのが良いらしい。
そうすると、端子位置を替えなければいけなくなった。
"ランプ波/鋸歯状歯"も発生出来るが、これも"オペアンプ"経由にしなければならないらしい。
これは、"DAC出力"との取り合いになるが、譲るべきは、DAC2(10ビット)側かな。これの最終決定は、未だ。
"クロック"は出来れば内部32MHzにしたいが、消費電力が気になる。
"非同期通信"(#10、#11)の"ボーレート"は、出来れば、9600か115Kにしたいが、クロック16MHzでは、未だ計算していない。
"PICマイコン"とは別の話だが、"アナログ出力"を+25Vにするか、±12Vにするか、未だ迷っている。
いずれにするかで、後段の"バッファ回路"の構成を変えなければならない、かもしれない。
−*−*−*−*−*−*−*−*−*−*−*−*−*−*−
アナログI/F作成 挑戦 [2021/12/20]
![図1:「PC110」のアナログI/Fを作ってみたい [click]→図2:カーブトレーサ・アダプタの出力波形の例](fig/msl1220a.jpg)
+++「PC110」用アナログ・インターフェースの構想 +++
以前から、「PC110」は飾っておくだけでは勿体ないので、小さくても良いから何か実用的な仕事をやらせたいと思っている。
だが、何せ能力の高さは、私並み(いやいや以上だ!?)なので、左程大仰なことは無理だろう。
先般、「JVFAX」を使って、"SSTV"が受像出来るようになったのに勇気付けられて、今回は、RS232C/シリアル・ポートを使った"アナログ・インタフェース"の作成に挑戦してみる。(図1)
これで、先ずは、"カーブ・トレーサ・アダプタもどき"をやってみたい。(図2[クリック])
その為に、ADC、DACをそれぞれ2チャネルずつ設けたい。
電源も、"RS232Cのポート"から流用が出来ればいいが、足りるかどうかは、調べてみないと分からない。
無理かもしれないから、並列に、外部電源の供給口も設けておこう。
![図3:最後はPICマイコンにした [click]→図4:I2CやSPIで、ADC,DAC2ポートずつは、酷く面倒だ](fig/msl1220c.jpg)
+++ 通信方式とポート数 +++
初めは、「RS232Cポート」から"電力"を取り出すことも含めて、インタフェースは、"SPI"や"I2C"を考え、それらに対応するデバイス群も早々と買い込んだ。(図4[クリック])
だが、これらADC(MCP3421A0T)、DAC(MCP4726A0T)の資料を調べ始めると、2チャネルずつ設けるには、"RS232C出力端子"の"数"が足りない。
*TxD→電源
*DTR→SCL(クロック)
*RST+CST→SDA(データ送受)
*???→ChipSelect(CS)
*GND→GND
「SPI」だと、"チップ選択用端子"が必要だが、それが足りない。
(まぁ、工夫が足りないのは、分かっているが)
「I2C」を使おうとすると、ADCとDACは、別の"アドレス・コード"なので、並列接続が出来るが、同種2個ずつは、同じ品番ではダメらしい。
品番:"MCP....A0T"に加えて、それ以外に、"MCP....A1T"や"MCP....A2T"といった、別品番のものを並べる必要があるそうだ。
しかし、今更、"品番違い品"を探して買い揃えるのも、面倒に思えて来た。
それで、ADC・DAC使用は止めて、以前に買ってあった"PICマイコン"(PIC16F1679)を使ってみることにした。(図3)
これだと、DACは2チャネル、ADCは好きなチャネル数だけ(?)使えるらしいから、インタフェースは「RS232C」そのままとして、次のような端子の使い方が出来そうだ。
*TxD,RxD→通信(RC7、RB5)
*DTR,RST→電源(レギュレータによる 3.3V または 5V & DCDCCNVによる 25V または ±12V )
+GND→GND
しかし、この"PICマイコン"っいうのは、"データ中継・保管用メモリ"が多くないので、使い勝手が悪くて、以前にやった"FlashWrterの作成"では、"未完成の憂き目"に遭った。
他の断念理由を色々書いたが、結局は、"データ・バッファリング用のメモリ"は、PC本体側に持たないと駄目だと分かった時点で、魅力が薄れて使用を諦めた、というのが本音。
今回は、その轍を踏まないようにしよう。
−−−−−−−−−−−−−−−−−−−−−−−−−
![図5:PDF資料を読む、貯める、溢れる! [click]→図6:iPadのPDF・Viewerは、少し不便](fig/msl1220e.jpg)
+++ PDF資料とiPad +++
ジャンクPCなどは、資料が無いのが普通なので、以前はそれ程困らなかったが、最近では、新しい部品類の"資料類"が無いと始められないので、常にPDFを探しては、紙にプリントしている。
作業中は、それを目の前にぶら下げて参照しながら半田付けなどをしているが、終われば、バインドして保存する。
だが、今はもう、保存分が溜まり過ぎて、困り始めた。(図5)
PC上で閲覧・保存する方法は、作業中の"ちょい見"には、邪魔だし不便。
さりとて、紙にしておくと、溢れて来る。
そこで、「iPad」でPDFを見ることにしたが、こいつは、"ネット閲覧"は楽だが、PDFの"整理保存"や"オフライン閲覧"の方法が、(未だ)分からず。(図6[クリック])
ちょっと調べてみたが、結構面倒そう。
そうだ!"タブレットPC(Windows版)"を買って、PDF資料類の"閲覧・保存・整理"をしてみよう。
あれなら、"閲覧"も"保存"も"整理"も、やり易くて、それに場所を取らなくていいだろう、...と期待中。
−*−*−*−*−*−*−*−*−*−*−*−*−*−*−
道具類:ピンセット、鏝先 整備 [2021/12/17]
![図1:自家製消磁器でピンセット先の消磁、市販帯磁器でドライバ先の帯磁 [click]→図2:小トランスを消磁器に改造](fig/msl1217a.jpg)
+++ ピンセット先の消磁、ドライバ先の帯磁 +++
「ピンセット」の先が"帯磁"して来て、チップ部品(抵抗やコンデンサ)を扱う際に、それらが勝手にくっ付いて来るので、大変迷惑。なので、"消磁"が必要になる。
逆に、「ドライバ」などは先が"帯磁"していると、ビスを拾い上げたり、運んだりする際に、大変便利!
("この方法"と、"+型ビス"を考えた人達に、ノーベル賞を上げたい程だ。笑)
先日、"小トランス"の電流容量を調べる為に作ったバラックを、余った"小トランス”の一つを改造/鉄コアを抜いて載せて、(仮の)「消磁器」にした。(図2[クリック])
トランスのコア抜き作業には、手間が掛かったが、消磁は一瞬で済んだ。
AC100Vを入れて、(コアを抜いた)コイル部がブーンとうなっている間に、ピンセットを先を突っ込んでからゆっくりと引き抜く。
それで、綺麗さっぱりと、磁気が抜けた!w(^^;
他方、良く使う「ドライバ」の方は、使っていると、次第に磁気が抜けて行くので、ビスが思うようにくっ付けられなくなる。
そんな時に"橙色の磁化タマゴ"(仮称)を使うのだが、こちらも、先を突っ込んで十回ほどゴシゴシ擦れば、必要な程度に帯磁する。(図1 右側)
百均グッズの"強磁石"でも、同じような効果はありそうだが、まだ試してはいない。
![図3:高速加熱型ゆえ、鏝先の消耗が激しい! [click]→図4:思い切って多数に購入](fig/msl1217c.jpg)
+++ 半田鏝先の消耗・補給 +++
チップ部品の半田付けは勿論、ちょと半田付けをしておきたいという時に、瞬速加熱の小型半田鏝が、大変具合が良い!
しかし、鏝先が高温度になる為か、あるいは、"溶融半田"との馴染みが良過ぎる為なのか、消耗が激しい。
先端の細い部分は直ぐに消えてしまい、太い部分もどんどん短くなる。
鏝先の交換は、今はもう、買って使い始めてから、4本目だ。(図3)
短くなると、半田付けの無用な箇所にも、鏝先が接触するので、拙い!
形状の良い鏝先も残り少なくなって来たので、追加で沢山買い込んだ。二千円弱。(図4[クリック])
これで、暫くは、心置き無く半田付けに勤しめる。d(^^;
−−−−−−−−−−−−−−−−−−−−−−−−−
![図5:PC110:No.13でのSSTV-JVFAX受信例 [click]→図6:PC110:No.5でのSSTV-JVFAX受信例](fig/msl1217e.jpg)
+++ PC110+JVFAX:SSTV受像例 +++
「PC110」+「JVFAX」を使ったSSTV受信・受像は、日々快調!
空のコンディションが良い時は、(白黒だが)綺麗な画像が受信出来ている。
しかし、7.178MHz付近は、時には、"ゴミ溜め"のように、"汚い電波"が一杯!
「PC110」と「JVFAX」には、気の毒な程だが、ま、頑張って貰おう。
以前のマシン「No.5:五郎」は、前枠が不整のままで、"左側の暗部"が気になっていた。図6[クリック])
(早く、前枠を替えてやれよ!→ 私...ま、その内な!)
今回、マシンを(前枠が、比較的整っている?)「No.13:杉」に替えてみた。(図5)
「JVFAX」をセットした「CF」を入れ替えるだけなので、入替は簡単!
これでも、問題無く、綺麗に受信・受像が出来る♪...(カラー化は、見果てぬ夢)
冗談だが、(BCL,SWLならぬ)"SSTVL"として、「595レポート」を送れば、素敵な「ベリ・カード/Verification Card」が頂けるかもしれないなぁ。(笑)
−*−*−*−*−*−*−*−*−*−*−*−*−*−*−
Sony/Tek.335 修理 再開 [2021/12/15]
![図1:R1208で、程々の明るさに調整 [click]→図2:VR-R1208 for CRT BIAS](fig/msl1215a.jpg)
+++ 「輝度調整(INTENSITY)」の怪 +++
先日、突然、「SonyTek.335」が、"輝線輝度"が調節不可能なほど高くなるという不良(症状)を発症してしまった。
中を開け、取り敢えず、"CRT BIOS"調整用の「VR:R1208」(図2[クリック])を廻して、程々の輝度に調節した。
これで、通常の明るさに戻すことが出来た。(図1)
・・・他の機能には異常は無さそうなので、このままでも使えなくはないが、普通に"輝度調節"が出来ないのは、面白くない。それに、"輝線の起点"が、"輝点”のままなので、"蛍光面焼け"も心配だ。
この「VR:R1208」で、CRTの第1グリッドのDC電圧でも調節するのかな?と思ったのだが、回路を追ってみるとそうでもなさそうだ。(マニュアル図面:CRT<14>)
CRTの第1グリッドには、コンデンサで接続されてはいるが、DC的には接続されていない。
DC接続されているのは、高圧側の下部らしい。
まぁ、それでも、"輝度調節"をすることは、出来るってことだ。
だが、前面の「輝度調整ツマミ(INTENSITY)」を廻しても、あまり輝度は変えられず。
むしろ、時計方向(右廻し)に廻すと、逆に"輝度"が落ちてしまう!?(これは奇妙だし、困る!)
...端子の電圧を測ってみると、"右廻し"すれば、確しかに、+7Vから+8Vに(素直に)上昇している。
通常は、この電圧範囲で、「輝線」を暗い状態から明るい状態まで、大幅に可変出来るらしいのだが。
説明や図面をみても、(私の知識の範囲外で)良くワカラン!(マニュアル図面:UNBLANKING & Z AXIS<10>)
恐らく、"UNBLANKING"系を担当する素子のどれかが"不良化"しているに違いないと思うので、暫く、執念深く、追っ掛けてみる。
−−−−−−−−−−−−−−−−−−−−−−−−−
![図3:経路中のQ1430を外して調べた [click]→図4:異常なし!](fig/msl1215c.jpg)
+++ 経路中のQ1430をチェック +++
"動作の解析"は二の次にして、兎に角、「Q1430」を外して"トランジスタ機能"を調べてみた。(図3)
特に、劣化している様子は無かった。(図2[クリック])
(これは、ソケットではないが、そのまま差し戻しが出来る"柔らかピン受け構造"(仮称)なので、半田付け不要で有難い!)
尚、「Q1435」、「Q1440」、「Q1442」は、(12/15時点で)未だ調べていない。
別途、「P1430」に差せる「2Pコネクタ」に「50KΩVR」を付けたものを作って、「Q1430」のエミッタ側をこれに差し替えて、DC的に調節してみた。
当然ながら、"輝度"は"暗"・"明"、自在に変えられたが、どの段階でも、前面の「輝度調整ツマミ(INTENSITY)」の効果は、変わらず/良くならず。
右に廻す程、暗くなる。(益々、訳が分からなくなって来た)...はて?VR-「INTENSITY」はAC的にのみ、効くのかな?
![図5:Q1410、Q1420もチェック [click]→図6:異常なし!](fig/msl1215e.jpg)
+++ 関係しそうな素子群をチェック +++
Q1435、Q1440、Q1442の確認は、後に残して、先に奥の方を調べて、もしかしたら不良化しているかもしれないIC群の名称を調べて、入替が必要なら、早目に購入発注をしたいと思い、(辛いけど)一番奥の基板<10>を外してみた。(図5)
(大変な苦労...?でもないが、半田付けされたケーブル類が邪魔なのと、"コネクタ接続部"の再接続が、複雑で面倒?!)
分かったのは、Q1410、Q1420は、どちらも「2SC1475」で、特性に異常は無かった。(図2[クリック])
だが、「U1405」は、回路図記名の"74L00"ではなくて、現物は「MC1458」だった。(おっ!)
しかも、"通常ソケット使用"だ!?よって、これは、正・不正確認の為、新規購入(予定)品と差し替えてみる!
尚、図右下の「A772」は、直接関係は無さそうだが、同じ基板上にあったので、一応測ってみた。
やはり、普通の正常なトランジスタだった。
![図7:U700はUNBLANKINGの発生元? [click]→図8:Sweep generator boardの裏面(U700のマークあり)](fig/msl1215g.jpg)
+++ UNBLANKINGの信号源 +++
"UNBLANKING信号"の源を辿ったら、「Sweepボード<8>」上の「U700」が、それらしい。(図8[クリック])
なので、これの素性を調べたら「CA3046」で、これも、やはり"通常ソケット使用"のようだ。(図7)
これも、新規購入(予定)品と入れ換えてみることにした。
このボード上のICの入れ替えは、相当に面倒そうだが、ここまで来たら、やってみるしかないだろうな。
上記2種のICは、発注はしたが、"受取"と"実験"は、来年('22年)になりそうだ。
これの修理は、暫く待機。
−*−*−*−*−*−*−*−*−*−*−*−*−*−*−
Sony/Tek.336A ジャンク修理 中止 [2021/12/13]
![図1:336Aのストレージ機能復活は断念 [click]→拡大](fig/msl1213a.jpg)
+++ 「Acquisitionボード」のV-(電源-5V)線を追った +++
先回の続きで、「Acquisitionボード」内の「V-接続点」を探して、個別にトランジスタ、ダイオード、抵抗などを外してみて、不良症状改善の可能性・有無を調べてみた。
結果は、どれも改善効果が無く、ダメだった。
電源投入時に起きるエラー群("sum error")は、回避出来ず。
その後の動作も、異常なままで、これでは使い物にならない。
素子を外している内に、パターン剥がれを生じて来たので、これ以上の"取り外し作業"は拙いと考えたので、追加検討を中止。
結局、この「336A」は、最初の改修状態−「Acquisitionボード」のV-入力端子を外し、「GPIBの右上コネクタ(10ピン)」を外した状態−に戻して、"ストレージ機能無効"の状態で使うことにする。
これでも、「335」の帯域幅35MHzよりも広くなったし、キャラクタ表示も可能なので、多少のグレード・アップにはなる。(図1)
これを、このまま暫く使ってみよう。
−−−−−−−−−−−−−−−−−−−−−−−−−
![図2:V-(-5V)の接続部品を外したら、パターン剥がれが [click]→拡大](fig/msl1213c.jpg)
+++ 素子外し、パターン剥がれ +++
「Acquisitionボード」内へのV-(-5V)供給を止めると、正常に立ち上がって来て、以降正常に動作するので、もしかしたら「ボード」内の"不良箇所"が特定出来るのではないかと、「V-電源端子」に接続されている素子を(分かる範囲で全部)1個々々外して、その影響・効果を見た。
外したのは、
1.Q650 (NPN hFE≒78、Vf≒730mV)
2.Q700 (NPN hFE≒85、Vf≒709mV)
3.Q102
4.R600
5.R602
6.R736
7.CR650
などで、「Q650」、「Q700」は「2SC2713」に置き換えてみたが、効果が無い。(これらは、後で、元に戻した)
...何故、ボード全体にV-電源を供給しなければ、状態が良くなるのに、素子単独では効果が無いのかが良く分からず。
"V-"を使う"アナログ回路"全体を止めないといけないとしたら、あるいは、"入力信号系の不具合"かもしれない。
...それは、ちょっと手に余る。
素子群を付けたり外したりしている内に、"パターン剥がれ"が起きて来たので、これ以上の細工は難しいと考えたので、作業を中止。(図2)
修理が完了しないのは残念だが、現状(ストレージ機能無し、GPIB使用不可)でも、実使用には左程困らないので、此処で修理は中止する。
−*−*−*−*−*−*−*−*−*−*−*−*−*−*−
Sony/Tek.336A ジャンク修理 (1) [2021/12/11]
![図1:端っこの入力線は、V-だった [click]→拡大](fig/msl1211a.jpg)
+++ 「Acquisitionボード」を調べる +++
先回までで分かったのは、「Acquisitionボード」を抜けば、"ストレージ機能"無しで動作させられるってこと。
では、ボード全部ではなくて、部分的に抜いて/外してみてはどうか?
幸い、「コネクタJ930(20ピン)」傍の"コイル群"が外し易そうなので、端の「コイルL30」の片側端子を外してみた。
このラインは、内部へ「-5V」を供給するようだ。
因みに、「ぴーぴーテスタ」で追ってみると「OP.Amp CA3160E」の#4ピン(V-)に繋がっていることでも確かめられた。(図1)
結果、ボードを差したままでも、("ストレージ機能"は無いようだが、)ほぼ正常に動作するようになった。ストレージ機能の"設定操作"や"再生操作"も出来るようになっている。
しかし、"再生"の"文字表示"は出るものの、ストレージされるはずの"波形"は出ない。
(尚、「Enterボタン」が、ちっちゃな「INVボタン」と共用になっていたのに、後で気が付いた)
![図2:V-入力が無ければ、異常は発生しない [click]→拡大](fig/msl1211b.jpg)
+++ V-入力を外し、GNDに接続したら +++
V-ラインを外して、約-5Vを加えなければ、異常動作はしないが、逆に正常動作中でも、-5Vを加えると、途端に動作が異常になる。
では、-5Vではなくて、0V/GNDならどうか?
試してみたら、何も影響は無さそうで、(V-端子の開放時と同様に、)ほゞ正常に動作している。
「MEASUREボタン」を押すと、何やら沢山の"データ表示"が現れる。(図2)
...中央の"p-p"の値、"0mV"が意味深長だ。(笑)
やはり、"ストレージ機能"は働いていないようだ。
「RECALL」ボタンの次に「ENTER」ボタンを押すと、一瞬、"波形の表示"は出るが、ほぼ同時にカチャッと小さなリレーの動作音(?)がして、"波形表示"は消えてしまう。
どうやら、現れる波形は、"ストレージ波形"ではなさそうだ。多分、現入力信号がそのまま、一瞬出たのだろう。
−−−−−−−−−−−−−−−−−−−−−−−−−
![図3:V-ラインを使う素子群とその回路構成 [click]→拡大](fig/msl1211c.jpg)
+++ V-ラインを追った +++
"V-(-5V)ライン"の行く先を追うことにしたが、"マイナス電源"を使う素子と言えば、主にOPアンプか、トランジスタ回路だけで、他のロジックICなどは、殆どが+5V電源(のはず)だ。
で、"マイナス電源"を使うICを探したら、
*CA3160E(BIMOS Op.Amp)
*NE521D(Dual-Differential Comparator/Sense Amp)
の2個と、それ以外に、"-V"に繋がっていたトランジスタ2個が分かった。
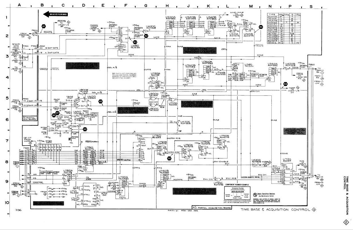
(「336A」の資料ではないので、)「SonyTek.336」の回路図[TIME BASE & ACQUISITION CONTROL<13>]は、参考にはならないと思い込んでいたが、よく見ると、「座標:D6」に殆ど同じ素子群が使われているので、改めて、その回路図が参考になるかもしれないと、見直している。(図3)
ボード上のそれらしいトランジスタ「Q650(HF)」と「Q700(HF)」を外して調べてみたら、「Q650」は、hFE≧78、Vf≒730mVだが、「Q700」は、ちゃんと値が出て来ない/調べられない。
"測定端子"との接触不良かもしれないので、後でもっと、測る工夫をしてみよう。
(もしかしたら、これが"不良"かもしれないが、単に調べ方が悪いだけかもしれないもんな)
ついでに、他のペアらしいトランジスタ群も、外して調べてみた。
「Q66(KY)」、「Q65(KY)」をどちらも"PNP型"で、hFE≧500、Vf≒560mVだった。
「Q101(HF)」、「Q102(HF)」は、共に"NPN"型で、hFE≧260、Vf≒660mVだった。
どうやら、これらは、どれも壊れてはなさそう。
(しかし、こんな素子を、実装したままで、簡単に"良否判定"が出来るような「小道具」があったらいいな...と夢想しているのだが)
尚、その他のIC/LSI、
+i358
+HA19209MP
+HM6268LP-25
などは、(資料によれば、)+5Vだけで動作するので、直接的な関与は無さそうだ。
"ストレージ機能"を調べている内に、最初は手付かず状態だったが、今はかなり色々分かって来たので、解明を続ける。
(続く)
![図4:「335」が怒った? [click]→拡大](fig/msl1211d.jpg)
+++ 「335」の悋気(りんき)? +++
暫く休ませていた「SonyTek.335」だが、これを使って「336A」の状態を調べようとして電源を入れたら、画面全体が"まっ黄色"になるほど明るくてビックリ!?(図4)
泡喰って、「輝度ツマミ」を一杯絞ったけど、効かず。まるで、怒っているよう。(怖っ!)
...さては、兄貴分の「336A」を修理・採用することに、悋気(ヤキモチ)を起こしたのかな?
そう言えば、以前、PC連中でもそんなことがあったような...。
予備機を準備しようとしていたら、現用PCサブ機がスト(?)を起こして、暫く動かなくなったことがあった。
まぁ、偶々、このに時期に"不良化"しただけかもしれないが、何だか、"生類臭さ"を感じるなぁ。
慌てて分解して、調節出来る所は調節してみたが、追い付かず。
やはり、アン・ブランキング・Z軸関係を丁寧に調べないと、修復は簡単ではなさそうだ。
だが、このまま放置しておく気は無いので、これは、いずれ必ず修理する!
−*−*−*−*−*−*−*−*−*−*−*−*−*−*−
Sony/Tek.336A ジャンク 買い [2021/12/08]
![図1:ストレージ機能の無い50MHzオシロとして動作中 [click]→拡大](fig/msl1208a.jpg)
現在使っているオシロ(SonyTek.335:35MHz)は、良く働いてくれてはいるが、もう少し高周波域まで観測したい時には、やや力不足の感がある。
それに、観測波形と同時に、出来れば"電圧値、走査幅の直読表示"も欲しい。
勿論、装置(形状)の"横幅"は、それと同じ幅20cm前後でないと困る。
去る日、「ヤフオク!」で、この「SonyTek.336A:50MHz、数値表示・ストレージ機能有、横幅約24cm?」の不良ジャンクを見掛けた。
有事、落札・入手してから、苦心して(?)修理した結果は、良かった♪ が、少し問題も残っている。(図1、[クリック]で拡大)
"出品説明"にあった物凄そうな不良を直せるかどうかは、全く分からなかったが、兎に角、欲しかった!
それで、(何時もなら、早くから手動入札しっ放しで寝てしまうのだが、)今回は、夜中の終了時まで頑張った。
噂で知ってはいたが、やはり、終了10分(6分ではなかった)前に、どどっと(自動?)入札が入って、見る間に"値"が吊り上がってしまった。
はて?この"自動入札"って、複数が同じ時刻(10分前)に入札予約をしていたら、どれを優先するのかな?もしかして、先着順で、終了時刻に近い(後の)予約ほど、有利?...では、10分前直前で予約を入れればいいのかな?(笑)
私は、次の"6分前"を待たずに、思い切り高い"入札値"を入れて待っていたら、やはり、次の"予約"らしい入札で、値が上がって来た。
流石に、一見して、"直すのが難しそうなジャンク品"だけに、ある値で留まってくれた(と思うが)...そして、落札決定!(ホッと一息♪)
この出品者は、運送会社とも提携しているようで、送料も安かったし、"配送"に関しては、きめ細かな"心配り"をしている業者のようだ。
到着した品の"梱包の丁寧さ"にも、好感が持てた。("送料着払い"で送りつけて来る業者連中とは、大違い!)
![図2:入手時の不動作状態の画面 [click]→拡大](fig/msl1208b.jpg)
+++ 表示はキラキラ星空状態 +++
届いて、開けて、電源を入れてみたこのオシロ「336A」、電源が入ったら"表示"が面白!(図2)
"押し釦"を押しても、効かないのは「事前説明」の通りだったが、キーの名称が違うものが多々。
前パネル上部の"押し釦"の表記・機能も、事前に収集してあった「336、336a」の"Manual"の説明と違うではないか!
例えば、"Enter"というキーを探して、ウロウロ。
それに、後で調べたら、「336」のCPUは「Z80」のはずだが、この「336A」は「MC68008」だ。
まぁ、これは、(正規の)「336A」の「Maintenance Manual」を手に入れることが出来ていないから、仕方がないんだろうけど。
ハードウェアを色々弄繰り廻した挙句、出した結論は、後述のように"ストレージ機能"を無効にすれば、"数値表示"は出るし、単純な"50MHzオシロ"としてなら使えそうだから、そのように使ってみようかってこと。
一応、普通に動作するようで、"X-Y表示"なども、ちゃんと(自動的に)出来るようだ。
机上に、これを置く場合、横幅は丁度良いが、奥行きは「335」よりも長いので、後ろに出っ張る。
試しに置いてみたら、何とか置けそうなので、完全動作するようになれば、置き換えても良いなぁ。
(続く)
−−−−−−−−−−−−−−−−−−−−−−−−−

+++ メンテが難しい構造 +++
「336A」の情報を求めてネット上を探し回ったが、「336」はあっても、「336A」は少ない/無い。もしかして、「336」の資料でも代用出来るだろうとの勘違いがあるのかな?
資料が無いと、手の付けようも無いのだが、闇雲に、TP(テスト・ポイント)を探っては、首を傾げては、ぶつぶつと"独り言"。家人からは、"今日は、少し賑やかねぇ"との一言。
...ふん、これは、"自分との対話だ!"
あるフォーラムで、ある所有者が愚痴をこぼしてして居られた。
確かに、この機種は、ケーブル類の用意が難しいので、疑わしい基板を持ち上げてのチェックが、し難い/容易ではない。
基板群の"抜き差し"は簡単でも、上を渡っているケーブルやコネクタをちゃんと繋げるようにしておかないと、動作チェックが出来ない。(図3)
生憎だが、この「フラット・ケーブル」は、ゴムのように伸び縮みはしてくれないのだ。
まぁ、"コネクタ間のケーブル長が長〜いモノ"を一つ作っておけば、後は、「延長ボード」を用意すれば、何とかなるかもしれないが、それは"決意"の問題。

+++ 試行錯誤の結果 +++
私は、取り敢えず、各基板を外したらどんな状態になるかを見ることにした。
一枚ずつ外して、その状況を見たら、それぞれに違いがあって、なかなか面白かった♪
一番手前の「GPIBボード」は、(どうせ使わないから外しても構わないと、)外したら、"星空模様"だった画面が、大人しい/通常の"キャラクタ表示"になった!(図4)
でも、"Memory ....(Test)"付近で止まってしまう。そして、その後は、画面に震えが来る!?
要は、"メモリ・テスト"が正常に行えない状態だってことらしい。
次に、「CPUボード」を抜いてみたが、何も出ず。これは無意味なので、早々に止めて戻した。
その次に、「Acquisitionボード」を抜いて動作させてみたら、素直に立ち上がって来て、普通のオシロ動作状態になった。ふーん!
これなら、このまま使えるではないか!
けど、"ストレージ"関係は、全く機能していない模様。まぁ、当然か。
尚、「GPIBボード」は、正常に働くかどうかは確かめてはいないが、そのまま差しておいても、問題を起こす気配は無さそうだ。
![図5:電解コンデンサを全部入れ替えたAcquisition ボード表側 [click]→拡大](fig/msl1208e.jpg)
+++ 問題の「Acquisition」ボード表側 +++
"Acquisition"とは、"取得"の意味だそうだが、デジタル・データの変換・取得の役目があるらしい。
初めに、表側に見える"電解コンデンサ"の不良化を疑って、試しに、このボード上のモノを全部、入れ替えて見た。
だが、載っていた"電解コンデンサ"は、どれも正常値だったし、入れ替えた効果は、全く無かった。(残念!)
上基板の左上方に付いている「80MHz水晶発振器」の出力が、「SonyTek.335:35MHz」では良く見えなかったので、(リード線を半田付けして引き出して、ボードを差し直してから)「Iwatsu SS5711D:100MHz」でみたら、ちゃんと5Vが加わっていて、高周波発振をしていた。(図6)
これと同じ手法で、全部の"TP"や"IC端子"からリード線を引き出して調べることも考えたが、今はその気力も少ないので、見切りを付けた。
(このボード/ハードウェアが原因ではなくて、CPU側の問題だということにしておこう。もしかしたら、SRAMの不良かな?が、それも可能性が薄い。ま、その内、再チェックだな)

+++ 「Acquisition」ボードの裏側 +++
裏側には、「HA19209MP」という"ADコンバータ"や「74H74」などの"ロジックIC"が沢山々々載っている。
これらの内、どれかが"不良化"の原因かな?しかし、それも考え難いしなぁ。
「GPIBボード」を外した時、"メモリ・チェック・ルーチン"がちゃんと走らなかったので、この「Acquisitionボード」を疑っていたのだが、この上には、メモリらしきものは、何一つ載っていない!?(図6)
「CPUボード」側は、このボードからどんな信号が返って来ることを期待しているのだろう?
もっと、思考実験をすべきなんだろうが、ちょっと情報や知識が足りな過ぎるので、早々に保留した。
そして、最後にこの「Acquisitionボード」を抜いて、電源を入れてみたら、"初期化"も"メモリ・テスト"も順調に済んで、"初期状態"になった。
「336」の"ブロック図"を見ると、"デジタル・ストレージ部"は切り離しても、"アナログ部"単独で動作しそうな感じがあるので、きっと、その経路だけで動作しているのだろう。
"キャラクタ表示"が正常なので、"CPU部"は正常に関与していることが分かる。
ただ、"ストレージ"関係は、"押し釦"を押せば、一応表示は出るのだが、「設定」をしたつもりでも、"メモリへの読み書き効果"は何も起きないようだ。
それに、大体、設定終了用の"Enterキー"が見付からないもんな。
...この「336A」は、"ストレージ機能"が無くても使えそうだし、欲しかった機能"数値の画面表示"があるので、"机上使い"が出来そうだ。
でも、最小感度が"5mV/Div"だから、「335」の"1mV/Div"よりも悪い。つまり、"感度を下げて、帯域を広げた"っていうことなのか。
どうも、他のデジタル化品も、概そのようで、やはり、"感度・帯域幅"は、"製造年代毎"や"価格帯毎"で、ほぼ同じだってことなのかもしれない。...ジャンクを漁る時の参考に、記憶しておこう。

+++ ファンの強制停止 +++
常時、机上に置いておくと、この静かな部屋では、ファンの音が、結構喧しい。
中を調べて、ファンの"電源ソケット"を抜く方法を探したが、分解が、かなり面倒そうなので、安直に電源線の赤い方を(後で、半田付け出来るように、)少し引っ張り出して来て、ちょん切った。(図7)
何か"警告"が出るかと思ったが、何も無し!(今は冬場か?)
夏場で暑くなれば、何か出て来るかもしれない。...その時は、その時に考えよう。
「335」の方は、どうだったか?過去の記録(記事など)を探してみたが、何も書いてない。他の残存写真をみたら、どうやら、ファンは付いていなかったようだ。
何せ、私の机上では、"小型、軽量、静音"は必須だからな。

+++ 336と336Aの違い +++
ところで、「336A」の資料ことだが、ネット上の"...336a_oscilloscope_....pdf"という資料ですら、中身は"336"だったから、"336A"のものは出回ってはいないのかな?
(資料例:Service Manual on Tek336 Wiki)
今は、"ストレージ機能"関係は、使わないから構わないのだが、前面の最上段の"押し釦"の表記(/機能)が、違っているので、チェックしながら、暫く首を傾げていた。(図8)
もし、「Acquisitionボード」が正常に働き始めても、この調子だと、操作方法が分からず、当分の間、困るだろうな。
現状では、「回路図」も随分違っているらしく、"不具合箇所"を図面上で探そうにも、現状は、無理だ。
もう少し、「CPUボード」を調べてみたいのだが、どうだろう。
まぁ、Tektronix製品の"オシロ等の資料"の多くは、コミュニティ・サイト:TekWikiで、得られるので助かるんだが、"ジャンク弄り"は、普通、そんなマニュアルなんかが無いのが前提で、有ればラッキー!後は、ひたすら元気と根気か?
(続く)
−*−*−*−*−*−*−*−*−*−*−*−*−*−*−
カーブ・トレーサもどき 作る [2021/12/06]
![図1:トランジスタ「2SC733」の特性曲線らしきもの [click]→図2:実際に組んだモノ](fig/msl1206a.jpg)
これまで実験して来た小回路群を組み合わせて、"「トランジスタ・カーブ・トレーサ」もどき"を作ってみた。
沢山余っていたトランジスタ群(2N5551、2N5401)ばかりを使って、「NPNトランジスタ」だけの電圧-電流特性曲線を描かせるだけの機能しか無いし、ベース電流の等間隔性も無いので、"もどき"なのである。
まぁ、それらしい曲線群が描けているので、一応は、狙い通りのものが出来ているのかもしれない。
これが、どの程度使い物になるのかは、追々調べてみるべし。(図1 X軸:2V/Div、Y軸:0.5V/Div)
構成は、トランジスタやVR(可変抵抗器)を順に汎用基板上に並べて、そのレイアウトを優先した。
(出来れば、トランジスタは、横一直線に並べたかったのだが、接続の関係で、多少上下させた方が上手く繋がるので、結果は、ガタガタしてしまった)
"抵抗"、"コンデンサ"には、表面実装用のチップ品を使ったので、結構、コンパクトに出来た。
それらの間を、トランジスタの足を折り曲げたり、0.2oφの被覆銅線を使ったりして、繋いで行った。(図2[クリック])
先日、偶々、日本橋で、「ピンが固定されたBNC」を見付けたので、2個入りを2組買って来た。(2組¥400税込み)
これと「0.8D-2Vケーブル」(5m¥1,760送料・手数料込み)とで、オシロとの結合ケーブルを作ったが、細くて扱い易く、気に入っている。
尚、この基板は、今は"仮土台"の上に載せてあるが、いずれは、電源基板と共に、ケースに入れたい。
−−−−−−−−−−−−−−−−−−−−−−−−−
![図3:回路図(暫定) [click]→図4:X軸信号とベース用階段波](fig/msl1206c.jpg)
+++ 回路と出力波形 +++
回路は、かなり単純で、「2N5551」と「2N5401」とを並べただけだが、抵抗やコンデンサが少なくて済むのが、何だか面白い。(図3)
VR(可変抵抗器)には、一応、"機能名"を付けてみたが、全部が連動していて、一意的なモノではないのが苦しい。
最終的には、固定抵抗でも構わないのだが、(自分で)弄って遊ぶために、必須!
Ri(エミッタ電流検出用),Rb(ベース電流設定用)の値は、通常は、精度の高いものにして、それらを切り替えて調べるらしいが、此処では固定で、Ri=1KΩ、Rb=100KΩ(共に精度±10%)にしてある。
(必要に応じて半田付けで、付けたり、外したり)
"トランジスタ"を装着するのに、ZIFソケット(2個¥480送料込み)を使ったが、配線は、脚の並びの違うもの用として2セット用意した。(「2N5551」は"E-B-C"だが、「2SC733」などは"E-C-B")
"ダイオード"は、"E-C"端子を利用すれば良さそうだ。
この回路で、"X軸走査用"と"ベース電流設定用"の2組の信号が出せる。(図4[クリック])
だが、実は、嘘臭い箇所があって、階段波の"蹴上"の部分が、"X軸走査"の開始後になっていないという問題がある。
もし、この箇所が、"X軸走査"内に入っていれば、"エミッタ電流"が小さい間の(立ち上がり)曲線を描画も出来るはずだが、今はそれが出来ない。
これは、同一の弛張発振回路から、2種の信号を取り出している止むを得ない。
...いや、パルスの立ち下がりではなく、立ち上がり側を利用するなど、もっと工夫・細工をすれば、可能かもしれない。
あるいは、今は、鈍っていて下がり切っていないが、鋸歯状波の"最下部"を、もっと"ゼロ"に近付ける工夫が、必要なのかな?
消費電流に関しては、「2N5551」をマウント・描画している状態で、電源電圧:20Vで、電流:約15mA程なので、短時間の使用であれば、バッテリ電源でも大丈夫そうだ。
こういった「弛張発振回路」側は、(意外に)"電力消費"は少ない。
益々、"バッテリ駆動"が有望になって来た!(笑)
![図5:ダイオードを調べたら [click]→図6:Y軸が対数でないと面白くない](fig/msl1206e.jpg)
+++ 順方向、逆方向特性 +++
トランジスタの"E-B"間の"逆耐電圧特性"を調べてみると、(惚れ惚れするほど?)綺麗に出る!(図6[クリック])
これは「2SC733」の"E-B"の"逆電圧特性"で、約6V程で急激に電流が増えている。
以前は、こんなのを、"定電圧ダイオード"の代わりに良く使っていたが、今は昔の話。
まぁ、この道具で、名称の消えた「ツェナー・ダイオード」の特性が分かれば良いが!
通常の"スイッチング・ダイオード"を見たら、多分、0.6V辺りから電流が増えているようだが、その後はダラダラした直線のようで、締まりが無い。(図5)
資料などで見掛けるのは、もっと屹立しているようで、定電圧特性があるように見えるのだが、実際は、結構緩いようだ。
Y軸を対数で描いてあれば、大分感じが違うのだろうが、この「カーブ・トレーサもどき」では、直線的にしか描けないので、少々味気ない。
−*−*−*−*−*−*−*−*−*−*−*−*−*−*−
トランジスタ負性抵抗 験す [2021/12/02]
![図1:確かに、発振している!(2SC509による) [click]→図2:幾つかのトランジスタを調べてみた](fig/msl1202a.jpg)
2個のトランジスタでの"弛緩(/弛張)発振回路"に、"外部トリガ"を掛けられないか?と希望・想像をして、ネット上を徘徊していた途中で、JA1QVMさん処の興味深い記事を拝見して、至極簡単な回路なので、(廻り道になるけど)試してみたくなった。
回路を組んでみて、確かに、「NPNトランジスタ」(2SC509、2SC684、2N5551など)で発振することを確かめた。(図2[クリック]の左側)
ついでに、トランジスタで"定電流源モドキ"が出来ないか? それによって鋸歯状波の傾斜が直線状に出来ないか?も調べてみた。
...ふむふむ、並みの"NPNトランジスタ(2N5551)"でも、結構、"充電曲線"の直線性を良く出来るようだな♪(図1)
そして、弛緩発振周期は、充電用の抵抗値(VR1側)ではなくて、電流値(VR2側)に依存するようになった。(図2[クリック]の右側)
(あまり周期を長くしても短くしても、直線性が悪くなって来る(のがバレてしまう)ので、この写真は、程々の周期にしてある)
−−−−−−−−−−−−−−−−−−−−−−−−−
![図3:実験台の様子 [click]→図4:およそ10V以上で発振開始](fig/msl1202c.jpg)
+++ 発振開始電圧は? +++
回路は、先回の続きで、横の空き場所に組んだ。
今回は、トランジスタを差し替えて調べるつもりで、「ICソケット6ピン」を載せた。(図3)
(しかし、このICソケットは直ぐ、ユルユルになるからダメだね。丸ピン型の方が、良いかも)
(手持ちの)幾つかのトランジスタを調べたら、"発振開始電圧"は、大体10V〜13V位だった。(図4[クリック])
中には、一応、"トランジスタ特性"はあるのに、発振しないものもあったが、これは、元々"負性抵抗特性"が無いのではないかと思う。(実は、ヨクワカラン)
この発振方式は、電流を流し過ぎると、トランジスタが、簡単に壊れてしまって、(数百Ωの)"抵抗素子"に早変わり?!
(お陰で、沢山残っている古いNPNトランジスタの整理が、少しは出来た!かな? 笑)
![図5:波形が逆向きのものもあった [click]→図6:高速トランジスタか?](fig/msl1202e.jpg)
+++ 周期、振幅は様々 +++
同じ設定でも発振しない(NPN)トランジスタもあるので、VR1を回して調整するのだが、当然、発振周期も変わる。
中には、発振し難くいのがあって、やっと発振させられたと思ったら、波形が逆向きだったりして、(ゲゲッ!と)眼を剥いてしまうのもある。(図5)
(これって、確かにNPN型だよなぁ!?...後で、再確認しようと思っていたが、ウッカリ電流を流し過ぎて、壊してしまった)
そうかと思うと、やたら高速で、振幅が小さい発振しかしないのもある。(図6[クリック])
この振幅は、N層P層などの"物理的な構造"に依存しているのではないかと思うが、振幅が小さいのでちょっと使い難いかも。
まぁ、今回の"廻り道"の成果は、「2N5551」による"定電流源モドキ"の確認が出来たことかな!
−*−*−*−*−*−*−*−*−*−*−*−*−*−*−