8556 / 57SX
191-078 PS/2 MODEL 57 SX (8557-045 AND 049)
rf855657.exe  8556/8557 reference diskette v2.10 -supports SLC2/SLC3 upgrades
192-227  PS/2 486SLC2 Processor Upgrade For PS/2 57 SX HERE
194-031  PS/2 486SLC3 Processor Upgrade For Selected Systems HERE



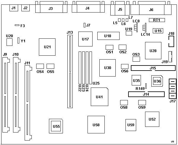
8557SX Planar
F3 Keyboard / Mouse fuse 
J1 Mouse 
J2 Keyboard 
J3 Parallel Port 
J4 DB25 Serial 
J5 HDD-15 Video 
J6 C60 External SCSI port 
J7 Password-override
J9-J11 72 pin SIMM sockets 
J13 Bus-adapter connector 
J14 Floppy Connector 
J15 SCSI connector 
J17 Power-supply connector P1 
J18 Control-assembly connector 
J19 Power-supply connector P2 
L5-L7 Filter for Video output? 
LC8, LC14 ?? 
OS1 28.3220 MHz 
OS2 41.5390 MHz 
OS3 32.0000 MHz 
OS4 22.1184 MHz 
OS5 14.3181 MHz
OS6 25.1750 MHz 
OS8 40.0000 MHz 
OS9 24.0000 MHz 
R149 Transorb 
RT1 Resistor Termpack 
U15 Sony CXK58267AM-12L 
U17 85F0120 
U18 Inmos IMSG171P-50 
U19 Dallas DS1210S 
U20 Dallas DS1285Q 
U21 91F7490 
U22-U25 VRAM 
U28 64F4760 
U30 84F7985 
U35 Siemens 8032B-16 
U36 92F1211 
U41 387SX 120 pin socket 
U52 82077AA 
U55 92F1600 
U58 92F1495 
U59 80386SX-20 
Y1 32.768 KHz

U22-U25 Toshiba TC511665Z-80H 40 pin ZIP VRAM Functionality

J7 has a little sticker over it that says "J18" 

   The 57SX supports up to 16MB of 70-ns memory (all DMA addressable) on the planar in three SIMM sockets. The memory controller automatically supports enhanced performance via memory interleaving with all 2MB or all 4MB SIMMs. One, two or three 2MB SIMMs provide memory interleaving. Two or three 4MB SIMMs also provide memory interleaving. The 8MB SIMMs do not provide interleaving.

Video is provided via the enhanced 16-bit industry-standard VGA.

supports 720KB, 1.44MB and 2.88MB diskettes

8557SX Bus Adapter

   If you have a fantasy about swapping a Lacuna riser and planar into your 57SX, forget it. The Lacuna riser has two mounting slots where the screws are both horizontal, while the 57 has a vertical screw and a horizontal screw. The lacuna mounting holes at the front don't match. 

Dotted area on J1- solder pads for a BVE segment 

J10- Solder pads for a 16 pin header 

J2 AVE slot 

VRAM Functionality?
> This one has actual sockets installed though, not empty pads...? 

   Yeah - most have them ... and they are somewhat connected to the video-chip glue logic on the planar. But basically they are non-functional. If you look on the board you will find the same old boring Inmos RamDAC as on the Mod. 50/60 55/65 70/80, with limited bandwidth. Just enough for standard-VGA or 320x200 / 256 colors CGA mode. And - as said: the machine lacks the video modes in its BIOS AFAIK. 

Some of the later Greenock-variants of the 8556/8557 planar even lack these sockets and have only soldering spots. That was what my comment refered on. 

You might however try to install some chips there for 512K and see if you can enable the mode 2Eh - that's 640 x 480 / 256 colors from a 256K palette at 60Hz vertical / 31.5 KHz horizontal. The system should choke out at Mode 12h ( 640 x 480 / 16 out of 256K, 60Hz / 31.5 KHz) and 13h respectively (320 x 200 / 256 out of 256K, 70Hz / 31.5KHz). 

Very friendly greetings from Peter in Germany 
http://members.aol.com/mcapage0/mcaindex.htm 
 
 

9595 Main Page